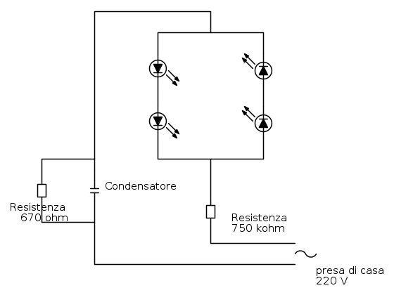
Ragazzi guardate un po questo circuito qui...
approfondendo meglio l'argomento in rete ho trovato questo schema che ho ridisegnato...
Non capisco perché ha messo in parallelo al condensatore anche una resistenza...
Ed inoltre è un condensatore plastico quello??
da quanti farad e volt è?? non ho trovato riferimenti con quelle sigle..
Alimentare led a 220 V c.a.
Moderatori:
carloc,
g.schgor,
BrunoValente,
IsidoroKZ
31 messaggi
• Pagina 3 di 4 • 1, 2, 3, 4
0
voti
1
voti
Forse hai scambiato il valore delle resistenze. La resistenza il parallelo al condensatore serve per scaricare il condensatore quando stacchi la spina.
Per usare proficuamente un simulatore, bisogna sapere molta più elettronica di lui
Plug it in - it works better!
Il 555 sta all'elettronica come Arduino all'informatica! (entrambi loro malgrado)
Se volete risposte rispondete a tutte le mie domande
Plug it in - it works better!
Il 555 sta all'elettronica come Arduino all'informatica! (entrambi loro malgrado)
Se volete risposte rispondete a tutte le mie domande
0
voti
La foto non si legge bene:
Mi sembra che il valore del condensatore sia:
.27J250
il punto sostituisce il simbolo u(Micro)
il numero.27 sarebbe= 270.000pf(picofarad) ovvero (270nF)
il J e' la tolleranza minore del 5%
250 e' la tensione di lavoro
Mi sembra che il valore del condensatore sia:
.27J250
il punto sostituisce il simbolo u(Micro)
il numero.27 sarebbe= 270.000pf(picofarad) ovvero (270nF)
il J e' la tolleranza minore del 5%
250 e' la tensione di lavoro
⋮ƎlectroYou
-

stefanob70
14,1k 5 11 13 - Master EY

- Messaggi: 3190
- Iscritto il: 14 lug 2012, 13:14
- Località: Roma
0
voti
IsidoroKZ ha scritto:Forse hai scambiato il valore delle resistenze. La resistenza il parallelo al condensatore serve per scaricare il condensatore quando stacchi la spina.
No, no! Nessun forse, sono proprio scambiati i valori.
-

Candy
32,5k 7 10 13 - CRU - Account cancellato su Richiesta utente
- Messaggi: 10123
- Iscritto il: 14 giu 2010, 22:54
0
voti
Si si confermo di aver invertito i valori. Scusatemi.
Candy questo mi sembra un circuito simile al tuo, ad eccezione della resistenza di scarica per il condensatore o sbaglio?
Candy questo mi sembra un circuito simile al tuo, ad eccezione della resistenza di scarica per il condensatore o sbaglio?
0
voti
Scusami se il . Sostituise il simbolo u (micro) perche hai scritto che .27 corrisponde a 270000pf e non 270000uf????
0
voti
Ho trovato una tavola di decofica...tutto chiaro ora per la lettura
0
voti
raffys88 ha scritto:Ho trovato una tavola di decofica...tutto chiaro ora per la lettura
Bene.
Devi sempre considerare che i valori sono i sotto multipli del Farad:
Milli 0,001
Micro0 ,000001
Nano 0,000000001
Pico 0,000000000001
Ultima modifica di
stefanob70 il 12 set 2013, 8:58, modificato 1 volta in totale.
⋮ƎlectroYou
-

stefanob70
14,1k 5 11 13 - Master EY

- Messaggi: 3190
- Iscritto il: 14 lug 2012, 13:14
- Località: Roma
0
voti
FedericoSibona ha scritto:Se sei ancora in tempo cancella quel 2 dai pico
Grazie fede,ancora sto sbadigliando...

⋮ƎlectroYou
-

stefanob70
14,1k 5 11 13 - Master EY

- Messaggi: 3190
- Iscritto il: 14 lug 2012, 13:14
- Località: Roma
31 messaggi
• Pagina 3 di 4 • 1, 2, 3, 4
Chi c’è in linea
Visitano il forum: Nessuno e 56 ospiti

Elettrotecnica e non solo (admin)
Un gatto tra gli elettroni (IsidoroKZ)
Esperienza e simulazioni (g.schgor)
Moleskine di un idraulico (RenzoDF)
Il Blog di ElectroYou (webmaster)
Idee microcontrollate (TardoFreak)
PICcoli grandi PICMicro (Paolino)
Il blog elettrico di carloc (carloc)
DirtEYblooog (dirtydeeds)
Di tutto... un po' (jordan20)
AK47 (lillo)
Esperienze elettroniche (marco438)
Telecomunicazioni musicali (clavicordo)
Automazione ed Elettronica (gustavo)
Direttive per la sicurezza (ErnestoCappelletti)
EYnfo dall'Alaska (mir)
Apriamo il quadro! (attilio)
H7-25 (asdf)
Passione Elettrica (massimob)
Elettroni a spasso (guidob)
Bloguerra (guerra)





