Come non detto risulta tutto, hai ragione!
Posso passare al pezzo successivo dell'esercizio finalmente xD..
Moderatori:
g.schgor,
IsidoroKZ







Link900 ha scritto:... Per quanto riguarda le potenze assorbite dal bipolo 2, credevo bastasse calcolare la potenza complessa![]()
utilizzando la VAB e la IAB trovate in precedenza,...
Link900 ha scritto:...Per quanto riguarda invece le potenze erogate dai generatori, con VG pensavo bastasse prendere in esame la corrente che fa riferimento a VG quindi I1 ottenuta da...
Link900 ha scritto:... Con IG invece suppongo si debba prendere in esame la tensione associata a IG e fare il solito calcolo della potenza complessa, ...



Link900 ha scritto:Si millman lo conosco ma ogni volta sono titubante a usarlo perché non mi da fiducia xD...
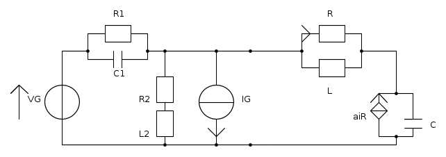
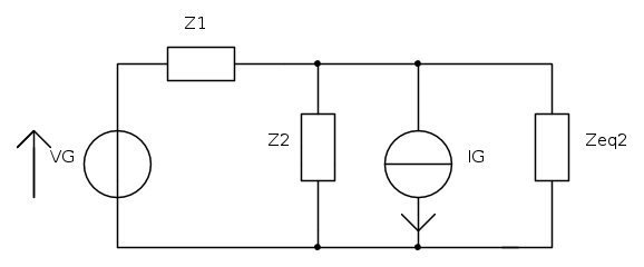
Link900 ha scritto:Per quanto riguarda "in precedenza" intendevo nell'esercizio che abbiamo risolto prima, quando abbiamo trovato la Zeq, e di conseguenza anche VAB e IAB..
Link900 ha scritto:Per quanto riguarda I1 ora che ci penso ho sbagliato, dovevo calcolare prima V1 e poi dividere quello per Z1?
Quindi fare cosi![]()

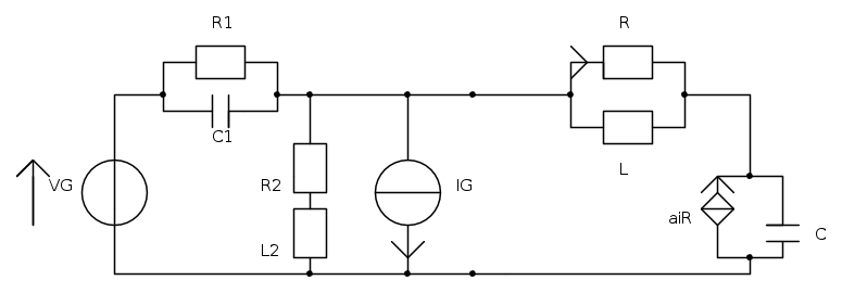
Link900 ha scritto:... quindi ho ridisegnato la rete cosi ...
Link900 ha scritto: ... Ho provato ad applicare millman, ma sicuramente sbaglio qualcosa perché provando ad eseguire i calcoli esce qualcosa di osceno numeri a 6 cifre che mi sembrano improbabili..![]()
Link900 ha scritto:... non devo considerare Zeq2?

Link900 ha scritto:... ho anche provato cosi ma mi escono sempre numeri improbabili ...
RenzoDF ha scritto:Vedo solo un segno errato, quello del GIT, che "spingendo" verso il nodo inferiore, dà un contributo negativo; per il resto è ok, l'unico errore che potresti aver fatto (per far uscire risultati "improbabili") è di calcolo.





Link900 ha scritto: ... ho rifatto i calcoli stamattina cambiando il segno del gen di tensione come hai detto tu, ( anche se sinceramente non ho ben capito perché è il verso del gen di tensione a cambiare e non quello del gen di corrente )..


V_G
N_{I_G}
Torna a Elettrotecnica generale
Visitano il forum: Nessuno e 68 ospiti