Ciao
Stavo provando ne555 in configurazione astabile
Nel primo caso volevo una frequenza di 15hz e d.c. 50%
Calcoli:
T=66ms
Ton e toff : 33ms ciascuno
Ora il calcolo delle r e del c:
R2= 2k ( ho preso un valore a caso,che fosse sopra 1k, appunto 2000 ohm)
C= toff/ 0.7xR2 = 23microfarad
R1= ton/ 0.7xC = circa 2k
PROCEDO quindi con una verifica sulla frequenza ma il risultato é diverso da 15hz:
F= 1.44/ [(R1+2R2)xC] = circa 10.1 Hz
Come mai? Dove ho sbagliato?
Inoltre ho provato a realizzare un oscillatore a 1hz e 80% dc, i calcoli e la verifica vengono bene poi peró noto dal led che i ton sono assolutamente errati ..tipo invence di ton 800ms mi viene un T complessivo di 500ms e quindi un ton molto inferiore degli 800 ms a progetto
Chiarimento ne555 come oscillatore
Moderatori:
carloc,
g.schgor,
BrunoValente,
IsidoroKZ
7 messaggi
• Pagina 1 di 1
0
voti
0
voti
Dalle formule che hai utilizzato non si capisce se stai usando la configurazione col diodo o senza: nel dimensionamento usi una formula, nella verifica un'altra. Posta intanto lo schema del circuito con FidoCad e dopo ne riparliamo.
0
voti
Ora sono su tablet ..dopo metto lo schema che é comunque quello classico senza diodo in parallelo nelle r, ma solo led nel pin di uscita .
0
voti
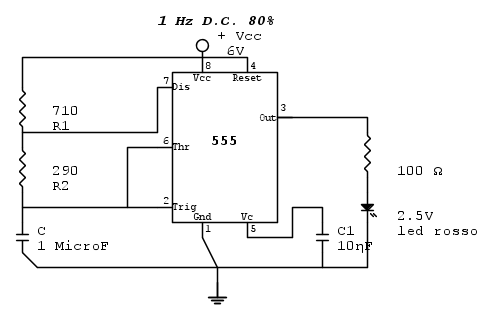
per le R ho usato in serie 510K+220K per R1 e 220k +68 ohm per R2
vcc +6V
Formule usate:
T=1/f = 1S --> 1000ms
Ton=T*0.8= 800ms
Toff=200ms
R2= Toff/(0.69*1MicroF)= 290KOhm
R1+R2=Ton/(0.69*C) =1 MOhm
R1= (R1+R2)-R2= 710Kohm
ps: in questa configurazione mi ritrovo con un lampeggio abbastanza sfasato come detto, mi sembra addirittura che l'intero ciclo finisca in 500ms
vcc +6V
Formule usate:
T=1/f = 1S --> 1000ms
Ton=T*0.8= 800ms
Toff=200ms
R2= Toff/(0.69*1MicroF)= 290KOhm
R1+R2=Ton/(0.69*C) =1 MOhm
R1= (R1+R2)-R2= 710Kohm
ps: in questa configurazione mi ritrovo con un lampeggio abbastanza sfasato come detto, mi sembra addirittura che l'intero ciclo finisca in 500ms
0
voti
Quando fai esperienze di questo genere ed ammesso che i calcoli siano fatti correttamente, devi tenere conto delle tolleranze dei componenti; un resistore da 710kohm al 5% potrebbe dare un errore di 35.5kohm che, riportati nel conteggio, hanno la loro influenza sul risultato finale pratico; lo stesso dicasi per i condensatori.
Per quanto attiene l'ultimo esempio, hai considerato R1 = 710k, R2 = 290k e C = 1uF; il risultato darebbe i seguenti valori:
T1 = 0.6930
T2 = 0.2009
Periodo = 0.8939
Hz = 1.116
D.C. = 77.52
Per ridurre l'errore puoi usare valori meno "corposi" ottenendo gli stessi risultati, ad esempio:
R1 = 87k
R2 = 29K
C1 = 10uF
ed avresti in teoria dei valori piu' vicini a quelli volevi ottenere:
T1 = 0.803
T2 = 0.200
P = 1.003
Hz = 0.993
D.C. = 80%
Per quanto attiene l'ultimo esempio, hai considerato R1 = 710k, R2 = 290k e C = 1uF; il risultato darebbe i seguenti valori:
T1 = 0.6930
T2 = 0.2009
Periodo = 0.8939
Hz = 1.116
D.C. = 77.52
Per ridurre l'errore puoi usare valori meno "corposi" ottenendo gli stessi risultati, ad esempio:
R1 = 87k
R2 = 29K
C1 = 10uF
ed avresti in teoria dei valori piu' vicini a quelli volevi ottenere:
T1 = 0.803
T2 = 0.200
P = 1.003
Hz = 0.993
D.C. = 80%
marco
0
voti
space88 ha scritto:R2= 2k
C= toff/ 0.7xR2 = 23microfarad
R1= ton/ 0.7xC = circa 2k
PROCEDO quindi con una verifica sulla frequenza ma il risultato é diverso da 15hz:
F= 1.44/ [(R1+2R2)xC] = circa 10.1 Hz
Ciao
La formula che hai usato per fare la verifica è corretta, ma non è coerente con quella che hai usato per il dimensionamento di R e C: quelle che hai usato tu sono nel caso in cui ci sia il diodo che bypassi la resistenza R2 durante la fase di carica del condensatore! Prova a ricontrollarle
Dovresti anche ricordarti che non puoi mai ottenere un DC del 50% con quella configurazione senza diodo, in quanto ti verrebbe R1=0.

0
voti
Grazie a tutti per gli ottimi consigli.
Si la formula per il C l'avevo notata in uno schema che in effetti aveva il diodo in parallelo.
Ho riconfigurato con i valori che mi avete consigliato ed ho ottenuto giá ottimi risultati.
Dovró stare piú attento in futuro con il fattore tolleranza dei c e dei r.
Si la formula per il C l'avevo notata in uno schema che in effetti aveva il diodo in parallelo.
Ho riconfigurato con i valori che mi avete consigliato ed ho ottenuto giá ottimi risultati.
Dovró stare piú attento in futuro con il fattore tolleranza dei c e dei r.

7 messaggi
• Pagina 1 di 1
Chi c’è in linea
Visitano il forum: Google [Bot] e 240 ospiti

Elettrotecnica e non solo (admin)
Un gatto tra gli elettroni (IsidoroKZ)
Esperienza e simulazioni (g.schgor)
Moleskine di un idraulico (RenzoDF)
Il Blog di ElectroYou (webmaster)
Idee microcontrollate (TardoFreak)
PICcoli grandi PICMicro (Paolino)
Il blog elettrico di carloc (carloc)
DirtEYblooog (dirtydeeds)
Di tutto... un po' (jordan20)
AK47 (lillo)
Esperienze elettroniche (marco438)
Telecomunicazioni musicali (clavicordo)
Automazione ed Elettronica (gustavo)
Direttive per la sicurezza (ErnestoCappelletti)
EYnfo dall'Alaska (mir)
Apriamo il quadro! (attilio)
H7-25 (asdf)
Passione Elettrica (massimob)
Elettroni a spasso (guidob)
Bloguerra (guerra)




