salve con amici stiamo realizzando un corto per un concorso cittadino e lo abbiamo ambientato nel periodo di alien , per dare un tocco più futuristico avevo pensato di aggiungere quel famoso contatore di colpi che si trova sul pulse rifle appunto del suddetto film , il giocattolo che utilizzeremo per le riprese è un cinesotto a molla di quelli da 10€ giusto per dare una forma reale da guardare .Pensavo ad un sistema tipo un IC che gestisce il conto dei pallini in modo decrescente , uno schermo a due cifre e un tastino reset che fuzioni in questo modo - quando viene mantenuto premuto faccia funzionare il conto alla rovescia e quando venga rilasciato mostri sul lcd il numero 00 - avevo pensato a un paio di led uno infrarosso e un ricevitore ir per contare l'avvenuto passaggio del pallino.
Quindi le caratteristiche finali che vorremmo avere sono
contare in modo decrescente da 30 fino a 00
una volta che arrivi a 00 e si sfila il caricatore deve restare 00 sullo schermo e quando il "nuovo" caricatore viene inserito lo schermo mostri 30 e ricominci il conto alla rovescia (tanto poi gli effetti li mettiamo in post produzione però gia avere uno schermo lcd che mostri realmente toglie un sacco di lavoro di editor video)
immagino alimentazione a 9v e non saprei che altro se potreste aiutarmi grazie
dimenticavo è possibile far lampeggiare le due cifre 00 una volta che il conto alla rovescia da 30 è finito? grazie
Contatore con led infrarosso e ricevitore
Moderatore:
IsidoroKZ
0
voti
E' un po' difficile rispondere non conoscendo "l'arma" di cui parli; comunque fare un contatore a rovescio non e' difficile, il problema lo vedo a far rilevare il passaggio di un pallino ad un IR.
Piu' semplice sarebbe se il conteggio venisse comandato dal grilletto, se esiste.
Come stai ad elettronica? Qui si tratterebbe di usare un paio di integrati e qualche passivo di contorno.
Piu' semplice sarebbe se il conteggio venisse comandato dal grilletto, se esiste.
Come stai ad elettronica? Qui si tratterebbe di usare un paio di integrati e qualche passivo di contorno.
marco
0
voti
non credo sia un problema perché ho trovato altra gente che lo ha costruito con i sensori e funziona nei video però non spiegano come è fatto , ho saldato diversi monostabili e un bistabile fino ad ora se vuoi provare con lo schema vediamo fino a dove capisco
ps: questo è quello che trovi su youtube solo che lui usa sensori ottici e dice che sotto il sole diretto non funzionano [youtube]www.youtube.com/watch?v=-hWHi8JTIcI[/youtube]
ps: questo è quello che trovi su youtube solo che lui usa sensori ottici e dice che sotto il sole diretto non funzionano [youtube]www.youtube.com/watch?v=-hWHi8JTIcI[/youtube]
-

CavaliereSbullonato
43 6 - Frequentatore

- Messaggi: 173
- Iscritto il: 18 ott 2011, 17:16
0
voti
ho trovato questo schema
- Allegati
-
- 3d_counter_2.gif (25.59 KiB) Osservato 10027 volte
-

CavaliereSbullonato
43 6 - Frequentatore

- Messaggi: 173
- Iscritto il: 18 ott 2011, 17:16
0
voti
non va bene il primo schema?se invece di 3 cifre ne volessi solo due va cambiato qualcosa?
l'arma giocattolo in se non è un problema qualunque essa sarà perché il sistema che ho in testa è esterno al giocattolo non va montato dentro o altro quindi si può piazzare ovunque ora provo a fare un disegno e lo metto tanto per dare un idea
Ps:ecco come lo immagino la grandezza della scatoletta porta componettistica si può modificare a piacimento non ho preferenze particolari dentro alloggerà anche la batteria
marco438 ha scritto:E' un po' difficile rispondere non conoscendo "l'arma" di cui parli; comunque fare un contatore a rovescio non e' difficile, il problema lo vedo a far rilevare il passaggio di un pallino ad un IR.
Piu' semplice sarebbe se il conteggio venisse comandato dal grilletto, se esiste.![]()
Come stai ad elettronica? Qui si tratterebbe di usare un paio di integrati e qualche passivo di contorno.
l'arma giocattolo in se non è un problema qualunque essa sarà perché il sistema che ho in testa è esterno al giocattolo non va montato dentro o altro quindi si può piazzare ovunque ora provo a fare un disegno e lo metto tanto per dare un idea
Ps:ecco come lo immagino la grandezza della scatoletta porta componettistica si può modificare a piacimento non ho preferenze particolari dentro alloggerà anche la batteria
-

CavaliereSbullonato
43 6 - Frequentatore

- Messaggi: 173
- Iscritto il: 18 ott 2011, 17:16
0
voti
ho appena trovato uno schema a due cifre proprio come lo intendo io , e dice che il tensione può andare da 3v a 18v ora l'unica cosa a cui non arrivo è come assemblarlo in modo tale che inizi il conto alla rovescia da 30 , per il resto lo schema è chiaro
- Allegati
-
- 2-digits-b.gif (29.58 KiB) Osservato 9960 volte
-

CavaliereSbullonato
43 6 - Frequentatore

- Messaggi: 173
- Iscritto il: 18 ott 2011, 17:16
1
voti
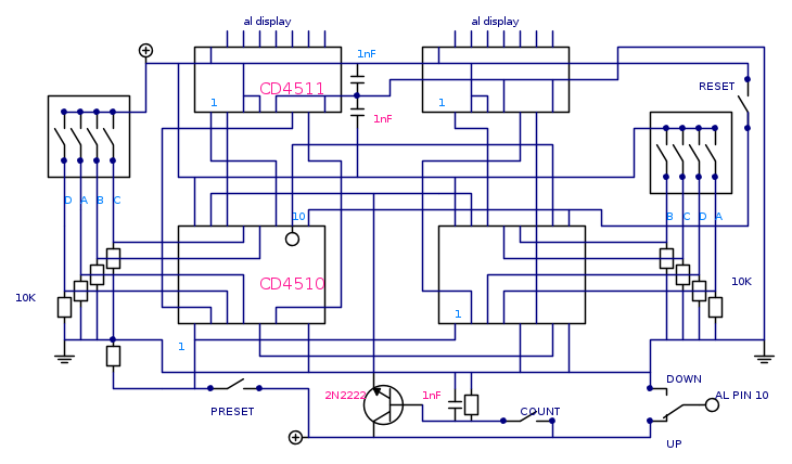
Non mi pronuncio sul circuito in [5] visto che e' impossibile riconoscere i componenti ma gli altri due contano solo da zero in avanti; tu avevi chiesto un countdown.
Di seguito uno schema di contatore come serve nel tuo caso:
Resta il problema di trasferire un impulso al contatore, cosa che tu dici essere facile ma, senza sapere come lavora il fucile e senza vedere alcunche' e difficile progettare qualcosa e che il contatore sia interno o esterno poco cambia
.
P.S. Tutti i circuiti che hai illustrato (compreso il mio schema) lavorano con display led 7 segmenti; se vuoi un LCD bisogna cercare altre decodifiche.
Di seguito uno schema di contatore come serve nel tuo caso:
Resta il problema di trasferire un impulso al contatore, cosa che tu dici essere facile ma, senza sapere come lavora il fucile e senza vedere alcunche' e difficile progettare qualcosa e che il contatore sia interno o esterno poco cambia
P.S. Tutti i circuiti che hai illustrato (compreso il mio schema) lavorano con display led 7 segmenti; se vuoi un LCD bisogna cercare altre decodifiche.
marco
0
voti
grazie per lo schema l'impulso è dato dal pallino che interrompe il fascio ir dell'emettitore e quindi il ricevitore da il comando al contatore di scalare 1 , ora sto uscendo ma dico gia da ora che mi ci vorrano ore per capire tutti i componenti e il collegamento XD mi trovo meglio con lo schema dei pezzi messi in opera
-

CavaliereSbullonato
43 6 - Frequentatore

- Messaggi: 173
- Iscritto il: 18 ott 2011, 17:16
1
voti
CavaliereSbullonato ha scritto:grazie per lo schema l'impulso è dato dal pallino che interrompe il fascio ir dell'emettitore e quindi il ricevitore da il comando al contatore di scalare 1
Questo lo avevo gia' capito ed e' inutile che tu lo ripeta ma, se ancora non hai afferrato il concetto, per me e' difficile credere che un IR possa rilevare il passaggio di un pallino; poi se il pallino ha un diametro di un metro, allora la cosa cambia
CavaliereSbullonato ha scritto:ma dico gia da ora che mi ci vorrano ore per capire tutti i componenti e il collegamento XD mi trovo meglio con lo schema dei pezzi messi in opera
Questo lo credo ma, in tutta sincerita', non ho ne il tempo ne la voglia di fare il lavoro per te.
marco
Torna a Elettronica e spettacolo
Chi c’è in linea
Visitano il forum: Nessuno e 13 ospiti

Elettrotecnica e non solo (admin)
Un gatto tra gli elettroni (IsidoroKZ)
Esperienza e simulazioni (g.schgor)
Moleskine di un idraulico (RenzoDF)
Il Blog di ElectroYou (webmaster)
Idee microcontrollate (TardoFreak)
PICcoli grandi PICMicro (Paolino)
Il blog elettrico di carloc (carloc)
DirtEYblooog (dirtydeeds)
Di tutto... un po' (jordan20)
AK47 (lillo)
Esperienze elettroniche (marco438)
Telecomunicazioni musicali (clavicordo)
Automazione ed Elettronica (gustavo)
Direttive per la sicurezza (ErnestoCappelletti)
EYnfo dall'Alaska (mir)
Apriamo il quadro! (attilio)
H7-25 (asdf)
Passione Elettrica (massimob)
Elettroni a spasso (guidob)
Bloguerra (guerra)

