non intendevo che me lo dovevi fare tu era una mia constatazione , questo è il link del contatore con il ricevitore e emettitore ir lui addirittura usa un cacciavite per testarlo
http://www.youtube.com/watch?v=KHloCn6YBrM
Contatore con led infrarosso e ricevitore
Moderatore:
IsidoroKZ
0
voti
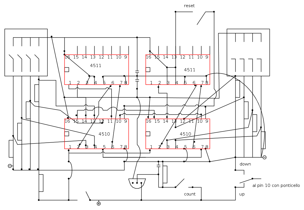
In quel video non si vede una mazza, comunque se sei tanto sicuro, qui c'e' uno schema facile che puoi provare per verificare la possibilita' di rilevamento.
marco
0
voti
mi sono venuti dei dubbi il rettangolo affianco alla resistenza ceramica da 1nf è una resistenza da 10k?
la gamba E del transistor n2222 è collegata nel mezzo dei due pin 15 dei due 4510 giusto ?
poi fra il PRESET e il ground a sinistra dalla parte del DABC c'è un altro simbolo è sempre una resistenza da 10k?
mi puoi dire il nome dei due componenti DABC e BCDA perché non li ho mai visti e non so cosa cercare grazie
la gamba E del transistor n2222 è collegata nel mezzo dei due pin 15 dei due 4510 giusto ?
poi fra il PRESET e il ground a sinistra dalla parte del DABC c'è un altro simbolo è sempre una resistenza da 10k?
mi puoi dire il nome dei due componenti DABC e BCDA perché non li ho mai visti e non so cosa cercare grazie
-

CavaliereSbullonato
43 6 - Frequentatore

- Messaggi: 173
- Iscritto il: 18 ott 2011, 17:16
0
voti
Le resistenze sono tutte da 10k , l'emettitore del 2N2222 e' collegato ai pin 15 dei due IC e i due componenti ai lati sono due dip-switch che servono per impostare la cifra di partenza del conteggio.
marco
0
voti
sono giusti i collegamenti? questo è quello che ho capito
-

CavaliereSbullonato
43 6 - Frequentatore

- Messaggi: 173
- Iscritto il: 18 ott 2011, 17:16
0
voti
Abbi pazienza ma non potevi lasciare lo schema come stava? Mancava soltanto la numerazione dei pin e per il resto i collegamenti risultano piu' che evidenti.
Ora ci vorrebbe un'ora almeno per controllare quello che hai fatto.
Ora ci vorrebbe un'ora almeno per controllare quello che hai fatto.
marco
0
voti
è lo schema della messa in opera l'ultimo che ho postato perché ti dicci che ci avrei messo tempo per capirlo e posizionare i pezzi ma non è che costringo nessuno il tempo di comprare i componenti e lo realizzo e poi vedo se qualcosa non va
lo switch preset sarebbe il classico on /off?
il down up immagino sia l'interruttore per determinare il tipo di conteggio se alla rovescia o normale , il tasto reset funziona se lo premi o se lo rilasci?nel senso è uno switch momentaneo normalmente aperto o normalmente chiuso?
lo switch preset sarebbe il classico on /off?
il down up immagino sia l'interruttore per determinare il tipo di conteggio se alla rovescia o normale , il tasto reset funziona se lo premi o se lo rilasci?nel senso è uno switch momentaneo normalmente aperto o normalmente chiuso?
-

CavaliereSbullonato
43 6 - Frequentatore

- Messaggi: 173
- Iscritto il: 18 ott 2011, 17:16
0
voti
CavaliereSbullonato ha scritto:lo switch preset sarebbe il classico on /off?
il down up immagino sia l'interruttore per determinare il tipo di conteggio se alla rovescia o normale , il tasto reset funziona se lo premi o se lo rilasci?nel senso è uno switch momentaneo normalmente aperto o normalmente chiuso?
Il preset e' un pulsante normalmente aperto,cosi' come il reset.
Lo switch di up/down, nel tuo caso puoi anche eliminarlo visto che ti serve solo il conto a rovescio; nel caso basta collegare il punto down al pin 10.
marco
0
voti
ok grazie l'idea base sarebbe quella di montare uno switch normalmente chiuso perché , questo interruttore andrebbe montato dove si va ad infilare il caricatore , quindi a caricatore inserito il pulsante è aperto e non passa la corrente , una volta finito il conto alla rovescia si sfila il caricatore e il tasto viene rilasciato e quindi funge da reset mandando a zero il contatore , quando lo stesso caricatore va reinserito nuovamente va a premere sul tasto e quindi apre di nuovo i contatti e il contatore torna a 30
funzionerebbe in questo modo ?non sono domande da saccente ne da insegnante sto chiedendo perché devo soddisfare alcune caratteristiche che ci servono cioè che dopo che il contatore scende da 30 a 00 il caricatore si toglie e resta la scritta 00 sullo schermo a 7 segmenti e dopo che il nuovo caricatore viene inserito dovrebbe comparire la scritta 30 e ricominciare il conto ala rovescia
funzionerebbe in questo modo ?non sono domande da saccente ne da insegnante sto chiedendo perché devo soddisfare alcune caratteristiche che ci servono cioè che dopo che il contatore scende da 30 a 00 il caricatore si toglie e resta la scritta 00 sullo schermo a 7 segmenti e dopo che il nuovo caricatore viene inserito dovrebbe comparire la scritta 30 e ricominciare il conto ala rovescia
-

CavaliereSbullonato
43 6 - Frequentatore

- Messaggi: 173
- Iscritto il: 18 ott 2011, 17:16
Torna a Elettronica e spettacolo
Chi c’è in linea
Visitano il forum: Nessuno e 3 ospiti

Elettrotecnica e non solo (admin)
Un gatto tra gli elettroni (IsidoroKZ)
Esperienza e simulazioni (g.schgor)
Moleskine di un idraulico (RenzoDF)
Il Blog di ElectroYou (webmaster)
Idee microcontrollate (TardoFreak)
PICcoli grandi PICMicro (Paolino)
Il blog elettrico di carloc (carloc)
DirtEYblooog (dirtydeeds)
Di tutto... un po' (jordan20)
AK47 (lillo)
Esperienze elettroniche (marco438)
Telecomunicazioni musicali (clavicordo)
Automazione ed Elettronica (gustavo)
Direttive per la sicurezza (ErnestoCappelletti)
EYnfo dall'Alaska (mir)
Apriamo il quadro! (attilio)
H7-25 (asdf)
Passione Elettrica (massimob)
Elettroni a spasso (guidob)
Bloguerra (guerra)


