Cos'è ElectroYou | Login Iscriviti

ElectroYou - la comunità dei professionisti del mondo elettrico

Circuito regime sinusoidale - Impedenza equivalente

Circuiti, campi elettromagnetici e teoria delle linee di trasmissione e distribuzione dell’energia elettrica

Moderatori: Foto Utenteg.schgor, Foto UtenteIsidoroKZ

0
voti

[31] Re: Circuito regime sinusoidale - Impedenza equivalente

Messaggioda Foto UtenteLink900 » 16 set 2013, 17:30

V_0 = 20+60j
Zeq = 4+4j
:-|
Avatar utente
Foto UtenteLink900
15 3
New entry
New entry
 
Messaggi: 52
Iscritto il: 15 ago 2012, 11:32

0
voti

[32] Re: Circuito regime sinusoidale - Impedenza equivalente

Messaggioda Foto UtenteLink900 » 16 set 2013, 17:34

RenzoDF ha scritto:Questo dato che significa?


Da li ricavo il valore della tensione del generatore dipendente.. anzichè dare il valore numerico finale lo mette sempre in questo formato -_-..
V_G(t) = 100 \sqrt{2} cos(wt + \pi/4) V
Ultima modifica di Foto UtenteLink900 il 16 set 2013, 17:35, modificato 1 volta in totale.
Avatar utente
Foto UtenteLink900
15 3
New entry
New entry
 
Messaggi: 52
Iscritto il: 15 ago 2012, 11:32

0
voti

[33] Re: Circuito regime sinusoidale - Impedenza equivalente

Messaggioda Foto UtenteRenzoDF » 16 set 2013, 18:32

Indicando con x la i2

\frac{\frac{100+j100}{2+j2}-4x}{\frac{1}{2+j2}+\frac{1}{6+j2}}=\left( 6+j2 \right)x

dalla quale

x=7+j

e quindi

{{E}_{Th}}={{V}_{AB0}}=x\,{{Z}_{3}}=20+j60\,\,\text{V}

Per la ZTh usiamo la strada che passa dalla corrente di cortocircuito ai morsetti A B, ovvero da Norton.

Rifacendo il calcolo con Millman dopo aver cortocircuitato A e B, avremo che la icc sarà pari alla corrente pilota che indichiamo ora con y

\frac{\frac{100+100j}{2+2j}-4y}{\frac{1}{2+j2}+\frac{1}{2-j6}}=\left( 2-j6 \right)y

dalla quale

{{I}_{cc}}=y=10+j5

e infine

{{Z}_{Th}}=\frac{{{E}_{Th}}}{{{I}_{cc}}}=\frac{20+j60}{10+j5}=4+j4\,\Omega
"Il circuito ha sempre ragione" (Luigi Malesani)
Avatar utente
Foto UtenteRenzoDF
55,9k 8 12 13
G.Master EY
G.Master EY
 
Messaggi: 13189
Iscritto il: 4 ott 2008, 9:55

0
voti

[34] Re: Circuito regime sinusoidale - Impedenza equivalente

Messaggioda Foto UtenteLink900 » 16 set 2013, 18:48

Mmm io non avevo capito che dovevo considerare anche la relazione a destra per calcolare la i2..
Pensavo che per applicare Millman bastava la parte sinistra della formula..
Anche perché cosi mi sembra che non sia stato calcolato proprio i2, ma i3 che moltiplicata per Z3 mi da la tensione V_A_B..
All'inizio pensavo che trovata i2, si poteva moltiplicare per Z2 per ottenere V2, e poi con la LKV stabilire che V2=V3 uff..
Possibile che faccio sempre il ragionamento sbagliato #-o ..
Avatar utente
Foto UtenteLink900
15 3
New entry
New entry
 
Messaggi: 52
Iscritto il: 15 ago 2012, 11:32

0
voti

[35] Re: Circuito regime sinusoidale - Impedenza equivalente

Messaggioda Foto UtenteLink900 » 30 gen 2014, 23:52

@RenzoDF
Riesumo questo topic visto che la problematica è la stessa.. devo riuscire a passare questo esame mi manca solo questa tipologia di esercizio.. possibile che il mio risultato è sempre sbagliato, eppure il procedimento mi sembra di averlo capito..
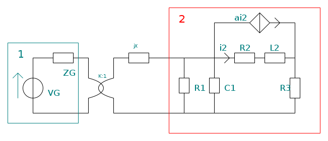
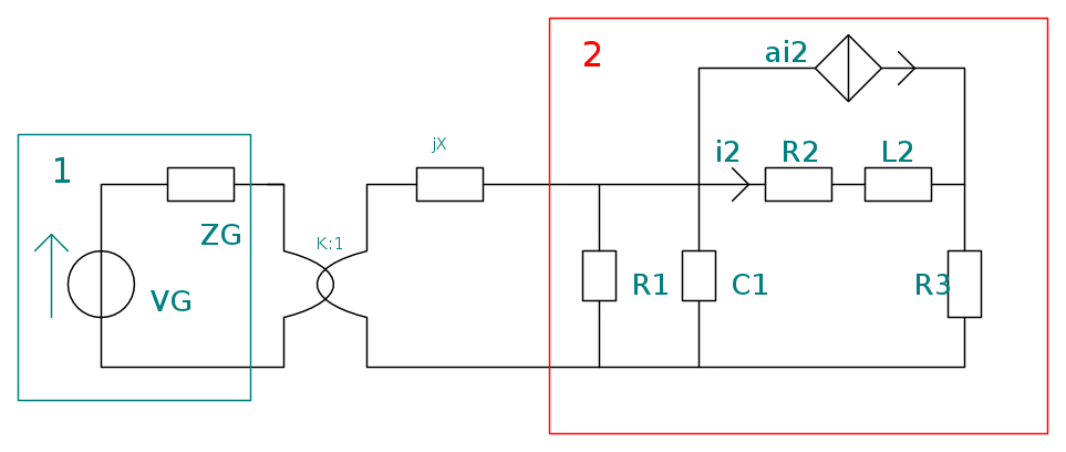
Ultimo esame c'era questo..
Questo è il circuito..


Queste le domande..
Assumendo che il circuito sia in condizioni di regime sinusoidale, determinare:
1. La potenza disponibile del bipolo 1 (VG-ZG);
2. L’impedenza equivalente del bipolo 2;
3. La potenza attiva e reattiva che assorbirebbe il bipolo 2 se fosse collegato direttamente al bipolo 1;
4. I valore da attribuire al rapporto di trasformazione k e alla reattanza X affinché si abbia il massimo trasferimento di potenza attiva dal bipolo 1 al bipolo2.

E questi i dati
R1 = 8 Ohm
C1 = 125 uF
R2 = 8 Ohm
L2 = 4 mH
R3 = 4 Ohm
a = 4
vG(t) = 120cos (1000t) V
ZG = 12 + 16j Ohm

Ora tralasciando l'ultimo quesito alla quale non so rispondere, perché non ho mai capito come funzionano i rapporti di trasformazione..
Per i primi 3 pensavo di aver capito il procedimento, ma i risultati mi danno torto..
Ecco come ho pensato di risolvere..
Punto primo:
Questo mi è risultato, era abbastanza semplice, ho calcolato VG, e ho semplicemente applicato la formula della potenza disponibile..
P_D = \frac{(V_G)^{2}}{8R}

Secondo punto:
Ecco che qui arriva il danno.. mi sono ricordato il procedimento che mi avevi spiegato tu in questo topic..
Quindi mi sono calcolato le impedenze semplificando il circuito in questo modo


e a questo punto ho scelto arbitrariamente una variabile per la corrente pilota i2
i_2=2
e mi sono calcolato i3 tramite LKI..
i_3=i_2+ai_2 = 10
Per calcolare i1 invece ho utilizzato la formula classica
i_1=\frac{V_1}{Z_1}
V1 l'ho calcolata tramite la LKV
V_1=V_2+V_3
a questo punto dovrei avere VAB visto che sempre la LKV
V_AB=V_1
Calcolo IAB con la LKI
I_AB=i_2+ai_2+i_1
E infine l'impedenza equivalente..
Z_eq=\frac{V_AB}{I_AB}

Aldilà del risultato numerico, il procedimento/ragionamento è totalmente sbagliato?

Per quanto riguarda il punto 3 invece pensavo di agire cosi..
Il circuito se non ho capito male la consegna dell'esercizio dovrebbe trasformarsi cosi


Quindi per calcolare potenza attiva e reattiva assorbite in teoria dovrei semplicemente calcolare la potenza complessa
P=\frac{VI*}{2}
dal quale ricavo potenza attiva e reattiva..
Come mi hai insegnato tu utilizzo Millman per trovare la V totale..
Quindi
V=\frac{\frac{V_G}{Z_G}}{\frac{1}{Z_G}+\frac{1}{Z_eq}}
Trovata la V, mi calcolo la corrente sull'impedenza equivalente del secondo bipolo e cosi posso calcolare la potenza complessa..
Giusto?
Edit: mentre scrivevo ho rifatto i calcoli di quest'ultimo pezzo e mi è risultato..
Se mi dai una conferma sul ragionamento del secondo pezzo e mi aiuti a risolvere il quarto punto in cui non so da dove iniziare mi fai un grosso piacere..
Avatar utente
Foto UtenteLink900
15 3
New entry
New entry
 
Messaggi: 52
Iscritto il: 15 ago 2012, 11:32

0
voti

[36] Re: Circuito regime sinusoidale - Impedenza equivalente

Messaggioda Foto UtenteRenzoDF » 31 gen 2014, 1:04

Direi che il tuo procedimento sia corretto, per il punto 3 ad ogni modo non serve scomodare Millman, in quanto basta un semplice partitore di tensione. ;-)

Per quanto riguarda il punto 4 diciamo che, ammesso di avere ricavato una Zeq=3-j basterà sommarla all'impedenza jX relativa alla reattanza serie per ottenere l'impedenza totale secondaria Zt, che potrà essere "portata" al primario moltiplicandola per k al quadrato;

Z_{t}^{\prime}={{k}^{2}}{{Z}_{t}}={{k}^{2}}(3+j(x-1))

a questo punto non rimarrà che uguagliare detta impedenza alla coniugata di ZG, ottenendo un sistema a due equazioni (uguagliando parti reali e parti immaginarie) in due incognite k e x

\left\{ \begin{align}
  & 12=3{{k}^{2}} \\ 
 & -16=(x-1){{k}^{2}} \\ 
\end{align} \right.
"Il circuito ha sempre ragione" (Luigi Malesani)
Avatar utente
Foto UtenteRenzoDF
55,9k 8 12 13
G.Master EY
G.Master EY
 
Messaggi: 13189
Iscritto il: 4 ott 2008, 9:55

0
voti

[37] Re: Circuito regime sinusoidale - Impedenza equivalente

Messaggioda Foto UtenteLink900 » 31 gen 2014, 13:50

Pensavo fosse più difficile '_'..
Seguendo i calcoli risulta.. sembra piuttosto semplice..
Speriamo all'esame non si discosti troppo da questa serie di punti che mi sembra di aver capito..
Potrebbe capitare un'altra tipologia di esercizio riguardante sempre i circuiti in regime sinusoidale in cui al posto di partire dal circuito classico, da i valori delle potenze attive/reattive e da li bisogna ricavarsi i valori delle impedenze e di tutto il resto..
Avatar utente
Foto UtenteLink900
15 3
New entry
New entry
 
Messaggi: 52
Iscritto il: 15 ago 2012, 11:32

0
voti

[38] Re: Circuito regime sinusoidale - Impedenza equivalente

Messaggioda Foto UtenteLink900 » 31 gen 2014, 16:29

@RenzoDF
Ecco la tipologia di esercizio che dicevo..


Questa è la consegna..
Il circuito è in condizioni di regime sinusoidale.
Le 4 coppie di valori PA-QA, PB-QB, PC-QC, PD-QD, rappresentano, non necessariamente in quest’ordine, le potenze attive e reattive assorbite dai bipoli 1, 2, 3, 4;
PG e QG sono la potenza attiva e la potenza reattiva erogate dal generatore indipendente;
Zeq è l’impedenza equivalente vista dal generatore indipendente.
Determinare:
1. l’ampiezza VGM della tensione del generatore indipendente;
2. le correnti i1(t), i2(t), i3(t), i4(t);
3. il parametro di trasferimento a del generatore dipendente.

Questi sono i dati..
PA = 0 W QA = 250 var
PB = 0 W QB = -250 var
PC = 400 W QC = 800 var
PD = 800 W QD = -800 var
PG = 600 W QG = 1200 var
Zeq = 15 + 30j Ohm
vG(t) = VGMcos(wt) V

Ecco io in questo caso non saprei dove mettere le mani..
Posso ipotizzare che per il primo punto, conoscendo la Zeq vista dal generatore indipendente, e conoscendo la Potenza Attiva e reattiva erogata, utilizzando la formula della potenza complessa posso ricavarmi prima la corrente e successivamente la V..
Ma dopodichè non saprei come proseguire per i successivi punti visto che non da indicazioni su a quale bipolo appartengano le coppie di potenza attiva e reattiva..
Mi potresti dare una mano anche in questo? Cosi ho esaminato tutte le possibili tipologie che ha utilizzato fin ora..
Avatar utente
Foto UtenteLink900
15 3
New entry
New entry
 
Messaggi: 52
Iscritto il: 15 ago 2012, 11:32

0
voti

[39] Re: Circuito regime sinusoidale - Impedenza equivalente

Messaggioda Foto UtenteRenzoDF » 1 feb 2014, 16:57

Penso che non sia difficile capire a quale bipolo siano relative le varie potenze, non credi? ;-)
"Il circuito ha sempre ragione" (Luigi Malesani)
Avatar utente
Foto UtenteRenzoDF
55,9k 8 12 13
G.Master EY
G.Master EY
 
Messaggi: 13189
Iscritto il: 4 ott 2008, 9:55

0
voti

[40] Re: Circuito regime sinusoidale - Impedenza equivalente

Messaggioda Foto UtenteLink900 » 1 feb 2014, 17:19

RenzoDF ha scritto:Penso che non sia difficile capire a quale bipolo siano relative le varie potenze, non credi? ;-)


Immagino di doverlo capire dalla presenza o meno della parte reale ( potenza attiva ) e dai segni..
Quindi ad esempio PA sta al bipolo 2.. PB sta al bipolo 3.. PC al bipolo 1 e PD al bipolo 4.. Giusto?
Avatar utente
Foto UtenteLink900
15 3
New entry
New entry
 
Messaggi: 52
Iscritto il: 15 ago 2012, 11:32

PrecedenteProssimo

Torna a Elettrotecnica generale

Chi c’è in linea

Visitano il forum: Nessuno e 8 ospiti