Il catalogo ti indica il numero di lampade comandabili per fase.
Con un unico contattore trifase tagli le 3 fasi ed il neutro e puoi comandare 6x3 lampade.
Il gruppo alimentatore ci vuole altrimenti non parte (diciamo che sarebbe come far partire un neon senza alimentatore).
L'alimentatore serve a fornire i picchi di tensione necessari per l'innesco della scarica, eliminare i fenomeni di sfarfallio, migliorare la qualità del colore e del flusso luminoso....
Messa a terra pali illuminazione pubblica
Moderatori:
sebago,
MASSIMO-G,
lillo,
Mike
1
voti
La saggezza non può essere trasmessa. La saggezza che un saggio tenta di trasmettere suona sempre simile alla follia.
Hermann Hesse - Siddharta
Hermann Hesse - Siddharta
2
voti
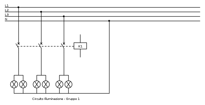
Ti posto un esempio circuitale, in cui il gruppo 1 di lampade del circuito di illuminazione, viene manovrato da un contattore tripolare (il neutro non e` sezionato sul contattore, ma lo sara` sull'interruttore di protezione a monte, che per comodita` ho tralasciato di disegnare)
In questo modo, qualora non vi fosse necessita` di utilizzare gli altri due gruppi di lampade (circuiti 2 e 3), il carico sarebbe comunque uniformemente ripartito. Cosa che non avverrebbe se il circuito 1,2 e 3 fecessero capo a linee monofasi (schema sotto)
Edit| da notare che nel primo caso, avresti solo due lampade su ciascuna fase (in ambito dello stesso gruppo), potendo rivalutare al ribasso la In del contattore.
Saluti
In questo modo, qualora non vi fosse necessita` di utilizzare gli altri due gruppi di lampade (circuiti 2 e 3), il carico sarebbe comunque uniformemente ripartito. Cosa che non avverrebbe se il circuito 1,2 e 3 fecessero capo a linee monofasi (schema sotto)
Edit| da notare che nel primo caso, avresti solo due lampade su ciascuna fase (in ambito dello stesso gruppo), potendo rivalutare al ribasso la In del contattore.
Saluti
Ognuno sta solo sul cuor della terra
trafitto da un raggio di sole:
ed è subito sera
Salvatore Quasimodo
trafitto da un raggio di sole:
ed è subito sera
Salvatore Quasimodo
0
voti
1. Per Attilio. Grazie tante per il tempo dedicato. Purtroppo i cavi sono già stati fatti passare pertanto posso sfruttare solo 3 circuiti monofase da 5 lampade ciascuno; quindi devo utilizzare lo schema 2:
in questo caso i contattori (K1, K2, K3) sarebbero TRE da 2x63?
2. Per alimentare i circuiti di comando (timer e 3 contattori monofase da 63 A) sto predisponendo un'ulteriore linea protetta da MTD. A questo punto qual è il calibro dell'intervento termico? Il suo valore è indipendente dai MTD (20A) che proteggono le TRE linee? Potrebbe essere sufficiente un solo MTD 2x10 A con cavo 2x1,5 + N?
3. Per Rosino: penso che l'alimentatore sia interno alla lampada, perché nello stesso catalogo Gewiss, quando esso è da ordinare a parte, è specificato per ogni tipologia di lampada. Ti riporto l'allegato.
A questo punto qualcuno riesce a capire da dove escono sti 4.2 A? Ammesso anche che l'alimentatore assorba 100 W per ogni lampada da 400 W siamo a 500 W. Poiché la lampada è rifasata, l'assorbimento totale arriva a circa 2.3 A...
come ci si arriva a 4.2 A?
4. Infine, secondo voi per un sistema TT trifase da 15 kW è possibile mettere come generale un MT da 40 A?
Ringrazio veramente tutti di cuore...
in questo caso i contattori (K1, K2, K3) sarebbero TRE da 2x63?
2. Per alimentare i circuiti di comando (timer e 3 contattori monofase da 63 A) sto predisponendo un'ulteriore linea protetta da MTD. A questo punto qual è il calibro dell'intervento termico? Il suo valore è indipendente dai MTD (20A) che proteggono le TRE linee? Potrebbe essere sufficiente un solo MTD 2x10 A con cavo 2x1,5 + N?
3. Per Rosino: penso che l'alimentatore sia interno alla lampada, perché nello stesso catalogo Gewiss, quando esso è da ordinare a parte, è specificato per ogni tipologia di lampada. Ti riporto l'allegato.
A questo punto qualcuno riesce a capire da dove escono sti 4.2 A? Ammesso anche che l'alimentatore assorba 100 W per ogni lampada da 400 W siamo a 500 W. Poiché la lampada è rifasata, l'assorbimento totale arriva a circa 2.3 A...
come ci si arriva a 4.2 A?
4. Infine, secondo voi per un sistema TT trifase da 15 kW è possibile mettere come generale un MT da 40 A?
Ringrazio veramente tutti di cuore...
1
voti
A vedere il catalogo sembra che il gruppo di alimentazione sia incorporato.
Per avere la certezza matematica senti il fornitore o direttamente Gewiss.
Circa la corrente il catalogo parla di corrente lampada, non di corrente assorbita dalla linea. Ne posso dedurre che è la corrente effettivamente assorbita dalla lampada a valle del gruppo di rifasamento.
Indipendentemente da questo segui sempre le indicazioni del costruttore per la scelta del contattore.
Circa l'interruttore generale, con un 40A a cosp 0.9 puoi ipoteticamente prelevare 24.8 kW quindi direi che va bene; in tal modo garantisci anche una discreta selettività con i circuiti a valle in caso di c.c.
Per avere la certezza matematica senti il fornitore o direttamente Gewiss.
Circa la corrente il catalogo parla di corrente lampada, non di corrente assorbita dalla linea. Ne posso dedurre che è la corrente effettivamente assorbita dalla lampada a valle del gruppo di rifasamento.
Indipendentemente da questo segui sempre le indicazioni del costruttore per la scelta del contattore.
Circa l'interruttore generale, con un 40A a cosp 0.9 puoi ipoteticamente prelevare 24.8 kW quindi direi che va bene; in tal modo garantisci anche una discreta selettività con i circuiti a valle in caso di c.c.
La saggezza non può essere trasmessa. La saggezza che un saggio tenta di trasmettere suona sempre simile alla follia.
Hermann Hesse - Siddharta
Hermann Hesse - Siddharta
1
voti
Purtroppo i cavi sono già stati fatti passare pertanto posso sfruttare solo 3 circuiti monofase da 5 lampade ciascuno; quindi devo utilizzare lo schema 2
Puoi anche usare lo schema 1; metti una fase per polo e il neutro a comune.
Il tutto ovviamente in funzione delle protezioni esistenti e sezione dei cavi "già passati" permettendo.
A questo punto qualcuno riesce a capire da dove escono sti 4.2 A?
DIpende dal fatto che ai capi della lampada non ci sono 230 V, ma bensì molti meno. (d'altra parte c'è una reattanza in serie)
Per chiarire meglio la cosa guardati questa
scheda tecnica Osram
0
voti
Grazie a tutti.
Per il discorso del 4.2 A, allora per il dimensionamento dei MT quale corrente devo considerare? Allora:
1. Se considero il calcolo standard considerando 400 W e 60 W di perdite per 5 lampade ottengo 2300 W che, essendo le lampade rifasate, mi danno circa 11 A per ogni linea. Siccome allo spunto l'assorbimento è di circa il 180% ossia circa 20 A avevo pensato di utilizzare un MTD da 25 A con Id = 500 mA.
2. Se invece è necessario considerare come corrente a regime il FAMIGERATO valore 4.2 A, allora i calcoli sarebbero 4.2 x 5 lampade = 21 A, che allo spunto diventano circa 38 A...in questo caso dovrei mettere un MT da 40 A e quindi un generale a monte da 50 A che per un 15 kW trifase mi sembra sproporzionato...
Per quale soluzione (1 o 2) optereste?
Attendo suggerimenti :-(
Per il discorso del 4.2 A, allora per il dimensionamento dei MT quale corrente devo considerare? Allora:
1. Se considero il calcolo standard considerando 400 W e 60 W di perdite per 5 lampade ottengo 2300 W che, essendo le lampade rifasate, mi danno circa 11 A per ogni linea. Siccome allo spunto l'assorbimento è di circa il 180% ossia circa 20 A avevo pensato di utilizzare un MTD da 25 A con Id = 500 mA.
2. Se invece è necessario considerare come corrente a regime il FAMIGERATO valore 4.2 A, allora i calcoli sarebbero 4.2 x 5 lampade = 21 A, che allo spunto diventano circa 38 A...in questo caso dovrei mettere un MT da 40 A e quindi un generale a monte da 50 A che per un 15 kW trifase mi sembra sproporzionato...
Per quale soluzione (1 o 2) optereste?
Attendo suggerimenti :-(
0
voti
In mancanza di dati possiamo fare i conti della serva
Se guardi qualche catalogo di alimentatori (es. Relco) vedi che la corrente in linea è 2,2A
http://www.relco.it/Italiano/catalogo/n ... 19_023.pdf
Ipotizzando che in fase di spunto le lampade assorbano circa il doppio, facciamo 4A, e che su ogni linea tu abbia 4/5 lampade, avrai una corrente di spunto da 16/20A, quindi puoi lavorare con un interruttore da 20A o 25 per essere tranquillo.
Quindi opzione 1
Se guardi qualche catalogo di alimentatori (es. Relco) vedi che la corrente in linea è 2,2A
http://www.relco.it/Italiano/catalogo/n ... 19_023.pdf
Ipotizzando che in fase di spunto le lampade assorbano circa il doppio, facciamo 4A, e che su ogni linea tu abbia 4/5 lampade, avrai una corrente di spunto da 16/20A, quindi puoi lavorare con un interruttore da 20A o 25 per essere tranquillo.
Quindi opzione 1
La saggezza non può essere trasmessa. La saggezza che un saggio tenta di trasmettere suona sempre simile alla follia.
Hermann Hesse - Siddharta
Hermann Hesse - Siddharta
0
voti
Bene, grazie Rosino è esattamente quello che pensavo io. Pertanto sul catalogo Gewiss il valore indicato di 4,2 A non va considerato, anzi può disorientare come nel mio caso anche perché ai fini del progetto non serve. Forse è utile quando si deve sostituire la lampada.
Ok, allora: generale da 32 A o 40 A e poi sotto: 3 MTD da 25 A, 3 contattori 2x63 A alimentati da linea protetta con MT da 10 A( assorbimento contattori 7 VA ognuno), 3 timer programmati (5 VA ognuno) per accendere a distanza di 10 minuti ciascuna linea...
Ok, allora: generale da 32 A o 40 A e poi sotto: 3 MTD da 25 A, 3 contattori 2x63 A alimentati da linea protetta con MT da 10 A( assorbimento contattori 7 VA ognuno), 3 timer programmati (5 VA ognuno) per accendere a distanza di 10 minuti ciascuna linea...
Ultima modifica di
admin il 18 set 2013, 19:14, modificato 1 volta in totale.
Motivazione: eliminata citazione integrale inutile del messaggio che precede.
Motivazione: eliminata citazione integrale inutile del messaggio che precede.
0
voti
In effetti tutto era nato con il discorso di discriminare le 3 accensioni.
In questo caso si.
Se invece non hai problemi io farei un unico interruttore a riarmo automatico con un solo orologio/crepuscolare, un contattore 4NO ed un portafusibile per gli ausiliari.
In questo caso si.
Se invece non hai problemi io farei un unico interruttore a riarmo automatico con un solo orologio/crepuscolare, un contattore 4NO ed un portafusibile per gli ausiliari.
La saggezza non può essere trasmessa. La saggezza che un saggio tenta di trasmettere suona sempre simile alla follia.
Hermann Hesse - Siddharta
Hermann Hesse - Siddharta
0
voti
Purtroppo le accensioni devono essere ritardate in quanto se accendo tutto insieme ho una assorbimento allo spunto di circa 12,5 kW. La durata di accensione per questo tipo di lampade è dell'ordine di una decina di minuti. Il che significa che in quei 10 minuti rimarrebbero solo 3 kW...di cui 1,5 kW va via per il riscaldamento del locale antincendio e e poi ci sono altri carichi...se malauguratamente servisse la pompa antincendio...non ci sarebbe disponibilità di potenza a sufficienza...
P.S.
Ho percepito che c'è un meccanismo di voti, medaglie...etc, mi spiegato come funziona? Vorrei elargirvi un po' di complimenti...
P.S.
Ho percepito che c'è un meccanismo di voti, medaglie...etc, mi spiegato come funziona? Vorrei elargirvi un po' di complimenti...
Ultima modifica di
admin il 18 set 2013, 19:15, modificato 1 volta in totale.
Motivazione: eliminata citazione integrale inutile del messaggio che precede. Usare CITA quando serve e con criterio
Motivazione: eliminata citazione integrale inutile del messaggio che precede. Usare CITA quando serve e con criterio
Torna a Impianti, sicurezza e quadristica
Chi c’è in linea
Visitano il forum: Nessuno e 138 ospiti

Elettrotecnica e non solo (admin)
Un gatto tra gli elettroni (IsidoroKZ)
Esperienza e simulazioni (g.schgor)
Moleskine di un idraulico (RenzoDF)
Il Blog di ElectroYou (webmaster)
Idee microcontrollate (TardoFreak)
PICcoli grandi PICMicro (Paolino)
Il blog elettrico di carloc (carloc)
DirtEYblooog (dirtydeeds)
Di tutto... un po' (jordan20)
AK47 (lillo)
Esperienze elettroniche (marco438)
Telecomunicazioni musicali (clavicordo)
Automazione ed Elettronica (gustavo)
Direttive per la sicurezza (ErnestoCappelletti)
EYnfo dall'Alaska (mir)
Apriamo il quadro! (attilio)
H7-25 (asdf)
Passione Elettrica (massimob)
Elettroni a spasso (guidob)
Bloguerra (guerra)







