ciao a tutti
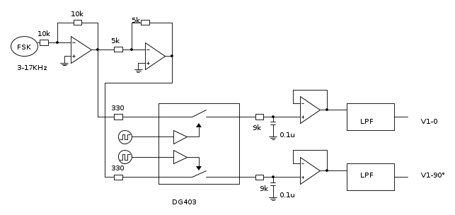
sono alle prese con questo demodulatore f_s_k incoerente
vorrei capire come funziona questo circuito e in generale la teoria matematica che c'è alla base.
Ho provato a cercare un po' in rete ma non ho trovato molto...
C'è un libro/tutorial che spiega questa tipologia di circuiti?
Potreste darmi una mano? grazie
circuito mixer + lpf
Moderatori:
carloc,
g.schgor,
BrunoValente,
IsidoroKZ
2 messaggi
• Pagina 1 di 1
1
voti
Scordati i tutorial su questi argomenti
La base matematica che sta alla base di una demodulazione incoerente (con canali in quadratura) come in questo caso, non è per nulla banale, ripeto per nulla ed è quella che in buona sostanza ti consente di poter comprendere il funzionamento dei singoli blocchi del circuito al post [1]. Inutile farti qui tutta la trattazione, ci vorrebbe (seriamente) un articolo.
TI linko questo documento (moderatamente ostico) ed anche questo, (decisamente più ostico in quanto facente parte del corso di Trasmissione Numerica per studenti di Ing. delle Telecomunicazioni).
Spero riescano a fare un po' di luce sull'argomento.
TI linko questo documento (moderatamente ostico) ed anche questo, (decisamente più ostico in quanto facente parte del corso di Trasmissione Numerica per studenti di Ing. delle Telecomunicazioni).
Spero riescano a fare un po' di luce sull'argomento.

"Lo scienziato descrive ciò che esiste, l'ingegnere crea ciò che non era mai stato."
(T. von Kármán)
(T. von Kármán)
2 messaggi
• Pagina 1 di 1
Chi c’è in linea
Visitano il forum: Google Adsense [Bot] e 67 ospiti

Elettrotecnica e non solo (admin)
Un gatto tra gli elettroni (IsidoroKZ)
Esperienza e simulazioni (g.schgor)
Moleskine di un idraulico (RenzoDF)
Il Blog di ElectroYou (webmaster)
Idee microcontrollate (TardoFreak)
PICcoli grandi PICMicro (Paolino)
Il blog elettrico di carloc (carloc)
DirtEYblooog (dirtydeeds)
Di tutto... un po' (jordan20)
AK47 (lillo)
Esperienze elettroniche (marco438)
Telecomunicazioni musicali (clavicordo)
Automazione ed Elettronica (gustavo)
Direttive per la sicurezza (ErnestoCappelletti)
EYnfo dall'Alaska (mir)
Apriamo il quadro! (attilio)
H7-25 (asdf)
Passione Elettrica (massimob)
Elettroni a spasso (guidob)
Bloguerra (guerra)



