Cos'è ElectroYou | Login Iscriviti

ElectroYou - la comunità dei professionisti del mondo elettrico

Sito sulla tecnologia valvolare. Aggiornamenti.

Aggiornamenti, orientamento, lavoro, attività professionali, riviste, libri, strumenti EY, Tips and tricks, consigli e pareri generici

Moderatore: Foto Utenteadmin

5
voti

[71] Schemi Geloso

Messaggioda Foto Utenteumberto1966 » 8 giu 2013, 14:13

Cari Amici,
dopo lungo silenzio torniamo a farci sentire..il tempo trascorso è stato silente ma non inoperoso: abbiamo infatti reperito ed elaborato 609 (SEICENTONOVE) schemi di apparecchi valvolari della italica Geloso che ora sono disponibili sul sito. Comprendono radio,amplificatori,preamplificatori,tuner,VFO,registratori,etc. Praticamente tutta la produzione Geloso eccetto i televisori (che forse pubblicheremo in seguito). Di numerosi schemi sono presenti più versioni in modo che possiate scegliere quella che vi sembra meglio. Per ora li abbiamo raggruppati tutti alla voce "geloso" nella sezione "radio schematics", ma stiamo valutando di suddividerli per categorie.

Eccovi il link:

http://puppylinux.ath.cx:4085/webserver ... #IDGeloso-

Scaricate!

O_/
Avatar utente
Foto Utenteumberto1966
2.775 1 3 11
Expert
Expert
 
Messaggi: 131
Iscritto il: 26 apr 2012, 12:13

5
voti

[72] Nuovi Schemi

Messaggioda Foto Utenteumberto1966 » 7 lug 2013, 12:25

Cari Amici,
abbiamo aggiunto una cinquantina di schemi radio della ditta SAFAR (Società Anonima fabbricazione Apparecchi Radio) e aperto la sezione dedicata agli apparecchi Simplex.

Buona consultazione!

http://puppylinux.ath.cx:4085/webserver ... m#IDSafar-

O_/
Avatar utente
Foto Utenteumberto1966
2.775 1 3 11
Expert
Expert
 
Messaggi: 131
Iscritto il: 26 apr 2012, 12:13

5
voti

[73] Radiomarelli!

Messaggioda Foto Utenteumberto1966 » 12 ott 2013, 22:38

Cari Amici,
dopo un lungo ma attivo periodo di silenzio, Vi proponiamo ben 371 tra schemi e tabelle di taratura di apparecchi valvolari Radiomarelli !!

Li trovate qui:

http://puppylinux.ath.cx:4085/webserver ... ioMarelli-


Buona Consultazione!

O_/
Avatar utente
Foto Utenteumberto1966
2.775 1 3 11
Expert
Expert
 
Messaggi: 131
Iscritto il: 26 apr 2012, 12:13

7
voti

[74] Re: Sito sulla tecnologia Valvolare : Aggiornamenti

Messaggioda Foto Utenteumberto1966 » 8 dic 2013, 16:37

Cari Elettrofili,
Vi comunico che abbiamo aggiornato la sezione Magnadyne con circa 170 schemi.
Aggiunta anche la tabella delle equivalenze tra radio Magnadyne e Kennedy.

Sotto la voce magnadyne trovate anche alcune radio Damaiter di produzione Magnadyne.

Buona Consultazione O_/

http://puppylinux.ath.cx:4085/webserver ... Magnadyne-
Avatar utente
Foto Utenteumberto1966
2.775 1 3 11
Expert
Expert
 
Messaggi: 131
Iscritto il: 26 apr 2012, 12:13

6
voti

[75] Re: Sito sulla tecnologia Valvolare : Aggiornamenti

Messaggioda Foto Utenteumberto1966 » 22 dic 2013, 16:05

Cari Amici,
Vi comunico che abbiamo aggiornato la sezione ImcaRadio (circa 40 schemi)
e creato la sezione Incis (tre schemi, pesantemente danneggiati in origine e che abbiamo cercato di restaurare per quanto ci fosse possibile).

Buona consultazione e
Buone Feste!

O_/

http://puppylinux.ath.cx:4085/webserver ... /index.htm
Avatar utente
Foto Utenteumberto1966
2.775 1 3 11
Expert
Expert
 
Messaggi: 131
Iscritto il: 26 apr 2012, 12:13

0
voti

[76] Re: Sito sulla tecnologia Valvolare : Aggiornamenti

Messaggioda Foto UtenteIsidoroKZ » 22 dic 2013, 16:42

Grazie e buone feste anche a voi!
Per usare proficuamente un simulatore, bisogna sapere molta più elettronica di lui
Plug it in - it works better!
Il 555 sta all'elettronica come Arduino all'informatica! (entrambi loro malgrado)
Se volete risposte rispondete a tutte le mie domande
Avatar utente
Foto UtenteIsidoroKZ
121,2k 1 3 8
G.Master EY
G.Master EY
 
Messaggi: 21059
Iscritto il: 17 ott 2009, 0:00

5
voti

[77] Xmas gift!

Messaggioda Foto Utenteumberto1966 » 25 dic 2013, 15:30

Cari Amici,
come presente per la festività del Santo Natale pubblichiamo gli schemi delle radio Visiola e Blaupunkt (un primo lotto,molti altri ne arriveranno).

Buone Feste !

O_/

http://puppylinux.ath.cx:4085/webserver ... /index.htm
Avatar utente
Foto Utenteumberto1966
2.775 1 3 11
Expert
Expert
 
Messaggi: 131
Iscritto il: 26 apr 2012, 12:13

4
voti

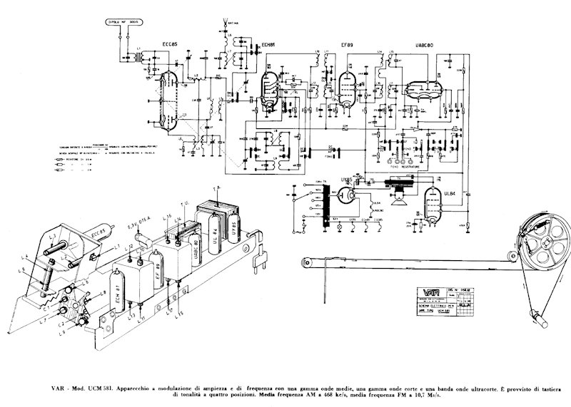
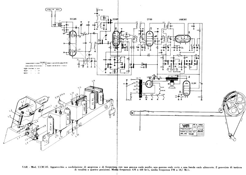
[78] Un po' di vanità...

Messaggioda Foto Utenteumberto1966 » 27 dic 2013, 1:30

Cari Amici,
per darVi una idea di come viene svolta l'elaborazione del materiale
(e quindi perché a volte impieghiamo parecchio tempo per pubblicare nuovo materiale),
Vi allego due immagini esemplificative del lavoro svolto: si tratta di uno schema Mivar (attualmente sono in lavorazione) prima e dopo la "cura"..

before.jpg
before.jpg (84.91 KiB) Osservato 15046 volte



after.jpg
after.jpg (83.35 KiB) Osservato 15046 volte
Avatar utente
Foto Utenteumberto1966
2.775 1 3 11
Expert
Expert
 
Messaggi: 131
Iscritto il: 26 apr 2012, 12:13

2
voti

[79] Habemus Mivar!

Messaggioda Foto Utenteumberto1966 » 27 dic 2013, 23:03

Cari Amici,
finalmente abbiamo pubblicato gli schemi Mivar in nostro possesso!

Buona consultazione!

O_/


http://puppylinux.ath.cx:4085/webserver ... var_-_VAR-
Avatar utente
Foto Utenteumberto1966
2.775 1 3 11
Expert
Expert
 
Messaggi: 131
Iscritto il: 26 apr 2012, 12:13

4
voti

[80] Aggiornamenti Minerva e Nova!

Messaggioda Foto Utenteumberto1966 » 13 gen 2014, 22:36

Cari Amici,
iniziamo il nuovo anno pubblicando nuovi schemi Minerva (circa un centinaio) e rieditando e migliorando gli schemi Nova.

Li trovate qui:

http://puppylinux.ath.cx:4085/webserver ... IDMinerva-

http://puppylinux.ath.cx:4085/webserver ... tm#IDNova-

Buon Anno e Buona Consultazione a Tutti Voi!

O_/
Avatar utente
Foto Utenteumberto1966
2.775 1 3 11
Expert
Expert
 
Messaggi: 131
Iscritto il: 26 apr 2012, 12:13

PrecedenteProssimo

Torna a Informazioni varie più o meno utili

Chi c’è in linea

Visitano il forum: Nessuno e 2 ospiti