Cos'è ElectroYou | Login Iscriviti

ElectroYou - la comunità dei professionisti del mondo elettrico

Messa a terra pali illuminazione pubblica

Progettazione, esercizio, manutenzione, sicurezza, leggi, normative...

Moderatori: Foto Utentesebago, Foto UtenteMASSIMO-G, Foto Utentelillo, Foto UtenteMike

0
voti

[171] Re: Messa a terra pali illuminazione pubblica

Messaggioda Foto Utenteattilio » 23 ott 2013, 9:03

rosino ha scritto:Ha voluto fare 3 accensioni diverse su una linea trifase...

Non vedo il problema!

Ripeto la mia domanda: Perche` e` stato messo il neutro a comune a valle dei differenziali?

Piuttosto che utilizzare un solo differenziale 4P, non e` piu` semplice lasciare tutto com' e` avendo pero` cura di sistemare quel collegamento del neutro?
Ognuno sta solo sul cuor della terra
trafitto da un raggio di sole:
ed è subito sera


Salvatore Quasimodo
Avatar utente
Foto Utenteattilio
61,4k 8 12 13
free expert
 
Messaggi: 9167
Iscritto il: 21 gen 2007, 14:34

0
voti

[172] Re: Messa a terra pali illuminazione pubblica

Messaggioda Foto Utentecharman » 23 ott 2013, 11:49

Attilio ha scritto:
rosino ha scritto:

Ripeto la mia domanda: Perche` e` stato messo il neutro a comune a valle dei differenziali?

Piuttosto che utilizzare un solo differenziale 4P, non e` piu` semplice lasciare tutto com' e` avendo pero` cura di sistemare quel collegamento del neutro?


Attilio non sono riuscito ancora a parlare bene con l'elettricista. Effettivamente non me lo spiego, forse per fare tutto con un unico neutro.
Come sarebbe da sistemare il collegamento?
Avatar utente
Foto Utentecharman
25 4
Frequentatore
Frequentatore
 
Messaggi: 181
Iscritto il: 5 giu 2013, 18:01

0
voti

[173] Re: Messa a terra pali illuminazione pubblica

Messaggioda Foto Utentecharman » 23 ott 2013, 11:55

rosino ha scritto:L'arcano è proprio il neutro così come l'hai collegato.
Se è comune non puoi utilizzare 3 differenziali diversi ma uno unico con 3 accensioni distinte mediante contattori.
Praticamente fai un unico magnetotermico diff. ed i 3 contattori che interrompono solo la fase


Grazie rosino, ma così, in caso di guasto a terra rimane al buio tutto il parcheggio...
Avatar utente
Foto Utentecharman
25 4
Frequentatore
Frequentatore
 
Messaggi: 181
Iscritto il: 5 giu 2013, 18:01

0
voti

[174] Re: Messa a terra pali illuminazione pubblica

Messaggioda Foto Utenterosino » 23 ott 2013, 12:10

Purtroppo mi manca la pratica installativa.
Per avere più differenziali dovrei avere più neutri distribuiti...
Attendo anch'io il parere di Attilio.
La saggezza non può essere trasmessa. La saggezza che un saggio tenta di trasmettere suona sempre simile alla follia.
Hermann Hesse - Siddharta
Avatar utente
Foto Utenterosino
3.571 2 7 11
Master EY
Master EY
 
Messaggi: 1956
Iscritto il: 11 gen 2010, 13:18
Località: Treviso (TV)

0
voti

[175] Re: Messa a terra pali illuminazione pubblica

Messaggioda Foto Utentecharman » 23 ott 2013, 13:05

A chi lo dici...relativamente alla pratica installativa...:-(
Speriamo in delucidazioni di Attilio che lo vedo molto ferrato...

IN ogni caso abbiamo capito perché il diff.scatta: parte della corrente di neutro di un differenziale rientra nel neutro dell'altro sbilanciando le correnti...è giusto?
Avatar utente
Foto Utentecharman
25 4
Frequentatore
Frequentatore
 
Messaggi: 181
Iscritto il: 5 giu 2013, 18:01

0
voti

[176] Re: Messa a terra pali illuminazione pubblica

Messaggioda Foto UtenteMike » 23 ott 2013, 13:16

Quel neutro in comune a valle dei differenziali è una bestialità impiantistica!
--
Michele Lysander Guetta
--
"Non pensare mai al dolore, al pericolo o ai nemici un momento più lungo del necessario per combatterli." — Ayn Rand
Avatar utente
Foto UtenteMike
55,6k 7 10 12
G.Master EY
G.Master EY
 
Messaggi: 17005
Iscritto il: 1 ott 2004, 18:25
Località: Conegliano (TV)

0
voti

[177] Re: Messa a terra pali illuminazione pubblica

Messaggioda Foto Utenteattilio » 23 ott 2013, 13:17



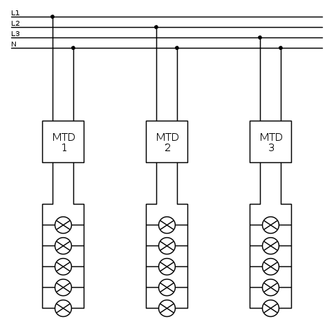
Non c' e` nulla di eccezionale se non che per ogni gruppo di lampade deve essere distribuito il solo neutro in uscita dal relativo differenziale, occorreranno quindi tre fasi e tre neutri.

Utilizzando invece un solo differenziale 4P a monte dei tre circuiti, si risparmia un conduttore e sara` sufficiente distribuire le tre fasi e il neutro comune.

Saluti
Ognuno sta solo sul cuor della terra
trafitto da un raggio di sole:
ed è subito sera


Salvatore Quasimodo
Avatar utente
Foto Utenteattilio
61,4k 8 12 13
free expert
 
Messaggi: 9167
Iscritto il: 21 gen 2007, 14:34

0
voti

[178] Re: Messa a terra pali illuminazione pubblica

Messaggioda Foto Utenterosino » 23 ott 2013, 13:24

Allora è come avevo detto.
Mi ero preoccupato eh
La saggezza non può essere trasmessa. La saggezza che un saggio tenta di trasmettere suona sempre simile alla follia.
Hermann Hesse - Siddharta
Avatar utente
Foto Utenterosino
3.571 2 7 11
Master EY
Master EY
 
Messaggi: 1956
Iscritto il: 11 gen 2010, 13:18
Località: Treviso (TV)

0
voti

[179] Re: Messa a terra pali illuminazione pubblica

Messaggioda Foto Utentecharman » 23 ott 2013, 13:49

Grazie Attilio, quindi se ho ben capito significa che non si possono utilizzare i 3 differenziali monofase se il neutro è comune. Se si vuole il neutro comune è necessario prevedere un singolo dispositivo quadripolare a monte, ma in questo caso l'impianto non è ben sezionato, ossia se tale dispositivo interviene rimango al buio totale. Tutto giusto?
Avatar utente
Foto Utentecharman
25 4
Frequentatore
Frequentatore
 
Messaggi: 181
Iscritto il: 5 giu 2013, 18:01

1
voti

[180] Re: Messa a terra pali illuminazione pubblica

Messaggioda Foto UtenteElectro » 23 ott 2013, 15:47

Se c'è un solo conduttore neutro (in comune) tra le tre accensioni, distribuite ognuna per ogni fase, non si può.

Il motivo per cui scattavano i differenziali monofase è semplice: (e qui mi viene di citare la firma di un Utente del forum) "Il circuito ha sempre ragione".

E la spiegazione è semplice, la corrente presente nel neutro una volta "di ritorno" e giunta nei pressi del quadro avrà più strade per tornare all'ente distributore, queste strade saranno scelte secondo regole omiche, mica la corrente sa che deve andare di lì o di là (cioè da quel differenziale o da quell'altro. :mrgreen:
"La progettazione, il primo presidio della sicurezza" [Michele Guetta]
Avatar utente
Foto UtenteElectro
2.127 2 2 8
Expert EY
Expert EY
 
Messaggi: 1327
Iscritto il: 12 nov 2008, 11:14
Località: Bari

PrecedenteProssimo

Torna a Impianti, sicurezza e quadristica

Chi c’è in linea

Visitano il forum: Nessuno e 145 ospiti