Benissimo fino ad qui ci siamo. Secondo voi lo schema che allego può avere controindicazioni di qualsiasi natura?
Messa a terra pali illuminazione pubblica
Moderatori:
sebago,
MASSIMO-G,
lillo,
Mike
0
voti
1
voti
Ok, non userei un contattore quadripolare ma è soggettivo.
--
Michele Lysander Guetta
--
"Non pensare mai al dolore, al pericolo o ai nemici un momento più lungo del necessario per combatterli." — Ayn Rand
Michele Lysander Guetta
--
"Non pensare mai al dolore, al pericolo o ai nemici un momento più lungo del necessario per combatterli." — Ayn Rand
-

Mike
55,6k 7 10 12 - G.Master EY

- Messaggi: 17006
- Iscritto il: 1 ott 2004, 18:25
- Località: Conegliano (TV)
1
voti
Hai due linee distinte trifase con neutro?
La saggezza non può essere trasmessa. La saggezza che un saggio tenta di trasmettere suona sempre simile alla follia.
Hermann Hesse - Siddharta
Hermann Hesse - Siddharta
1
voti
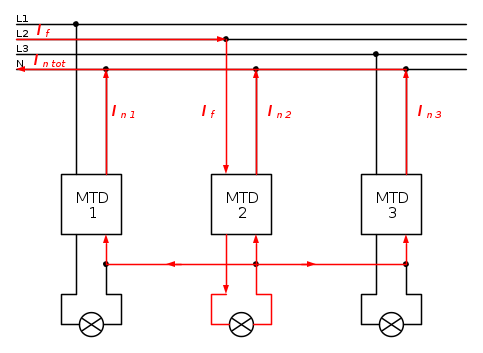
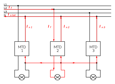
Non e` un gran disegno il mio. Era solo per rendere l'idea riguardo a come e secondo quale strada transiti la corrente di ritorno (sul neutro comune).

Gli interruttori differenziali 1 e 3, sono da ritenersi ovviamente chiusi.
Ad interruttori 1, 2 e 3 aperti e con neutro sezionato, alla chiusura del primo interruttore (qualunque esso sia) la corrente di ritorno si richiude interessando interamente il medesimo toroide differenziale, in assenza di guasti ovviamente.
Quando si chiude il secondo interruttore (o il secondo e terzo insieme), la corrente di ritorno del neutro non ha piu` una via obbligata per richiudersi, ma utilizzera` quella a minore impedenza. Ragion per cui, vale quanto ribadito anche da
Saluti
Ognuno sta solo sul cuor della terra
trafitto da un raggio di sole:
ed è subito sera
Salvatore Quasimodo
trafitto da un raggio di sole:
ed è subito sera
Salvatore Quasimodo
1
voti
@Attilio: infatti è proprio quello che accadeva, diciamo che hai descritto la situazione che accadeva senza vederla.
@Mike: ok grazie.
@Rosino: grazie, ma in che senso: "Hai due linee distinte trifase con neutro?"
Ho un montante trifase con neutro da cui derivo i due circuiti trifase con neutro...c'è qualcosa che non torna?
@Mike: ok grazie.
@Rosino: grazie, ma in che senso: "Hai due linee distinte trifase con neutro?"
Ho un montante trifase con neutro da cui derivo i due circuiti trifase con neutro...c'è qualcosa che non torna?
0
voti
No tutto ok
basta che ogni interruttore differenziale abbia la sua linea con neutro
basta che ogni interruttore differenziale abbia la sua linea con neutro
La saggezza non può essere trasmessa. La saggezza che un saggio tenta di trasmettere suona sempre simile alla follia.
Hermann Hesse - Siddharta
Hermann Hesse - Siddharta
0
voti
charman ha scritto:hai descritto la situazione che accadeva senza vederla
A volte teoria e pratica... concordano
Ognuno sta solo sul cuor della terra
trafitto da un raggio di sole:
ed è subito sera
Salvatore Quasimodo
trafitto da un raggio di sole:
ed è subito sera
Salvatore Quasimodo
0
voti
Ok, domai o dopodomani gli installatori realizzeranno quest'ultimo schema. Vi terrò informati dell'esito.
Alla frase di Elektro: "il circuito ha sempre ragione", aggiungerei: "il circuito ha sempre qualcosa da farti imparare"...
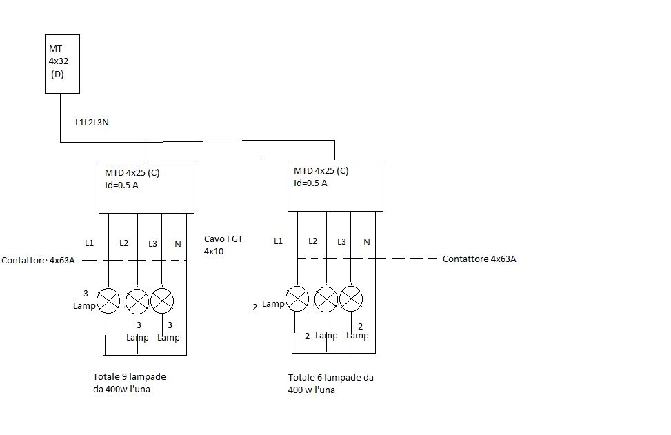
Non so se la colpa è la mia del fatto che gli elettricisti abbiano fatto quel tipo di collegamento. Io sinceramente nel quadro che vi ho allegato, avevo indicato per ogni linea luce il relativo neutro. Guardate lo schema, secondo voi non era abbastanza chiaro?
Sinceramente non mi spiego il motivo per cui abbiano messo il neutro in comune in uscita...loro mi hanno risposto: "come collegarlo altrimenti?"
comunque un po' in colpa mi ci sento, ma purtroppo non ho esperienza di installazione e non credo che un progettista debba averla...erro?
Alla frase di Elektro: "il circuito ha sempre ragione", aggiungerei: "il circuito ha sempre qualcosa da farti imparare"...
Non so se la colpa è la mia del fatto che gli elettricisti abbiano fatto quel tipo di collegamento. Io sinceramente nel quadro che vi ho allegato, avevo indicato per ogni linea luce il relativo neutro. Guardate lo schema, secondo voi non era abbastanza chiaro?
Sinceramente non mi spiego il motivo per cui abbiano messo il neutro in comune in uscita...loro mi hanno risposto: "come collegarlo altrimenti?"
comunque un po' in colpa mi ci sento, ma purtroppo non ho esperienza di installazione e non credo che un progettista debba averla...erro?
0
voti
sei un progettista, giusto? Allora da ora in avanti, per gli schemi sul forum, utilizza fidocadj, ci voglio due minuti ad imparare ad usarlo.
Se particolari allegati .jpg provenienti da un'origine CAD possono essere accettati, i disegni con paint... lasciamoli perdere
Grazie
Ognuno sta solo sul cuor della terra
trafitto da un raggio di sole:
ed è subito sera
Salvatore Quasimodo
trafitto da un raggio di sole:
ed è subito sera
Salvatore Quasimodo
1
voti
Attilio ha scritto:charman, solo un favore,
sei un progettista, giusto? Allora da ora in avanti, per gli schemi sul forum, utilizza fidocadj
Grazie
Certo Attilio, allora grazie per la dritta, sinceramente non lo conoscevo. Mi scuso per l'uso spartano di strumenti informatici...e pe la figuraccia :-(
Torna a Impianti, sicurezza e quadristica
Chi c’è in linea
Visitano il forum: Google [Bot] e 81 ospiti

Elettrotecnica e non solo (admin)
Un gatto tra gli elettroni (IsidoroKZ)
Esperienza e simulazioni (g.schgor)
Moleskine di un idraulico (RenzoDF)
Il Blog di ElectroYou (webmaster)
Idee microcontrollate (TardoFreak)
PICcoli grandi PICMicro (Paolino)
Il blog elettrico di carloc (carloc)
DirtEYblooog (dirtydeeds)
Di tutto... un po' (jordan20)
AK47 (lillo)
Esperienze elettroniche (marco438)
Telecomunicazioni musicali (clavicordo)
Automazione ed Elettronica (gustavo)
Direttive per la sicurezza (ErnestoCappelletti)
EYnfo dall'Alaska (mir)
Apriamo il quadro! (attilio)
H7-25 (asdf)
Passione Elettrica (massimob)
Elettroni a spasso (guidob)
Bloguerra (guerra)




