Alcuni progetti sparsi in rete usano come triac
il TIC 106, il TIC 126 o simili, mentre io ho un
BTA16 e con le prove fatte il timer non funziona.
Timer 220 V con SAB0529
Moderatori:
carloc,
g.schgor,
BrunoValente,
IsidoroKZ
6 messaggi
• Pagina 1 di 1
0
voti
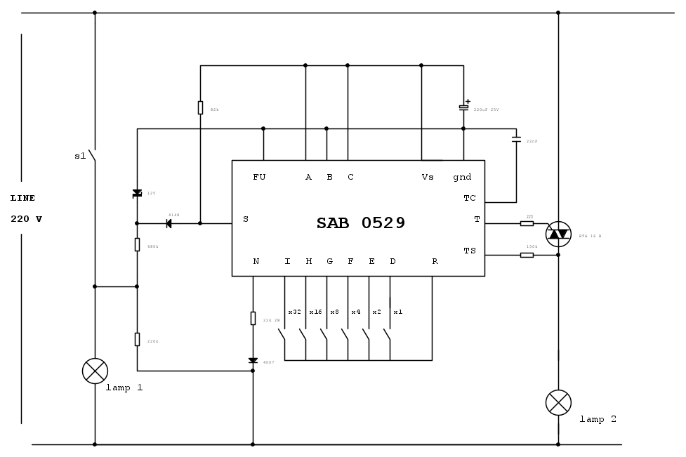
giusto, prima lo schema..
ci vuole un po' di tempo perché in realtà non si parla di uno schema soltanto ma più di uno, provato sempre con lo stesso IC.
Con fidocadj sono alle prime armi, ho usato sempre il vecchio sistema : righello carta e penna.
ci vuole un po' di tempo perché in realtà non si parla di uno schema soltanto ma più di uno, provato sempre con lo stesso IC.
Con fidocadj sono alle prime armi, ho usato sempre il vecchio sistema : righello carta e penna.
0
voti
Ecco il circuito di cui parlo,
copiato dal datasheet del SAb 0529
Il circuito che ho fatto io, al posto del
classico TRIAC Tic XXX ho messo un BTA 16
Messo in prova il circuito,
con A B C rispettivamente H L H
al quale corrisponde un tempo base di 3 minuti (vedi datasheet)
e con l'interruttore D (x1) chiuso, la Lamp 2 resta accesa
per un tempo indefinito anzicchè spegnersi dopo i tre minuti
impostati. FU sta su Low (momentary switching).
Secondo i costruttori dovrebbe funzionare. Ma a me non funziona.
Due sono i dubbi:
1) non ho un carico induttivo come un motore e quindi il Triac non riesce a spegnersi.
2) Il triac utilizzato non è adatto al circuito.
In seguito lo schema Fidocadj.
(attendo consigli validi)...
copiato dal datasheet del SAb 0529
Il circuito che ho fatto io, al posto del
classico TRIAC Tic XXX ho messo un BTA 16
Messo in prova il circuito,
con A B C rispettivamente H L H
al quale corrisponde un tempo base di 3 minuti (vedi datasheet)
e con l'interruttore D (x1) chiuso, la Lamp 2 resta accesa
per un tempo indefinito anzicchè spegnersi dopo i tre minuti
impostati. FU sta su Low (momentary switching).
Secondo i costruttori dovrebbe funzionare. Ma a me non funziona.
Due sono i dubbi:
1) non ho un carico induttivo come un motore e quindi il Triac non riesce a spegnersi.
2) Il triac utilizzato non è adatto al circuito.
In seguito lo schema Fidocadj.
(attendo consigli validi)...
-1
voti
prova intanto a settare il tempo minimo, cioè A B C = GND e vediamo che succede.
-

ANDREA2013
887 3 6 - Utente disattivato per decisione dell'amministrazione proprietaria del sito
- Messaggi: 710
- Iscritto il: 16 lug 2013, 21:30
6 messaggi
• Pagina 1 di 1
Chi c’è in linea
Visitano il forum: Google Adsense [Bot] e 52 ospiti

Elettrotecnica e non solo (admin)
Un gatto tra gli elettroni (IsidoroKZ)
Esperienza e simulazioni (g.schgor)
Moleskine di un idraulico (RenzoDF)
Il Blog di ElectroYou (webmaster)
Idee microcontrollate (TardoFreak)
PICcoli grandi PICMicro (Paolino)
Il blog elettrico di carloc (carloc)
DirtEYblooog (dirtydeeds)
Di tutto... un po' (jordan20)
AK47 (lillo)
Esperienze elettroniche (marco438)
Telecomunicazioni musicali (clavicordo)
Automazione ed Elettronica (gustavo)
Direttive per la sicurezza (ErnestoCappelletti)
EYnfo dall'Alaska (mir)
Apriamo il quadro! (attilio)
H7-25 (asdf)
Passione Elettrica (massimob)
Elettroni a spasso (guidob)
Bloguerra (guerra)


