Cos'è ElectroYou | Login Iscriviti

ElectroYou - la comunità dei professionisti del mondo elettrico

intermittenza alternata su 3 led

Elettronica lineare e digitale: didattica ed applicazioni

Moderatori: Foto Utentecarloc, Foto Utenteg.schgor, Foto UtenteBrunoValente, Foto UtenteIsidoroKZ

1
voti

[11] Re: intermittenza alternata su 3 led

Messaggioda Foto UtentePietroBaima » 7 nov 2013, 17:14

Oggi Foto Utentesimo85 ce l'ho con te :mrgreen: :mrgreen:
Scherzi a parte, uno shift register può essere difficile da inizializzare.
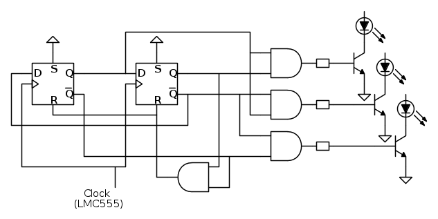
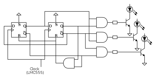
Quindi potresti usare un contatore a due FF, che viene resettato asincrono quando arriva all'ultimo stato, tre nand per riconoscere gli stati e una per fare l'oscillatore.

Ciao,
Pietro.
Generatore codice per articoli:
nomi
Sul forum:
[pigreco]=π
[ohm]=Ω
[quadrato]=²
[cubo]=³
Avatar utente
Foto UtentePietroBaima
90,7k 7 12 13
G.Master EY
G.Master EY
 
Messaggi: 12206
Iscritto il: 12 ago 2012, 1:20
Località: Londra

0
voti

[12] Re: intermittenza alternata su 3 led

Messaggioda Foto Utentesimo85 » 7 nov 2013, 17:17

PietroBaima ha scritto:Oggi simo85 ce l'ho con te :mrgreen:

Eh lo avevo notato. :mrgreen:

PietroBaima ha scritto:uno shift register può essere difficile da inizializzare.

Urca! Mi sono confuso. Ora me ne rendo conto.

#-o #-o #-o
Avatar utente
Foto Utentesimo85
30,9k 7 12 13
Disattivato su sua richiesta
 
Messaggi: 9927
Iscritto il: 30 ago 2010, 4:59

-1
voti

[13] Re: intermittenza alternata su 3 led

Messaggioda Foto Utentefausto61 » 7 nov 2013, 17:24

l'ho trovato devo comperarmi un plc
con i registri a scorrimento
non ci campano una mazza
ragazzi bisogna che semplifichiamo un po
contatore a due FF

un contatore a due FF, stà per femmina femmina
mi può star bene
Avatar utente
Foto Utentefausto61
401 2 4
Stabilizzato
Stabilizzato
 
Messaggi: 310
Iscritto il: 19 mar 2013, 19:42

0
voti

[14] Re: intermittenza alternata su 3 led

Messaggioda Foto Utenterusty » 7 nov 2013, 17:57

fausto61 ha scritto:un contatore a due FF, stà per femmina femmina mi può star bene


non sto capendo se ti dobbiam pigliare per serio o no :roll:

Anyway, data l'esperienza, recati da un cinese o un lidl e comprati un' "intermittenza", risparmi tempo e soldi... trust me.
Avatar utente
Foto Utenterusty
4.075 2 9 11
Utente disattivato per decisione dell'amministrazione proprietaria del sito
 
Messaggi: 1578
Iscritto il: 25 gen 2009, 13:10

1
voti

[15] Re: intermittenza alternata su 3 led

Messaggioda Foto UtentePietroBaima » 7 nov 2013, 17:59



Oppure un 4017+Oscillatore (LMC555)
Generatore codice per articoli:
nomi
Sul forum:
[pigreco]=π
[ohm]=Ω
[quadrato]=²
[cubo]=³
Avatar utente
Foto UtentePietroBaima
90,7k 7 12 13
G.Master EY
G.Master EY
 
Messaggi: 12206
Iscritto il: 12 ago 2012, 1:20
Località: Londra

-1
voti

[16] Re: intermittenza alternata su 3 led

Messaggioda Foto Utentefausto61 » 7 nov 2013, 19:28

Foto UtentePietroBaima
ho capito che devo prendere il clock da un 555 in astabile
ma il resto dove lo trovo?
ho provato con un 4017
e un 555
ma non funge
ho usato questo
Codice: Seleziona tutto
http://www.eleccircuit.com/wp-content/uploads/2010/08/7-Led-light-running-adjust-speed-by-4017-and-555.jpg

forse l'ho trovato
eccolo domani lo provo
Codice: Seleziona tutto
http://www.next.gr/uploads/303-b969680e37.gif
Ultima modifica di Foto Utentefausto61 il 7 nov 2013, 19:38, modificato 1 volta in totale.
Avatar utente
Foto Utentefausto61
401 2 4
Stabilizzato
Stabilizzato
 
Messaggi: 310
Iscritto il: 19 mar 2013, 19:42

0
voti

[17] Re: intermittenza alternata su 3 led

Messaggioda Foto Utenterusty » 7 nov 2013, 19:32

No chance.

Se non hai esperienza in realizzazioni elettroniche lascia perdere, comprane uno bell'e pronto :ok:
Avatar utente
Foto Utenterusty
4.075 2 9 11
Utente disattivato per decisione dell'amministrazione proprietaria del sito
 
Messaggi: 1578
Iscritto il: 25 gen 2009, 13:10

0
voti

[18] Re: intermittenza alternata su 3 led

Messaggioda Foto Utentefausto61 » 7 nov 2013, 19:42

non sto capendo se ti dobbiam pigliare per serio o no :roll:

se non lo hai capito era una battuta per dimostrare che non sono molto afferrato in materia
Se non hai esperienza in realizzazioni elettroniche lascia perdere, comprane uno bell'e pronto :ok:

i tuoi suggerimenti sono veramente entusiasmanti
per il momento ne faccio a meno grazie
Avatar utente
Foto Utentefausto61
401 2 4
Stabilizzato
Stabilizzato
 
Messaggi: 310
Iscritto il: 19 mar 2013, 19:42

1
voti

[19] Re: intermittenza alternata su 3 led

Messaggioda Foto UtentePietroBaima » 7 nov 2013, 19:43

afferrato in materia? :shock:

Mi sa che non ho afferrato...
Generatore codice per articoli:
nomi
Sul forum:
[pigreco]=π
[ohm]=Ω
[quadrato]=²
[cubo]=³
Avatar utente
Foto UtentePietroBaima
90,7k 7 12 13
G.Master EY
G.Master EY
 
Messaggi: 12206
Iscritto il: 12 ago 2012, 1:20
Località: Londra

1
voti

[20] Re: intermittenza alternata su 3 led

Messaggioda Foto Utenterusty » 7 nov 2013, 22:35

fausto61 ha scritto:i tuoi suggerimenti sono veramente entusiasmanti per il momento ne faccio a meno grazie


Io consiglio sempre la strada piu' efficiente in base all'esperienza dell'OP, non parlo a vanvera.
Se non sai nemmeno dove prendere i componenti, figuriamoci se sai costruire il tutto: lo dico per te, per farti risparmiare tempo, ovviamente poi fai come vuoi. O_/
Avatar utente
Foto Utenterusty
4.075 2 9 11
Utente disattivato per decisione dell'amministrazione proprietaria del sito
 
Messaggi: 1578
Iscritto il: 25 gen 2009, 13:10

PrecedenteProssimo

Torna a Elettronica generale

Chi c’è in linea

Visitano il forum: Nessuno e 213 ospiti