Salve a tutti,
Cercavo un aiuto per la relizzazione di un temporizzatore con tempi molto lunghi, tempi che variano da minimo un'ora fino a massimo 4 ore. Con un impulso, a discriminazione di durata, attivo un timer che dopo un certo tempo ritorna allo stato off.
In pratica un circuito monostabile con un tempo massimo "regolabile" di 4 ore.
Temporizzatore per tempi lunghi
Moderatori:
carloc,
g.schgor,
BrunoValente,
IsidoroKZ
20 messaggi
• Pagina 1 di 2 • 1, 2
0
voti
Espongo il mio problema:
Ho due caldaie, un termocamino e una caldaia a gas.
Entrambe riscaldano gli stessi termosifoni. Il circuito di riscaldamento prevede una serie di termosifoni, separati da un'elettrovalvola. Quando parte la caldaia camino, non ci sono problemi, mi va bene che riscalda tutti i termosifoni. Quando parte la caldaia a gas invece, voglio che mi riscalda solo una parte dei termosifoni. Il tutto funziona alla perfezione, perché ho un termostato ambiente/timer che, oltre a far partire la caldaia, mi comanda una elettrovalvola che esclude una parte dei termosifoni. Il problema nasce quando il termostato/timer spegne la caldaia a gas, perché spegnendo la caldaia a gas riapre nuovamente il circuito dei termosifoni "appena riscaldati" . poiché la caldaia camino e la caldaia a gas sono in parallelo, quando si riapre l'elettrovalvola la caldaia camino fa circolare l'acqua in tutti i termosifoni.
Io vorrei realizzare un temporizzatore che, partendo insieme al termostato, alimenti l'elettrovalvola per un tempo maggiore (il termostato ha passi di mezz'ora ), fino a quando i termosifoni riscaldati con la caldaia a gas non si siano raffreddati.
Ecco perché ho la necessita di un temporizzatore con le seguenti caratteristiche:
* durata massima da 1 a 4 ore.
* retriggherabile
* a discriminazione di impulso
Ho due caldaie, un termocamino e una caldaia a gas.
Entrambe riscaldano gli stessi termosifoni. Il circuito di riscaldamento prevede una serie di termosifoni, separati da un'elettrovalvola. Quando parte la caldaia camino, non ci sono problemi, mi va bene che riscalda tutti i termosifoni. Quando parte la caldaia a gas invece, voglio che mi riscalda solo una parte dei termosifoni. Il tutto funziona alla perfezione, perché ho un termostato ambiente/timer che, oltre a far partire la caldaia, mi comanda una elettrovalvola che esclude una parte dei termosifoni. Il problema nasce quando il termostato/timer spegne la caldaia a gas, perché spegnendo la caldaia a gas riapre nuovamente il circuito dei termosifoni "appena riscaldati" . poiché la caldaia camino e la caldaia a gas sono in parallelo, quando si riapre l'elettrovalvola la caldaia camino fa circolare l'acqua in tutti i termosifoni.
Io vorrei realizzare un temporizzatore che, partendo insieme al termostato, alimenti l'elettrovalvola per un tempo maggiore (il termostato ha passi di mezz'ora ), fino a quando i termosifoni riscaldati con la caldaia a gas non si siano raffreddati.
Ecco perché ho la necessita di un temporizzatore con le seguenti caratteristiche:
* durata massima da 1 a 4 ore.
* retriggherabile
* a discriminazione di impulso
1
voti
Riporto uno schema logico dell'impianto di riscaldamento.
L'elettrovalvola è normalmente chiusa. Ha tre fili, due per l'alimentazione ed un terzo logico: se sul terzo filo c'è 220 V allora l'elettrovalvola si apre, altrimenti resta chiusa.
(l'elettrovalvola, a funzionamento complementare è stato uno "sbaglio" che ha fatto l'idraulico).
0
voti
Ho cercaato su internet un dispositivo del genere,
ma ho trovato soltanto temporizzatori con tempo brevi
(fino ad un massimo di 20 minuti) per le luci scale o
temporizzatori che si devono programmare ad ogni conteggio.
Con forza e coraggio ho deciso di costruirmelo,
adattando il funzionamento alle mie esigenze.
L'elettronica di cui dispongo, non è molta,
allo scopo dispongo di
alcuni NE555, NE556, HEF4060,
un HCF4040, dei CD4013 ed alcuni HCF4093...
Triac, alcuni rele'... stabilizzatori e alimentatori switching..
***************************************************************************
Per raggiungere lo scopo ho pensato di realizzarlo nel seguente modo:
per quanto riguarda la parte di elaborazione del segnale:
--------------------------------------------------------------------
1) Con un NE555 imposto un clock base e lo invio in un
2) contatore binario, prelevando l'uscita alta in base al
pin corrispondete al conteggio.
per quanto riguarda la parte di potenza:
---------------------------------------------------
Preferirei utilizzare un Triac, dato che il carico è esiguo e non necessita di elevate potenze. L'utilizzo di un rele', deviatore, lo escluderei perché se in funzione "nel Wors Case" per un tempo di 4 ore, credo che la bobbina si fonderebbe prima della scadeza del timer.
le buone intenzioni ci sono,
chiedo agli esperti se la soluzione che vorrei adottare io
è quella giusta ed eventualmente come corredare gli
integrati.
Si accettano anche critiche.
ma ho trovato soltanto temporizzatori con tempo brevi
(fino ad un massimo di 20 minuti) per le luci scale o
temporizzatori che si devono programmare ad ogni conteggio.
Con forza e coraggio ho deciso di costruirmelo,
adattando il funzionamento alle mie esigenze.
L'elettronica di cui dispongo, non è molta,
allo scopo dispongo di
alcuni NE555, NE556, HEF4060,
un HCF4040, dei CD4013 ed alcuni HCF4093...
Triac, alcuni rele'... stabilizzatori e alimentatori switching..
***************************************************************************
Per raggiungere lo scopo ho pensato di realizzarlo nel seguente modo:
per quanto riguarda la parte di elaborazione del segnale:
--------------------------------------------------------------------
1) Con un NE555 imposto un clock base e lo invio in un
2) contatore binario, prelevando l'uscita alta in base al
pin corrispondete al conteggio.
per quanto riguarda la parte di potenza:
---------------------------------------------------
Preferirei utilizzare un Triac, dato che il carico è esiguo e non necessita di elevate potenze. L'utilizzo di un rele', deviatore, lo escluderei perché se in funzione "nel Wors Case" per un tempo di 4 ore, credo che la bobbina si fonderebbe prima della scadeza del timer.
le buone intenzioni ci sono,
chiedo agli esperti se la soluzione che vorrei adottare io
è quella giusta ed eventualmente come corredare gli
integrati.
Si accettano anche critiche.
0
voti
Nel caso in cui volessi abbandonare l'autocostruzione...
http://gfinder.findernet.com//assets/Series/392/S81IT.pdf
http://gfinder.findernet.com//assets/Series/392/S81IT.pdf
0
voti
Io continuo con i miei ragionamenti,
non so se sono giusti o sbagliati.
---------------------------------------------
Parto dal tempo massimo in secondi che voglio ottenere:
3.600 x 4 = 14.400 secondi
Supponendo che voglia utilizzare un HCF 4040B
un contatore binario a 12 stadi, ottengo un conteggio
massimo di (2 ^ 12) = 4096 conteggi
Gli impulsi di Clock, impostati con un NE555
devono avere una durata di
(14.400 / 4096) = 3,5156 secondi
ossia una frequenza di 0.284 Hz con duty cycle del 50%
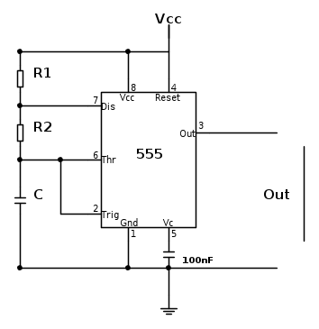
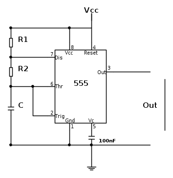
Si parte dunque dalla realizzazione di un NE555 come
oscillatore astabile con 0.284 Hz d.c. 50%
Ecco lo schema di base di un NE555 come stabile
si devono calcolare i valori di R1 R2 e C
non so se sono giusti o sbagliati.
---------------------------------------------
Parto dal tempo massimo in secondi che voglio ottenere:
3.600 x 4 = 14.400 secondi
Supponendo che voglia utilizzare un HCF 4040B
un contatore binario a 12 stadi, ottengo un conteggio
massimo di (2 ^ 12) = 4096 conteggi
Gli impulsi di Clock, impostati con un NE555
devono avere una durata di
(14.400 / 4096) = 3,5156 secondi
ossia una frequenza di 0.284 Hz con duty cycle del 50%
Si parte dunque dalla realizzazione di un NE555 come
oscillatore astabile con 0.284 Hz d.c. 50%
Ecco lo schema di base di un NE555 come stabile
si devono calcolare i valori di R1 R2 e C
1
voti
verlex ha scritto:1) Con un NE555 imposto un clock base e lo invio in un
2) contatore binario, prelevando l'uscita alta in base al
pin corrispondete al conteggio.
Se usi un CD4060 (o HCF/HEF4060 che già possiedi), che è un oscillatore seguito da un divisore binario a 14 stadi, puoi risparmiarti l'NE555.
Puoi far partire il timer agendo sul piedino di reset, e quando scade il tempo puoi bloccare l'oscillatore (basta un diodo che prelevi il segnale dal piedino d'uscita scelto e lo mandi sul piedino d'ingresso del clock, mantenendolo stabilmente alto).
verlex ha scritto:per quanto riguarda la parte di potenza:
---------------------------------------------------
Preferirei utilizzare un Triac, dato che il carico è esiguo e non necessita di elevate potenze. L'utilizzo di un rele', deviatore, lo escluderei perché se in funzione "nel Wors Case" per un tempo di 4 ore, credo che la bobbina si fonderebbe prima della scadeza del timer.
Se fosse vero, sarebbe già fuso mezzo mondo!
Prova a disegnare uno schema con Fidocadj, basandoti sui circuiti applicativi che si trovano alla fine di alcuni datasheet del CD4060. Poi altri utenti o io (se avrò tempo) consiglieremo e correggeremo.

Big fan of ⋮ƎlectroYou! Ausili per disabili e anziani su ⋮ƎlectroYou
Caratteri utili: À È É Ì Ò Ó Ù α β γ δ ε η θ λ μ π ρ σ τ φ ω Ω º ª ² ³ √ ∛ ∜ ₀ ₁ ₂ ₃ ₄ ₅ ₆ ∃ ∄ ∆ ∈ ∉ ± ∓ ∾ ≃ ≈ ≠ ≤ ≥
Caratteri utili: À È É Ì Ò Ó Ù α β γ δ ε η θ λ μ π ρ σ τ φ ω Ω º ª ² ³ √ ∛ ∜ ₀ ₁ ₂ ₃ ₄ ₅ ₆ ∃ ∄ ∆ ∈ ∉ ± ∓ ∾ ≃ ≈ ≠ ≤ ≥
0
voti
VRI ha scritto:Nel caso in cui volessi abbandonare l'autocostruzione...
http://gfinder.findernet.com//assets/Series/392/S81IT.pdf
Grazie per il link,
lo cercavo da giorni un dispositivo del genere...
Ha dei costi altini per la funzione che deve svolgere..
costa dai 45 euro in su...
1
voti
VRI ha scritto:http://it.rs-online.com/web/p/rele-temporizzati/2773558/
Abbattiamo un po' i costi...
mi stai convincendo ad abbandonare il progetto
anche perché se vale l'equazione: (tempo = denaro)
considerando la progettazione, costruzione,
fase di test e messa in opera, per il tempo che
ci vuole, conviene di più comprarlo già fatto...
in effetti 35 euro sono fattibili..
Grazie VRB
20 messaggi
• Pagina 1 di 2 • 1, 2
Chi c’è in linea
Visitano il forum: Google [Bot] e 257 ospiti

Elettrotecnica e non solo (admin)
Un gatto tra gli elettroni (IsidoroKZ)
Esperienza e simulazioni (g.schgor)
Moleskine di un idraulico (RenzoDF)
Il Blog di ElectroYou (webmaster)
Idee microcontrollate (TardoFreak)
PICcoli grandi PICMicro (Paolino)
Il blog elettrico di carloc (carloc)
DirtEYblooog (dirtydeeds)
Di tutto... un po' (jordan20)
AK47 (lillo)
Esperienze elettroniche (marco438)
Telecomunicazioni musicali (clavicordo)
Automazione ed Elettronica (gustavo)
Direttive per la sicurezza (ErnestoCappelletti)
EYnfo dall'Alaska (mir)
Apriamo il quadro! (attilio)
H7-25 (asdf)
Passione Elettrica (massimob)
Elettroni a spasso (guidob)
Bloguerra (guerra)





