Dubbio sovrapposizione regimi sinusoidali...
Moderatori:
g.schgor,
IsidoroKZ
16 messaggi
• Pagina 1 di 2 • 1, 2
0
voti
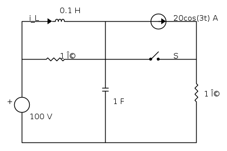
Salve a tutti ragazzi, ieri all'esame di elettrotecnica in un esercizio c'era un transitorio del secondo ordine in cui vi erano un generatore di tensione costante e un generatore di corrente sinusoidale... Ho applicato subito il principio di sovrapposizione degli effetti e ho studiato due transitori separati (ottenuti spegnendo, rispettivamente, in GIT e il GIC) e infine ho sommato le risposte... Il procedimento è corretto? Stamattina mi è venuto qualche dubbio...
0
voti
Ho provato a risolvere il circuito applicando il teorema di sovrapposizione solo per il calcolo delle condizioni iniziali (come mi sembra più corretto e, soprattutto, rapido) e i risultati, in effetti, coincidono... Se è necessario posto il testo dell'esercizio
0
voti
Posto il testo dell'esercizio e abbozzo il metodo di risoluzione che ho seguito nel compito.
Calcolare la corrente
sapendo che il circuito è a regime prima della chiusura dell'interruttore
.
Durante l'esame ho applicato immediatamente il principio di sovrapposizione degli effetti e ho considerato separatamente i transitori:
Ho studiato questi transitori e calcolato la corrente nell'induttore nei due casi. Infine ho sommato i due contributi.
Una volta tornato a casa, preso dai dubbi (e mangiandomi un po' le mani) ho rifatto l'esercizio applicando il principio di sovrapposizione degli effetti SOLO per il calcolo delle condizioni iniziali... E con molti meno calcoli, con mia sorpresa, ho raggiunto la stessa soluzione, cioè:
![\[i_L(t)=-80e^{-t}cos(3t)+33.33e^{-t}sin(3t)+100 A\] \[i_L(t)=-80e^{-t}cos(3t)+33.33e^{-t}sin(3t)+100 A\]](/forum/latexrender/pictures/5f8fb9dbcdae4ea90fcec58f099f272c.png)
Non sono, tuttavia, convinto che il primo metodo di risoluzione sia corretto in quanto preoccupato dal fatto che, dopo la chiusura dell'interruttore, il GIC "scompare"... Mi interesserebbe risolvere questa questione al più presto, perché all'orale sicuramente discuteremo l'esercizio...
RenzoDF puoi illuminarmi? 
Calcolare la corrente
sapendo che il circuito è a regime prima della chiusura dell'interruttore
.Durante l'esame ho applicato immediatamente il principio di sovrapposizione degli effetti e ho considerato separatamente i transitori:
Ho studiato questi transitori e calcolato la corrente nell'induttore nei due casi. Infine ho sommato i due contributi.
Una volta tornato a casa, preso dai dubbi (e mangiandomi un po' le mani) ho rifatto l'esercizio applicando il principio di sovrapposizione degli effetti SOLO per il calcolo delle condizioni iniziali... E con molti meno calcoli, con mia sorpresa, ho raggiunto la stessa soluzione, cioè:
![\[i_L(t)=-80e^{-t}cos(3t)+33.33e^{-t}sin(3t)+100 A\] \[i_L(t)=-80e^{-t}cos(3t)+33.33e^{-t}sin(3t)+100 A\]](/forum/latexrender/pictures/5f8fb9dbcdae4ea90fcec58f099f272c.png)
Non sono, tuttavia, convinto che il primo metodo di risoluzione sia corretto in quanto preoccupato dal fatto che, dopo la chiusura dell'interruttore, il GIC "scompare"... Mi interesserebbe risolvere questa questione al più presto, perché all'orale sicuramente discuteremo l'esercizio...
1
voti
Ciao edomar,
Innanzitutto complimenti, apprezziamo molto il fatto che tu abbia realizzato gli schematici in FidoCadJ.
Seconda cosa: essendo il sistema lineare, è corretto applicare il principio di sovrapposizione degli effetti per calcolare le condizioni iniziali, ci mancherebbe altro.
Non ho eseguito i calcoli, sono sincero, ma se li hai fatti tu e i conti tornano, beh io starei tranquillo.
Solo una cosa non ho capito: dopo aver calcolato le condizioni iniziali, devi ricavare anche l'evoluzione del sistema dopo la chiusura dell'interruttore? Lo hai fatto?
Innanzitutto complimenti, apprezziamo molto il fatto che tu abbia realizzato gli schematici in FidoCadJ.
Seconda cosa: essendo il sistema lineare, è corretto applicare il principio di sovrapposizione degli effetti per calcolare le condizioni iniziali, ci mancherebbe altro.
Non ho eseguito i calcoli, sono sincero, ma se li hai fatti tu e i conti tornano, beh io starei tranquillo.
Solo una cosa non ho capito: dopo aver calcolato le condizioni iniziali, devi ricavare anche l'evoluzione del sistema dopo la chiusura dell'interruttore? Lo hai fatto?
Alberto.
0
voti
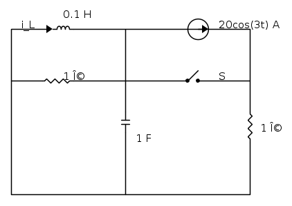
è proprio lì il problema... Chiedeva la corrente nell'induttore dopo la chiusura dell'interruttore... Io durante l'esame ho considerato i due transitori SEPARATI sino alla fine (anche dopo la chiusura dell'interruttore) e ho sommato solo alla fine le risposte... Tornato a casa mi sono reso conto che il teorema di sovrapposizione si doveva usare solo per il calcolo delle condizioni iniziali, ma i risultati comunque coincidono.. Mi chiedevo quindi se il procedimento che ho utilizzato all'esame sia corretto da un punto di vista concettuale (so che è molto più lungo..)
0
voti
Mi spiego meglio.
Avevo questa rete:
Ho applicato il principio di sovrapposizione ottenendo due transitori distinti.
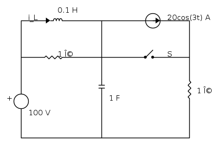
Ho studiato questo transitorio, ho calcolato le condizioni iniziali e quindi la corrente nell'induttore.
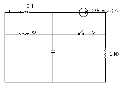
Ho studiato questo transitorio, ho calcolato le condizioni iniziali e la corrente nell'induttore.
Ho sommato i due contributi ottenuti trovando la soluzione scritta in precedenza.
La mia domanda è: il procedimento, seppur sicuramente lungo, è corretto concettualmente?
Nota: la soluzione così ottenuta coincide con quella che si ottiene applicando il principio di sovrapposizione per il solo calcolo delle condizioni iniziali
Avevo questa rete:
Ho applicato il principio di sovrapposizione ottenendo due transitori distinti.
Ho studiato questo transitorio, ho calcolato le condizioni iniziali e quindi la corrente nell'induttore.
Ho studiato questo transitorio, ho calcolato le condizioni iniziali e la corrente nell'induttore.
Ho sommato i due contributi ottenuti trovando la soluzione scritta in precedenza.
La mia domanda è: il procedimento, seppur sicuramente lungo, è corretto concettualmente?
Nota: la soluzione così ottenuta coincide con quella che si ottiene applicando il principio di sovrapposizione per il solo calcolo delle condizioni iniziali
0
voti
Ragazzi, nessuno che possa aiutarmi a far chiarezza su questa questione...?
EDIT: sono appena usciti i risultati dell'esercizio, posto l'immagine:
Il risultato coincide con quello trovato seguendo le due strade sopra citate.
EDIT: sono appena usciti i risultati dell'esercizio, posto l'immagine:
Il risultato coincide con quello trovato seguendo le due strade sopra citate.
16 messaggi
• Pagina 1 di 2 • 1, 2
Torna a Elettrotecnica generale
Chi c’è in linea
Visitano il forum: Nessuno e 127 ospiti

Elettrotecnica e non solo (admin)
Un gatto tra gli elettroni (IsidoroKZ)
Esperienza e simulazioni (g.schgor)
Moleskine di un idraulico (RenzoDF)
Il Blog di ElectroYou (webmaster)
Idee microcontrollate (TardoFreak)
PICcoli grandi PICMicro (Paolino)
Il blog elettrico di carloc (carloc)
DirtEYblooog (dirtydeeds)
Di tutto... un po' (jordan20)
AK47 (lillo)
Esperienze elettroniche (marco438)
Telecomunicazioni musicali (clavicordo)
Automazione ed Elettronica (gustavo)
Direttive per la sicurezza (ErnestoCappelletti)
EYnfo dall'Alaska (mir)
Apriamo il quadro! (attilio)
H7-25 (asdf)
Passione Elettrica (massimob)
Elettroni a spasso (guidob)
Bloguerra (guerra)










