buonasera a tutti .
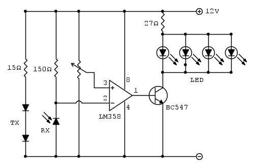
ho realizzato questo schema prendendo spunto da uno che ho trovato in rete, il circuito non è altro che un rilevatore a infrarosso, quando l'RX percepisce gli infrarossi dell'emettitore IR, l'LM358 amplifica il segnale e accende i 4 Led.
il TX è il diodo emettitore TSUS5402, l'RX è il fotodiodo TEFT4300 (ho letto che questa accoppiata è consigliata per appliccazione di questo genere)
vorrei sapere se ho calcolato bene le resistenze, se i collegamenti sono tutti giusti e infine che valore mi consigliate per la resistenza variabile?
inutile dirvi che sono alle basi con l'elettronica come potete notare.
grazie per l'attenzione.
CIrcuito con fotodiodo
Moderatori:
carloc,
g.schgor,
BrunoValente,
IsidoroKZ
0
voti
Ciao
save8!!
Consiglio di attenerti alle regole del forum, postando immagini di dimensioni adatte.
Inoltre, come nel tuo caso, gli schemi vanno fatti in FidoCadJ, in modo che possano essere eventualmente modificati dagli utenti che ti aiuteranno.
Altra cosa, per il prossimo thread che aprirai, usa un titolo più esplicativo, e non troppo generico, in modo da poter ritrovare il thread (tramite la barra di ricerca) in modo più veloce.
Consiglio di attenerti alle regole del forum, postando immagini di dimensioni adatte.
Inoltre, come nel tuo caso, gli schemi vanno fatti in FidoCadJ, in modo che possano essere eventualmente modificati dagli utenti che ti aiuteranno.
Altra cosa, per il prossimo thread che aprirai, usa un titolo più esplicativo, e non troppo generico, in modo da poter ritrovare il thread (tramite la barra di ricerca) in modo più veloce.
0
voti
In teoria hai collegato male i LED sul collettore, gli hai collegati in parallelo piuttosto che in serie.
Nella pratica probabilmente funzionano benissimo, ma teoricamente non dovresti collegare i diodi in parallelo perché anche se sono tutti dello stesso modello presentano delle caratteristiche leggermente diverse fra loro e questo fa si che ognuno venga attraversato da una corrente di valore differente. Quindi alcuni di essi potrebbero assorbire una corrente anche superiore al massimo valore consigliato e ciò ne accorcerebbe la vita.
Quindi se hai a cuore la loro longevità ti consiglio di metterli in serie!
Calcolare il valore ottimale della VR1 tramite calcoli sarebbe difficile.
Ti consiglio di fare delle prove empiriche provando diverse VR1 fino a che non trovi il valore adatto che ti consente di operare, con un range comodo, attorno alla soglia desiderata, questo è il metodo più accurato e divertente
Se volessi trovarlo coi calcoli dovresti conoscere il flusso luminoso emesso dai TX, come esso vari in funzione della distanza e dell'angolo che scegli, qual è il valore di microcorrente risultante generata dal fotodiodo...e addio!!
A presto e buon divertimento!
Nella pratica probabilmente funzionano benissimo, ma teoricamente non dovresti collegare i diodi in parallelo perché anche se sono tutti dello stesso modello presentano delle caratteristiche leggermente diverse fra loro e questo fa si che ognuno venga attraversato da una corrente di valore differente. Quindi alcuni di essi potrebbero assorbire una corrente anche superiore al massimo valore consigliato e ciò ne accorcerebbe la vita.
Quindi se hai a cuore la loro longevità ti consiglio di metterli in serie!

Calcolare il valore ottimale della VR1 tramite calcoli sarebbe difficile.
Ti consiglio di fare delle prove empiriche provando diverse VR1 fino a che non trovi il valore adatto che ti consente di operare, con un range comodo, attorno alla soglia desiderata, questo è il metodo più accurato e divertente
Se volessi trovarlo coi calcoli dovresti conoscere il flusso luminoso emesso dai TX, come esso vari in funzione della distanza e dell'angolo che scegli, qual è il valore di microcorrente risultante generata dal fotodiodo...e addio!!
A presto e buon divertimento!

0
voti
Tricka90 ha scritto:In teoria hai collegato male i LED sul collettore, gli hai collegati in parallelo piuttosto che in serie.
In serie li potra' mettere solo sa avra' la tensione disponibile; per un buon funzionamento e' sufficiente che ogni led abbia la propria resistenza di limitazione invece che una unica per tutti.
Per eventuali modifiche aspettiamo comunque lo schema in FidoCadj.
marco
0
voti
ok,grazie a tutti intanto, ho fatto lo schema in FidoCadJ ma non riesco ad allegarlo
0
voti
0
voti
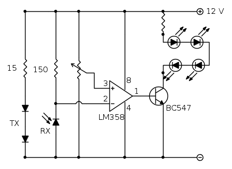
Ecco, io ti consigliavo di mettere i LED in serie così:
Come precisa giustamente
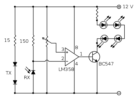
marco438 questo lo puoi fare solo se la somma delle tensioni richieste dai LED non supera i 12V che hai a disposizione. In alternativa puoi collegarli in parallelo con una R ciascuno, così:
Stai però attento che se adotti quest'ultima configurazione la corrente che attraversa il BC547 rischia di avvicinarsi al suo valore massimo che, come da datasheet, è di 100mA: http://datasheet.octopart.com/BC547-Fairchild-datasheet-7074.pdf
Non so che LED stai usando ma non andare oltre la ventina di milliAmpere per ciascuno!

Come precisa giustamente
Stai però attento che se adotti quest'ultima configurazione la corrente che attraversa il BC547 rischia di avvicinarsi al suo valore massimo che, come da datasheet, è di 100mA: http://datasheet.octopart.com/BC547-Fairchild-datasheet-7074.pdf
Non so che LED stai usando ma non andare oltre la ventina di milliAmpere per ciascuno!

Ultima modifica di
Tricka90 il 11 nov 2013, 21:24, modificato 1 volta in totale.
0
voti
Scusa
save8 ma vorrei capire meglio lo scopo di questo circuito; cosi' come lo hai disegnato e ammesso che funzioni, i quattro led dovrebbero accendersi, tutti insieme, una volta data tensione al circuito.
Ora, se si tratta di un esercizio per meglio conoscere i fotodiodi e gli operazionali, ben venga ma lo stesso risultato lo puoi ottenere con qualche resistenza senza scomodare tanti componenti.
Ora, se si tratta di un esercizio per meglio conoscere i fotodiodi e gli operazionali, ben venga ma lo stesso risultato lo puoi ottenere con qualche resistenza senza scomodare tanti componenti.
marco
0
voti
i led sono ad alta luminosità da 3V 20mA.
lo scopo del circuito come ho detto nel primo posto non è altro che un sensore a infrarosso, quando i raggi dell'emettitore infrarosso (sullo schema "TX") percepiscono/incontrano un'ostacolo,rimbalzano su di esso e colpiscono il fotodiodo (sullo schema "RX") e si accendono i 4 Led.
non funziona cosi?
lo scopo del circuito come ho detto nel primo posto non è altro che un sensore a infrarosso, quando i raggi dell'emettitore infrarosso (sullo schema "TX") percepiscono/incontrano un'ostacolo,rimbalzano su di esso e colpiscono il fotodiodo (sullo schema "RX") e si accendono i 4 Led.
non funziona cosi?
Chi c’è in linea
Visitano il forum: Nessuno e 152 ospiti

Elettrotecnica e non solo (admin)
Un gatto tra gli elettroni (IsidoroKZ)
Esperienza e simulazioni (g.schgor)
Moleskine di un idraulico (RenzoDF)
Il Blog di ElectroYou (webmaster)
Idee microcontrollate (TardoFreak)
PICcoli grandi PICMicro (Paolino)
Il blog elettrico di carloc (carloc)
DirtEYblooog (dirtydeeds)
Di tutto... un po' (jordan20)
AK47 (lillo)
Esperienze elettroniche (marco438)
Telecomunicazioni musicali (clavicordo)
Automazione ed Elettronica (gustavo)
Direttive per la sicurezza (ErnestoCappelletti)
EYnfo dall'Alaska (mir)
Apriamo il quadro! (attilio)
H7-25 (asdf)
Passione Elettrica (massimob)
Elettroni a spasso (guidob)
Bloguerra (guerra)









