ma non credo di avere ancora le idee molto chiare
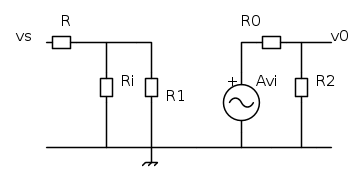
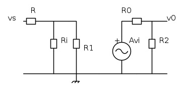
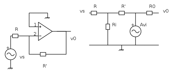
Prendo come riferimento l'amplificatore invertente e il suo circuito equivalente come sono riportati sulle mie dispense
Le caratteristiche di un OPA ideale, come riportato dall'articolo sono le seguenti
- Amplificazione infinita
- Impedenza di ingresso infinita
- Impedenza d'uscita 0
- Larghezza di banda infinita:
Queste caratteristiche sono conseguenza del fatto che un amplificatore operazionale è in genere costruito da vari stadi, ma in tutti i casi il primo stadio è un ingresso di tipo differenziale e l'ultimo stadio è un inseguitore di tensione
Il motivo per cui i due ingressi si trovano alla stessa tensione è dovuto alla retroazione negativa e all'effetto Miller. Posso disegnare il circuito equivalente nel seguente modo
Con


Quindi
ed 
(
ed
generalmente sono due parametri presenti nel Datasheets dell'amplificatore?)(la cortocircuitazione dei due ingressi è solo virtuale!!! Da alcune parti ho visto modellizzare nel seguente modo
che non ha senso!?
)
Ora, nel momento in cui io applico il segnale che voglio amplificare, si generano due correnti che chiamiamo
e
che idealmente dovrebbero essere uguali, e corrispondono alle correnti di base dei due transistor d'ingresso. Si potrebbe esplicitare il verso della corrente nel seguente modo? ringrazio in anticipo chiunque riesca ad intrufolarsi nei miei pensieri contorti

Elettrotecnica e non solo (admin)
Un gatto tra gli elettroni (IsidoroKZ)
Esperienza e simulazioni (g.schgor)
Moleskine di un idraulico (RenzoDF)
Il Blog di ElectroYou (webmaster)
Idee microcontrollate (TardoFreak)
PICcoli grandi PICMicro (Paolino)
Il blog elettrico di carloc (carloc)
DirtEYblooog (dirtydeeds)
Di tutto... un po' (jordan20)
AK47 (lillo)
Esperienze elettroniche (marco438)
Telecomunicazioni musicali (clavicordo)
Automazione ed Elettronica (gustavo)
Direttive per la sicurezza (ErnestoCappelletti)
EYnfo dall'Alaska (mir)
Apriamo il quadro! (attilio)
H7-25 (asdf)
Passione Elettrica (massimob)
Elettroni a spasso (guidob)
Bloguerra (guerra)





instead of
(Anonimo).
ain't
, right?
in lieu of
.
for
arithm.

nella figura (compresa l'operazione di sottrazione tra i due segnali
e
) e la rete di retroazione del sistema come il blocco
, quindi
(scusate ma non so come inserire i simboli nel testo, ogni aiuto è ben gradito..
e
, allora risulta
.
se l'amplificatore ha guadagno
.







