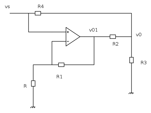
Suggerisco un paio di altri modi per fare il calcolo che chiedi. Comincia a disegnare il circuito in questo modo (ho splittato i nomi delle resistenze uguali)
Allora considerando che sulle due

c'e` la stessa tensione e quindi scorre la stessa corrente, puoi scrivere subito che la corrente in

e` uguale a quella in

in parallelo a

, corrente che ho indicato come

da cui puoi ricavare il valore della tensione sui morsetti dell'amplificatore

La corrente che scorre in

, con il segno che hai indicato, vale quindi

Il vantaggio e` che i conti sono "piu` vicini" al circuito, puoi sembre verificare che siano significativi.
L'altro metodo (fra i tanti possibili) si basa sul trovare l'equivalente Norton ai capi di

. Perche' proprio questo equivalente? Perche' sto barando, so gia` che cosa voglio trovare. Pero` e` un metodo che puo` essere utile in molti casi...
Il circuito di cui trovare l'equivalente e` questo
Si comincia con la corrente di cortocircuito

in funzione di

Il circuito di riferimento e` questo
In questo caso

e quindi

. Le correnti nelle due

sono uguali perche' sono sottoposte alla stessa tensione e quindi anche

L'impedenza di uscita viene calcolata mettendo un generatore di tensione di prova

e calcolando la corrente

che esce dal generatore. In realta` si sta calcolando l'ammettenza, ma un reciproco lo si sa fare! Bisogna anche ricordarsi di annullare la tensione di ingresso. Il circuito di riferimento e` questo
La corrente attraverso

vale

La corrente che scorre verso destra attraverso

e` uguale a quella attraverso

e considerando che la tensione dell'ingresso invertente

insegue quella dell'ingresso non invertente

si ha quindi

.
La corrente complessiva attraverso il generatore di prova vale in definitiva

cioe` l'impedenza di uscita e` infinita!
Il circuito e` un generatore di corrente e qualsiasi sia il valore di

la corrente che la attraverso e` sempre

, sempre che l'operazionale non saturi.