Piccolo dubbio
Moderatori:
g.schgor,
IsidoroKZ
11 messaggi
• Pagina 1 di 2 • 1, 2
0
voti
[1] Piccolo dubbio
Buongiorno ragazzi, mi chiedevo: può un circuito del secondo ordine contenente due condensatori, avere un modello di stato le cui derivate delle variabili di stato vC1 e vC2 non dipendono dall'unico ingresso (generatore indipendente) presente nel circuito ma solo dalle variabili di stato stesse?
0
voti
L'unico caso che mi viene in mente in questo momento implica che i due condensatori siano di fatto sempre scarichi non essendoci modo per caricarli, proprio perché indipendenti dal generatore.
Ma questo tuo dubbio è legato alla risoluzione di un circuito? Puoi mostrarcelo?
Ma questo tuo dubbio è legato alla risoluzione di un circuito? Puoi mostrarcelo?
0
voti
Ciao! Provo a rispondere..
Considerando un generico sistema dinamico con variabili di stato come nel tuo caso, allora esso si può descrivere attraverso due generici sistemi di equazioni differenziali detti "equazione di stato" e "equazione di uscita"
(equazione di stato)
(equazione di uscita)
dove
,
,
e
sono generalmente delle matrici mentre
rappresenta il vettore delle variabili di stato,
il vettore degli ingressi e
il vettore contenente l'uscita.
Con questa considerazione alla domanda
risponderei sicuramente di si anche se poi mi chiederei se il circuito in questione sia "intelligente" dato che di solito l'energia che arriva dall'ingresso viene immagazzinata proprio nelle variabili di stato...
PS: Spero di non aver detto cavolate.. Altrimenti correggetemi pure, ovviamente!
Considerando un generico sistema dinamico con variabili di stato come nel tuo caso, allora esso si può descrivere attraverso due generici sistemi di equazioni differenziali detti "equazione di stato" e "equazione di uscita"
(equazione di stato)
(equazione di uscita)dove
,
,
e
sono generalmente delle matrici mentre
rappresenta il vettore delle variabili di stato,
il vettore degli ingressi e
il vettore contenente l'uscita.Con questa considerazione alla domanda
Arya89 ha scritto:può un circuito del secondo ordine contenente due condensatori, avere un modello di stato le cui derivate delle variabili di stato vC1 e vC2 non dipendono dall'unico ingresso (generatore indipendente) presente nel circuito ma solo dalle variabili di stato stesse?
risponderei sicuramente di si anche se poi mi chiederei se il circuito in questione sia "intelligente" dato che di solito l'energia che arriva dall'ingresso viene immagazzinata proprio nelle variabili di stato...
PS: Spero di non aver detto cavolate.. Altrimenti correggetemi pure, ovviamente!
0
voti
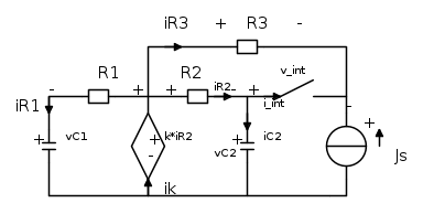
Il circuito è il seguente
Le cui equazioni di kirchhoff sono le seguenti:
LKT




LKC



le derivate di vC1 e vC2 mi vengono dipendenti solo da vC1 e vC2 e non dall'ingresso, sbaglio qualcosa o procedo bene? Ovviamente sto nel caso t>0 ossia l'interruttore è aperto
Le cui equazioni di kirchhoff sono le seguenti:
LKT




LKC



le derivate di vC1 e vC2 mi vengono dipendenti solo da vC1 e vC2 e non dall'ingresso, sbaglio qualcosa o procedo bene? Ovviamente sto nel caso t>0 ossia l'interruttore è aperto
0
voti
Il generatore pilotato è di tensione o di corrente?
Inoltre se l'interruttore è aperto a meno che tu non sia proprio interessato alla tensione sull'interruttore eviterei di scriverla nelle equazioni KVL
Inoltre se l'interruttore è aperto a meno che tu non sia proprio interessato alla tensione sull'interruttore eviterei di scriverla nelle equazioni KVL
3
voti
Arya89 ha scritto:... le derivate di vC1 e vC2 mi vengono dipendenti solo da vC1 e vC2 e non dall'ingresso, sbaglio qualcosa o procedo bene? Ovviamente sto nel caso t>0 ossia l'interruttore è aperto
Non sbagli, a interruttore aperto, sia la corrente in C1 sia quella in C2 sono imposte dal generatore di tensione dipendente che, avendo come grandezza pilota la corrente in R2, ovvero la corrente in C2 non verrà ad essere influenzato dalla corrente forzata dal GIC

sostanzialmente l'anello costituito dal generatore dipendente, da R2 e da C2 avrà un regime autonomo rispetto al resto della rete, regime che si estenderà anche al ramo R1 C1 che è sottoposto alla stessa differenza di potenziale imposta dal CCVS

BTW ad ogni modo non capisco questo doppio post sullo stesso problema; come ben sai non sono ammessi duplicati.
"Il circuito ha sempre ragione" (Luigi Malesani)
0
voti
Quindi le due variabili di stato risultano indipendenti dall'ingresso Js? Allora nella costruzione del modello di stato ottengo che la matrice B è pari a 0?
Procedendo in questo modo ottengo anche che vC1 e vC2 sono pari a 0...
ps Renzo nell'altro post il problema era differente, solo il circuito è lo stesso, avrei dovuto scrivere comunque lì? Mi scuso per l'errore...
Procedendo in questo modo ottengo anche che vC1 e vC2 sono pari a 0...
ps Renzo nell'altro post il problema era differente, solo il circuito è lo stesso, avrei dovuto scrivere comunque lì? Mi scuso per l'errore...
0
voti
Arya89 ha scritto:Quindi le due variabili di stato risultano indipendenti dall'ingresso Js? Allora nella costruzione del modello di stato ottengo che la matrice B è pari a 0? ...
Si, con interruttore aperto.
Arya89 ha scritto: Procedendo in questo modo ottengo anche che vC1 e vC2 sono pari a 0...
Se intendi dire che le due funzioni del tempo vC(t) sono identicamente nulle per t > 0, spiegaci perché.
"Il circuito ha sempre ragione" (Luigi Malesani)
0
voti
E' questo il punto non ne so dare una motivazione altrimenti il risultato non mi avrebbe sorpreso
Io avevo pensato che, essendo il regime stazionario, il condensatore dovesse comportarsi come un'aperto e quindi la sua corrente dovesse essere nulla e dunque la sua tensione costante, ma ovviamente mi sbaglio... 
11 messaggi
• Pagina 1 di 2 • 1, 2
Torna a Elettrotecnica generale
Chi c’è in linea
Visitano il forum: Nessuno e 74 ospiti

Elettrotecnica e non solo (admin)
Un gatto tra gli elettroni (IsidoroKZ)
Esperienza e simulazioni (g.schgor)
Moleskine di un idraulico (RenzoDF)
Il Blog di ElectroYou (webmaster)
Idee microcontrollate (TardoFreak)
PICcoli grandi PICMicro (Paolino)
Il blog elettrico di carloc (carloc)
DirtEYblooog (dirtydeeds)
Di tutto... un po' (jordan20)
AK47 (lillo)
Esperienze elettroniche (marco438)
Telecomunicazioni musicali (clavicordo)
Automazione ed Elettronica (gustavo)
Direttive per la sicurezza (ErnestoCappelletti)
EYnfo dall'Alaska (mir)
Apriamo il quadro! (attilio)
H7-25 (asdf)
Passione Elettrica (massimob)
Elettroni a spasso (guidob)
Bloguerra (guerra)






