Cos'è ElectroYou | Login Iscriviti

ElectroYou - la comunità dei professionisti del mondo elettrico

Consiglio emettitore e ricevitore infrared

Elettronica lineare e digitale: didattica ed applicazioni

Moderatori: Foto Utentecarloc, Foto Utenteg.schgor, Foto UtenteBrunoValente, Foto UtenteIsidoroKZ

1
voti

[41] Re: Consiglio emettitore e ricevitore infrared

Messaggioda Foto Utentedavidde » 30 nov 2013, 21:15

Prego :-) !

Quattro stilo alcaline in serie danno in uscita una tensione massima di 6V. Anche se è alta (ed è il caso di abbassarla) non dovrebbe bruciare l'integrato, nel datasheet viene indicata una tensione massima di 6V.

Prima di sostituirlo si può vedere se è realmente rotto.

Hai un tester?
Sopra il Tsop è riportata una sigla?

Se poi hai voglia di spiegarci per bene cosa vorresti fare probabilmente riusciremmo a darti consigli più utili...
Avatar utente
Foto Utentedavidde
13,3k 4 9 12
G.Master EY
G.Master EY
 
Messaggi: 4026
Iscritto il: 2 ago 2007, 11:40
Località: Bologna

0
voti

[42] Re: Consiglio emettitore e ricevitore infrared

Messaggioda Foto Utenteerrym » 30 nov 2013, 23:47

Il mio intento è quello di creare un semplice bersaglio.
Ogni volta che arriva il segnale al ricevitore il led si deve illuminare per un attimo.
Il circuito che ho provato a ricreare con il ne555 era anche troppo complesso in quanto il led rimaneva acceso per 5 secondi... ma a me sinceramente mi basta che il led faccia un piccolo lampeggio.
Mi puoi anche consigliare con cosa alimentare il circuito oppure inserire qualcosa per abbassare il tensione.

Di tester sono munito.
Il tsop non ce l'ho sotto mano, appena posso scrivo il codice.
Avatar utente
Foto Utenteerrym
0 2
 
Messaggi: 8
Iscritto il: 29 nov 2013, 15:01

1
voti

[43] Re: Consiglio emettitore e ricevitore infrared

Messaggioda Foto Utentedavidde » 1 dic 2013, 14:53

Se utilizzi lo schema senza il 555 puoi alimentare con tre stilo senza nessuno stabilizzatore di tensione tanto il Tsop funziona fino a 2,7V che equivale ad una tensione per elemento di 0,9V, in pratica batterie completamente scariche. Se poi vuoi montare anche il 555 te ne serve uno in versione cmos (ad esempio LMC555 o equivalente) che funziona fino a 1,5V.

Per testare il Tsop alimentalo con tre stilo, poi predisponi il tester per una misura in DC (fondo scala 20V) . A questo punto metti li puntale nero sul pin di gnd del Tsop e al pin di out colleghi il puntale rosso. In assenza di segnale devi misurare una tensione prossima a quella di alimentazione mentre quando stai inviando il segnale la tensione deve scendere a un valore prossimo a 0V.
Avatar utente
Foto Utentedavidde
13,3k 4 9 12
G.Master EY
G.Master EY
 
Messaggi: 4026
Iscritto il: 2 ago 2007, 11:40
Località: Bologna

0
voti

[44] Re: Consiglio emettitore e ricevitore infrared

Messaggioda Foto Utenteerrym » 1 dic 2013, 17:19

Grazie appena posso provo a vedere se il tsop è ancora vivo. Comunque lunedì me ne dovrebbero arrivare altri 2.
Il tuo circuito sembra molto più semplice da realizzare e quindi volevo provare ad utilizzare quello. Il 555 lo lascio stare che alla fine mi complica solo la vita :roll: .
Avatar utente
Foto Utenteerrym
0 2
 
Messaggi: 8
Iscritto il: 29 nov 2013, 15:01

0
voti

[45] Re: Consiglio emettitore e ricevitore infrared

Messaggioda Foto Utenteerrym » 4 dic 2013, 14:32

Sono riuscito ad assemblare il tutto con un ricevitore funzionante. Il circuito funziona bene :ok:.
Ci sono comunque ancora alcune domande che volevo fareti:
-usando 3 stilo e quindi 4,5v il led non si illumina molto, cambiando una resistenza si potrebbe intensificare la luminosità? oppure esistono led differenti che vogliono meno energia, nel caso sapresti indicarmeli?
-per far restare acceso qualche decimo di secondo in più il led andrebbe bene mettere un condensatore?
-per mettere 5 circuiti di questo tipo alimentati da un unica fonte cosa dovrei fare?
-come potrei fare per aggiungere un buzzer che suoni quando arriva il segnale insieme all'accensione del led?

Scusami le tante domande ma non ho idea di come funzionino i vari componenti... l'unica cosa che so fare è saldare :roll:.
Avatar utente
Foto Utenteerrym
0 2
 
Messaggi: 8
Iscritto il: 29 nov 2013, 15:01

1
voti

[46] Re: Consiglio emettitore e ricevitore infrared

Messaggioda Foto Utentedavidde » 5 dic 2013, 10:23

:ok: ...

errym ha scritto:- usando 3 stilo e quindi 4,5 V il LED non si illumina molto, cambiando una resistenza si potrebbe intensificare la luminosità? oppure esistono LED differenti che vogliono meno energia, nel caso sapresti indicarmeli?


Si, puoi ridurre il valore della resistenza da 330ohm, io non scenderei sotto ai 150ohm. Se poi non dovesse bastare cerchiamo il led più adatto. Non so di che colore hai scelto il led, comunque considera che a parità di condizioni l'occhio umano è più sensibile al verde poi il giallo e infine il rosso.

errym ha scritto:- per mettere 5 circuiti di questo tipo alimentati da un unica fonte cosa dovrei fare?


Basta che li colleghi in parallelo allo stesso pacco batterie. Puoi stimare il consumo medio di quel circuito intorno ai 15mAh (e siamo già stati piuttosto larghi) quindi cinque circuiti avrebbero un consumo medio di 75mAh. Se scegli tre stilo AA con capacità di 2300mAh (tipo queste) ti ritrovi un autonomia superiore alle 25 ore.

errym ha scritto:- per far restare acceso qualche decimo di secondo in più il LED andrebbe bene mettere un condensatore?
- come potrei fare per aggiungere un buzzer che suoni quando arriva il segnale insieme all'accensione del LED?


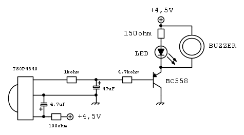
Per quanto riguarda il buzzer non ci sono problemi, devi solo sceglierne un modello che funzioni fino a 3V con driver integrato (tipo questo).
Per aumentare la durata dell'impulso luminoso si può fare anche con una condensatore ma è un mezzo ripiego, devi quindi valutare e sistemare in pratica il circuito sotto:



Il problema è che così costruito il circuito non è del tipo "a scatto" ma il transistor entra ed esce lentamente dalla zona di conduzione, questo in pratica si traduce con una luce che si accende e si spegne lentamente; quanto lentamente dipende dal valore del condensatore (da 47µF) e dal valore delle resistenze ad esso collegate. Non abbassare sotto al kohm il valore della resistenza in ingresso al Tsop altrimenti rischi di bruciargli il transistor interno.

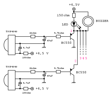
Se per i 5 circuiti ti basta un led e un buzzer puoi costruirli identici fino al transistor BC558 poi collegarli in parallelo (sugli emettitori):



Fammi sapere :-) ...
Avatar utente
Foto Utentedavidde
13,3k 4 9 12
G.Master EY
G.Master EY
 
Messaggi: 4026
Iscritto il: 2 ago 2007, 11:40
Località: Bologna

0
voti

[47] Re: Consiglio emettitore e ricevitore infrared

Messaggioda Foto Utenteerrym » 5 dic 2013, 14:31

:shock: Che efficienza!!
Grazie mille!!
Ho comprato un led ad alta luminosità, con la resistenza da 330ohm non si accende neanche ora provo come mi hai suggerito con quella da 150ohm più led "normale".

Più tardi vedo di montare anche il secondo condensatore.
Ti tengo aggiornato.
Grazie ancora :ok:
Avatar utente
Foto Utenteerrym
0 2
 
Messaggi: 8
Iscritto il: 29 nov 2013, 15:01

0
voti

[48] Re: Consiglio emettitore e ricevitore infrared

Messaggioda Foto Utenteerrym » 5 dic 2013, 17:30

Il led era al contrario :roll: ...
Avatar utente
Foto Utenteerrym
0 2
 
Messaggi: 8
Iscritto il: 29 nov 2013, 15:01

0
voti

[49] Re: Consiglio emettitore e ricevitore infrared

Messaggioda Foto Utenteerrym » 6 dic 2013, 20:25

Ho provato il nuovo circuito.
Già con il led ad alta luminosità si vede molto meglio ( a parte quando illuminato direttamente dal sole )
la resistenza da 150ohm per il led lo fa brillare molto di più, speriamo che duri...
Con il condensatore per far "prolunagare" laccensione del led sono un po' perplesso. Con un singolo impulso il led non raggiunge la massima luminosità mentre già con due impulsi ravvicinati il risultato è buono.
Per aumentare ulteriormente la visibilita proverò ad inserire un paio di led in più.
Avatar utente
Foto Utenteerrym
0 2
 
Messaggi: 8
Iscritto il: 29 nov 2013, 15:01

Precedente

Torna a Elettronica generale

Chi c’è in linea

Visitano il forum: Nessuno e 119 ospiti