Reti di polarizzazione BJT
Moderatori:
carloc,
g.schgor,
BrunoValente,
IsidoroKZ
0
voti
IsidoroKZ ha scritto:Non lo capisco, puoi fare uno schema di come dici di fare?
eh...rischiosissimo perché sono al lavoro e non ho un gran chè di tempo per pensarci bene...ma accetto la sfida :D
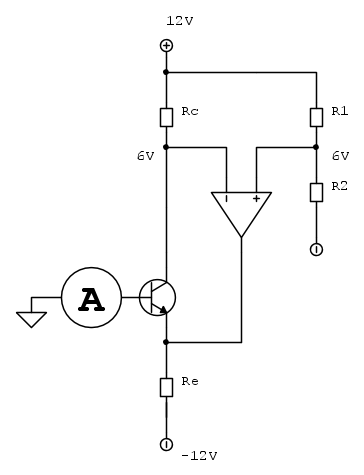
l'opa fissa la Ic a 6/Rc, la Vce a 6 + 0,6, il transistor si adatta con la Ib giusta.
_______________________________________________________
Gli oscillatori non oscillano mai, gli amplificatori invece sempre
Io HO i poteri della supermucca, e ne vado fiero!
Gli oscillatori non oscillano mai, gli amplificatori invece sempre
Io HO i poteri della supermucca, e ne vado fiero!
5
voti
Non stai iniettando una corrente in collettore, piloti la giunzione base emettitore per ottenere la corrente che vuoi ottenere in collettore. Non mi sembra quanto avevi detto nel messaggio [29].
Il circuito cosi` come e` disegnato e` instabile, il base comune guadagna e anche parecchio. Se noti e` lo stesso circuito dell'amplificatore logaritmico, che ha noti problemi di stabilita`
Il circuito cosi` come e` disegnato e` instabile, il base comune guadagna e anche parecchio. Se noti e` lo stesso circuito dell'amplificatore logaritmico, che ha noti problemi di stabilita`
Per usare proficuamente un simulatore, bisogna sapere molta più elettronica di lui
Plug it in - it works better!
Il 555 sta all'elettronica come Arduino all'informatica! (entrambi loro malgrado)
Se volete risposte rispondete a tutte le mie domande
Plug it in - it works better!
Il 555 sta all'elettronica come Arduino all'informatica! (entrambi loro malgrado)
Se volete risposte rispondete a tutte le mie domande
0
voti
certo che è instabile, infatti è buttato già alla meno peggio.
Ma era questo che intendevo...qui fisso la Ic e ottengo una Ib, se moduli l'ingresso "+" dell'opa hai l'uscita sulla Ib. Che poi questo in particolare non serva a niente, sono d'accordo. comunque ora credo di aver capito perché non ci capivamo, "iniettare" è il verbo sbagliato, fissare quello giusto...così concordi?
Ma era questo che intendevo...qui fisso la Ic e ottengo una Ib, se moduli l'ingresso "+" dell'opa hai l'uscita sulla Ib. Che poi questo in particolare non serva a niente, sono d'accordo. comunque ora credo di aver capito perché non ci capivamo, "iniettare" è il verbo sbagliato, fissare quello giusto...così concordi?
_______________________________________________________
Gli oscillatori non oscillano mai, gli amplificatori invece sempre
Io HO i poteri della supermucca, e ne vado fiero!
Gli oscillatori non oscillano mai, gli amplificatori invece sempre
Io HO i poteri della supermucca, e ne vado fiero!
0
voti
obiuan ha scritto:certo che è instabile, infatti è buttato già alla meno peggio.
Ma era questo che intendevo...qui fisso la Ic e ottengo una Ib, se moduli l'ingresso "+" dell'opa hai l'uscita sulla Ib. Che poi questo in particolare non serva a niente, sono d'accordo. comunque ora credo di aver capito perché non ci capivamo, "iniettare" è il verbo sbagliato, fissare quello giusto...così concordi?
anche se rileggendo:
obiuan ha scritto:...Gli fissi Ic e Vce, lui si polarizzerà con la Ib necessaria a raggiungere la stabilità.
in realtà l'avevo scritto :P
_______________________________________________________
Gli oscillatori non oscillano mai, gli amplificatori invece sempre
Io HO i poteri della supermucca, e ne vado fiero!
Gli oscillatori non oscillano mai, gli amplificatori invece sempre
Io HO i poteri della supermucca, e ne vado fiero!
7
voti
Appunto, proprio cosi`: secondo me non stavi iniettando una corrente nel collettore, e neppure fissavi la Vce: quello che fai e` di pilotare la
e questa tensione controlla la corrente di collettore, con l'unica espressione affidabile del transistor
(ho trascurato il -1), e questa relazione vale per molte decadi di corrente (anche fino a 9).
Dato che sei anche un insegnante, e` meglio usare i termini corretti perche' altrimenti gli studenti rischiano di capire cose strane (e credo ci riescano benissimo anche quando la spiegazione e` ineccepibile).
Ti faccio vedere che cosa potrebbe capire uno studente non troppo brillante (e lo so perfettamente perche' io sono uno di quelli). Iniettare una corrente in un dispositivo vuol dire collegare un generatore di corrente al dispositivo, che non sembre funziona.
Sempre dal messaggio [29] dici
Da questa frase capisco una cosa del genere
Da notare che se sostituisci alla resistenza un generatore di corrente che eroga la stessa corrente, la tensione la impone il resto del circuito, non il generatore. Ma invocando l'effetto Early ci puo` stare.
Quello che non va e` il passaggio al terzo circuito: fai variare la corrente del generatore e cambia la corrente di base, attenuata di 1/beta o qualcosa del genere. Questo ovviamente non va proprio bene.
A proposito dell'instabilita`, il guadagno di quello stadio a transistore intorno all'operazionale e` dalle parti di 47dB, piu` che sufficienti a mandare in instabilita` qualunque op amp. Nota che per trovare il guadagno non serve sapere il beta del transistore o altri parametri! Pero` non mi pare sia un risultato ovvio.
e questa tensione controlla la corrente di collettore, con l'unica espressione affidabile del transistor
(ho trascurato il -1), e questa relazione vale per molte decadi di corrente (anche fino a 9).
Dato che sei anche un insegnante, e` meglio usare i termini corretti perche' altrimenti gli studenti rischiano di capire cose strane (e credo ci riescano benissimo anche quando la spiegazione e` ineccepibile).
Ti faccio vedere che cosa potrebbe capire uno studente non troppo brillante (e lo so perfettamente perche' io sono uno di quelli). Iniettare una corrente in un dispositivo vuol dire collegare un generatore di corrente al dispositivo, che non sembre funziona.
Sempre dal messaggio [29] dici
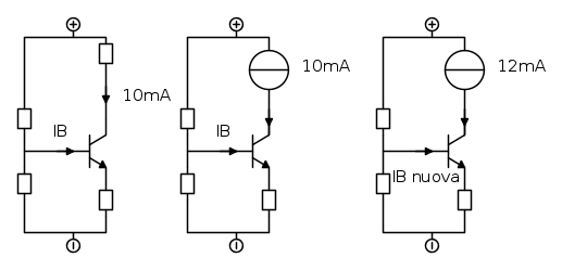
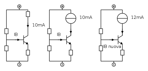
Se polarizzo un BJT in modo convenzionale per ottenere IC = 10mA, per esempio, e poi sostituisco alla Rc un generatore di corrente con la stessa caduta e la stessa corrente ottengo la stessa Ib di prima, non può essere altrimenti. Quindi se poi faccio variare la Ic del generatore, ottengo un segnale di corrente attenuato sulla Ib.
Da questa frase capisco una cosa del genere
Da notare che se sostituisci alla resistenza un generatore di corrente che eroga la stessa corrente, la tensione la impone il resto del circuito, non il generatore. Ma invocando l'effetto Early ci puo` stare.
Quello che non va e` il passaggio al terzo circuito: fai variare la corrente del generatore e cambia la corrente di base, attenuata di 1/beta o qualcosa del genere. Questo ovviamente non va proprio bene.
A proposito dell'instabilita`, il guadagno di quello stadio a transistore intorno all'operazionale e` dalle parti di 47dB, piu` che sufficienti a mandare in instabilita` qualunque op amp. Nota che per trovare il guadagno non serve sapere il beta del transistore o altri parametri! Pero` non mi pare sia un risultato ovvio.
Per usare proficuamente un simulatore, bisogna sapere molta più elettronica di lui
Plug it in - it works better!
Il 555 sta all'elettronica come Arduino all'informatica! (entrambi loro malgrado)
Se volete risposte rispondete a tutte le mie domande
Plug it in - it works better!
Il 555 sta all'elettronica come Arduino all'informatica! (entrambi loro malgrado)
Se volete risposte rispondete a tutte le mie domande
-3
voti
IsidoroKZ ha scritto:Appunto, proprio cosi`: secondo me non stavi iniettando una corrente nel collettore, e neppure fissavi la Vce: quello che fai e` di pilotare lae questa tensione controlla la corrente di collettore, con l'unica espressione affidabile del transistor
![]()
(ho trascurato il -1), e questa relazione vale per molte decadi di corrente (anche fino a 9).
oh signùr! fisso la Vce, fisso la Ic, quel transistor è obbligato a funzionare con la Vce e la Ic che decide l'opa, quindi sono fisse, NON le decide lui. Certo che è proprio difficile dire "ah ecco, hai ragione"!
d'altra parte, l'unica espressione affidabile del transistor, è invertibile e quindi mette in relazione Vbe con Ic tanto quanto Ic con Vbe. Che era il mio punto originale: dove sta scritto che Ic non può essere l'ingresso e Vbe l'uscita?
Ne vuoi un'altra?

che guarda un po' è anche

quindi, se fisso Ic, fisso Ib. Che è quello che ho detto dall'inizio. Che non richiedeva tutte queste incredibili dissertazioni sull'aria fritta.
IsidoroKZ ha scritto:Dato che sei anche un insegnante, e` meglio usare i termini corretti perche' altrimenti gli studenti rischiano di capire cose strane (e credo ci riescano benissimo anche quando la spiegazione e` ineccepibile).
[...]
Ti posso assicurare che nessuno dei miei studenti si è mai lamentato. E ti invito anche a lasciar perdere commenti di questo genere, che trovo poco rispettosi.
A proposito dell'instabilita`, il guadagno di quello stadio a transistore intorno all'operazionale e` dalle parti di 47dB, piu` che sufficienti a mandare in instabilita` qualunque op amp. Nota che per trovare il guadagno non serve sapere il beta del transistore o altri parametri! Pero` non mi pare sia un risultato ovvio.
E' ovvio a occhio e non serve calcolare niente per capire che quel circuito rischia l'instabilità, e come ho detto l'ho buttato giù in un attimo per spiegare il mio punto. E come ho detto era una cosa rischiosissima, visto che ero certo ci potesse essere un'inesattezza ed ero altrettanto certo che se ci fosse stata, l'avresti notata (perché sei bravo e hai tempo), e l'avresti contestata. Ti ho buttato già uno schema a caso che fissasse Vce e Ic, e tu mi rispondi che è instabile...e io ti dico chissenefrega, è un buon esempio per quello che dicevo. Come tu abbia calcolato quel 47d
_______________________________________________________
Gli oscillatori non oscillano mai, gli amplificatori invece sempre
Io HO i poteri della supermucca, e ne vado fiero!
Gli oscillatori non oscillano mai, gli amplificatori invece sempre
Io HO i poteri della supermucca, e ne vado fiero!
2
voti
Forse bisognerebbe andare piu' a fondo nel modello da considerare, nel senso, invertire le formule e decidere parimenti cosa è ingresso e cosa è uscita, richiede che il funzionamento del dispositivo sia ancora valido per quella formula derivata essenzialmente in modo matematico.
Penso che un'analisi con un modello piu' dettagliato potrebbe aiutare a dissertare meglio cio' che stai cercando di dimostrare.
Non prendere quello che dice IsidoroKZ come una sfida, primo perché non lo è, secondo perché è una battaglia persa per la maggior parte dei comuni mortali, insegnanti inclusi
Penso che un'analisi con un modello piu' dettagliato potrebbe aiutare a dissertare meglio cio' che stai cercando di dimostrare.
Non prendere quello che dice IsidoroKZ come una sfida, primo perché non lo è, secondo perché è una battaglia persa per la maggior parte dei comuni mortali, insegnanti inclusi
-

rusty
4.075 2 9 11 - Utente disattivato per decisione dell'amministrazione proprietaria del sito
- Messaggi: 1578
- Iscritto il: 25 gen 2009, 13:10
8
voti
Non posso dire hai ragione perche' secondo me hai detto un po' di cose sbagliate. Iniettare una corrente nel collettore ammetterai che non e` proprio una frase felice. Anzi e` una fesseria bella e buona
Quello che fai e` controllare la VBE per far scorrere la corrente che ti serve. Preferisco tenere d'occhio il fatto che il transistor viene comandato dalla giunzione BE (vedere Ebers Moll).
La relazione con il beta e` una buona approssimazione, ma non la si usa mai nei progetti, se non per valutare la corrente massima di base. Il beta dipende troppo dalla VCE, dalla IC, dalla temperatura e da come e` venuto il transistor e dalle sevizie che ha subito, per poterla usare affidabilmente nel progetto di un circuito.
Per quanto riguarda i tuoi studenti o il tuo lavoro, potresti considerare che ascoltare le opinioni altrui, ancorche' non qualificate come la mia, potrebbe migliorare la tua attivita`. Sicuramente non e` da me che puoi imparare, ma vale come suggerimento generale (e la cosa e` autocontraddittoria
). Ad esempio non scartare a priori i 47dB di guadagno del tuo circuito: potrebbe essere una buona domanda per i tuoi studenti piu` bravi!
Ad esempio dalla chiaccherata sulle batterie in parallelo ho imparato da te alcune cose che potrebbero venirmi utili in futuro.
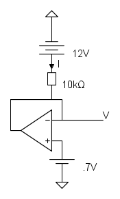
Provo ancora a spiegare il mio punto sull'ingresso del collettore. Considera questo circuito, che e` una modellazione lineare di un transistore idealizzato connesso a diodo
La corrente iniettata I va nell'uscita dell'operazionale e l'ingresso invertente (che segue quello non invertente) e` alla tensione di 0.7V. Potresti dire che la corrente iniettata attraverso la resistenza genera quella tensione, e va bene finche' parli del bipolo. Ma quando passi a parlare dell'operazionale, e qui si stava parlando di transistori con ingresso sul collettore, mi pare che non si possa dire che il morsetto invertente e` l'uscita dell'amplificatore e la connessione a sinistra e` l'ingresso dell'amplificatore. La connessione a sinistra e` dove entra la corrente, ma l'amplificatore e` comandato dai morsetti invertente e non invertente. E` solo una questione di punto di vista, ma secondo me e` importante.
Un conto e` dire che la corrente entra nel collettore, un altro e` dire che il collettore e` un ingresso del transistor. Allora nello stesso circuito, con un PNP il collettore diventa una uscita?
Pero` devo ammettere che non ho tutta la tua qualificazione, ci ripensero` su ancora e sono sicuro che avro` qualcosa da imparare.
Grazie
La relazione con il beta e` una buona approssimazione, ma non la si usa mai nei progetti, se non per valutare la corrente massima di base. Il beta dipende troppo dalla VCE, dalla IC, dalla temperatura e da come e` venuto il transistor e dalle sevizie che ha subito, per poterla usare affidabilmente nel progetto di un circuito.
Per quanto riguarda i tuoi studenti o il tuo lavoro, potresti considerare che ascoltare le opinioni altrui, ancorche' non qualificate come la mia, potrebbe migliorare la tua attivita`. Sicuramente non e` da me che puoi imparare, ma vale come suggerimento generale (e la cosa e` autocontraddittoria
Ad esempio dalla chiaccherata sulle batterie in parallelo ho imparato da te alcune cose che potrebbero venirmi utili in futuro.
Provo ancora a spiegare il mio punto sull'ingresso del collettore. Considera questo circuito, che e` una modellazione lineare di un transistore idealizzato connesso a diodo
La corrente iniettata I va nell'uscita dell'operazionale e l'ingresso invertente (che segue quello non invertente) e` alla tensione di 0.7V. Potresti dire che la corrente iniettata attraverso la resistenza genera quella tensione, e va bene finche' parli del bipolo. Ma quando passi a parlare dell'operazionale, e qui si stava parlando di transistori con ingresso sul collettore, mi pare che non si possa dire che il morsetto invertente e` l'uscita dell'amplificatore e la connessione a sinistra e` l'ingresso dell'amplificatore. La connessione a sinistra e` dove entra la corrente, ma l'amplificatore e` comandato dai morsetti invertente e non invertente. E` solo una questione di punto di vista, ma secondo me e` importante.
Un conto e` dire che la corrente entra nel collettore, un altro e` dire che il collettore e` un ingresso del transistor. Allora nello stesso circuito, con un PNP il collettore diventa una uscita?
Pero` devo ammettere che non ho tutta la tua qualificazione, ci ripensero` su ancora e sono sicuro che avro` qualcosa da imparare.
Grazie
Per usare proficuamente un simulatore, bisogna sapere molta più elettronica di lui
Plug it in - it works better!
Il 555 sta all'elettronica come Arduino all'informatica! (entrambi loro malgrado)
Se volete risposte rispondete a tutte le mie domande
Plug it in - it works better!
Il 555 sta all'elettronica come Arduino all'informatica! (entrambi loro malgrado)
Se volete risposte rispondete a tutte le mie domande
1
voti
Ho scatenato una diatriba ?
Volevo tornare un attimo al problema della polarizzazione .
Ho letto sul millman e poi sul sedra e dicono una cosa leggermente diversa .
Sul millman che polarizzare vuol dire rendere indipendente la Ic dalle caratteristiche del transistor, betaF e variazione temperatura .
Sul sedra inizialmente parla di Ic e poi mi cerca di rendere insensibile la Ie dalla varie variazioni ..
Come mai questa cosa ?
Volevo tornare un attimo al problema della polarizzazione .
Ho letto sul millman e poi sul sedra e dicono una cosa leggermente diversa .
Sul millman che polarizzare vuol dire rendere indipendente la Ic dalle caratteristiche del transistor, betaF e variazione temperatura .
Sul sedra inizialmente parla di Ic e poi mi cerca di rendere insensibile la Ie dalla varie variazioni ..
Come mai questa cosa ?
Chi c’è in linea
Visitano il forum: Nessuno e 40 ospiti

Elettrotecnica e non solo (admin)
Un gatto tra gli elettroni (IsidoroKZ)
Esperienza e simulazioni (g.schgor)
Moleskine di un idraulico (RenzoDF)
Il Blog di ElectroYou (webmaster)
Idee microcontrollate (TardoFreak)
PICcoli grandi PICMicro (Paolino)
Il blog elettrico di carloc (carloc)
DirtEYblooog (dirtydeeds)
Di tutto... un po' (jordan20)
AK47 (lillo)
Esperienze elettroniche (marco438)
Telecomunicazioni musicali (clavicordo)
Automazione ed Elettronica (gustavo)
Direttive per la sicurezza (ErnestoCappelletti)
EYnfo dall'Alaska (mir)
Apriamo il quadro! (attilio)
H7-25 (asdf)
Passione Elettrica (massimob)
Elettroni a spasso (guidob)
Bloguerra (guerra)








