Salve ragazzi :)
Oggi io e un mio collega siamo rimasti perplessi nella risoluzione di questo esercizio
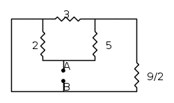
Che chiede di trovare la Req rispetto ai due morsetti A e B, la soluzione è 1,546 ohm.
Per come ho riflettuto io quello che mi lascia perplesso è la situazione tra la resistenza da 2 ohm e quella da 5 ohm, secondo la mia opinione dovrebbe essere in parallelo e successivamente in parallelo di nuovo con la resistenza da 3 ohm. Infine il risultato della resistenza sarà in serie con la quella da 9/2... sta di fatto che il risultato non viene. Dove sbaglio? Non riesco a capire in questa situazione chi è in serie e chi è in parallelo :S
Resistenza equivalente di un circuito
Moderatori:
g.schgor,
IsidoroKZ
5 messaggi
• Pagina 1 di 1
0
voti
4
voti
Ridisegnati il circuito in modo che ti sia più chiaro, per esempio così:
It's a sin to write
instead of
(Anonimo).
...'cos you know that
ain't
, right?
You won't get a sexy tan if you write
in lieu of
.
Take a log for a fireplace, but don't take
for
arithm.
instead of
(Anonimo)....'cos you know that
ain't
, right?You won't get a sexy tan if you write
in lieu of
.Take a log for a fireplace, but don't take
for
arithm.-

DirtyDeeds
55,9k 7 11 13 - G.Master EY

- Messaggi: 7012
- Iscritto il: 13 apr 2010, 16:13
- Località: Somewhere in nowhere
0
voti
Grazie mille per la risposta, purtroppo non sono molto ferrato nel ridisegnare il circuito ...mi eserciterò :)
1
voti
Non è solo questione di ridisegnare, te l'hanno appena fatto vedere da un ottica diversa, piu' semplicemente risolvibile.
Come vedi la 9/2 e la 3 sono in parallelo, questo parallelo è in serie alla 5, e tutto questo è in parallelo ancora con la 2. Riesci ora a fare il calcolo?
Come vedi la 9/2 e la 3 sono in parallelo, questo parallelo è in serie alla 5, e tutto questo è in parallelo ancora con la 2. Riesci ora a fare il calcolo?
-

rusty
4.075 2 9 11 - Utente disattivato per decisione dell'amministrazione proprietaria del sito
- Messaggi: 1578
- Iscritto il: 25 gen 2009, 13:10
4
voti
Nel dubbio, comincia con l'etichettare tutti i nodi del circuito. Quello in [1] ha tre nodi:
A e B erano già etichettati, il terzo l'ho chiamato C, in rosso. A e B sono i terminali tra cui misurare la resistenza equivalente: disegnali a subito a sinistra su un nuovo foglio.
Poi chiediti chi c'è collegato tra le coppie di nodi AB, AC e BC, e piano piano aggiungi al nuovo disegno gli elementi compresi tra ciascuna coppia di nodi.
A e B erano già etichettati, il terzo l'ho chiamato C, in rosso. A e B sono i terminali tra cui misurare la resistenza equivalente: disegnali a subito a sinistra su un nuovo foglio.
Poi chiediti chi c'è collegato tra le coppie di nodi AB, AC e BC, e piano piano aggiungi al nuovo disegno gli elementi compresi tra ciascuna coppia di nodi.
It's a sin to write
instead of
(Anonimo).
...'cos you know that
ain't
, right?
You won't get a sexy tan if you write
in lieu of
.
Take a log for a fireplace, but don't take
for
arithm.
instead of
(Anonimo)....'cos you know that
ain't
, right?You won't get a sexy tan if you write
in lieu of
.Take a log for a fireplace, but don't take
for
arithm.-

DirtyDeeds
55,9k 7 11 13 - G.Master EY

- Messaggi: 7012
- Iscritto il: 13 apr 2010, 16:13
- Località: Somewhere in nowhere
5 messaggi
• Pagina 1 di 1
Torna a Elettrotecnica generale
Chi c’è in linea
Visitano il forum: Nessuno e 23 ospiti

Elettrotecnica e non solo (admin)
Un gatto tra gli elettroni (IsidoroKZ)
Esperienza e simulazioni (g.schgor)
Moleskine di un idraulico (RenzoDF)
Il Blog di ElectroYou (webmaster)
Idee microcontrollate (TardoFreak)
PICcoli grandi PICMicro (Paolino)
Il blog elettrico di carloc (carloc)
DirtEYblooog (dirtydeeds)
Di tutto... un po' (jordan20)
AK47 (lillo)
Esperienze elettroniche (marco438)
Telecomunicazioni musicali (clavicordo)
Automazione ed Elettronica (gustavo)
Direttive per la sicurezza (ErnestoCappelletti)
EYnfo dall'Alaska (mir)
Apriamo il quadro! (attilio)
H7-25 (asdf)
Passione Elettrica (massimob)
Elettroni a spasso (guidob)
Bloguerra (guerra)



