Ho dubbi, ahimè sulla dicitura ed eventuali passaggi, quindi correggete dove ho sbagliato ma sopratutto se avete da segnalarmi ulteriori alternative di risoluzione!
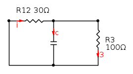
Il circuito in figura e in regime stazionario per t < 0. Il generatore si spegne all'istante t = 0. Determinare la tensione ai capi del condensatore in ogni istante di tempo.
per t<0
Il circuito è in regime stazionario.Inizio con il semplificare:
![\[R_{12}=R_{1}//R_{2}= 30\Omega\] \[R_{12}=R_{1}//R_{2}= 30\Omega\]](/forum/latexrender/pictures/16bbed0769540f101e76430f9f0737eb.png)
Calcolo direttamente la tensione lungo C attraverso il partitore.
![\[V_{C}= e\frac{R_{3}}{R_{3}+R_{12}}= 7.692V\] \[V_{C}= e\frac{R_{3}}{R_{3}+R_{12}}= 7.692V\]](/forum/latexrender/pictures/3ce0244392e2f5507d76a9a02ec44403.png)
Solo per verifica uso le equazioni:
sintetizzo all'ultima stringa:
per t=0
Ricavo
utilizzando le conduttanze:![\[R_{eq}=G_{12}+G_{3}=0.043\] \[R_{eq}=G_{12}+G_{3}=0.043\]](/forum/latexrender/pictures/e156a2f7e13bed07e116f2c3fedc7bf8.png)
risulterà ancora
![\[V_{C}(0)=7.692V\] \[V_{C}(0)=7.692V\]](/forum/latexrender/pictures/24845bb010f7eafb33a2bd66319f8267.png)
per t>0
Visto che e(t)=0
![\[V_{\infty }=V_{C}(0)e^{-\frac{R_{eq}}{C}}\Rightarrow 7.962^{-0.043t}\] \[V_{\infty }=V_{C}(0)e^{-\frac{R_{eq}}{C}}\Rightarrow 7.962^{-0.043t}\]](/forum/latexrender/pictures/cebd5b2a6c954e0858c90df1e9303c85.png)
![\[V_{C}(t)=7.692+7.692e^{-0.043}\] \[V_{C}(t)=7.692+7.692e^{-0.043}\]](/forum/latexrender/pictures/a9b85f217bd3ac5adf45668fca2922b1.png)
Le equazioni sono le stesse
per calcolare A impongo:
7.692=A
A VOI SEGNALAZIONI ERRORI, CONSIGLI! GRAZIE


Elettrotecnica e non solo (admin)
Un gatto tra gli elettroni (IsidoroKZ)
Esperienza e simulazioni (g.schgor)
Moleskine di un idraulico (RenzoDF)
Il Blog di ElectroYou (webmaster)
Idee microcontrollate (TardoFreak)
PICcoli grandi PICMicro (Paolino)
Il blog elettrico di carloc (carloc)
DirtEYblooog (dirtydeeds)
Di tutto... un po' (jordan20)
AK47 (lillo)
Esperienze elettroniche (marco438)
Telecomunicazioni musicali (clavicordo)
Automazione ed Elettronica (gustavo)
Direttive per la sicurezza (ErnestoCappelletti)
EYnfo dall'Alaska (mir)
Apriamo il quadro! (attilio)
H7-25 (asdf)
Passione Elettrica (massimob)
Elettroni a spasso (guidob)
Bloguerra (guerra)

![\[\begin{cases} & \ e=V_{12}+V_{C} \\ & \ i= i_{C}+i_{3} \\ & \ V_{C}=V_{3} \end{cases}\] \[\begin{cases} & \ e=V_{12}+V_{C} \\ & \ i= i_{C}+i_{3} \\ & \ V_{C}=V_{3} \end{cases}\]](/forum/latexrender/pictures/741484e741ba9c5e12598277ddbc5bbc.png)
![\[R_{12}C\frac{\mathrm{d} v_{C}}{\mathrm{d} t}+\left (\frac{R_{12}}{R_{3}}+1 \right )V_{C}=e\] \[R_{12}C\frac{\mathrm{d} v_{C}}{\mathrm{d} t}+\left (\frac{R_{12}}{R_{3}}+1 \right )V_{C}=e\]](/forum/latexrender/pictures/7f84b47385159c3fbfc0d1c0334ccf44.png)
![\[30\frac{\mathrm{d} v_{C}}{\mathrm{d} t}+\left (\frac{30}{100}+1 \right )V_{C}=10\] \[30\frac{\mathrm{d} v_{C}}{\mathrm{d} t}+\left (\frac{30}{100}+1 \right )V_{C}=10\]](/forum/latexrender/pictures/167138fd8bc0d8d6597e323e2702c82b.png)
![\[\lambda =-0.043\] \[\lambda =-0.043\]](/forum/latexrender/pictures/cc4de9c3fdbe552f061d2f0afd0e05af.png)
![\[y_{oV_{C}}=Ae^{-0.043t}\] \[y_{oV_{C}}=Ae^{-0.043t}\]](/forum/latexrender/pictures/29fc9afad00decc757da3affaae71e64.png)
![\[y_{pV_{C}}\Rightarrow 1.3B=10\Rightarrow B=7.692\] \[y_{pV_{C}}\Rightarrow 1.3B=10\Rightarrow B=7.692\]](/forum/latexrender/pictures/53e54993daa23457c7784278da5a9084.png)
![\[y_{pV_{C}}=Ae^{-0.043t}+7.692\] \[y_{pV_{C}}=Ae^{-0.043t}+7.692\]](/forum/latexrender/pictures/28d0f283c9ae3931bad2df8cb9f07d26.png)


![\[y_{pV_{C}}=Ae^{-0.043t}\] \[y_{pV_{C}}=Ae^{-0.043t}\]](/forum/latexrender/pictures/eedfc51cb7cc1136d9bf498049483967.png)

![\[V_{C}(t)=7.692+7.692e^{-0.043t}\] \[V_{C}(t)=7.692+7.692e^{-0.043t}\]](/forum/latexrender/pictures/fce15af6adad875526fa0c0810689cdf.png)




![\[V_{C }(\infty)=0\] \[V_{C }(\infty)=0\]](/forum/latexrender/pictures/fdd386162900ffdd6c96b3dd07f8e43c.png)
![{{V}_{C}}(t)=[{{V}_{C}}(0)-{{V}_{C}}(\infty )]{{e}^{-\frac{t}{\tau }}}+{{V}_{C}}(\infty ) {{V}_{C}}(t)=[{{V}_{C}}(0)-{{V}_{C}}(\infty )]{{e}^{-\frac{t}{\tau }}}+{{V}_{C}}(\infty )](/forum/latexrender/pictures/cc91567c29642509e53097986335ef37.png)
intendiamo la stessa cosa?