Cos'è ElectroYou | Login Iscriviti

ElectroYou - la comunità dei professionisti del mondo elettrico

Accensione led a tempo

Elettronica lineare e digitale: didattica ed applicazioni

Moderatori: Foto Utentecarloc, Foto Utenteg.schgor, Foto UtenteBrunoValente, Foto UtenteIsidoroKZ

1
voti

[11] Re: Accensione LED a tempo

Messaggioda Foto Utentemarco438 » 17 dic 2013, 9:02

MavKtr ha scritto:Quindi ti servirà una resistenza da 120 ohm per ogni serie di tre LED.

Considerato che i led verranno montati in auto e collegati alla batteria, io metterei resistenze da 150 o 180 ohm; la tensione infatti puo' facilmente raggiungere i 14V.
marco
Avatar utente
Foto Utentemarco438
37,1k 7 11 13
-EY Legend-
-EY Legend-
 
Messaggi: 16323
Iscritto il: 24 mar 2010, 15:09
Località: Versilia

0
voti

[12] Re: Accensione LED a tempo

Messaggioda Foto Utentechristianvari » 17 dic 2013, 10:35

Ok grazie per la spiegazione. Per farli andare a tempo come posso fare invece?
Avatar utente
Foto Utentechristianvari
0 2
 
Messaggi: 8
Iscritto il: 16 dic 2013, 19:18

0
voti

[13] Re: Accensione LED a tempo

Messaggioda Foto Utentemarco438 » 17 dic 2013, 12:29

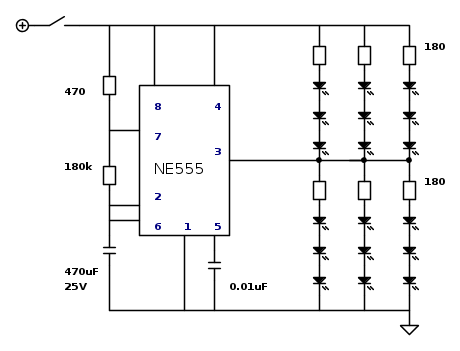
Di seguito hai lo schema richiesto; tieni pero' presente che questo schema vale se le serie di led sono limitate e non mi pare che tu abbia ancora detto quanti led in totale intendi usare.


Con l'interruttore (in alto a sinistra) si accende un ramo dei led (la parte superiore) e resta acceso per circa un minuto; quindi il ramo superiore si spenge e si accende (per lo stesso tempo) quello inferiore.
Specifica il numero dei led da impiegare, se sono molti il circuito va cambiato.
marco
Avatar utente
Foto Utentemarco438
37,1k 7 11 13
-EY Legend-
-EY Legend-
 
Messaggi: 16323
Iscritto il: 24 mar 2010, 15:09
Località: Versilia

0
voti

[14] Re: Accensione LED a tempo

Messaggioda Foto Utentechristianvari » 17 dic 2013, 12:35

Grazie, i led sono in un ramo 15 serie e nell'altro sono 4 serie
Avatar utente
Foto Utentechristianvari
0 2
 
Messaggi: 8
Iscritto il: 16 dic 2013, 19:18

1
voti

[15] Re: Accensione LED a tempo

Messaggioda Foto Utentemarco438 » 17 dic 2013, 12:42

Se avrai occasione di ripetere richieste sul forum, sei pregato di comunicare - fin dal primo post - quali sono tutte le tue richieste; questo per evitare - come in questo caso - di far perdere tempo a chi cerca di aiutarti.
Questo perche', se tu avessi detto subito quanti erano i led, mi sarei evitato di perdere un quarto d'ora a disegnare uno schema che non va bene per il tuo caso.
Quel circuito infatti puo' andare bene per un massimo di sette/otto serie per ramo; quindi, se non puoi modificare in tal senso, bisogna ricorrere ad un'altra soluzione ma, al momento, non ho il tempo per farlo.
O_/
marco
Avatar utente
Foto Utentemarco438
37,1k 7 11 13
-EY Legend-
-EY Legend-
 
Messaggi: 16323
Iscritto il: 24 mar 2010, 15:09
Località: Versilia

0
voti

[16] Re: Accensione LED a tempo

Messaggioda Foto UtenteMavKtr » 17 dic 2013, 14:07

marco438 ha scritto:Considerato che i LED verranno montati in auto e collegati alla batteria, io metterei resistenze da 150 o 180 ohm

Uh... vero! :ok: Mi era sfuggito che l'alimentazione arrivasse da una batteria per automobili... :oops:

Foto Utentechristianvari, sarebbe meglio specificare se ti servono 15 serie nel primo ramo e 4 nel secondo o viceversa.
Avatar utente
Foto UtenteMavKtr
855 1 4 6
Expert
Expert
 
Messaggi: 734
Iscritto il: 3 mar 2012, 7:23

0
voti

[17] Re: Accensione LED a tempo

Messaggioda Foto Utentechristianvari » 17 dic 2013, 22:50

Scusatemi se non vi ho dato tutti i dati all'inizio... Comunque si 15 nel primo ramo e 4 nel secondo. Comunque anche se i led sono alimentati da un a batteria da 12 volt da auto la batterianon é montata in una macchina ma la uso solo come alimentatore.
Avatar utente
Foto Utentechristianvari
0 2
 
Messaggi: 8
Iscritto il: 16 dic 2013, 19:18

Precedente

Torna a Elettronica generale

Chi c’è in linea

Visitano il forum: Nessuno e 121 ospiti