Cos'è ElectroYou | Login Iscriviti

ElectroYou - la comunità dei professionisti del mondo elettrico

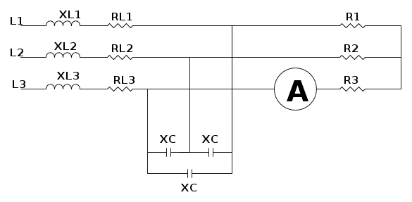
Sistema trifase

Circuiti, campi elettromagnetici e teoria delle linee di trasmissione e distribuzione dell’energia elettrica

Moderatori: Foto Utenteg.schgor, Foto UtenteIsidoroKZ

0
voti

[1] Sistema trifase

Messaggioda Foto Utentenilla92 » 12 dic 2013, 13:56



Salve ragazzi mi potete aiutare cortesemente?
Come dati ho la lettura dell'amperometro e il valore di tutti i componenti e devo ricavare la tensione stellata dei generatori e la potenza complessa della sezione 1-2-3
Ora visto che ho la lettura dell'amperometro posso ricavare la potenza attiva dei resistori che è P=3RI^2 (che corrisponde anche al mudulo della potenza apparente) e la potenza reattiva è nulla
quindi dalla formula I={S \over\sqrt{3}} \times E ricavo la tensione stellata che poi è la stessa anche per le impedenze capacitive a valle
la potenza attiva dei condensatori è nulla mentre la reattiva è Q_C= -3E^2/X_C
Poi sfrutto l'additività delle potenze e ho P12 e Q12
Ma fila questo ragionamento?
Avatar utente
Foto Utentenilla92
6 3
 
Messaggi: 46
Iscritto il: 28 nov 2013, 15:31

2
voti

[2] Re: Sistema trifase

Messaggioda Foto Utentenunziato » 12 dic 2013, 16:24

nilla92 ha scritto: la potenza attiva dei resistori che è P=3RI^2

Si.
nilla92 ha scritto:la potenza attiva dei condensatori è nulla mentre la reattiva è Q_C= -3E^2/X_C

Si.
Nella sezione 1' 2' 3'

la potenza attiva dei due carichi precedentemente detti è pari a quello del carico resistivo mentre quella reattiva è pari a quella del carico capacitivo pertanto S'= P+jQ
la tensione stellata (E) alla sezione 1' 2' 3' è calcolabile dal valore di corrente misurato dall'amperometro (I) e dal valore della reistenza E=R \cdot I da qui la concatenata (V): V=\sqrt{3}E
Allora essendo P=\sqrt{3}V I' cos \varphi e Q=\sqrt{3}V I' sen \varphi è possibile ricavare il modulo della corrente I' circolante a monte della sezione 1' 2' 3'da qui le c.d.t sulle impedenze R_L+j X_L e la potenza complessa di questa da cui è possibile ottenere la potenza complessa totale alla sezione 1 2 3 .

Sperando di esser stato d'aiuto.
Avatar utente
Foto Utentenunziato
4.291 3 9 12
Master EY
Master EY
 
Messaggi: 531
Iscritto il: 14 dic 2012, 23:14
Località: Acri (CS) - Polistena (RC)

0
voti

[3] Re: Sistema trifase

Messaggioda Foto Utentenilla92 » 16 dic 2013, 10:43

Scusami se rispondo solo ora ma ho avuto problemi di linea..
la tensione stellata (E) alla sezione 1' 2' 3' è calcolabile dal valore di corrente misurato dall'amperometro (I) e dal valore della reistenza E=R \cdot I da qui la concatenata (V): V=\sqrt{3}E


quindi la I=S_R/radical 3 E dove poi la potenza complessa sarebbe la potenza reattiva sui resistori ?
Avatar utente
Foto Utentenilla92
6 3
 
Messaggi: 46
Iscritto il: 28 nov 2013, 15:31

1
voti

[4] Re: Sistema trifase

Messaggioda Foto Utentenunziato » 16 dic 2013, 12:22

nilla92 ha scritto: ... dove poi la potenza complessa sarebbe la potenza reattiva sui resistori ?

Sui resistiori non c'è Potenza reattiva (parte immaginaria) ma solo potenza attiva (parte reale) quindi sui resistori la potenza complessa coincide con quella attiva.
Inoltre si dovrebbe avere I= \frac{S}{\sqrt{3}V} con V il modulo della tensione concatenata, in alternativa I= \frac{S}{3 E} con E il modulo della tensione stellata.
Avatar utente
Foto Utentenunziato
4.291 3 9 12
Master EY
Master EY
 
Messaggi: 531
Iscritto il: 14 dic 2012, 23:14
Località: Acri (CS) - Polistena (RC)

0
voti

[5] Re: Sistema trifase

Messaggioda Foto Utentenilla92 » 17 dic 2013, 16:50

Non riesco a capire dov'è che sbaglio... io ho questi dati
R=0.12 kohm R_L= X_L=3 ohm 
x_C=90ohm  I_A=5A e devo determinare la tensione stellata sui generatori e il la potenza complessa del carico 1,2,3

Faccio così:
P_R= 3RI_A^2 che è uguale alla potenza apparente del carico R visto che la reattiva è nulla
poi mi ricavo la stellata E=S_R/ 3I_A= 0.6kV
Q_C=-3 E^2/X_C= -0.012kVAr che è anche la potenza apparente visto che l'attiva è nulla

da qui ricavo la potenza apparente S' che è uguale alla radice quadrata delle due potenze apparenti al quadrato e mi trovo 9 kVA

poi ricavo la corrente I'=S'/3E= 5 A
P_R= 3R_LI'^2=225 W
Q_R=3X_LI'^2=225

sbaglio qualcosa?

ma poi come faccio a calcolare la potenza complessa?
Avatar utente
Foto Utentenilla92
6 3
 
Messaggi: 46
Iscritto il: 28 nov 2013, 15:31

0
voti

[6] Re: Sistema trifase

Messaggioda Foto Utentenunziato » 17 dic 2013, 21:28

nilla92 ha scritto:P_R= 3RI_A^2 che è uguale alla potenza apparente del carico R visto che la reattiva è nulla
poi mi ricavo la stellata E=S_R/ 3I_A= 0.6kV

Va bene.
nilla92 ha scritto:Q_C=-3 E^2/X_C= -0.012kVAr

NO!
Il carico Capacitivo è collegato a triangolo quindi la tensione applicata al singolo condensatore non è la stellata bensì la concatenata, ossia V=\sqrt{3}E
Quindi Q_C=-3 V ^2/X_C
Dopo di che (alla sezione 1', 2', 3') la potenza attiva totale sarà la somma delle potenze attive, e la reattiva totale la somma algebrice delle reattive. Essendo il carico resistivo a potenza reattiva nulla e quello capacitivo a potenza attiva nulla si avrà che S'=P_R-jQ_C che è la potenza complessa alla sezione sudetta.
il modulo di questa, sarà la potenza apparente che perrmetterà il calcolo della corrente di linea circolante alla sezione 1', 2', 3'.
Avatar utente
Foto Utentenunziato
4.291 3 9 12
Master EY
Master EY
 
Messaggi: 531
Iscritto il: 14 dic 2012, 23:14
Località: Acri (CS) - Polistena (RC)

0
voti

[7] Re: Sistema trifase

Messaggioda Foto Utentenilla92 » 18 dic 2013, 10:13

ok ho corretto la tensione ma alla fine mi viene comunque la stessa cosa perché cambia di poco...una volta trovata la corrente I' la potenza nel carico ohmico induttivo la trovo facendo P=3R_LI'^2?? e la Q_R lo stesso cambiando solo X2 ??
perché se è così continuo a mom trovarmi :(
Avatar utente
Foto Utentenilla92
6 3
 
Messaggi: 46
Iscritto il: 28 nov 2013, 15:31

0
voti

[8] Re: Sistema trifase

Messaggioda Foto Utentenunziato » 18 dic 2013, 20:36

nilla92 ha scritto:ok ho corretto la tensione ma alla fine mi viene comunque la stessa cosa perché cambia di poco...

Non mi pare sia così perché la concatenata è 1,73 volte la stellata (più di una volta e mezza).
nilla92 ha scritto:facendo P=3R_LI'^2 e la Q_R lo stesso cambiando solo X_2 ?

Si.
In cosa non ti trovi?
Avatar utente
Foto Utentenunziato
4.291 3 9 12
Master EY
Master EY
 
Messaggi: 531
Iscritto il: 14 dic 2012, 23:14
Località: Acri (CS) - Polistena (RC)

0
voti

[9] Re: Sistema trifase

Messaggioda Foto Utentenilla92 » 18 dic 2013, 21:29

non mi trovo con il risultato

mi dovrebbe venire che la potenza complessa del carico 123 è S=12.83kW -j 32.18 kvar
e che E=560V
Avatar utente
Foto Utentenilla92
6 3
 
Messaggi: 46
Iscritto il: 28 nov 2013, 15:31

0
voti

[10] Re: Sistema trifase

Messaggioda Foto Utentenunziato » 18 dic 2013, 22:11

Se puoi posta tutto il procedimento che hai seguito con i calcoli
Avatar utente
Foto Utentenunziato
4.291 3 9 12
Master EY
Master EY
 
Messaggi: 531
Iscritto il: 14 dic 2012, 23:14
Località: Acri (CS) - Polistena (RC)

Prossimo

Torna a Elettrotecnica generale

Chi c’è in linea

Visitano il forum: Nessuno e 42 ospiti