Cos'è ElectroYou | Login Iscriviti

ElectroYou - la comunità dei professionisti del mondo elettrico

Sistema trifase

Circuiti, campi elettromagnetici e teoria delle linee di trasmissione e distribuzione dell’energia elettrica

Moderatori: Foto Utenteg.schgor, Foto UtenteIsidoroKZ

0
voti

[11] Re: Sistema trifase

Messaggioda Foto Utentenilla92 » 19 dic 2013, 11:50

ok...allora
questi sono i dati
R=0.12 kohm R_L= X_L=3 ohm 
x_C=90ohm  I_A=5A
Faccio così:
P_R= 3RI_A^2 che è uguale alla potenza apparente del carico R visto che la reattiva è nulla
poi mi ricavo la stellata E=S_R/ 3I_A= 0.6kV
V=sqrt(3)E=1039.2 V
Q_C=-3 V^2/X_C= -34.64 var che è anche la potenza apparente visto che l'attiva è nulla

da qui ricavo la potenza complessa S'=9-j0.03 il cui modulo è la potenza apparente che mi viene 9KVA

poi ricavo la corrente I'=S'/sqrt(3)V= 5 A
P_R= 3R_LI'^2=225 W
Q_R=3X_LI'^2=225
S_RL= 225+j225
e niente ora sommando tutte le potenze complesse non mi trovo con il risultato e nemmeno con quella E
Avatar utente
Foto Utentenilla92
6 3
 
Messaggi: 46
Iscritto il: 28 nov 2013, 15:31

0
voti

[12] Re: Sistema trifase

Messaggioda Foto Utentenunziato » 19 dic 2013, 14:48

nilla92 ha scritto:Q_C=-3 V^2/X_C= -34.64 var

Attenzione: Qc= -34.64 kvar e non var e da qui S'= 9-j34,64 kVA il cui modulo è circa 36 kVA.
Avatar utente
Foto Utentenunziato
4.291 3 9 12
Master EY
Master EY
 
Messaggi: 531
Iscritto il: 14 dic 2012, 23:14
Località: Acri (CS) - Polistena (RC)

0
voti

[13] Re: Sistema trifase

Messaggioda Foto Utentenilla92 » 19 dic 2013, 14:57

ahh si ora mi trovo...ma perché?? cioè io avevo la tensione in kV e me la sono portata in volt a posta per far uscire var..perché poi QC viene di nuovo in kvar ?
Avatar utente
Foto Utentenilla92
6 3
 
Messaggi: 46
Iscritto il: 28 nov 2013, 15:31

0
voti

[14] Re: Sistema trifase

Messaggioda Foto Utentenunziato » 19 dic 2013, 18:03

A me, dai valori che mi hai fornito, viene circa -35500 var cioè -35,5 kvar che è più vicino ai tuoi 34,64 kvar
Avatar utente
Foto Utentenunziato
4.291 3 9 12
Master EY
Master EY
 
Messaggi: 531
Iscritto il: 14 dic 2012, 23:14
Località: Acri (CS) - Polistena (RC)

0
voti

[15] Re: Sistema trifase

Messaggioda Foto Utentenilla92 » 19 dic 2013, 19:55

sisi, grazie =) ti posso chiedere solo un'altra cosa??



R=20 ohm
X_C=100Kohm
W_A=4kW
W_B=10 kW
I_A=10A

dall'inserzione Aron calcolo P e Q P=14kW
Q=10.39 kvar
S_M=17.43KVA
E=S_M/3I_A=581V
Poi calcolo la corrente che passa nei condensatori I_C=S_M/3E=10A
Q_C=-3X_CI_C^2=-30KVAr=S_C
S'=S_M+S_C=14 kW -5.61kvar
S'=15.08 kvar
I_123=S'/3E=8.65
P_R=3RI^2 = 4.49=S_R
Stot= 18.49-5.61
dove sbaglio?? =( mi dovrei trovare Stot= 20 kW + 10.38 kvar
Avatar utente
Foto Utentenilla92
6 3
 
Messaggi: 46
Iscritto il: 28 nov 2013, 15:31

2
voti

[16] Re: Sistema trifase

Messaggioda Foto Utentenunziato » 19 dic 2013, 21:05

nilla92 ha scritto:Poi calcolo la corrente che passa nei condensatori I_C=S_M/3E=10A

La potenza apparente dei condensatori non è la stessa del carico quindi la relazione di sopra non è valida per il calcolo della corrente nei condensatori.
Hai, però la tensione stellata (i 518 V calcolati) sui condensatorie il valore della Xc quindi puoi calcolare la Ic dalla legge di Ohm.

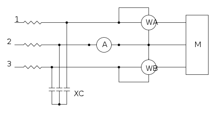
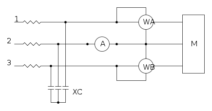
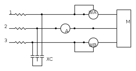
Ah forse è meglio che l'inserzione Aron la disegni così :D :
Avatar utente
Foto Utentenunziato
4.291 3 9 12
Master EY
Master EY
 
Messaggi: 531
Iscritto il: 14 dic 2012, 23:14
Località: Acri (CS) - Polistena (RC)

0
voti

[17] Re: Sistema trifase

Messaggioda Foto Utentenilla92 » 19 dic 2013, 22:05

è vero :D

quindi E=-3X_CI_C da cui ricavo IC ?
Avatar utente
Foto Utentenilla92
6 3
 
Messaggi: 46
Iscritto il: 28 nov 2013, 15:31

1
voti

[18] Re: Sistema trifase

Messaggioda Foto Utentenunziato » 19 dic 2013, 22:13

Perché quel "3"?
La singola reattanza capacitiva è, in questo caso, sottoposta alla tensione stellata (i tre condensatori sono a stella) pertanto in ogni condensatore circolerà una corrente che, in modulo, sarà dato da I_C=\frac{E}{X_C}.
Avatar utente
Foto Utentenunziato
4.291 3 9 12
Master EY
Master EY
 
Messaggi: 531
Iscritto il: 14 dic 2012, 23:14
Località: Acri (CS) - Polistena (RC)

0
voti

[19] Re: Sistema trifase

Messaggioda Foto Utentenilla92 » 19 dic 2013, 22:19

Capito...ma poi il resto ho sbagliato qualcosa...perché apportando questa modifica non mi trovo ancora
Avatar utente
Foto Utentenilla92
6 3
 
Messaggi: 46
Iscritto il: 28 nov 2013, 15:31

0
voti

[20] Re: Sistema trifase

Messaggioda Foto Utentenunziato » 19 dic 2013, 22:31

Il calcolo di Qc va bene.
Da qui: S'=\sqrt{(P_M)^2+(Q_M-Q_C)^2} (sto usando direttamente il modulo della potenza apparente).
per il calcolo della corrente totale: I=\frac{S'}{3E} ed infine: S_{tot}=\sqrt{(P_M+P_R)^2+(Q_M-Q_C)^2})
dove Pr è ricavabile dalla relazione da te scritta.
Avatar utente
Foto Utentenunziato
4.291 3 9 12
Master EY
Master EY
 
Messaggi: 531
Iscritto il: 14 dic 2012, 23:14
Località: Acri (CS) - Polistena (RC)

PrecedenteProssimo

Torna a Elettrotecnica generale

Chi c’è in linea

Visitano il forum: Nessuno e 66 ospiti