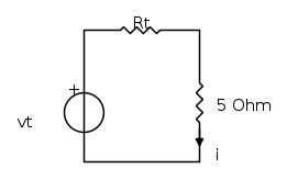
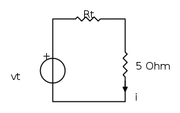
E' necessario calcolare la corrente i, utilizzando però il teorema di Thevenin. Cioè riconducendolo ad un circuito equivalente di questo genere:
Dove in questo caso si avrà
dove
e
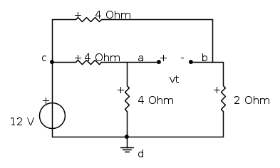
sono la tensione e la resistenza di Thevenin.Ho già provato a calcolare la vt, ma ho dei dubbi riguardanti la Rt; vi scrivo quanto fatto per trovare la tensione di Thevenin, ovvero ho utilizzato il metodo dei potenziali nodali che vi mostro qui sotto:
Dove ho messo a terra il nodo d, per cui si ha questo sistema:

In cui naturalmente
. Risolvendo il sistema mi risulta che
e
dunque
.Mi resta di trovare la Rt, nella quale basta semplicemente corto-circuitare il generatore di tensione, dunque spegnendolo.
Ma non so come calcolare la Rt, ovvero la Resistenza Equivalente in questo caso.

Elettrotecnica e non solo (admin)
Un gatto tra gli elettroni (IsidoroKZ)
Esperienza e simulazioni (g.schgor)
Moleskine di un idraulico (RenzoDF)
Il Blog di ElectroYou (webmaster)
Idee microcontrollate (TardoFreak)
PICcoli grandi PICMicro (Paolino)
Il blog elettrico di carloc (carloc)
DirtEYblooog (dirtydeeds)
Di tutto... un po' (jordan20)
AK47 (lillo)
Esperienze elettroniche (marco438)
Telecomunicazioni musicali (clavicordo)
Automazione ed Elettronica (gustavo)
Direttive per la sicurezza (ErnestoCappelletti)
EYnfo dall'Alaska (mir)
Apriamo il quadro! (attilio)
H7-25 (asdf)
Passione Elettrica (massimob)
Elettroni a spasso (guidob)
Bloguerra (guerra)














e
, la cui somma mi da vt.







e la Resistenza da 2
che poi va in serie con quella da 4 k \Omega dunque il totale è
.
quando il risultato è
. Dove ho sbagliato?
?