Alimentazione led di Potenza
Moderatore:
IsidoroKZ
43 messaggi
• Pagina 2 di 5 • 1, 2, 3, 4, 5
0
voti
La corrente la limiterei sfruttando le commutazioni e regolando il duty-cicle, quindi senza calcoli (o pochi)ma solo con sperimentazione. 
0
voti
Foggy89 ha scritto:Si anche il [7] andrebbe bene... ma che zener si potrebbe mettere tra base-emettitore? La resistenza all emettitore di che valore ? Ti ringrazio Pepito!
Erano appunto i calcoli a cui mi riferivo...
Domani se trovo il tempo mi metto a farli in modo comprensibile... bisognerebbe fare anche un minimo di analisi di sensitivity sulle tolleranze e scegliere un transistor che riesca a dissipare la potenza richiesta...
Ciao
PSQ
_-^-_-^-_-^-_-^-_-^-_-^-_-^-_-^-_-^-_-^-_-^-_-^-_-^-_-^-_
Pepito Sbazzeguti
"gratta il Pepito e troverai il Pepone"
Pepito Sbazzeguti
"gratta il Pepito e troverai il Pepone"
0
voti
Foggy89 ha scritto:La corrente la limiterei sfruttando le commutazioni e regolando il duty-cicle, quindi senza calcoli (o pochi)ma solo con sperimentazione.
Quello che vuoi fare tu non è fattibile. Regolando un duty cycle puoi variare una corrente media, ma solo che hai una corrente di picco certa. Nel tuoi caso, mentre il transistor è saturo che corrente avresti? Da cosa sarebbe limitata? Da nulla in realtà, se non dai parassiti del circuito. Quello che hai in testa tu si può fare ma con un induttore in serie ai led e con le dovute precauzioni, e quindi si torna al driver a commutazione realizzato questa volta a discreti...
Non ti basterebbe un 555 se vuoi una limitazione più o meno predicibile della corrente media, dovresti avere un feedback della corrente di picco e su quella regolare il duty.
Tra un po' ti posto i calcoli del lineare che ti proponevo, sperando che gli esperti non si scandalizzino...
Ciao
PSQ
_-^-_-^-_-^-_-^-_-^-_-^-_-^-_-^-_-^-_-^-_-^-_-^-_-^-_-^-_
Pepito Sbazzeguti
"gratta il Pepito e troverai il Pepone"
Pepito Sbazzeguti
"gratta il Pepito e troverai il Pepone"
0
voti
Io penso che, nel caso specifico, la soluzione piu' logica ( e meno costosa e complicata) sia quella delle resistenze di limitazione; poi, se vuoi regolare la luminosita', si puo' aggiungere un PWM fatto con 555 e un mosfet di adeguata potenza.
Le altre soluzioni, visto il numero dei led, le vedo piuttosto macchinose e dispendiose.
Le altre soluzioni, visto il numero dei led, le vedo piuttosto macchinose e dispendiose.
marco
0
voti
marco438 ha scritto:Io penso che, nel caso specifico, la soluzione piu' logica ( e meno costosa e complicata) sia quella delle resistenza di limitazione; poi, se vuoi regolare la luminosita', si puo' aggiungere un PWM fatto con 555 e un mosfet di adeguata potenza.
Le altre soluzioni, visto il numero dei LED, le vedo piuttosto macchinose e dispendiose.
Concordo in pieno.
Dopo posto lo stesso la soluzione lineare, giusto perché così magari qualcuno di buona volontà mi trova gli errori...
ciao
PSQ
_-^-_-^-_-^-_-^-_-^-_-^-_-^-_-^-_-^-_-^-_-^-_-^-_-^-_-^-_
Pepito Sbazzeguti
"gratta il Pepito e troverai il Pepone"
Pepito Sbazzeguti
"gratta il Pepito e troverai il Pepone"
0
voti
Dunque, propongo la mia via di progettazione del regolatore lineare che sicuramente non è ottima ma dovrebbe funzionare.
Premetto che, essendo un regolatore lineare, dissiperà potenza, inevitabilmente. Se si vuole più efficienza bisognerà andare su un driver switching, come già detto.
Sarò ben felice se qualcuno troverà eventuali cavolate e vorrà correggermi.
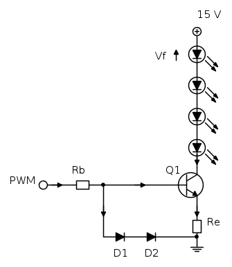
Dunque, innanzitutto non userò uno zener, perché le tensioni sono troppo piccole, sia per il fatto di non dissipare inutilmente potenza su Re che per riuscire a tenere 4 led in serie vista la tensione di alimentazione. Utilizzerò invece due diodi polarizzati direttamente.
Lo schema è il seguente:
Perdonatemi se non ho indicato le tensioni ma solo il verso delle correnti, in fidocad non ho e non ho avuto voglia di crearmi un simbolo per indicarle. Chiedo venia.
Inizio facendo delle ipotesi di massima sui valori della Vf dei led, considerandola compresa tra 2.9 V e 3.3 V. Avendo a disposizione il datasheet si potrebbe procedere con maggior precisione, soprattutto se ci fossero informazioni riguardo al binning dei led acquistati dall'OP.
Trovo quindi che le cadute massime e minime sul ramo di led sono:
e

Suppongo inizialmente che la caduta su ognuno dei due diodi D1 e D2 sia
e che il transistor Q1 abbia una
.
Definendo
la caduta di tensione su Re abbiamo che

e quindi

avendo considerato inizialmente
con
.
Controllo quanta tensione rimane per la Vce del transistor nel caso peggiore, cioè con la massima caduta sui led:

Non è moltissimo, ma non voglio nemmeno che il circuito diventi una stufa.
Controllo poi quanto dissiperebbe il transistor Q1 nel caso peggiore (con minima caduta sui led):

E' tanto, ma è un lineare.
A questo punto, avendo inquadrato il problema, posso iniziare a ragionare su componenti e valori reali.
Per Q1 scelgo un BD139-16, che per valori di corrente di collettore e dissipazione sembra andare bene. Dai grafici del suo datasheet trovo che, nelle condizioni in cui intendo farlo lavorare, ho:

e

Inoltre guardando il diagramma che traccia la SOA (Safe Operating Area) ci sono dentro.
Con in dati appena ricavati dal datasheet e normalizzando la Re ad un valore 1.5 ohm calcolo a che tensione andrà a trovarsi la base di Q1:

La corrente minima che dobbiamo garantire alla base, considerando il minimo hFE sarà

La Vb è la tensione che vede hai propri capi anche la serie D1 e D2. Come diodi possiamo scegliere dei generici 1N4148.
Dalla loro caratteristica, considerando una caduta pari a

trovo che questa corrisponde molto spannometricamente ad una corrente di poco più di 5 mA. Per sicurezza considero 10 mA.
La corrente che scorre in Rb è quindi

La caduta di tensione su Rb dovrà quindi essere

e quindi la resistenza Rb sarà

A questo punto posso ricontrollare tutto per vedere cosa è uscito da questo pastrocchio con gli ultimi valori considerati...


Questa volta non ho più trascurato il fatto che la corrente di emettitore è data da quella di collettore più quella di base, legate tra loro dall'hFE del transistor.
Ho quindi:

che considerando il valore massimo (250) e minimo (80) dell'hFE mi restituisce

e

Con una variazione di più o meno il 5 per mille al variare di hFE tra il suo valore massimo e il suo valore minimo.
Ricontrollo la potenza massima dissipata da Q1, che si ha per il massimo valore di hFE e per il minimo della caduta sui LED:

Come previsto, Q1[/b} andrà adeguatamente dissipato.
Calcolo la potenza dissipata da Re:

Un resistore da 0.5 W dovrebbe bastare.
Si può verificare che tale dissipazione rimane pressochè invariata al variare di hFE.
Calcolo ancora la potenza dissipata da [b]D1 e D2

e su Rb

Questo venga preso come un esercizio da parte mia. Correggetemi eventuali errori. Resta che per l'applicazione dell'OP probabilmente, come si diceva, una resistenza di limitazione è la cosa più economica...
Ciao
PSQ
Premetto che, essendo un regolatore lineare, dissiperà potenza, inevitabilmente. Se si vuole più efficienza bisognerà andare su un driver switching, come già detto.
Sarò ben felice se qualcuno troverà eventuali cavolate e vorrà correggermi.
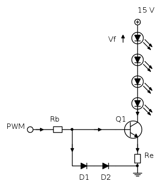
Dunque, innanzitutto non userò uno zener, perché le tensioni sono troppo piccole, sia per il fatto di non dissipare inutilmente potenza su Re che per riuscire a tenere 4 led in serie vista la tensione di alimentazione. Utilizzerò invece due diodi polarizzati direttamente.
Lo schema è il seguente:
Perdonatemi se non ho indicato le tensioni ma solo il verso delle correnti, in fidocad non ho e non ho avuto voglia di crearmi un simbolo per indicarle. Chiedo venia.
Inizio facendo delle ipotesi di massima sui valori della Vf dei led, considerandola compresa tra 2.9 V e 3.3 V. Avendo a disposizione il datasheet si potrebbe procedere con maggior precisione, soprattutto se ci fossero informazioni riguardo al binning dei led acquistati dall'OP.
Trovo quindi che le cadute massime e minime sul ramo di led sono:
e

Suppongo inizialmente che la caduta su ognuno dei due diodi D1 e D2 sia
e che il transistor Q1 abbia una
.Definendo
la caduta di tensione su Re abbiamo che
e quindi

avendo considerato inizialmente
con
.Controllo quanta tensione rimane per la Vce del transistor nel caso peggiore, cioè con la massima caduta sui led:

Non è moltissimo, ma non voglio nemmeno che il circuito diventi una stufa.
Controllo poi quanto dissiperebbe il transistor Q1 nel caso peggiore (con minima caduta sui led):

E' tanto, ma è un lineare.
A questo punto, avendo inquadrato il problema, posso iniziare a ragionare su componenti e valori reali.
Per Q1 scelgo un BD139-16, che per valori di corrente di collettore e dissipazione sembra andare bene. Dai grafici del suo datasheet trovo che, nelle condizioni in cui intendo farlo lavorare, ho:

e

Inoltre guardando il diagramma che traccia la SOA (Safe Operating Area) ci sono dentro.
Con in dati appena ricavati dal datasheet e normalizzando la Re ad un valore 1.5 ohm calcolo a che tensione andrà a trovarsi la base di Q1:

La corrente minima che dobbiamo garantire alla base, considerando il minimo hFE sarà

La Vb è la tensione che vede hai propri capi anche la serie D1 e D2. Come diodi possiamo scegliere dei generici 1N4148.
Dalla loro caratteristica, considerando una caduta pari a

trovo che questa corrisponde molto spannometricamente ad una corrente di poco più di 5 mA. Per sicurezza considero 10 mA.
La corrente che scorre in Rb è quindi

La caduta di tensione su Rb dovrà quindi essere

e quindi la resistenza Rb sarà

A questo punto posso ricontrollare tutto per vedere cosa è uscito da questo pastrocchio con gli ultimi valori considerati...


Questa volta non ho più trascurato il fatto che la corrente di emettitore è data da quella di collettore più quella di base, legate tra loro dall'hFE del transistor.
Ho quindi:

che considerando il valore massimo (250) e minimo (80) dell'hFE mi restituisce

e

Con una variazione di più o meno il 5 per mille al variare di hFE tra il suo valore massimo e il suo valore minimo.
Ricontrollo la potenza massima dissipata da Q1, che si ha per il massimo valore di hFE e per il minimo della caduta sui LED:

Come previsto, Q1[/b} andrà adeguatamente dissipato.
Calcolo la potenza dissipata da Re:

Un resistore da 0.5 W dovrebbe bastare.
Si può verificare che tale dissipazione rimane pressochè invariata al variare di hFE.
Calcolo ancora la potenza dissipata da [b]D1 e D2

e su Rb

Questo venga preso come un esercizio da parte mia. Correggetemi eventuali errori. Resta che per l'applicazione dell'OP probabilmente, come si diceva, una resistenza di limitazione è la cosa più economica...
Ciao
PSQ
_-^-_-^-_-^-_-^-_-^-_-^-_-^-_-^-_-^-_-^-_-^-_-^-_-^-_-^-_
Pepito Sbazzeguti
"gratta il Pepito e troverai il Pepone"
Pepito Sbazzeguti
"gratta il Pepito e troverai il Pepone"
0
voti
Hai ragione Pepito, mi servirebbe una retroazione negativa o un induttore in serie ai led , ma complicherebbe tutto...la resistenza di limitazione è la più ovvia come dice marco ma dissipa potenza.
Come soluzione avrei pensato ad un resistore tra base e collettore del transistor.... oppure un partitore di tensione per polarizzare la base e una resistenza sul 'emettitore, sempre per avere una retrazione... che ne pensi? Grazie!
Come soluzione avrei pensato ad un resistore tra base e collettore del transistor.... oppure un partitore di tensione per polarizzare la base e una resistenza sul 'emettitore, sempre per avere una retrazione... che ne pensi? Grazie!

0
voti
ah non avevo visto la tua ultima risposta coi calcoli...
0
voti
Foggy89 ha scritto:...la resistenza di limitazione è la più ovvia come dice marco ma dissipa potenza.
Perche', gli altri circuiti no?
O usi dei driver switching o (per tutti gli altri casi) da una parte o dall'altra la dissipazione viene fuori.
marco
0
voti
marco438 ha scritto:Foggy89 ha scritto:...la resistenza di limitazione è la più ovvia come dice marco ma dissipa potenza.
Perche', gli altri circuiti no?
O usi dei driver switching o (per tutti gli altri casi) da una parte o dall'altra la dissipazione viene fuori.
Certo hai ragione, però intendevo che sono alla ricerca di una soluzione comunque semplice, ma diversa dalla resistenza, quindi svincolata dal dissipare potenza(per quanto possibile). :)
43 messaggi
• Pagina 2 di 5 • 1, 2, 3, 4, 5
Torna a Elettronica e spettacolo
Chi c’è in linea
Visitano il forum: Nessuno e 16 ospiti

Elettrotecnica e non solo (admin)
Un gatto tra gli elettroni (IsidoroKZ)
Esperienza e simulazioni (g.schgor)
Moleskine di un idraulico (RenzoDF)
Il Blog di ElectroYou (webmaster)
Idee microcontrollate (TardoFreak)
PICcoli grandi PICMicro (Paolino)
Il blog elettrico di carloc (carloc)
DirtEYblooog (dirtydeeds)
Di tutto... un po' (jordan20)
AK47 (lillo)
Esperienze elettroniche (marco438)
Telecomunicazioni musicali (clavicordo)
Automazione ed Elettronica (gustavo)
Direttive per la sicurezza (ErnestoCappelletti)
EYnfo dall'Alaska (mir)
Apriamo il quadro! (attilio)
H7-25 (asdf)
Passione Elettrica (massimob)
Elettroni a spasso (guidob)
Bloguerra (guerra)




