Cos'è ElectroYou | Login Iscriviti

ElectroYou - la comunità dei professionisti del mondo elettrico

Esercizio sui circuiti RC

Circuiti, campi elettromagnetici e teoria delle linee di trasmissione e distribuzione dell’energia elettrica

Moderatori: Foto Utenteg.schgor, Foto UtenteIsidoroKZ

0
voti

[1] Esercizio sui circuiti RC

Messaggioda Foto Utentetoninora93 » 29 dic 2013, 19:04

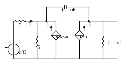
salve a tutti,sono alle prese con questo esercizio sui circuiti rc il quale chiede di determinare l'andamento temporale di v0(t) sapendo che vc(0-)=0 e(t)=u(t). io ho provato a risolverlo con il metodo dei potenziali ai nodi però l'equazione differenziale che ne viene fuori non riesco arisolverla ora di seguito posto il sistema di equazioni se c'è qualcosa di sbagliato ditemelo perché proprio non riesco a continuare,se potete aiutarmi a capire dove sbaglio o se è impostato male il sistema. ringrazio in anticipo tutti coloro che mi risponderanno :-) \begin{array}{l}
1/5 + (0.02*V2) = (1/5 + 1/5 + CD)V1 - CDV2\\
10*I1 =  - CDV1 + (1/10 + CD)V2\\
V2 = V0\\
I1 = V1/5 - 0.02*V2
\end{array}
D è l'operatore differenziale e le resistenze sono in ohm.
Avatar utente
Foto Utentetoninora93
5 3
 
Messaggi: 8
Iscritto il: 29 dic 2013, 14:16

0
voti

[2] Re: Esercizio sui circuiti RC

Messaggioda Foto Utentetoninora93 » 29 dic 2013, 20:14

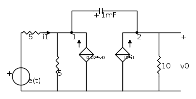
... ora che ho rivisto l'esercizio mi sa che lo schema che avevo postato prima è sbagliato( quello assegnato è il seguente ma forse nel ricondurmi a quello precedente avrò fatto qualche pasticcio)
Avatar utente
Foto Utentetoninora93
5 3
 
Messaggi: 8
Iscritto il: 29 dic 2013, 14:16

0
voti

[3] Re: Esercizio sui circuiti RC

Messaggioda Foto Utentetoninora93 » 29 dic 2013, 20:23

ricontrollando i miei appunti arrivo a questo sistema(esplicitando la i1 in entrambe le equazioni)
\begin{array}{l}
0.2 + 0.02V2 = 0.4V1 + CDV1 - CDV2\\
2V1 - 0.2V2 =  - CDV1 + 0.1V2 + CDV2
\end{array}
Avatar utente
Foto Utentetoninora93
5 3
 
Messaggi: 8
Iscritto il: 29 dic 2013, 14:16

0
voti

[4] Re: Esercizio sui circuiti RC

Messaggioda Foto UtentePepito » 29 dic 2013, 20:29

Lo sforzo di usare LaTeX è ammirevole, ma usa i pedici e scrivi \frac{dV}{dt}, altrimenti non si capisce nulla...
ciao

PSQ
_-^-_-^-_-^-_-^-_-^-_-^-_-^-_-^-_-^-_-^-_-^-_-^-_-^-_-^-_

Pepito Sbazzeguti
"gratta il Pepito e troverai il Pepone"
Avatar utente
Foto UtentePepito
1.759 6 12
Expert EY
Expert EY
 
Messaggi: 493
Iscritto il: 29 set 2012, 16:49

0
voti

[5] Re: Esercizio sui circuiti RC

Messaggioda Foto Utentetoninora93 » 29 dic 2013, 20:33

grazie mille per il consiglio :)
Avatar utente
Foto Utentetoninora93
5 3
 
Messaggi: 8
Iscritto il: 29 dic 2013, 14:16

0
voti

[6] Re: Esercizio sui circuiti RC

Messaggioda Foto Utentetoninora93 » 30 dic 2013, 15:12

riposto il sistema con la speranza che scritto in questa maniera sia più chiaro
\begin{array}{l}
0.2 + 0.02\mathop V\nolimits_2  = 0.4\mathop V\nolimits_1  + C\frac{{d\mathop V\nolimits_1 }}{{dt}} - C\frac{{d\mathop V\nolimits_2 }}{{dt}}\\
2\mathop V\nolimits_1  - 0.2\mathop V\nolimits_2  =  - C\frac{{d\mathop V\nolimits_1 }}{{dt}} + 0.1\mathop V\nolimits_2  + C\frac{{d\mathop V\nolimits_2 }}{{dt}}
\end{array}
da questo punto in poi non so procedere c'è qualcuno che potrebbe darmi qualche consiglio?
Avatar utente
Foto Utentetoninora93
5 3
 
Messaggi: 8
Iscritto il: 29 dic 2013, 14:16

2
voti

[7] Re: Esercizio sui circuiti RC

Messaggioda Foto UtenteRenzoDF » 30 dic 2013, 16:11

A questo punto, sommando membro a membro otterrai

\frac{{{v}_{2}}}{50}-\frac{2{{v}_{1}}}{5}+\frac{1}{5}=-2{{v}_{1}}+\frac{3{{v}_{2}}}{10}

e quindi potrai esprimere la tensione v1 come funzione di v2

{{v}_{1}}=\frac{7{{v}_{2}}-5}{40}

ed infine, sostituendo v1 in una delle due equazioni, diciamo la seconda che è più breve, otterrai un'equazione differenziale in v2.

Occhio poi alla condizione iniziale su v2 che potrà essere ricavata da quella della vC

{{v}_{C}}={{v}_{1}}-{{v}_{2}}=-\frac{33{{v}_{2}}+5}{40}\quad \to \quad {{v}_{2}}=-\frac{5+40{{v}_{C}}}{33}
"Il circuito ha sempre ragione" (Luigi Malesani)
Avatar utente
Foto UtenteRenzoDF
55,9k 8 12 13
G.Master EY
G.Master EY
 
Messaggi: 13189
Iscritto il: 4 ott 2008, 9:55

0
voti

[8] Re: Esercizio sui circuiti RC

Messaggioda Foto Utentetoninora93 » 31 dic 2013, 0:34

quindi la condizioni iniziale per la v2 sarà:
\mathop v\nolimits_2  = \frac{{ - 5}}{{33}}
poiché la vc(0)=0 giusto?
Avatar utente
Foto Utentetoninora93
5 3
 
Messaggi: 8
Iscritto il: 29 dic 2013, 14:16

0
voti

[9] Re: Esercizio sui circuiti RC

Messaggioda Foto UtenteRenzoDF » 31 dic 2013, 1:09

Giusto.
"Il circuito ha sempre ragione" (Luigi Malesani)
Avatar utente
Foto UtenteRenzoDF
55,9k 8 12 13
G.Master EY
G.Master EY
 
Messaggi: 13189
Iscritto il: 4 ott 2008, 9:55

0
voti

[10] Re: Esercizio sui circuiti RC

Messaggioda Foto UtentePepito » 31 dic 2013, 16:04

Foto Utentetoninora93, hai per caso il risultato finale a cui si dovrebbe giungere per Vo?
Ciao

PSQ
_-^-_-^-_-^-_-^-_-^-_-^-_-^-_-^-_-^-_-^-_-^-_-^-_-^-_-^-_

Pepito Sbazzeguti
"gratta il Pepito e troverai il Pepone"
Avatar utente
Foto UtentePepito
1.759 6 12
Expert EY
Expert EY
 
Messaggi: 493
Iscritto il: 29 set 2012, 16:49

Prossimo

Torna a Elettrotecnica generale

Chi c’è in linea

Visitano il forum: Nessuno e 24 ospiti