Circuiti, campi elettromagnetici e teoria delle linee di trasmissione e distribuzione dell’energia elettrica
Moderatori:
g.schgor,
IsidoroKZ
da
luciano87 » 7 gen 2014, 22:37
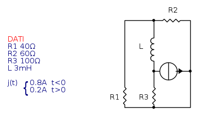
E' richiesta la corrente lungo L
t<0
non riesco a risolvere in altro modo, se non con
![\[\begin{cases} & \ J=i_L+i_3 \\ & \ V_3=V_1+V_L \\ & \ V_1=V_2 \\ & \ i_L=i_1+i_2 \end{cases}\] \[\begin{cases} & \ J=i_L+i_3 \\ & \ V_3=V_1+V_L \\ & \ V_1=V_2 \\ & \ i_L=i_1+i_2 \end{cases}\]](/forum/latexrender/pictures/d60ff2b85b0dc2b88acb3d5a1d8dcddc.png)
ho comunque perplessità sul verso delle correnti...mi date una mano? grazie
Ognuno è un genio. Ma se si giudica un pesce dalla sua abilità di arrampicarsi sugli alberi lui passerà tutta la sua vita a credersi stupido.
-

luciano87
174
3
7
- Frequentatore

-
- Messaggi: 145
- Iscritto il: 28 nov 2013, 20:50
- Località: Roma
da
luciano87 » 9 gen 2014, 12:17
Grazie
admin!

A guardare bene il circuito, anche qui posso osare con Thevenin?
Ognuno è un genio. Ma se si giudica un pesce dalla sua abilità di arrampicarsi sugli alberi lui passerà tutta la sua vita a credersi stupido.
-

luciano87
174
3
7
- Frequentatore

-
- Messaggi: 145
- Iscritto il: 28 nov 2013, 20:50
- Località: Roma
Torna a Elettrotecnica generale
Chi c’è in linea
Visitano il forum: Nessuno e 30 ospiti