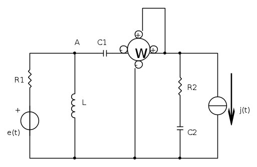
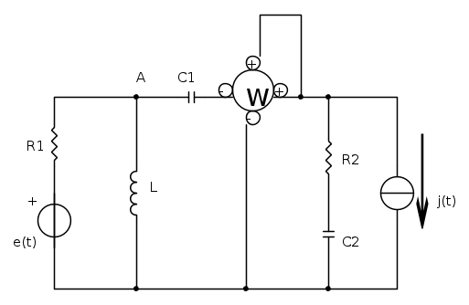
L'esercizio mi chiede di determinare il valore Pw misurato dal watmetro ideale.
Volevo mostrarvi il mio modo di agire in questa situazione e chiedervi se era giusto:
Allora la tensione del watmetro coincide con la tensione ai capi della serie R2-C2(è corretto?),mentre la sua corrente coincide con la corrente di C1 (è corretto?).
Detto ciò mi ricavo la tensione ai capi dell'induttore

e successivamente la corrente che scorre sull'induttore

successivamente mi ricavo la corrente che scorre sulla serie della resistenza R1 e generatore di tensione

e successivamente applico LKC sul nodo A per ricavarmi

quindi
e quindi
e quindi ,come ho detto all'inizio , 
Per la tensione del wattmetro ho calcolato l'impedenza in serie di R2 e C2 e successivamente ho calcolato la tensione ai capi di tale serie ovvero
,quindi 
essendo ricavato tutto posso calcolarmi la potenza del wattmetro ovvero

Spero di essere stato chiaro ,e vi ringrazio anticipatamente

Elettrotecnica e non solo (admin)
Un gatto tra gli elettroni (IsidoroKZ)
Esperienza e simulazioni (g.schgor)
Moleskine di un idraulico (RenzoDF)
Il Blog di ElectroYou (webmaster)
Idee microcontrollate (TardoFreak)
PICcoli grandi PICMicro (Paolino)
Il blog elettrico di carloc (carloc)
DirtEYblooog (dirtydeeds)
Di tutto... un po' (jordan20)
AK47 (lillo)
Esperienze elettroniche (marco438)
Telecomunicazioni musicali (clavicordo)
Automazione ed Elettronica (gustavo)
Direttive per la sicurezza (ErnestoCappelletti)
EYnfo dall'Alaska (mir)
Apriamo il quadro! (attilio)
H7-25 (asdf)
Passione Elettrica (massimob)
Elettroni a spasso (guidob)
Bloguerra (guerra)



?