Ciao a tutti =) ho iniziato da poco con lo studio degli argomenti base sui circuiti digitali e avrei bisogno di un aiuto nel capire il funzionamento del Flip-Flop J-K
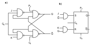
Pr e Cr dovrebbero essere gli ingressi pre-set e clear. Il loro ruolo dovrebbe essere quello di fissare lo stato iniziale indipendentemente dal clock. Una volta fissato lo stato iniziale questi due ingressi non vanno più considerati o sbaglio?
Anche in questo modo però non riesco a visualizzare il funzionamento. Per esempio:
- Scelgo lo stato iniziale Q=0 (Cr=0 e Pr=1)
- J=1 , K=1
- Abilito il clock
- Ho tutte porte NAND quindi ho Q si porta 1 dopo un tempo t di commutazione
- (Il clock continua a rimanere a attivo) Q=1 viene portato all'ingresso con K e il NAND mi da zero, e alla porta logica successiva 0 e 1 mi da Q=1 e non è cambiato nulla, quando invece dovrebbe far ritornare Q a 0
Dove sbaglio?
Funzionamento Flip-Flop J-K
Moderatori:
carloc,
g.schgor,
BrunoValente,
IsidoroKZ
3 messaggi
• Pagina 1 di 1
0
voti
Credo di aver risolto
in particolare mi è stato di aiuto questo video-tutorial
verso il minuto 29:00 tratta proprio il FF JK
verso il minuto 29:00 tratta proprio il FF JK
Ultima modifica di
simo85 il 11 gen 2014, 11:16, modificato 1 volta in totale.
Motivazione: Inserito video nei tag YouTube
Motivazione: Inserito video nei tag YouTube
1
voti
Una sommaria descrizione la trovi in questo video
Circa le funzioni di S-R, possono essere usate in qualsiasi momento.
Per eventuali altri dettagli, ci risentiamo.
Circa le funzioni di S-R, possono essere usate in qualsiasi momento.
Per eventuali altri dettagli, ci risentiamo.
3 messaggi
• Pagina 1 di 1
Chi c’è in linea
Visitano il forum: Nessuno e 47 ospiti

Elettrotecnica e non solo (admin)
Un gatto tra gli elettroni (IsidoroKZ)
Esperienza e simulazioni (g.schgor)
Moleskine di un idraulico (RenzoDF)
Il Blog di ElectroYou (webmaster)
Idee microcontrollate (TardoFreak)
PICcoli grandi PICMicro (Paolino)
Il blog elettrico di carloc (carloc)
DirtEYblooog (dirtydeeds)
Di tutto... un po' (jordan20)
AK47 (lillo)
Esperienze elettroniche (marco438)
Telecomunicazioni musicali (clavicordo)
Automazione ed Elettronica (gustavo)
Direttive per la sicurezza (ErnestoCappelletti)
EYnfo dall'Alaska (mir)
Apriamo il quadro! (attilio)
H7-25 (asdf)
Passione Elettrica (massimob)
Elettroni a spasso (guidob)
Bloguerra (guerra)


