Salve a tutti ,
ho dei dubbi con i seguenti due circuiti in regime sinusoidali
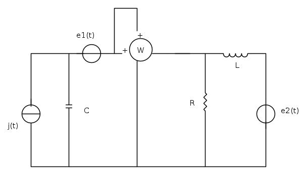
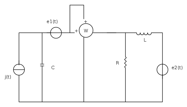
Circuito 1
e
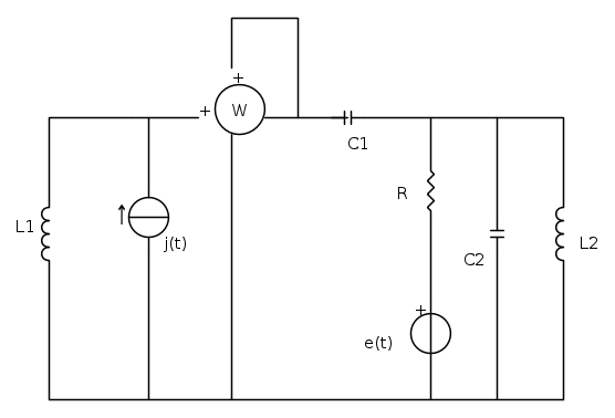
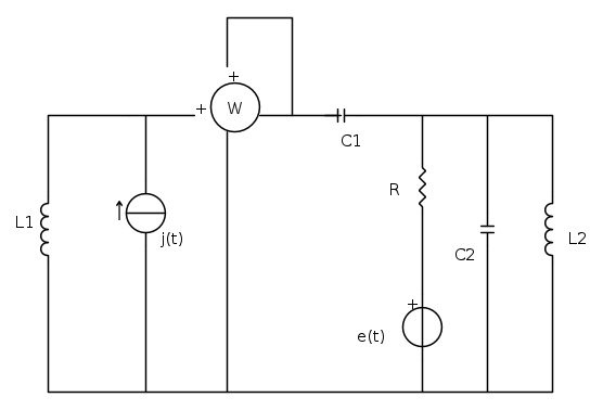
Circuito 2
Il mio dubbio risiede nel comprendere in cosa consiste le tensione del wattmetro
Per esempio nel circuito 1:
è giusto dire che la tensione del wattmetro coincide con la tensione ai capi del condensatore?
mentre nel circuito 2
è giusto dire che la tensione del wattmetro coincide con la tensione ai capi della serie R-e(t)?
Grazie a tutti e scusate per le eventuali cavolate
Chiarimento wattmetro
Moderatori:
g.schgor,
IsidoroKZ
5 messaggi
• Pagina 1 di 1
2
voti
Dega93 ha scritto:Per esempio nel circuito 1:
è giusto dire che la tensione del wattmetro coincide con la tensione ai capi del condensatore?
NO!
La tensione sulla voltometrica del wattmetro è quella fra i punti A e B che coinciderebbe con la tensione ai capi della resistenza R (trascurando gli effetti dell'inserzione dello strumento). tra il punto A e il punto D al quale è collegato il condensatore c'è un generatore.
Dega93 ha scritto:mentre nel circuito 2
è giusto dire che la tensione del wattmetro coincide con la tensione ai capi della serie R-e(t)?
NO!
Ragionamenti simili a quelli del primo circuito.
-

nunziato
4.291 3 9 12 - Master EY

- Messaggi: 531
- Iscritto il: 14 dic 2012, 23:14
- Località: Acri (CS) - Polistena (RC)
0
voti
Grazie mille della risposta ,quindi se ho capito bene nel circuito 2 la tensione del Wattmetro corrisponderebbe alla tensione del generatore di corrente?
5 messaggi
• Pagina 1 di 1
Torna a Elettrotecnica generale
Chi c’è in linea
Visitano il forum: Nessuno e 29 ospiti

Elettrotecnica e non solo (admin)
Un gatto tra gli elettroni (IsidoroKZ)
Esperienza e simulazioni (g.schgor)
Moleskine di un idraulico (RenzoDF)
Il Blog di ElectroYou (webmaster)
Idee microcontrollate (TardoFreak)
PICcoli grandi PICMicro (Paolino)
Il blog elettrico di carloc (carloc)
DirtEYblooog (dirtydeeds)
Di tutto... un po' (jordan20)
AK47 (lillo)
Esperienze elettroniche (marco438)
Telecomunicazioni musicali (clavicordo)
Automazione ed Elettronica (gustavo)
Direttive per la sicurezza (ErnestoCappelletti)
EYnfo dall'Alaska (mir)
Apriamo il quadro! (attilio)
H7-25 (asdf)
Passione Elettrica (massimob)
Elettroni a spasso (guidob)
Bloguerra (guerra)



