Cos'è ElectroYou | Login Iscriviti

ElectroYou - la comunità dei professionisti del mondo elettrico

Esercizio interruttore

Circuiti, campi elettromagnetici e teoria delle linee di trasmissione e distribuzione dell’energia elettrica

Moderatori: Foto Utenteg.schgor, Foto UtenteIsidoroKZ

0
voti

[1] Esercizio interruttore

Messaggioda Foto Utenteluciano87 » 14 gen 2014, 17:57

E' il primo tipo di esercizio in cui mi imbatto perciò ho bisogno di aiuto.

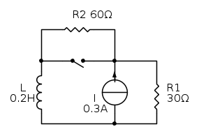
Nel circuito in figura, l’interruttore si apre all’istante t=0. Determinare la corrente che scorre nell’induttore in ogni istante di tempo.



t<0 è chiuso



\[R_2\] è cortocircuitata

\[i_L=I_o=0.3A\]

t>0 aperto



\[i_2=i_L\]

\[i_2=I_o\frac{R_1}{R_1+R_2}=0.1A\]


per t>0 riesco ad impostare il sistema di equazioni ed i valori di \[i_L\] e \[\lambda\]
si trovano.

\[\begin{cases} & \ J=i_2+i_1 \\ & \ i_2=i_L \\ & \ V_L+V_2=V_1 \end{cases}\]

per t<0 non riesco, mi date una mano?
Inoltre se lo svolgimento non è corretto correggete gli errori, grazie a tutti
Ognuno è un genio. Ma se si giudica un pesce dalla sua abilità di arrampicarsi sugli alberi lui passerà tutta la sua vita a credersi stupido.
Avatar utente
Foto Utenteluciano87
174 3 7
Frequentatore
Frequentatore
 
Messaggi: 145
Iscritto il: 28 nov 2013, 20:50
Località: Roma

-1
voti

[2] Re: Esercizio interruttore

Messaggioda Foto Utenteluciano87 » 15 gen 2014, 13:02

Date un'occhiata per cortesia?
Grazie
Ognuno è un genio. Ma se si giudica un pesce dalla sua abilità di arrampicarsi sugli alberi lui passerà tutta la sua vita a credersi stupido.
Avatar utente
Foto Utenteluciano87
174 3 7
Frequentatore
Frequentatore
 
Messaggi: 145
Iscritto il: 28 nov 2013, 20:50
Località: Roma

0
voti

[3] Re: Esercizio interruttore

Messaggioda Foto Utenteluciano87 » 15 gen 2014, 14:45

:-M Sinceramente non capisco il punteggio negativo all'argomento senza avere tra l'altro risposte concrete.
Ho rinnovato semplicemente una richiesta d'aiuto visto che non ho avuto risposte in merito e in maniera alquanto cortese.

Mi spiegate il senso? grazie
Ognuno è un genio. Ma se si giudica un pesce dalla sua abilità di arrampicarsi sugli alberi lui passerà tutta la sua vita a credersi stupido.
Avatar utente
Foto Utenteluciano87
174 3 7
Frequentatore
Frequentatore
 
Messaggi: 145
Iscritto il: 28 nov 2013, 20:50
Località: Roma

0
voti

[4] Re: Esercizio interruttore

Messaggioda Foto Utenteadmin » 15 gen 2014, 14:57

\[\begin{array}{l}
t < 0\\
\left( \begin{array}{l}
i + {i_2} - {i_L} = 0\\
i + {i_1} + {i_2} = {I_0}\\
{i_2} = 0\\
{i_1} = 0
\end{array} \right.
\end{array}\]
Avatar utente
Foto Utenteadmin
196,6k 9 12 17
Manager
Manager
 
Messaggi: 11951
Iscritto il: 6 ago 2004, 13:14

0
voti

[5] Re: Esercizio interruttore

Messaggioda Foto Utenteluciano87 » 15 gen 2014, 15:06

Grazie Foto Utenteadmin!
Volevo chiedere un chiarimento.
I circuiti con interruttore sono leggermente differenti da quelli con generatore variabile. Devo porre particolari accorgimenti quando li svolgo?

Inoltre in questo caso per t<0 ottengo un valore diretto, infatti risolvendo il sistema ho subito che iL=Io
Mi chiedo, è possibile scrivere un sistema di equazioni nel quale ottengo anche il valore di lambda (come per l'altra tipologia di esercizi)?
Spero di aver formulato bene la domanda.. ^_^
Ognuno è un genio. Ma se si giudica un pesce dalla sua abilità di arrampicarsi sugli alberi lui passerà tutta la sua vita a credersi stupido.
Avatar utente
Foto Utenteluciano87
174 3 7
Frequentatore
Frequentatore
 
Messaggi: 145
Iscritto il: 28 nov 2013, 20:50
Località: Roma

1
voti

[6] Re: Esercizio interruttore

Messaggioda Foto Utentemrc » 15 gen 2014, 15:09

Ciao.

luciano87 ha scritto:Sinceramente non capisco il punteggio negativo...Ho rinnovato semplicemente una richiesta d'aiuto....Mi spiegate il senso? grazie


Premetto che non sono stato io a darti il voto negativo.

Comunque Foto Utenteluciano87, mi permetto di darti una possibile spiegazione al voto negativo da te ricevuto.

Nel forum non sono accettate le sollecitazioni a rispondere ad una richiesta di aiuto, questo indipendentemente dal tipo di problema.

Questo per due motivi:

1) Gli utenti del forum non sono obbligati a rispondere in maniera istantanea a tutte le richieste, ma rispondono quando possono farlo.
Inoltre occorre considerare che non è detto che ci sia sempre qualcuno disposto a rispondere.

2) Se si desse libero "sfogo" alle sollecitazioni, nei vari thread, il forum sarebbe stracolmo di post inutili.
Avatar utente
Foto Utentemrc
10,5k 6 11 13
Expert EY
Expert EY
 
Messaggi: 4023
Iscritto il: 16 apr 2009, 9:32

0
voti

[7] Re: Esercizio interruttore

Messaggioda Foto Utenteluciano87 » 15 gen 2014, 15:32

Foto Utentemrc grazie per le spiegazioni. :ok:
Dal mio punto di vista (può darsi errato) preferivo un commento diretto con l'aggiunta di un voto negativo, almeno non correvo il rischio di sbagliare nuovamente perché accompagnata da una motivazione.
Ognuno è un genio. Ma se si giudica un pesce dalla sua abilità di arrampicarsi sugli alberi lui passerà tutta la sua vita a credersi stupido.
Avatar utente
Foto Utenteluciano87
174 3 7
Frequentatore
Frequentatore
 
Messaggi: 145
Iscritto il: 28 nov 2013, 20:50
Località: Roma

0
voti

[8] Re: Esercizio interruttore

Messaggioda Foto Utenteadmin » 15 gen 2014, 15:46

luciano87 ha scritto:[..] Devo porre particolari accorgimenti quando li svolgo?

Sì: capire le richieste del problema, scrivere correttamente le equazioni relative al metodo di risoluzione scelto, risolverle senza sbagliare i calcoli.

luciano87 ha scritto:Mi chiedo, è possibile scrivere un sistema di equazioni nel quale ottengo anche il valore di lambda [..]

No. Scriverai il sistema di equazioni che elaborerai per arrivare all'equazione differenziale che ti interessa.
Avatar utente
Foto Utenteadmin
196,6k 9 12 17
Manager
Manager
 
Messaggi: 11951
Iscritto il: 6 ago 2004, 13:14

0
voti

[9] Re: Esercizio interruttore

Messaggioda Foto Utenteluciano87 » 15 gen 2014, 15:55

admin ha scritto:Scriverai il sistema di equazioni che elaborerai per arrivare all'equazione differenziale che ti interessa.


Ad esempio,vedendo praticamente; nell'esercizio in questione la strada da seguire è solo questa? Immagine
Ognuno è un genio. Ma se si giudica un pesce dalla sua abilità di arrampicarsi sugli alberi lui passerà tutta la sua vita a credersi stupido.
Avatar utente
Foto Utenteluciano87
174 3 7
Frequentatore
Frequentatore
 
Messaggi: 145
Iscritto il: 28 nov 2013, 20:50
Località: Roma

0
voti

[10] Re: Esercizio interruttore

Messaggioda Foto Utenteadmin » 15 gen 2014, 15:59

Sono le equazioni della rete ricavate con i principi di Kirchhoff, cui ogni rete elettrica deve soddisfare. Le altre strade sono solo modi diversi di considerare le stesse equazioni.
Avatar utente
Foto Utenteadmin
196,6k 9 12 17
Manager
Manager
 
Messaggi: 11951
Iscritto il: 6 ago 2004, 13:14


Torna a Elettrotecnica generale

Chi c’è in linea

Visitano il forum: Nessuno e 59 ospiti