ciao a tutti, sto cercando di costruire un antifurto fai da te con batteria al piombo.
lo schema più semplice che sono riuscito a trovare per la carica della batteria mi sembra questo:
per prima cosa mi serve un trasformatore da 18v, girando su ebay ho visto dei trasformatori 18-0-18, che significa? possono andar bene per il caricabatteria dello schema?
in alternativa posso usare un alimentatore DC e usare lo stesso schema togliendo raddrizzatore e condensatore da 1000uF?
Dubbio su trasformatore
Moderatori:
carloc,
g.schgor,
BrunoValente,
IsidoroKZ
0
voti
Ultima modifica di
giorgio25760 il 17 gen 2014, 22:01, modificato 1 volta in totale.
Motivazione: L'immagine era collegata ad un server esterno
Motivazione: L'immagine era collegata ad un server esterno
0
voti
rudj ha scritto:girando su ebay ho visto dei trasformatori 18-0-18, che significa?
Significa che è un trasformatore a presa centrale:
0
voti
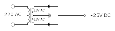
Connetti a massa il centrale ed usi due diodi, uno per ramo, per raddrizzare la tensione,
la corrente risultante è la somma della corrente disponibile in ogni semi avvolgimento
la tensione resta 18V AC (non si sommano le tensioni)
che diventeranno 18V X 1.4 = ~25V DC
K
la corrente risultante è la somma della corrente disponibile in ogni semi avvolgimento
la tensione resta 18V AC (non si sommano le tensioni)
che diventeranno 18V X 1.4 = ~25V DC
K
-

Kagliostro
6.396 4 5 7 - Master

- Messaggi: 4830
- Iscritto il: 19 set 2012, 11:32
0
voti
Che tipo di batteria è? Piombo ermetica 12V? Che capacità (Ah)?
Comunque questo circuito è ancora più semplice
Per il trasformatore anche 15V vanno bene e forse è più reperibile
Per l'altra domanda: sì, se hai un alimentatore da 20-24V ed almeno 1A puoi eliminare il ponte ed il condensatore di livellamento
Comunque questo circuito è ancora più semplice
Per il trasformatore anche 15V vanno bene e forse è più reperibile
Per l'altra domanda: sì, se hai un alimentatore da 20-24V ed almeno 1A puoi eliminare il ponte ed il condensatore di livellamento
-

FedericoSibona
5.022 3 5 8 - Master

- Messaggi: 3951
- Iscritto il: 19 mar 2013, 11:43
0
voti
sì, hai ragione, questo è più semplice
, comunque un attimo che voglio capire... perché devo moltiplicare x 1,4? e perché se ho un alimentatore non va più bene 15 ma devo usare un 20-24v? 
0
voti
1.41 e' il rapporto esistente tra una tensione alternata e una raddrizzata e livellata (quindi continua).
Ad esempio se il trasformatore eroga 12V in alternata, dopo ponte e condensatore ti troverai ad avere una tensione continua a vuoto di
.
Su questo valore dovrai calcolare la caduta di tensione sul ponte raddrizzatore, comunemente indicata in
; quindi alla fine avrai circa
.
Ad esempio se il trasformatore eroga 12V in alternata, dopo ponte e condensatore ti troverai ad avere una tensione continua a vuoto di
. Su questo valore dovrai calcolare la caduta di tensione sul ponte raddrizzatore, comunemente indicata in
; quindi alla fine avrai circa
.marco
0
voti
Ed inoltre la tensione continua in ingresso dei reglatori lineari di tensione (come sono gli integrati LM317 ed L200) deve essere di qualche volt superiore alla tensione che devono stabilizzare. Quindi, ad esempio, con 15/16V in ingresso all'integrato non riusciresti a stabilizzare i 13,8V che ci servono
Questo per dirla in breve, poi ci sarebbero altre cose, tipo l'abbassamento di tensione al secondario del trasformatore sotto carico, ed altro, ma qui è meglio fermarsi.
Se vuoi approfondire cerca nella sezione "Articoli" del portale gli articoli sugli alimentatori lineari
Questo per dirla in breve, poi ci sarebbero altre cose, tipo l'abbassamento di tensione al secondario del trasformatore sotto carico, ed altro, ma qui è meglio fermarsi.
Se vuoi approfondire cerca nella sezione "Articoli" del portale gli articoli sugli alimentatori lineari
-

FedericoSibona
5.022 3 5 8 - Master

- Messaggi: 3951
- Iscritto il: 19 mar 2013, 11:43
0
voti
ok, ora è chiaro, grazie ;) comunque guardando meglio il tuo schema sbaglio o in questo modo la batteria è continuamente sotto tensione anche quando è carica?
ps: il caricabatterie è per batterie al piombo sigillate
ps: il caricabatterie è per batterie al piombo sigillate
0
voti
Beh, il discorso e' un po' piu' complesso; una batteria sotto carica (dopo aver regolato la giusta tensione e limitata la corrente) inizialmente assorbe tutta la corrente disponibile poi, man mano che si ricarica, la sua richiesta diviene sempre minore fino a ridursi a pochi milliampere, che servono per mantenerla in carica.
Quindi anche se lasciata qualche ora in piu' del dovuto non succede nulla.
D'altra parte anche lo schema che hai postato tu, si basa piu' o meno sullo stesso principio.
Poi se vuoi che la batteria venga staccata a carica ultimata, bisogna modificare non poco il circuito che, nel caso, diverrebbe molto meno semplice
P.S.Sarebbe poi da stabilire se userai il circuito per carica ciclica o in tampone.
Quindi anche se lasciata qualche ora in piu' del dovuto non succede nulla.
D'altra parte anche lo schema che hai postato tu, si basa piu' o meno sullo stesso principio.
Poi se vuoi che la batteria venga staccata a carica ultimata, bisogna modificare non poco il circuito che, nel caso, diverrebbe molto meno semplice
P.S.Sarebbe poi da stabilire se userai il circuito per carica ciclica o in tampone.
marco
0
voti
scusa l'ignoranza ma non so cosa sia la carica ciclica, tantomeno quella a tampone
comunque dato che mi serve per un progetto di allarme casalingo l'idea era di lasciarla collegata sempre, lo schema che avevo postato io teoricamente ha in più quel transistor proprio per lo scopo di interrompere la carica appena la batteria è satura... correggimi pure se sbaglio
comunque dato che mi serve per un progetto di allarme casalingo l'idea era di lasciarla collegata sempre, lo schema che avevo postato io teoricamente ha in più quel transistor proprio per lo scopo di interrompere la carica appena la batteria è satura... correggimi pure se sbaglio
Chi c’è in linea
Visitano il forum: Nessuno e 217 ospiti

Elettrotecnica e non solo (admin)
Un gatto tra gli elettroni (IsidoroKZ)
Esperienza e simulazioni (g.schgor)
Moleskine di un idraulico (RenzoDF)
Il Blog di ElectroYou (webmaster)
Idee microcontrollate (TardoFreak)
PICcoli grandi PICMicro (Paolino)
Il blog elettrico di carloc (carloc)
DirtEYblooog (dirtydeeds)
Di tutto... un po' (jordan20)
AK47 (lillo)
Esperienze elettroniche (marco438)
Telecomunicazioni musicali (clavicordo)
Automazione ed Elettronica (gustavo)
Direttive per la sicurezza (ErnestoCappelletti)
EYnfo dall'Alaska (mir)
Apriamo il quadro! (attilio)
H7-25 (asdf)
Passione Elettrica (massimob)
Elettroni a spasso (guidob)
Bloguerra (guerra)






