Relè per motorino alza cristalli
Moderatore:
Franco012
18 messaggi
• Pagina 2 di 2 • 1, 2
4
voti
Questa discussione sta diventando ridicola, a quanto pare non si può sapere di quale auto si tratta, ma non fa niente, è evidente che non capisci una beneamata mazza di meccanica e pensi di riuscire a scoprire l'acqua calda, prima che perda la pazienza e chiuda questa discussione fra sordi ti dico per l'ultima volta cosa devi fare, sempre che capisci e la smetti di fare la gatta morta, è una vecchia Fiat a quanto pare ,togli il pannello della portiera e provvedi a lubrificare le rotelline di plastica ( erano 4 in genere) su cui scorre il cavetto collegato al vetro per alzarlo abbassarlo e controlla che con l'età il cavetto non abbia scavallato e che tutte le rotelline girino libere, lubrifica col silicone spray le guide sia dentro la portiera sia fuori, togli uno degli interruttori, mettiti su un piano e vedi se puoi mandarci dentro del pulisci contatti da entrambi i lati, non ti dico di aprirlo perché occorre pratica, dopo averlo soffiato perbenino rimontalo e sei a posto. Prima di mandare dentro il pulisci contatti mettine una piccola goccia sulla plastica esterna e aspetta un paio di minuti per vedere cosa succede, questo perché le vecchie plastiche sopportano male i composti clorinati. Se non hai silicone spray puoi strofinarci della cera di candela ma bada che alle volte si impasta col tempo, va bene anche una saponetta ma con la pioggia se ne andrà in un paio di mesi
Ceterum censeo Cartagho delendam esse
-

babbucciodonosor
7.942 5 9 12 - G.Master EY

- Messaggi: 1508
- Iscritto il: 9 mar 2008, 17:47
0
voti
perfettamente d'accordo.
P.S. x il moderatore che mi ha editato il post: non mi sembrava di aver citato l'intero messaggio ma solo l'ultima parte, ma comunque se non era così chiedo scusa e la prossima volta sarò più attento.
P.S. x il moderatore che mi ha editato il post: non mi sembrava di aver citato l'intero messaggio ma solo l'ultima parte, ma comunque se non era così chiedo scusa e la prossima volta sarò più attento.
0
voti
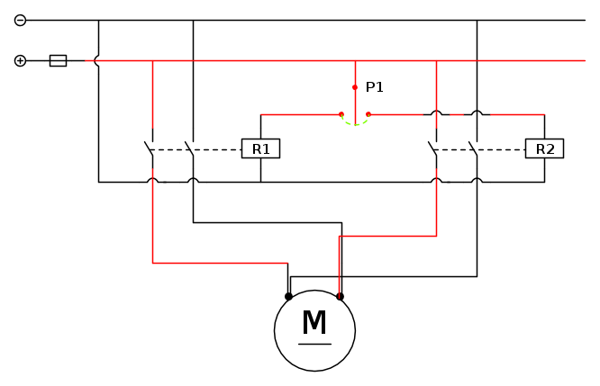
Gigis ha scritto:Potresti postare uno schema elettrico? non ho ben capito come fai a garantire l'inversione sul motorino.
Non so se ti riferivi al mio intervento, comunque la complicazione di una cosa semplice che si vuole mettere in campo utilizzando i rele` potrebbe essere simile a questa, mantenendo ovviamente un pulsante a commutazione.
Scusa la bassa qualita` dello schema l'ho fatto di corsa e senza volerci perdere tempo.
R1 e R2 sono i due rele` interbloccati meccanicamente (dal pulsante) ciascuno con i due contatti N.O.
P1 e` il pulsante a due posizioni (con riposo a 0 centrale) del comando alza vetro.
Saluti
Ognuno sta solo sul cuor della terra
trafitto da un raggio di sole:
ed è subito sera
Salvatore Quasimodo
trafitto da un raggio di sole:
ed è subito sera
Salvatore Quasimodo
1
voti
Può anche essere che l'impianto modificato a suo tempo sia stato mal realizzato, e fossero stati impiegati conduttori di "spessore" ridotto, (per dirla come dice l'OP, anche se male).
Può essere che per un simile motore ora sotto sforzo grazie all'usura ed altri inconvenienti, la c.d.t. sui conduttori ne limiti le prestazioni.
Le soluzioni indicate da babbucciodonosor sono i primi accorgimenti da adottare per ripristinare i segni dell'usura. La modifica all'impianto elettrico, può migliorare a sua volta la prestazione del motore. Certo è che, se l'attrito si riduce, il motore assorbe meno corrente e tutto torna come in origine, diversamente, correggere solo l'impianto elettrico potrebbe equivalere ad inutile sforzo per scoprire domani che tanto la situazione continua a peggiorare e farà pure scoppiare i contatti del nuovo relè.
Inoltre quei conduttori di sezione ridotta potrebbero essere messi lì con senso pratico: contribuiscono a limitare la corrente al motore quando sarà a fine corsa, evitando di spingere inutilmente come dei matti... Sì, potrebbe essere.
attilio ha postato lo schema indubbiamente sensato, lo schema di chi è pratico nella soluzione delle cose che non funzionano. Le ragioni del costruttore d'auto però non sempre coincidono e, potrebbe avere ragione quest'ultimo.
Può essere che per un simile motore ora sotto sforzo grazie all'usura ed altri inconvenienti, la c.d.t. sui conduttori ne limiti le prestazioni.
Le soluzioni indicate da babbucciodonosor sono i primi accorgimenti da adottare per ripristinare i segni dell'usura. La modifica all'impianto elettrico, può migliorare a sua volta la prestazione del motore. Certo è che, se l'attrito si riduce, il motore assorbe meno corrente e tutto torna come in origine, diversamente, correggere solo l'impianto elettrico potrebbe equivalere ad inutile sforzo per scoprire domani che tanto la situazione continua a peggiorare e farà pure scoppiare i contatti del nuovo relè.
Inoltre quei conduttori di sezione ridotta potrebbero essere messi lì con senso pratico: contribuiscono a limitare la corrente al motore quando sarà a fine corsa, evitando di spingere inutilmente come dei matti... Sì, potrebbe essere.
-

Candy
32,5k 7 10 13 - CRU - Account cancellato su Richiesta utente
- Messaggi: 10123
- Iscritto il: 14 giu 2010, 22:54
-3
voti
babbucciodonosor ha scritto:sempre che capisci e la smetti di fare la gatta morta, è una vecchia Fiat a quanto pare, togli il pannello
Allora chiariamo una cosa
Punto 1 io non faccio la gatta morta ho spiegato il mio problema se vuoi aiutarmi bene se no non fare il mamma santissima
Punto 2 È una vecchia signora fiat fuori serie fatta a posta dalla fiat che tu te la sogni proprio anzi non te la puoi manco sognare... Quindi cerchiamo di non offendere le cose degli altri
Grazie
9
voti
Punto uno chi ti dice che io non me la posso neanche sognare? forse sei tu che non hai la più pallida idea di cosa siano auto da sogno
Punto due visto che non si riesce a sapere che razza di auto è non posso sapere cosa trovo nello sportello e andare per tentativi mi rovina la sfera di cristallo, che tra l'altro deve fare il tagliando dei mille miracoli
Punto tre con sessanta anni di esperienza di officina posso permettermi di fare il mammasantissima con chiunque
Punto quattro nessuno offende le cose degli altri semmai sei tu che ci stai facendo perdere tempo perché per cercare di aiutarti è intervenuto il meglio del forum e tu continui a dare aria ai denti.
Punto cinque non sono stato io che ti ho riempito di punteggio negativo, non lo uso mai, evidentemente non vai bene proprio.
Punto sei fine della discussione
Punto due visto che non si riesce a sapere che razza di auto è non posso sapere cosa trovo nello sportello e andare per tentativi mi rovina la sfera di cristallo, che tra l'altro deve fare il tagliando dei mille miracoli
Punto tre con sessanta anni di esperienza di officina posso permettermi di fare il mammasantissima con chiunque
Punto quattro nessuno offende le cose degli altri semmai sei tu che ci stai facendo perdere tempo perché per cercare di aiutarti è intervenuto il meglio del forum e tu continui a dare aria ai denti.
Punto cinque non sono stato io che ti ho riempito di punteggio negativo, non lo uso mai, evidentemente non vai bene proprio.
Punto sei fine della discussione
Ceterum censeo Cartagho delendam esse
-

babbucciodonosor
7.942 5 9 12 - G.Master EY

- Messaggi: 1508
- Iscritto il: 9 mar 2008, 17:47
18 messaggi
• Pagina 2 di 2 • 1, 2
Torna a Autovetture, motori endotermici ed elettronica relativa
Chi c’è in linea
Visitano il forum: Nessuno e 26 ospiti

Elettrotecnica e non solo (admin)
Un gatto tra gli elettroni (IsidoroKZ)
Esperienza e simulazioni (g.schgor)
Moleskine di un idraulico (RenzoDF)
Il Blog di ElectroYou (webmaster)
Idee microcontrollate (TardoFreak)
PICcoli grandi PICMicro (Paolino)
Il blog elettrico di carloc (carloc)
DirtEYblooog (dirtydeeds)
Di tutto... un po' (jordan20)
AK47 (lillo)
Esperienze elettroniche (marco438)
Telecomunicazioni musicali (clavicordo)
Automazione ed Elettronica (gustavo)
Direttive per la sicurezza (ErnestoCappelletti)
EYnfo dall'Alaska (mir)
Apriamo il quadro! (attilio)
H7-25 (asdf)
Passione Elettrica (massimob)
Elettroni a spasso (guidob)
Bloguerra (guerra)



