Come intenderesti realizzarlo il circuito a diodi? Prova a mettere uno schema...
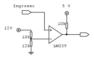
Io avrei usato un comparatore tipo LM339, con il seguente schema di principio:
L'uscita va alta se l'ingresso supera i 6.5 V circa.
Comunque in un modo o nell'altro, devi sicuramente avere un blocco che discrimini il livello in ingresso (che non è un livello logico di quelli standard) e che te lo converta in un livello logico adatto alla tecnologia logica che andrai poi ad utilizzare. Per essere pratici, diciamo che il livello 0 - 5 V va benissimo ed è lo standard.
ciao
PSQ
Convertitore tensione/frequenza a due livelli per canale TX
Moderatori:
carloc,
g.schgor,
BrunoValente,
IsidoroKZ
1
voti
Grazie per la risposta. Volevo dire qualcosa del tipo:
i catodi dei diodi sono connessi all'uscita, la quale è a sua volta connessa amassa tramite la resistenza R. Se su uno degli ingressi è presente il livello logico alto, il diodo relativo è polarizzato direttamente e pertanto è in conduzione, quindi un interruttore chiuso.La corrente fluisce su R provocando una caduta di tensione pari a quella d'ingresso. L'altro diodo è polarizzato inversamente e quindi interdetto e l'ingresso è sconnesso dall'uscita.
Però oggi mentro ero a lavoro ho pensato un'altra cosa. Ovvero:
o anche un convertitore flash. Questo solo alla prima parte per avere un segnale digitale da elaborare dopo.
In questo modo non avrei uno stato logico definito?
i catodi dei diodi sono connessi all'uscita, la quale è a sua volta connessa amassa tramite la resistenza R. Se su uno degli ingressi è presente il livello logico alto, il diodo relativo è polarizzato direttamente e pertanto è in conduzione, quindi un interruttore chiuso.La corrente fluisce su R provocando una caduta di tensione pari a quella d'ingresso. L'altro diodo è polarizzato inversamente e quindi interdetto e l'ingresso è sconnesso dall'uscita.
Però oggi mentro ero a lavoro ho pensato un'altra cosa. Ovvero:
o anche un convertitore flash. Questo solo alla prima parte per avere un segnale digitale da elaborare dopo.
In questo modo non avrei uno stato logico definito?
0
voti
Ciao.
Dunque, il primo schema (quello a diodi) non capisco come possa funzionare. Se non ho frainteso tu hai un solo segnale, non due, del quale devi discriminare due livelli. Quindi con lo schema a diodi, che prevede due ingressi non capisco come puoi discriminare se hai in ingresso 5 o 10 V.
Il secondo schema non l'ho analizzato bene, ma tutto quel popò di roba per discriminare due livelli mi sembra eccessivo. Ha senso tirare in ballo un ADC se fai tutto con un microcontrollore, allora in quel caso leggi il livello con l'ADC dopo averlo condizionato in modo corretto alla dinamica di ingresso (basterebbe un partitore) ed in funzione di quello fai tutto il resto in firmware, ma non mi sembra ciò che ti è richiesto. Come ti dicevo nel post precedente, secondo me ti basta un comparatore a soglia. Se proprio vuoi potresti farlo con isteresi, ma non mi pare che il problema lo richieda... E a quel punto hai un segnale digitale il cui livello dipende dal livello del segnale in ingresso.
Ciao
PSQ
Dunque, il primo schema (quello a diodi) non capisco come possa funzionare. Se non ho frainteso tu hai un solo segnale, non due, del quale devi discriminare due livelli. Quindi con lo schema a diodi, che prevede due ingressi non capisco come puoi discriminare se hai in ingresso 5 o 10 V.
Il secondo schema non l'ho analizzato bene, ma tutto quel popò di roba per discriminare due livelli mi sembra eccessivo. Ha senso tirare in ballo un ADC se fai tutto con un microcontrollore, allora in quel caso leggi il livello con l'ADC dopo averlo condizionato in modo corretto alla dinamica di ingresso (basterebbe un partitore) ed in funzione di quello fai tutto il resto in firmware, ma non mi sembra ciò che ti è richiesto. Come ti dicevo nel post precedente, secondo me ti basta un comparatore a soglia. Se proprio vuoi potresti farlo con isteresi, ma non mi pare che il problema lo richieda... E a quel punto hai un segnale digitale il cui livello dipende dal livello del segnale in ingresso.
Ciao
PSQ
_-^-_-^-_-^-_-^-_-^-_-^-_-^-_-^-_-^-_-^-_-^-_-^-_-^-_-^-_
Pepito Sbazzeguti
"gratta il Pepito e troverai il Pepone"
Pepito Sbazzeguti
"gratta il Pepito e troverai il Pepone"
1
voti
Tra l'altro voglio darti un'altra dritta. Tu hai a disposizione un clock a 20 kHz, da quello puoi generarti con un unico dispositivo (un contatore) sia il segnale a 10 kHz che quello a 5 kHz. Devi solo puoi decidere quale trasmettere sul canale in funzione dello stato del tuo ingressso (che avrai già convertito in digitale nel modo che ti descrivevo nei post precedenti...).
Ovviamente per ora stiamo parlando del "trasmettitore". Segui un consiglio: impara a ragionare per macroblocchi ed inizia a occuparti di un problema alla volta. Occupiamoci del trasmettitore...
Ciao
PSQ
Ovviamente per ora stiamo parlando del "trasmettitore". Segui un consiglio: impara a ragionare per macroblocchi ed inizia a occuparti di un problema alla volta. Occupiamoci del trasmettitore...
Ciao
PSQ
_-^-_-^-_-^-_-^-_-^-_-^-_-^-_-^-_-^-_-^-_-^-_-^-_-^-_-^-_
Pepito Sbazzeguti
"gratta il Pepito e troverai il Pepone"
Pepito Sbazzeguti
"gratta il Pepito e troverai il Pepone"
1
voti
Hai ragione, non perché mi ero convinto di avere due impulsi differenti. Schema a diodi cestinato.
L'altra soluzione da me proposta si è un po' macchinosa forse, ed è pur vero che non è richiesto, ma essendo l'indirizzo in ingegneria informatica questi tipi di esercizi a cosa mi servono se alla fine il mio obiettivo non è quello di interagire con un software? Forse mi complico troppo la vita.
Il perché dell'utilizzo di questi componenti (vorrei sapere se ciò che dico è corretto).
I segnali generati da trasduttori devono essere codnizionati in modo che il trasferimento dell'infromazione possa avvenire con immunità al rumore o con isolamento elettrico, ecco che uso l'amplificatore come blocco circuitale di condizionamento come interfaccia fra il circuito di rilevamento e gli altri blocchi.
Grazie al multiplexer è possibile trattare contemporaneamente diversi segnali analogici d'ingresso da più trasduttori con lo stesso A/D, però qui il segnale come mi hai fatto notare è uno.
Il circuito S/H mi serve per campionare in un tempo breve il segnale analogico da convertire e di mantenerlo stabile per tutta al durata della conversione. A questo punto l'A/D fornisce in uscita stringhe di bit che rappresentazno numeri espressi in forma binaria proporzionali ai valori del segnale analogico di ingresso.
In base a questi bit poi verificavo il tipo di segnale se a 5 o 10 V.
Trovi un riscontro o sono paranoico?
Ipotesi convertitore flash:
Il segnale V da convertire viene applicato agli ingressi non invertenti, dove ogni ingresso invertente di ciascun comparatore è connesso ad una rete resistiva che ripartisce la tensione di riferimento in otto fasce ad esempio nel caso di un convertitore a 3 bit di uscita.Ciascun comparatore commuta la sua uscita a 1 quando supera il rispettivo livello di riferimento. Le uscite vengono memorizzate in sincornisco con un segnale di clock e codificate per fornire un dato digitale stabile.
Nel nostro caso servono due bit di uscita quindi 2^2-1 comparatori.
La tua soluzione:
Non capisco molto bene il circuito. Potresti spiegarmi come si comporta durante l'impulso? Il ruolo che hanno le resistenze.
Sul Datasheet ho visto il PIN CONNECTIONS e probabilmentre disegnerò quello. In input1 + e input1- cosa collego con precisione?
Grazie ancora!
L'altra soluzione da me proposta si è un po' macchinosa forse, ed è pur vero che non è richiesto, ma essendo l'indirizzo in ingegneria informatica questi tipi di esercizi a cosa mi servono se alla fine il mio obiettivo non è quello di interagire con un software? Forse mi complico troppo la vita.
Il perché dell'utilizzo di questi componenti (vorrei sapere se ciò che dico è corretto).
I segnali generati da trasduttori devono essere codnizionati in modo che il trasferimento dell'infromazione possa avvenire con immunità al rumore o con isolamento elettrico, ecco che uso l'amplificatore come blocco circuitale di condizionamento come interfaccia fra il circuito di rilevamento e gli altri blocchi.
Grazie al multiplexer è possibile trattare contemporaneamente diversi segnali analogici d'ingresso da più trasduttori con lo stesso A/D, però qui il segnale come mi hai fatto notare è uno.
Il circuito S/H mi serve per campionare in un tempo breve il segnale analogico da convertire e di mantenerlo stabile per tutta al durata della conversione. A questo punto l'A/D fornisce in uscita stringhe di bit che rappresentazno numeri espressi in forma binaria proporzionali ai valori del segnale analogico di ingresso.
In base a questi bit poi verificavo il tipo di segnale se a 5 o 10 V.
Trovi un riscontro o sono paranoico?
Ipotesi convertitore flash:
Il segnale V da convertire viene applicato agli ingressi non invertenti, dove ogni ingresso invertente di ciascun comparatore è connesso ad una rete resistiva che ripartisce la tensione di riferimento in otto fasce ad esempio nel caso di un convertitore a 3 bit di uscita.Ciascun comparatore commuta la sua uscita a 1 quando supera il rispettivo livello di riferimento. Le uscite vengono memorizzate in sincornisco con un segnale di clock e codificate per fornire un dato digitale stabile.
Nel nostro caso servono due bit di uscita quindi 2^2-1 comparatori.
La tua soluzione:
Non capisco molto bene il circuito. Potresti spiegarmi come si comporta durante l'impulso? Il ruolo che hanno le resistenze.
Sul Datasheet ho visto il PIN CONNECTIONS e probabilmentre disegnerò quello. In input1 + e input1- cosa collego con precisione?
Grazie ancora!
2
voti
Linrush ha scritto:L'altra soluzione da me proposta si è un po' macchinosa forse, ed è pur vero che non è richiesto, ma essendo l'indirizzo in ingegneria informatica questi tipi di esercizi a cosa mi servono se alla fine il mio obiettivo non è quello di interagire con un software? Forse mi complico troppo la vita.
Non voglio entrare troppo nel merito, ma lo scopo di questo tipo di corsi, leggermente "estranei" al tuo indirizzo di studi, è proprio quello di dare anche a te, futuro "informatico" un'infarinatura di ciò che è l'elettronica. Questo perché nel mondo del lavoro in realtà le distinzioni nette non esistono, gli informatici spesso si trovano a fare gli elettronici e viceversa.
Linrush ha scritto:Il perché dell'utilizzo di questi componenti (vorrei sapere se ciò che dico è corretto).
...
Trovi un riscontro o sono paranoico?![]()
Non voglio dire che quanto hai esposto non possa funzionare. Andrebbe valutato bene ma non è impossibile.
Quello che voglio dire è che secondo il mio parere non è la risposta al tuo problema. Per esserne sicuro avrei dovuto seguire il corso con te e sentire che impostazione ha dato il professore per la risoluzione di questo tipo di problemi. Tuttavia in generale quella che proponi è una strada inutilmente complicata.
Il problema non ti chiede di "misurare" una tensione, ti chiede di discriminare due livelli, che è cosa ben diversa. Di bit in uscita, comunque tu lo faccia, ne dovrai avere sempre e solo uno, che ti indica se è presente un livello oppure l'altro.
Linrush ha scritto:La tua soluzione:
Non capisco molto bene il circuito. Potresti spiegarmi come si comporta durante l'impulso? Il ruolo che hanno le resistenze.
Sul Datasheet ho visto il PIN CONNECTIONS e probabilmentre disegnerò quello. In input1 + e input1- cosa collego con precisione?
Allora, il circuito è un comparatore di soglia. La soglia è determinata dalle prime due resistenze di sinistra, che costituiscono un partitore. Se tu alimenti il partitore con 12 V avrai, con la solita formuletta, una tensione di circa 6.54 V all'ingresso invertente del LM339. All'ingresso non invertente avrai il tuo segnale. Se il segnale è a livello 5 V, avrai che l'ingresso non invertente è a tensione più bassa di quello invertente, quindi l'uscita è bassa (0 V). Se invece il tuo segnale è a 10 V (quindi oltre i 6.54 V di soglia), l'ingresso non invertente è a tensione più alta di quello invertente, e l'uscita va alta.
La resistenza di pull-up in uscita serve perché l'LM339 ha un'uscita open-collector. Se nel compito usi blocchi idealizzati, quindi non fai riferimento allo specifico componente, puoi anche ometterla.
Spero di essere stato chiaro.
Ciao
PSQ
_-^-_-^-_-^-_-^-_-^-_-^-_-^-_-^-_-^-_-^-_-^-_-^-_-^-_-^-_
Pepito Sbazzeguti
"gratta il Pepito e troverai il Pepone"
Pepito Sbazzeguti
"gratta il Pepito e troverai il Pepone"
0
voti
Pepito ha scritto: Per esserne sicuro avrei dovuto seguire il corso con te e sentire che impostazione ha dato il professore per la risoluzione di questo tipo di problemi.
Potevi seguirlo senza di me perché per motivi di lavoro non riesco a seguire le lezioni
Domanda stupida. All'ingresso invertente non possiamo mettere una tensione di 5 V direttamente senza far uso del partitore? Non dico 5V precisi, ma 6V.
Se non si può fare posso inserire valori diversi di tensione e di resistenza per ottenere una tensione Vs poco più di 5V?
Per maggiore sicurezza mi confermi che la formula del partitore sia questa? (ho dato elettrotecnica un bel po' di tempo fa
Sei stato molto chiaro e molto paziente!
Adesso rifletto sul dopo :)
0
voti
Linrush ha scritto:Potevi seguirlo senza di me perché per motivi di lavoro non riesco a seguire le lezioni![]()
Succede, a me era successo con Campi Elettromagnetici, causa impegni con l'Esercito Italiano. Purtroppo non poter seguire i corsi è molto invalidante...
Linrush ha scritto:Domanda stupida. All'ingresso invertente non possiamo mettere una tensione di 5 V direttamente senza far uso del partitore? Non dico 5 V precisi, ma 6V.
Se non si può fare posso inserire valori diversi di tensione e di resistenza per ottenere una tensione Vs poco più di 5 V?
Ovviamente si può. Ho messo il partitore perché comunemente nella realtà si hanno a disposizione solo poche tensioni ben definite. Ad esempio in un circuito come il tuo, una situazione realistica è la presenza di un paio di tensioni, ad esempio 12 e 5 V.
Per migliorare l'immunità al rumore per entrambi i livelli, la soglia ti conviene metterla a metà tra i due. Quindi già i miei 6.54 V sono pochi, avrei dovuto mettere 7.5 V, ma mi ricordavo a memoria il partitore con i 6.54
Rifacendo i conti potresti mettere una 15k o 18k per tenerti rispettivamente come soglia appena sotto o appena sopra i 7.5 V.
Linrush ha scritto:Per maggiore sicurezza mi confermi che la formula del partitore sia questa? (ho dato elettrotecnica un bel po' di tempo fa) Vs=[r2/(r1+r2) ]*V
Te lo confermo, prendendo R2 come la resistenza verso massa ed R1 la resistenza verso i 12 V.
Ciao
PSQ
_-^-_-^-_-^-_-^-_-^-_-^-_-^-_-^-_-^-_-^-_-^-_-^-_-^-_-^-_
Pepito Sbazzeguti
"gratta il Pepito e troverai il Pepone"
Pepito Sbazzeguti
"gratta il Pepito e troverai il Pepone"
1
voti
Un consiglio, usa LaTeX per le formule, guarda come vengono belle e leggibili:

ciao
PSQ

ciao
PSQ
_-^-_-^-_-^-_-^-_-^-_-^-_-^-_-^-_-^-_-^-_-^-_-^-_-^-_-^-_
Pepito Sbazzeguti
"gratta il Pepito e troverai il Pepone"
Pepito Sbazzeguti
"gratta il Pepito e troverai il Pepone"
0
voti
si, non avevo fatto caso alla possibilità del tex...
l'uscita del comparatore l'ho utilizzata come clock con fronte di salita per il contatore 100 e fronte di discesa per il contatore 50. Mi sorge un dubbio..... ha senso posizionare l'uscita nell'ingresso di clock dell'integrato? (744024 a 7 bit BIN).
La dritta che mi hai dato poco fa non riesco a coglierla
mi sento impedito 
l'uscita del comparatore l'ho utilizzata come clock con fronte di salita per il contatore 100 e fronte di discesa per il contatore 50. Mi sorge un dubbio..... ha senso posizionare l'uscita nell'ingresso di clock dell'integrato? (744024 a 7 bit BIN).
La dritta che mi hai dato poco fa non riesco a coglierla
Chi c’è in linea
Visitano il forum: Nessuno e 37 ospiti

Elettrotecnica e non solo (admin)
Un gatto tra gli elettroni (IsidoroKZ)
Esperienza e simulazioni (g.schgor)
Moleskine di un idraulico (RenzoDF)
Il Blog di ElectroYou (webmaster)
Idee microcontrollate (TardoFreak)
PICcoli grandi PICMicro (Paolino)
Il blog elettrico di carloc (carloc)
DirtEYblooog (dirtydeeds)
Di tutto... un po' (jordan20)
AK47 (lillo)
Esperienze elettroniche (marco438)
Telecomunicazioni musicali (clavicordo)
Automazione ed Elettronica (gustavo)
Direttive per la sicurezza (ErnestoCappelletti)
EYnfo dall'Alaska (mir)
Apriamo il quadro! (attilio)
H7-25 (asdf)
Passione Elettrica (massimob)
Elettroni a spasso (guidob)
Bloguerra (guerra)





