Stavo per dire "wow, un utente che al primo messaggio usa bene fidocadj" poi ho visto che in realta` hai cambiato nickname. Problemi con l'altro? Dimenticato la password?
La resistenza vista dal condensatore C2 e` proprio solo Rd2. Per trovare la resistenza equivalente devi innanzi tutto spegnere i generatori indipendenti, come in figura A qui sotto
A questo punto vedi che il MOS e` spento, e se avete usato un modello semplificato, guardando giu` dal drain vedi una impedenza infinita, un circuito aperto dato da un generatore di corrente pilotato (la gm del MOS) che non viene attivato perche' non c'e` alcuna Vgs. Allora puoi togliere il MOS e tutto quello che c'e` attorno e rimani con il circuito B. Per trovare la resistenza equivalente vista da C2 considera solo il circuito B. Rd1 ed Rd2 non sono in parallelo perche' hanno un solo capo in comune. L'estremo basso di Rd2 non e` collegato a nulla.
Se non riesci a vederlo a occhio quanto vale, immagina di mettere un generatore di test come in figura C.
Il generatore fa scorrere una corrente attraverso Rd2, quella disegnata in blu. Fa scorrere una corrente anche attraverso Rd1? No, perche' la corrente si deve sempre richiudere. Se provasse a passare attraverso Rd1, percorso in rosso, non potrebbe tornare all'altro capo del generatore e quindi attraverso Rd1 non passa corrente. Tutta la corrente che eroga il generatore di prova e` quella indicata in blu.
Per quanto riguarda la posizione dello zero hai due possibilita`, analitico e diagramma di Bode, anche se in questo caso la situazione e` degenere.
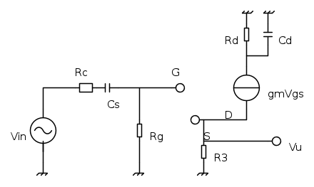
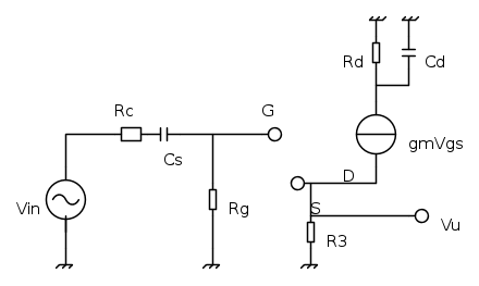
Considera questo circuitom figura A, in cui al posto del MOS ho messo un generatore di corrente pilotato, come in effetti e`.
Il circuito l'ho ridisegnato a destra, ma e` sempre lo stesso. Dal circuito vedi che la tensione di uscita e` data da

e il condensatore non ha effetto. La ragione e` che la tensione di uscita e` prelevata su Rd1, rispetto a ground, il gruppo C2Rd2 e` in serie a un generatore di corrente e quindi non cambia la corrente Id, che passa tutta in Rd1.
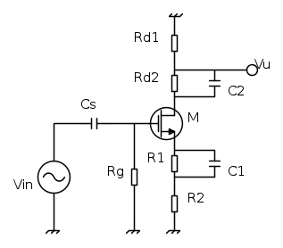
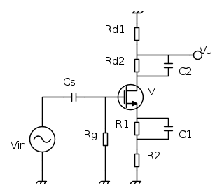
Sei sicura che il circuito fosse proprio cosi`? Ad esempio se l'uscita fosse sul drain del MOS, come in questo circuito
la tensione di uscita sarebbe

e questo, scritto un po' meglio, da`
dove si vede che c'e` uno zero e un polo. Scritto un po' meglio vuol dire che ho messo in evidenza quello che serviva per avere i due polinomi con il termine noto unitario.
Per quanto riguarda il metodo sul diagramma di Bode un'altra volta, ora non ho tutto il tempo che servirebbe.