Collegare fotocellula a cronometro hanhart E200
Moderatori:
carloc,
g.schgor,
BrunoValente,
IsidoroKZ
33 messaggi
• Pagina 3 di 4 • 1, 2, 3, 4
0
voti
Interessante! Ma se ho capito bene il suo funzionamento si basa sulla pressione che effettuano le ruote sul tubo di 5 m, questa pressione "preme" un pulsante ad aria sensibilissimo giusto? Questo vuol dire che dovrebbe stendere il tubo sulla pista, per un auto sarebbe sicuro ma per uno scooter non saprei....voi che dite?
0
voti
mi era sfuggito con la moto 
è un attimo può andarti dritta 100 volte ma basta te ne vada storta 1 per farti male
Resta da capire come progettare/comprare la fotocellula e sarei curioso di capire l'idea di
...e come diceva sempre mio nonno: "Nessuno nasce imparato"
0
voti
Se non ho capito male la sua idea era quella di escludere il contatto pulito ed utilizzare un transistor come interruttore o pulsante in quanto più veloce e meno sensibile al problema del rimbalzo! Diciamo che quando passa davanti alla fotocellula viene inviato un impulso al transistor che di conseguenza si comporta come un pulsante...almeno credo sia questo il senso...
1
voti
Gigis ha scritto: Diciamo che quando passa davanti alla fotocellula viene inviato un impulso al transistor che di conseguenza si comporta come un pulsante...almeno credo sia questo il senso...
Si esatto il senso è quello, il relè essendo elettromeccanico impiega più tempo per scambiare. Il vero problema però e che introduce un'incertezza legata al tempo di commutazione, se a
Per me l'idea di
Il prezzo è senza dubbio inferiore a quello che si spenderebbe autocostruendola; per un sistema a riflessione che in campo aperto (cioè alla luce del sole) possa garantire in modo stabile un paio di metri di copertura servono delle lenti, questo implica uno studio e una realizzazione del gruppo ottico fatti senza miseria... per tenerla corta soltanto le due lenti costerebbero intorno ai 50€ forse più. La fotocellula commerciale invece le ha già integrate e oltre a collimare il fascio IR fungono anche da filtri per la luce ambientale.
L'unico neo di queste fotocellule per l'applicazione di cronometraggio è che solitamente funzionano da 12 a 30V; questo obbliga all'utilizzo di un pacco batteria ingombrante o in alternativa, se si vuole spendere meno, all'utilizzo di una batteria al Pb non proprio comoda da gestire.
In sostanza prima di procedere bisogna fare delle scelte, se si ha in testa di spendere poco si sceglie senza alcun dubbio una fotocellula commerciale, se invece si vuole realizzare qualcosa di personalizzato si può passare all'autocostruzione ma in questo caso la spesa e il tempo da dedicare allo studio del sensore non devono essere un problema.
0
voti
...e come diceva sempre mio nonno: "Nessuno nasce imparato"
2
voti
Ah ok
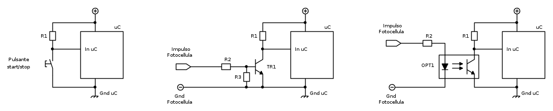
, questo è lo schema di principio, per dare un valore ai componenti servirebbero alcuni dati relativi al cronometro:
R1 è una resistenza di pull-up, uC è il microcontrollore interno al cronometro mentre In uC è l'ingresso del microcontrollore che rileva la pressione del pulsante.
Lo schema a sinistra rappresenta come dovrebbe essere il circuito del pulsante start/stop originale, lo schema al centro è la soluzione che prevede l'uso di un transistor mentre quello a destra fa uso di un optoisolatore.
Per me la soluzione migliore è quella a destra, oltre a permettere di ottenere lo start/stop da un impulso proveniente dalla fotocellula permette di mantenere isolato il cronometro evitando il danneggiamento del circuito interno se qualcosa dovesse andare storto.
R1 è una resistenza di pull-up, uC è il microcontrollore interno al cronometro mentre In uC è l'ingresso del microcontrollore che rileva la pressione del pulsante.
Lo schema a sinistra rappresenta come dovrebbe essere il circuito del pulsante start/stop originale, lo schema al centro è la soluzione che prevede l'uso di un transistor mentre quello a destra fa uso di un optoisolatore.
Per me la soluzione migliore è quella a destra, oltre a permettere di ottenere lo start/stop da un impulso proveniente dalla fotocellula permette di mantenere isolato il cronometro evitando il danneggiamento del circuito interno se qualcosa dovesse andare storto.
0
voti
Anche a me piace di più quello a destra
ero curioso per quello di vedere il collegamento poi con quello che costa il cronometro è meglio evitare di rovinarlo
...e come diceva sempre mio nonno: "Nessuno nasce imparato"
0
voti
Si anche io sono d'accordo sul circuito di destra. Comunque sia le uscite messe a disposizione del cronometro sono in parallelo al pulsante start/stop, poi leggendo su una specie di recensione di questo cronometro, dove dice che basta semplicemente cortocircuitare le due uscite messe a disposizione, deduco che lo schema che hai rappresentato vada bene.
Resta solo da capire cosa ne pensa lui del sensore che gli ho proposto.
Resta solo da capire cosa ne pensa lui del sensore che gli ho proposto.
0
voti
Salve a tutti,
l'idea di
Gigis di utilizzare il sensore proposto secondo me può andare bene... Non ho intenzione di autocostruire le componenti della fotocellula diventerebbe troppo problematico visto che non sono esperto e dovrei farmi aiutare.
per quanto riguarda l'utilizzo del pressostato come suggerito da
ZG84 , ho già provato ma non funziona in quanto l'interruttore viene fatto scattare dalla ruota posteriore e non da quella anteriore (troppo leggera) .
Quindi ricapitolando le componenti principali di cui avrei bisogno sarebbero:
- fotocellula + catarifrangente
- pacco batteria per alimentare la fotocellula
- optoisolatore
Speriamo di riuscirci...
grazie a tutti
l'idea di
per quanto riguarda l'utilizzo del pressostato come suggerito da
Quindi ricapitolando le componenti principali di cui avrei bisogno sarebbero:
- fotocellula + catarifrangente
- pacco batteria per alimentare la fotocellula
- optoisolatore
Speriamo di riuscirci...
grazie a tutti
-

moromorets
0 3 - Messaggi: 9
- Iscritto il: 19 gen 2014, 20:02
0
voti
si questo è quello di cui hai bisogno, non dimenticarti della resistenza in ingresso all'optoisolatore.
Guardando il datasheet del sensore ho notato che puoi decidere tu in che modalità vuoi che funzioni, ovvero se vuoi che l'uscita sia alta quando la luce è interrotta o quando è presente la luce (per luce il datasheet credo intenda il fascio di luce che viene riflesso e che viene rilevato), visto che l'optoisolatore ha un uscita a transistor BJT npn devi metterlo in modalità "ON quando c'è luce". Il tutto è spiegato nel datasheet e questo che ti ho appena detto è a pagina 8. Datasheet
Guardando il datasheet del sensore ho notato che puoi decidere tu in che modalità vuoi che funzioni, ovvero se vuoi che l'uscita sia alta quando la luce è interrotta o quando è presente la luce (per luce il datasheet credo intenda il fascio di luce che viene riflesso e che viene rilevato), visto che l'optoisolatore ha un uscita a transistor BJT npn devi metterlo in modalità "ON quando c'è luce". Il tutto è spiegato nel datasheet e questo che ti ho appena detto è a pagina 8. Datasheet
33 messaggi
• Pagina 3 di 4 • 1, 2, 3, 4
Chi c’è in linea
Visitano il forum: Nessuno e 28 ospiti

Elettrotecnica e non solo (admin)
Un gatto tra gli elettroni (IsidoroKZ)
Esperienza e simulazioni (g.schgor)
Moleskine di un idraulico (RenzoDF)
Il Blog di ElectroYou (webmaster)
Idee microcontrollate (TardoFreak)
PICcoli grandi PICMicro (Paolino)
Il blog elettrico di carloc (carloc)
DirtEYblooog (dirtydeeds)
Di tutto... un po' (jordan20)
AK47 (lillo)
Esperienze elettroniche (marco438)
Telecomunicazioni musicali (clavicordo)
Automazione ed Elettronica (gustavo)
Direttive per la sicurezza (ErnestoCappelletti)
EYnfo dall'Alaska (mir)
Apriamo il quadro! (attilio)
H7-25 (asdf)
Passione Elettrica (massimob)
Elettroni a spasso (guidob)
Bloguerra (guerra)





