Poli e zeri
Moderatori:
carloc,
g.schgor,
BrunoValente,
IsidoroKZ
25 messaggi
• Pagina 2 di 3 • 1, 2, 3
0
voti
[11] Re: Poli e zeri
Ancora una domanda..
Devo calcolare i poli..
L'opamp è ideale.
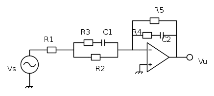
Non capisco perché la R vista da C2 è R4 in serie a R5. Perché la corrente non scorre anche nel filo sull'uscita?
Se la Rout dell'opamp non fosse stata 0, la R vista era R4 in serie al parallelo tra R4 e R5?
Credo di avere un po' di confusione..
Grazie dell'aiuto
Devo calcolare i poli..
L'opamp è ideale.
Non capisco perché la R vista da C2 è R4 in serie a R5. Perché la corrente non scorre anche nel filo sull'uscita?
Se la Rout dell'opamp non fosse stata 0, la R vista era R4 in serie al parallelo tra R4 e R5?
Credo di avere un po' di confusione..
Grazie dell'aiuto
4
voti
[12] Re: Poli e zeri
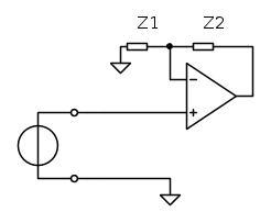
Calcola l'impedenza Zx che si vede con operazionale ideale (usa un generatore di tensione, con quello di corrente non viene)
Questa impedenza viene infinita, ed e` un risultato importante da ricordare perche' spesso semplifica la vita, come in questo caso, in cui l'impedenza vista da C2 e` immediata da dire.
Questa impedenza viene infinita, ed e` un risultato importante da ricordare perche' spesso semplifica la vita, come in questo caso, in cui l'impedenza vista da C2 e` immediata da dire.
Per usare proficuamente un simulatore, bisogna sapere molta più elettronica di lui
Plug it in - it works better!
Il 555 sta all'elettronica come Arduino all'informatica! (entrambi loro malgrado)
Se volete risposte rispondete a tutte le mie domande
Plug it in - it works better!
Il 555 sta all'elettronica come Arduino all'informatica! (entrambi loro malgrado)
Se volete risposte rispondete a tutte le mie domande
0
voti
[13] Re: Poli e zeri
Ho cercato di capire un po' meglio, ma penso ci sia qualcosa che mi sfugge..
Considerando l'Opamp ideale, nel ramo del generatore di tensione pilotato
scorre corrente? Cioè, nel caso ideale ha ancora senso
oppure lo considero un ramo aperto?
Non so se è lecita o no la mia domanda..
Grazie
Considerando l'Opamp ideale, nel ramo del generatore di tensione pilotato
scorre corrente? Cioè, nel caso ideale ha ancora senso
oppure lo considero un ramo aperto?Non so se è lecita o no la mia domanda..
Grazie
1
voti
[14] Re: Poli e zeri
Schema! Non capisco la domanda.
Per usare proficuamente un simulatore, bisogna sapere molta più elettronica di lui
Plug it in - it works better!
Il 555 sta all'elettronica come Arduino all'informatica! (entrambi loro malgrado)
Se volete risposte rispondete a tutte le mie domande
Plug it in - it works better!
Il 555 sta all'elettronica come Arduino all'informatica! (entrambi loro malgrado)
Se volete risposte rispondete a tutte le mie domande
0
voti
[15] Re: Poli e zeri
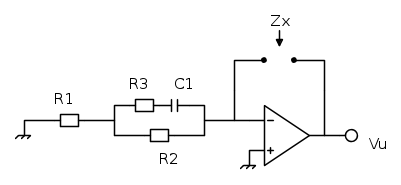
Ho scritto le domande direttamente sullo schema.. il circuito di partenza, di cui calcolare i poli è quello di fig. 1. Ho già la soluzione ma preferivo capire meglio per cercare di risolvere anche cose un po' diverse in cui rientrino gli opamp.. Mi sfugge il fatto del ramo
..non ci scorre mai corrente?? Cioè se
è infinita, quel ramo lo considero aperto??
Non so se sono riuscita ad esporre bene i miei dubbi..
Grazie per l'aiuto
..non ci scorre mai corrente?? Cioè se
è infinita, quel ramo lo considero aperto?? Non so se sono riuscita ad esporre bene i miei dubbi..
Grazie per l'aiuto
3
voti
[16] Re: Poli e zeri
Comincia a dare un'occhiata a questo messaggio viewtopic.php?f=1&t=16478&p=112710#p112710 nonche' a questo articolo di
obiuan.
Guardando nell'ingresso non invertente vedi sempre una impedenza che tende a infinito. Guardando nell'ingresso invertente, se c'e` retroazione negativa e l'operazionale non e` saturo vedi una impedenza molto bassa, praticamente nulla. Guardando l'impedenza che si vede dalla impedenza di retroazione, l'impedenza e` praticamente infinita. Il tutto con operazionale ideale.
Adesso sono di corsa, poi magari faccio un disegno.
Guardando nell'ingresso non invertente vedi sempre una impedenza che tende a infinito. Guardando nell'ingresso invertente, se c'e` retroazione negativa e l'operazionale non e` saturo vedi una impedenza molto bassa, praticamente nulla. Guardando l'impedenza che si vede dalla impedenza di retroazione, l'impedenza e` praticamente infinita. Il tutto con operazionale ideale.
Adesso sono di corsa, poi magari faccio un disegno.
Per usare proficuamente un simulatore, bisogna sapere molta più elettronica di lui
Plug it in - it works better!
Il 555 sta all'elettronica come Arduino all'informatica! (entrambi loro malgrado)
Se volete risposte rispondete a tutte le mie domande
Plug it in - it works better!
Il 555 sta all'elettronica come Arduino all'informatica! (entrambi loro malgrado)
Se volete risposte rispondete a tutte le mie domande
0
voti
[17] Re: Poli e zeri
Ti sarei davvero grata se tu mi facessi un disegno, quando puoi..Avevo già letto sia il messaggi che l'articolo, prima di scrivere. Vorrei capire meglio, se possibile, da che preciso punto si vedono le impedenze che hai elencato. Cioè, impedenza vista dall'ingresso non invertente..dove devo pormi per vederla? E così x le altre..
Scusa, sono un po' dura...lo so..
Grazie
Scusa, sono un po' dura...lo so..
Grazie
5
voti
[18] Re: Poli e zeri
Ciao
fegipi88,
l'impedenza puoi vederla tra due punti qualsiasi di un circuito applicando un generatore di tensione tra quei due punti, misurando la corrente che scorre nel generatore ed eseguendo il rapporto tra tensione e corrente, oppure applicando un generatore di corrente tra quei punti, misurando la tensione che cade sul generatore ed eseguendo il rapporto tra tensione e corrente.
La scelta tra generatore di tensione o di corrente è indifferente ma in alcuni casi è obbligata: se hai un'impedenza infinita non puoi applicare un generatore di corrente, se hai un'impedenza nulla non puoi applicare un generatore di tensione.
1) Tra ingresso non invertente e riferimento.
Se applichi un generatore di tensione tra quei due punti di un amplificatore ideale controreazionato e non saturo vedi un'impedenza che tende all'infinito.
Questo non tanto perché è infinita l'impedenza fisica tra ingresso non invertente e ingresso invertente ma perché la tensione tra i due ingressi tende a zero per effetto della controreazione e dell'amplificazione infinita ad anello aperto, quindi anche se tra i due ingressi ci fosse una impedenza finita, non scorrendo alcuna corrente attraverso di essa, apparirebbe comunque un'impedenza infinita tra l'ingresso non invertente e il riferimento.
2) Tra ingresso invertente e riferimento.
Se applichi un generatore di corrente tra quei due punti di un amplificatore ideale controreazionato e non saturo vedi un'impedenza che tende a zero.
Anche in questo caso sono la controreazione e l'amplificazione infinita ad anello aperto che la fanno apparire nulla.
La tensione tra l'ingresso invertente e il riferimento non può essere diversa da zero anche quando la corrente del generatore scorre nell'ingresso, questo perché la tensione di uscita si muove di quanto serve per contrastare ed annullare, attraverso la rete di controreazione, qualsiasi variazione di tensione su quell'ingresso.
3) Tra uscita ed ingresso invertente.
Se applichi un generatore di tensione tra quei due punti di un amplificatore ideale controreazionato e non saturo vedi un'impedenza che tende all'infinito.
Questo si spiega un po' meno intuitivamente ma c'è modo di arrivarci facilmente.
Anche qui la tensione di uscita si muove cercando di opporsi a qualsiasi variazione della tensione tra l'ingresso invertente e il riferimento. Per farlo si porta allo stesso identico valore di tensione del generatore così da annullare qualsiasi corrente attraverso di esso.
Il generatore non si accorge di questo, vede solo che al variare della sua tensione la corrente che lo attraversa è sempre nulla e quindi crede davvero che ai suoi capi vi sia un'impedenza infinita.
l'impedenza puoi vederla tra due punti qualsiasi di un circuito applicando un generatore di tensione tra quei due punti, misurando la corrente che scorre nel generatore ed eseguendo il rapporto tra tensione e corrente, oppure applicando un generatore di corrente tra quei punti, misurando la tensione che cade sul generatore ed eseguendo il rapporto tra tensione e corrente.
La scelta tra generatore di tensione o di corrente è indifferente ma in alcuni casi è obbligata: se hai un'impedenza infinita non puoi applicare un generatore di corrente, se hai un'impedenza nulla non puoi applicare un generatore di tensione.
1) Tra ingresso non invertente e riferimento.
Se applichi un generatore di tensione tra quei due punti di un amplificatore ideale controreazionato e non saturo vedi un'impedenza che tende all'infinito.
Questo non tanto perché è infinita l'impedenza fisica tra ingresso non invertente e ingresso invertente ma perché la tensione tra i due ingressi tende a zero per effetto della controreazione e dell'amplificazione infinita ad anello aperto, quindi anche se tra i due ingressi ci fosse una impedenza finita, non scorrendo alcuna corrente attraverso di essa, apparirebbe comunque un'impedenza infinita tra l'ingresso non invertente e il riferimento.
2) Tra ingresso invertente e riferimento.
Se applichi un generatore di corrente tra quei due punti di un amplificatore ideale controreazionato e non saturo vedi un'impedenza che tende a zero.
Anche in questo caso sono la controreazione e l'amplificazione infinita ad anello aperto che la fanno apparire nulla.
La tensione tra l'ingresso invertente e il riferimento non può essere diversa da zero anche quando la corrente del generatore scorre nell'ingresso, questo perché la tensione di uscita si muove di quanto serve per contrastare ed annullare, attraverso la rete di controreazione, qualsiasi variazione di tensione su quell'ingresso.
3) Tra uscita ed ingresso invertente.
Se applichi un generatore di tensione tra quei due punti di un amplificatore ideale controreazionato e non saturo vedi un'impedenza che tende all'infinito.
Questo si spiega un po' meno intuitivamente ma c'è modo di arrivarci facilmente.
Anche qui la tensione di uscita si muove cercando di opporsi a qualsiasi variazione della tensione tra l'ingresso invertente e il riferimento. Per farlo si porta allo stesso identico valore di tensione del generatore così da annullare qualsiasi corrente attraverso di esso.
Il generatore non si accorge di questo, vede solo che al variare della sua tensione la corrente che lo attraversa è sempre nulla e quindi crede davvero che ai suoi capi vi sia un'impedenza infinita.
-

BrunoValente
39,6k 7 11 13 - G.Master EY

- Messaggi: 7796
- Iscritto il: 8 mag 2007, 14:48
0
voti
[19] Re: Poli e zeri
Grazie della spiegazione!!
Mi state dando davvero un grande aiuto!!
Ho capito abbastanza tutto anche se un po' meno l'ultimo caso. Potrei però spiegarmelo (forse) pensando che a sinistra del generatore ho sempre una Rvista pari a 0 (ricordando il caso di impedenza vista tra ingresso non invertente e riferimento) mentre a destra del generatore ho solo il percorso che attraversa il generatore di tensione dipendente da Avol, ma essendo Avol infinita, posso immaginare tale ramo come un circuito aperto. Mi confermate che questo mio ultimo ragionamento è giusto?
Ho capito abbastanza tutto anche se un po' meno l'ultimo caso. Potrei però spiegarmelo (forse) pensando che a sinistra del generatore ho sempre una Rvista pari a 0 (ricordando il caso di impedenza vista tra ingresso non invertente e riferimento) mentre a destra del generatore ho solo il percorso che attraversa il generatore di tensione dipendente da Avol, ma essendo Avol infinita, posso immaginare tale ramo come un circuito aperto. Mi confermate che questo mio ultimo ragionamento è giusto?
2
voti
[20] Re: Poli e zeri
No, non mi pare giusto. Il ragionamento "intuitivo" e` quello che ha detto
BrunoValente. L'operazionale retroazionato (c'e` un generatore di tensione che chiude l'anello. Se fosse stato un generatore di corrente non avrebbe chiuso l'anello) tiene V- allo stesso potenziale di V+, quindi a 0V. In queste condizioni non passa corrente nell'impedenza Z1, e neppure nell'impedenza differenziale dell'operazionale, se la vuoi mettere. Quindi non passa corrente neanche nel generatore di prova, che quindi vede impedenza infinita.
Oppure fai i conti :)
Oppure fai i conti :)
Per usare proficuamente un simulatore, bisogna sapere molta più elettronica di lui
Plug it in - it works better!
Il 555 sta all'elettronica come Arduino all'informatica! (entrambi loro malgrado)
Se volete risposte rispondete a tutte le mie domande
Plug it in - it works better!
Il 555 sta all'elettronica come Arduino all'informatica! (entrambi loro malgrado)
Se volete risposte rispondete a tutte le mie domande
25 messaggi
• Pagina 2 di 3 • 1, 2, 3
Chi c’è in linea
Visitano il forum: Nessuno e 46 ospiti

Elettrotecnica e non solo (admin)
Un gatto tra gli elettroni (IsidoroKZ)
Esperienza e simulazioni (g.schgor)
Moleskine di un idraulico (RenzoDF)
Il Blog di ElectroYou (webmaster)
Idee microcontrollate (TardoFreak)
PICcoli grandi PICMicro (Paolino)
Il blog elettrico di carloc (carloc)
DirtEYblooog (dirtydeeds)
Di tutto... un po' (jordan20)
AK47 (lillo)
Esperienze elettroniche (marco438)
Telecomunicazioni musicali (clavicordo)
Automazione ed Elettronica (gustavo)
Direttive per la sicurezza (ErnestoCappelletti)
EYnfo dall'Alaska (mir)
Apriamo il quadro! (attilio)
H7-25 (asdf)
Passione Elettrica (massimob)
Elettroni a spasso (guidob)
Bloguerra (guerra)







