Cos'è ElectroYou | Login Iscriviti

ElectroYou - la comunità dei professionisti del mondo elettrico

Poli e zeri

Elettronica lineare e digitale: didattica ed applicazioni

Moderatori: Foto Utentecarloc, Foto Utenteg.schgor, Foto UtenteBrunoValente, Foto UtenteIsidoroKZ

0
voti

[21] Re: Poli e zeri

Messaggioda Foto Utentefegipi88 » 28 gen 2014, 15:04

Vediamo se ho capito..

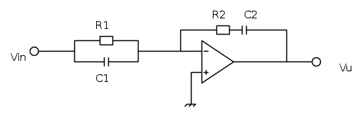
A prescindere dal fatto che la funzione di trasferimento è immediata da trovare, notando la onfigurazione invertente.. Se volessi calcolare poli e zeri dovrei avere:
POLI:
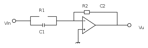
1) La R vista da C1 è 0, perché teoricamente R1 è cortocircuitata.. Quindi, ho un polo nell'origine.

2)La R vista da C2 è infinita, quindi C2 non introduce polo (?!!)

ZERI:
1)La Vin va a infinito quando il gruppo R1, C1 è aperto. Quindi: w_{z_{0}}=\frac{1}{R_{1}C_{1}}
2)La Vu va a zero se la serie R2, C2 sono cortocircuitate. Quindi: w_{z_{0}}=\frac{1}{R_{2}C_{2}}

Come mai ci sono più zeri che poli? Forse perché a regime la funzione di trasferimento cresce all'infinito?
Grazie per l'ennesima volta..
Avatar utente
Foto Utentefegipi88
15 3
 
Messaggi: 14
Iscritto il: 23 gen 2014, 13:12

6
voti

[22] Re: Poli e zeri

Messaggioda Foto UtenteIsidoroKZ » 28 gen 2014, 16:17

C1 e` cortocircuitato, vede una resistenza nulla. La costante di tempo del suo polo vale \tau=C_1\times 0\Omega=0\text{s} e la frequenza del polo f_p=\frac{1}{2\pi\tau}\to \infty, quindi il polo va a frequenza infinita.

Anche se il risultato e` assurdo questo pezzo e` giusto perche' C1 trasforma il circuito in un derivatore che ha un polo all'infinito.

C2 vede una resistenza equivalente infinita, quindi il suo polo ha una costante di tempo infinita e frequenza del polo nulla: e` un polo nell'origine, un integratore.

Quando il gruppo R1 C1 e` aperto la Vin non va a infinito, la Vin e` una variabile indipendente, la metti tu come vuoi. R1 C1 aperto stacca Vin dal circuito e l'uscita non c'e` piu`: e` uno zero. Per R2 e C2 in corto invece e` giusto, il circuito non guadagna nulla e l'uscita e` azzerata.

In definitiva hai un polo nell'origine, due zeri al finito e un polo all'infinito.

Il diagramma di Bode viene una cosa del genere



La posizione degli zeri potrebbe anche essere scambiata, a seconda dei valori di R e C, ma il diagramma mantiene la stessa forma.
Per usare proficuamente un simulatore, bisogna sapere molta più elettronica di lui
Plug it in - it works better!
Il 555 sta all'elettronica come Arduino all'informatica! (entrambi loro malgrado)
Se volete risposte rispondete a tutte le mie domande
Avatar utente
Foto UtenteIsidoroKZ
121,2k 1 3 8
G.Master EY
G.Master EY
 
Messaggi: 21059
Iscritto il: 17 ott 2009, 0:00

7
voti

[23] Re: Poli e zeri

Messaggioda Foto UtenteIsidoroKZ » 28 gen 2014, 16:45

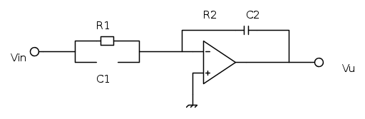
Dimenticavo: l'analisi a spanne la si puo` fare in questo modo, ricordando che quando due elementi sono in serie "vince" quello con impedenza maggiore, che controlla la serie, mentre quando sono in parallelo vince quello con impedenza minore.

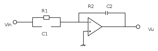
A frequenza molto basse i condensatori hanno una impedenza molto elevata e quindi il circuito si comporta circa come questo



in cui R1 domina il parallelo e C2 domina la serie, quindi C1 e` praticamente come se fosse un circuito aperto nei confronti di R1 e R2 e` praticamente un cortocircuito rispetto a C2. In questo caso la funzione di trasferimento e` quella di un integratore



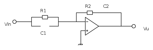
All'aumentare della frequenza l'impedenza dei due condensatori scende e puo` capitare che l'impedenza di C2 diventi piu` piccola di R2, oppure che l'impedenza di C1 diventi piu` piccola di R1, dipende dai valori.

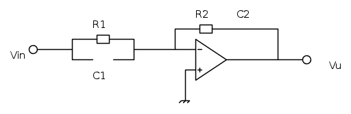
Supponiamo che l'impedenza di C2, da una certa frequenza in su, diventi piu` piccola di R2, mentre quella ci C1 e` ancora maggiore di R1. Il circuito, in queste condizioni, diventa circa questo qui



che e` un normalissimo amplificatore invertente. Il passaggio dal primo schema al secondo capita quando l'impedenza di C2 diventa in modulo uguale alla resistenza di R2. Il corrispondente pezzo di diagramma di Bode diventa



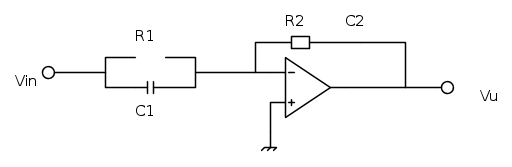
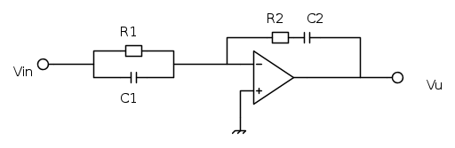
Salendo ancora di frequenza C2 era gia` praticamente un cortocircuito rispetto ad R2 e rimane ancora cosi`, mentre entra in gioco C1, la cui impedenza diventa,da una certa frequenza in su, piu` piccola di R1. Il circuito diventa quindi



e questo e` un derivatore, il cui guadagno idealmente sale al salire della frequenza. Il suo diagramma di Bode e`



La frequenza di crossover del derivatore e` data da R2 e C1, come in un qualunque derivatore, ma nell'esempio quella parte tratteggiata non c'e` perche' a quella frequenza piu` bassa ci sono ancora gli effetti degli altri componenti: del derivatore (come gia` capitava per l'integratore) si vede solo un tratto della caratteristica.

TUtto cio` supponendo che l'operazionale sia ideale, che vuol dire guadagno infinito. In realta` in un circuito reale il polo nell'origine non e` proprio nell'origine, a frequenza nulla, ma e` una buona approssimazione a frequenza bassissima. Invece il polo all'infinito non c'e` proprio verso neanche di approssimarlo: il tratto derivativo va su fino a una certa frequenza, poi entrano in gioco le limitazionid dell'operazionale e capitano casini immondi. Da notare che il derivatore, e quindi anche questo circuito, e` instabile, se lo costruissi verrebbe fuori un mare di rumore e oscillazioni poco smorzate.
Per usare proficuamente un simulatore, bisogna sapere molta più elettronica di lui
Plug it in - it works better!
Il 555 sta all'elettronica come Arduino all'informatica! (entrambi loro malgrado)
Se volete risposte rispondete a tutte le mie domande
Avatar utente
Foto UtenteIsidoroKZ
121,2k 1 3 8
G.Master EY
G.Master EY
 
Messaggi: 21059
Iscritto il: 17 ott 2009, 0:00

0
voti

[24] Re: Poli e zeri

Messaggioda Foto Utentefegipi88 » 29 gen 2014, 0:13

Capito.. :ok: :ok:
Non so se siete dei professori di università oppure no, ma per quanto mi riguarda..siete veramente molto molto molto efficaci nelle spiegazioni..molto più di tante ore confuse di lezione. =D>
Avatar utente
Foto Utentefegipi88
15 3
 
Messaggi: 14
Iscritto il: 23 gen 2014, 13:12

2
voti

[25] Re: Poli e zeri

Messaggioda Foto UtentePietroBaima » 29 gen 2014, 1:36

Sì, Foto UtenteIsidoroKZ dovrebbe proprio fare il professore !!!
Anzi, no, altrimenti rischierebbe di diventare confusionario... :mrgreen:
Generatore codice per articoli:
nomi
Sul forum:
[pigreco]=π
[ohm]=Ω
[quadrato]=²
[cubo]=³
Avatar utente
Foto UtentePietroBaima
90,7k 7 12 13
G.Master EY
G.Master EY
 
Messaggi: 12206
Iscritto il: 12 ago 2012, 1:20
Località: Londra

Precedente

Torna a Elettronica generale

Chi c’è in linea

Visitano il forum: Nessuno e 37 ospiti