Buongiorno,
vorrei simulare il seguente circuito con turn-on e turn-off snubbers per un SCR.
Non so bene come dimensionare i valori di capacità e resistenze, potreste aiutarmi? Vanno bene i valori utilizzati?? grazie
Dimensionamento circuito SCR
Moderatori:
g.schgor,
IsidoroKZ
6 messaggi
• Pagina 1 di 1
0
voti
1
voti
Sull'argomento segnalo questo articolo.
Se hai difficoltà di simulazione, possiamo farla insieme.
Se hai difficoltà di simulazione, possiamo farla insieme.
0
voti
Scusa, ma il diodo, (senza sigla
), non è controproducente? Essendo corrente e tensione comunque sfasate per qualche ragione, mi sembra pericoloso e dannoso.
Normalmente, di fronte ad un carico induttivo che si interrompe, (al naturale passaggio della corrente per lo zero), c'è una sovratensione di apertura sul tiristore.
Normalmente, di fronte ad un carico induttivo che si interrompe, (al naturale passaggio della corrente per lo zero), c'è una sovratensione di apertura sul tiristore.
-

Candy
32,5k 7 10 13 - CRU - Account cancellato su Richiesta utente
- Messaggi: 10123
- Iscritto il: 14 giu 2010, 22:54
0
voti
Per dimensionare uno snubber non ti converrebbe utilizzare un circuito in cui effettui l'analisi della commutazione?
perché quello non è propriamente il modello che viene utilizzato.
Se vuoi, posso provare a spiegarti un metodo che viene utilizzato usualmente in elettronica di potenza.
perché quello non è propriamente il modello che viene utilizzato.
Se vuoi, posso provare a spiegarti un metodo che viene utilizzato usualmente in elettronica di potenza.
5
voti
Ciao
Cercherò di farla il più breve possibile, ti sembrerà un odissea, ma credo che altri lettori potranno trovare interessante la trattazione.
Quando vai effettivamente a fare i conti utilizzando questo metodo, ti servirà obbligatoriamente il datasheet del tiristore (e spera sia il più completo possibile).
E' bene ricordare che l'innesco dell'SCR comporta anche una corrente anodica causata dalla scarica del condensatore di snubber (che viene caricato al potenziale
) con una derivata molto elevata, ciò comporta che il valore iniziale della corrente di scarica (
) del condensatore di snubber non deve superare il 5-10% della corrente media fornita dal catalogo dell'SCR per non avere effetti di/dt.
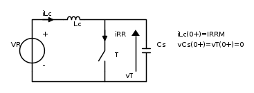
Ci interessiamo in particolare della transizione ON -> OFF (quella in cui avviene il fenomeno della sovratensione) ed eccone il modello.
L'SCR si comporta come un simil diodo durante questa commutazione, ovvero:
1. La corrente anodica diminuisce in funzione dell'induttanza di commutazione e della tensione inversa Vr
2. Presenza del fenomeno di reverse recovery per eliminare la carica accumulata nelle giunzioni a causa dei portatori minoritari e per caricare le capacità di barriera per bloccare la tensione inversa
3. Apertura tipica da diodo snap-off, abbiamo delle sovratensioni a causa dell'induttanza di commutazione.
Osservazione: dopo l'apertura, il tiristore, non può subito sostenere una tensione di polarizzazione diretta applicata con il massimo valore dv/dt (questo tempo lo trovi sui cataloghi come tempo di OFF, tipicamente sta nell'ordine delle decine o centinaia di microsecondi), se non si presta attenzione dunque rischi un innesco non controllato per effetto dv/dt.
Questo è un andamento generico nel tempo durante la transizione da ON a OFF

Come si nota dall'immagine, tra l'istante t1 e t3 la corrente anodica diventa negativa, linearizzando le pendenze, ci riconduciamo ad un triangolo.

Quindi per calcolare l'area tratteggiata (
, carica di reverse recovery) in rosso dovrai avere nel catalogo del tuo SCR i dati:
e 
Precisato questo, passiamo ai fatti, studiare il comportamento in commutazione di un SCR è come studiare un regime di un circuito RLC serie equivalente.
Procediamo per passi
STEP 1:
Considero inizialmente uno snubber capacitivo Cs (trascurando la resistenza)
Omettendoti tutti i conti del caso, troviamo la tensione
e la normalizziamo rispetto a quella del generatore 
![\[
\begin{cases}
v_{T,norm}(t)=\frac{v_T(t)}{V_R}=1-cos(\omega_0t)+\sqrt{\frac{C_{base}}{C_s}}sin(\omega_0t) \\
C_{base}=L_c \frac{I_{RRM}^2}{V_R^2} \\
\omega_0=\frac{L_c}{C_s}
\end{cases}
\] \[
\begin{cases}
v_{T,norm}(t)=\frac{v_T(t)}{V_R}=1-cos(\omega_0t)+\sqrt{\frac{C_{base}}{C_s}}sin(\omega_0t) \\
C_{base}=L_c \frac{I_{RRM}^2}{V_R^2} \\
\omega_0=\frac{L_c}{C_s}
\end{cases}
\]](/forum/latexrender/pictures/a5aa04a121029417206689620bc5b2d3.png)
Da cui possiamo estrapolare il valore massimo (sovratensione) della tensione normalizzata:
![\[
v_{T,norm,max}=1+\sqrt{1+\frac{C_{base}}{C_s}}
\] \[
v_{T,norm,max}=1+\sqrt{1+\frac{C_{base}}{C_s}}
\]](/forum/latexrender/pictures/8b4919920b91f05b31e5fb798d0fdec0.png)

Da cui puoi notare che un rapporto favorevole è di circa 1.
STEP 2:
Consideriamo anche l'effetto della resistenza Rs dello snubber
Facendo l'equazione alla maglia troviamo:
Andandola a risolvere, normalizzandola rispetto a Vr (esattamente come prima) otteniamo:
![\[
\begin{cases}
v_{T,norm}(t)=1+e^{-\xi t}[K_1 cos(\omega_rt)+K_2 sin(\omega_rt)]\\
\xi=\frac{R_s}{2L_c} \\
\omega_r=\sqrt{\omega_r^2- \xi^2} \\
K_1=\frac{R_s}{R_{base}}-1 \\
K_2=\frac{R_s}{2 \omega_r L_c} - \frac{R_s^2}{2 \omega_r L_c R_{base}} + \frac{1}{\omega_r C_s R_{base}} \\
R_{base}=\frac{V_R}{I_{RRM}}
\end{cases}
\] \[
\begin{cases}
v_{T,norm}(t)=1+e^{-\xi t}[K_1 cos(\omega_rt)+K_2 sin(\omega_rt)]\\
\xi=\frac{R_s}{2L_c} \\
\omega_r=\sqrt{\omega_r^2- \xi^2} \\
K_1=\frac{R_s}{R_{base}}-1 \\
K_2=\frac{R_s}{2 \omega_r L_c} - \frac{R_s^2}{2 \omega_r L_c R_{base}} + \frac{1}{\omega_r C_s R_{base}} \\
R_{base}=\frac{V_R}{I_{RRM}}
\end{cases}
\]](/forum/latexrender/pictures/13dff46eb80fbe1edf55c723fc10645c.png)
Ovviamente sarebbe decisamente un casino trovare una soluzione ottimale facendo i conti manualmente, ad esempio utilizzando matlab, fissa il valore di
fai variare il valore di
da 0 fino al valore
.
Eccoti un esempio dell'andamento della sovratensione ponendo

Da qui si nota che
, in corrispondenza troviamo una sovratensione di 1,5.
Puoi notare anche che valori al di fuori dei dintorni del minimo fanno innalzare piuttosto bruscamente la tensione.
STEP 3: Ottimizzare i risultati
Una volta determinata la resistenza ottimale
devi verificare che la corrente di scarica del condensatore quando il tiristore è comandato in ON (è una verifica standard).
![\[
R_s=max(R_{s,opt},\frac{10V_{DR,max}}{I_{TAV}})
\] \[
R_s=max(R_{s,opt},\frac{10V_{DR,max}}{I_{TAV}})
\]](/forum/latexrender/pictures/a76056234bd2d72e5a2aaad72ad8c9c5.png)


Se
devi di nuovo ad andare a rivalutare la sovratensione, in caso di valori eccessivi devi aumentare la capacità dello snubber Cs.
STEP 4: Dimensionamento in potenza
Ovviamente la resistenza dovrà essere dimensionata anche in potenza, considerando entrambe le commutazioni (accensione, spegnimento) del tiristore avremo
![\[
W_R_s=\frac{1}{2}(L_c I_{RRM}^2 + C_s V_R^2)
\] \[
W_R_s=\frac{1}{2}(L_c I_{RRM}^2 + C_s V_R^2)
\]](/forum/latexrender/pictures/c29c32e53919f6de55039c3b26766269.png)
Da cui puoi dedurre che bisogna cercare di tenere Cs il più basso possibile per evitare potenze dissipate troppo elevate.
Cercherò di farla il più breve possibile, ti sembrerà un odissea, ma credo che altri lettori potranno trovare interessante la trattazione.
Quando vai effettivamente a fare i conti utilizzando questo metodo, ti servirà obbligatoriamente il datasheet del tiristore (e spera sia il più completo possibile).
E' bene ricordare che l'innesco dell'SCR comporta anche una corrente anodica causata dalla scarica del condensatore di snubber (che viene caricato al potenziale
) con una derivata molto elevata, ciò comporta che il valore iniziale della corrente di scarica (
) del condensatore di snubber non deve superare il 5-10% della corrente media fornita dal catalogo dell'SCR per non avere effetti di/dt.Ci interessiamo in particolare della transizione ON -> OFF (quella in cui avviene il fenomeno della sovratensione) ed eccone il modello.
L'SCR si comporta come un simil diodo durante questa commutazione, ovvero:
1. La corrente anodica diminuisce in funzione dell'induttanza di commutazione e della tensione inversa Vr
2. Presenza del fenomeno di reverse recovery per eliminare la carica accumulata nelle giunzioni a causa dei portatori minoritari e per caricare le capacità di barriera per bloccare la tensione inversa
3. Apertura tipica da diodo snap-off, abbiamo delle sovratensioni a causa dell'induttanza di commutazione.
Osservazione: dopo l'apertura, il tiristore, non può subito sostenere una tensione di polarizzazione diretta applicata con il massimo valore dv/dt (questo tempo lo trovi sui cataloghi come tempo di OFF, tipicamente sta nell'ordine delle decine o centinaia di microsecondi), se non si presta attenzione dunque rischi un innesco non controllato per effetto dv/dt.
Questo è un andamento generico nel tempo durante la transizione da ON a OFF

Come si nota dall'immagine, tra l'istante t1 e t3 la corrente anodica diventa negativa, linearizzando le pendenze, ci riconduciamo ad un triangolo.

Quindi per calcolare l'area tratteggiata (
, carica di reverse recovery) in rosso dovrai avere nel catalogo del tuo SCR i dati:
e 
Precisato questo, passiamo ai fatti, studiare il comportamento in commutazione di un SCR è come studiare un regime di un circuito RLC serie equivalente.
Procediamo per passi
STEP 1:
Considero inizialmente uno snubber capacitivo Cs (trascurando la resistenza)
Omettendoti tutti i conti del caso, troviamo la tensione
e la normalizziamo rispetto a quella del generatore 
![\[
\begin{cases}
v_{T,norm}(t)=\frac{v_T(t)}{V_R}=1-cos(\omega_0t)+\sqrt{\frac{C_{base}}{C_s}}sin(\omega_0t) \\
C_{base}=L_c \frac{I_{RRM}^2}{V_R^2} \\
\omega_0=\frac{L_c}{C_s}
\end{cases}
\] \[
\begin{cases}
v_{T,norm}(t)=\frac{v_T(t)}{V_R}=1-cos(\omega_0t)+\sqrt{\frac{C_{base}}{C_s}}sin(\omega_0t) \\
C_{base}=L_c \frac{I_{RRM}^2}{V_R^2} \\
\omega_0=\frac{L_c}{C_s}
\end{cases}
\]](/forum/latexrender/pictures/a5aa04a121029417206689620bc5b2d3.png)
Da cui possiamo estrapolare il valore massimo (sovratensione) della tensione normalizzata:
![\[
v_{T,norm,max}=1+\sqrt{1+\frac{C_{base}}{C_s}}
\] \[
v_{T,norm,max}=1+\sqrt{1+\frac{C_{base}}{C_s}}
\]](/forum/latexrender/pictures/8b4919920b91f05b31e5fb798d0fdec0.png)

Da cui puoi notare che un rapporto favorevole è di circa 1.
STEP 2:
Consideriamo anche l'effetto della resistenza Rs dello snubber
Facendo l'equazione alla maglia troviamo:
Andandola a risolvere, normalizzandola rispetto a Vr (esattamente come prima) otteniamo:
![\[
\begin{cases}
v_{T,norm}(t)=1+e^{-\xi t}[K_1 cos(\omega_rt)+K_2 sin(\omega_rt)]\\
\xi=\frac{R_s}{2L_c} \\
\omega_r=\sqrt{\omega_r^2- \xi^2} \\
K_1=\frac{R_s}{R_{base}}-1 \\
K_2=\frac{R_s}{2 \omega_r L_c} - \frac{R_s^2}{2 \omega_r L_c R_{base}} + \frac{1}{\omega_r C_s R_{base}} \\
R_{base}=\frac{V_R}{I_{RRM}}
\end{cases}
\] \[
\begin{cases}
v_{T,norm}(t)=1+e^{-\xi t}[K_1 cos(\omega_rt)+K_2 sin(\omega_rt)]\\
\xi=\frac{R_s}{2L_c} \\
\omega_r=\sqrt{\omega_r^2- \xi^2} \\
K_1=\frac{R_s}{R_{base}}-1 \\
K_2=\frac{R_s}{2 \omega_r L_c} - \frac{R_s^2}{2 \omega_r L_c R_{base}} + \frac{1}{\omega_r C_s R_{base}} \\
R_{base}=\frac{V_R}{I_{RRM}}
\end{cases}
\]](/forum/latexrender/pictures/13dff46eb80fbe1edf55c723fc10645c.png)
Ovviamente sarebbe decisamente un casino trovare una soluzione ottimale facendo i conti manualmente, ad esempio utilizzando matlab, fissa il valore di
fai variare il valore di
da 0 fino al valore
.Eccoti un esempio dell'andamento della sovratensione ponendo


Da qui si nota che
, in corrispondenza troviamo una sovratensione di 1,5.Puoi notare anche che valori al di fuori dei dintorni del minimo fanno innalzare piuttosto bruscamente la tensione.
STEP 3: Ottimizzare i risultati
Una volta determinata la resistenza ottimale
devi verificare che la corrente di scarica del condensatore quando il tiristore è comandato in ON (è una verifica standard).![\[
R_s=max(R_{s,opt},\frac{10V_{DR,max}}{I_{TAV}})
\] \[
R_s=max(R_{s,opt},\frac{10V_{DR,max}}{I_{TAV}})
\]](/forum/latexrender/pictures/a76056234bd2d72e5a2aaad72ad8c9c5.png)


Se
devi di nuovo ad andare a rivalutare la sovratensione, in caso di valori eccessivi devi aumentare la capacità dello snubber Cs.STEP 4: Dimensionamento in potenza
Ovviamente la resistenza dovrà essere dimensionata anche in potenza, considerando entrambe le commutazioni (accensione, spegnimento) del tiristore avremo
![\[
W_R_s=\frac{1}{2}(L_c I_{RRM}^2 + C_s V_R^2)
\] \[
W_R_s=\frac{1}{2}(L_c I_{RRM}^2 + C_s V_R^2)
\]](/forum/latexrender/pictures/c29c32e53919f6de55039c3b26766269.png)
Da cui puoi dedurre che bisogna cercare di tenere Cs il più basso possibile per evitare potenze dissipate troppo elevate.
6 messaggi
• Pagina 1 di 1
Torna a Elettrotecnica generale
Chi c’è in linea
Visitano il forum: Nessuno e 30 ospiti

Elettrotecnica e non solo (admin)
Un gatto tra gli elettroni (IsidoroKZ)
Esperienza e simulazioni (g.schgor)
Moleskine di un idraulico (RenzoDF)
Il Blog di ElectroYou (webmaster)
Idee microcontrollate (TardoFreak)
PICcoli grandi PICMicro (Paolino)
Il blog elettrico di carloc (carloc)
DirtEYblooog (dirtydeeds)
Di tutto... un po' (jordan20)
AK47 (lillo)
Esperienze elettroniche (marco438)
Telecomunicazioni musicali (clavicordo)
Automazione ed Elettronica (gustavo)
Direttive per la sicurezza (ErnestoCappelletti)
EYnfo dall'Alaska (mir)
Apriamo il quadro! (attilio)
H7-25 (asdf)
Passione Elettrica (massimob)
Elettroni a spasso (guidob)
Bloguerra (guerra)










