Scusa ma se io ti ho detto che voglio ragionare su un circuito di quel tipo, al di là del sistema di logica?
Il ragionamento cambia, voglio considerare anche la tensione di soglia, ad esempio 0,7V. So benissimo che quello è un AND e la risposta alla questione era già stata risolta con la prima risposta. Il mio problema è un altro.
Logica dei diodi
Moderatori:
carloc,
g.schgor,
BrunoValente,
IsidoroKZ
19 messaggi
• Pagina 2 di 2 • 1, 2
0
voti
[15] Re: Logica dei diodi
PietroBaima ha scritto:eh, volevo che ci pensassi un po' da solo![]()
Pardon...
ciao
PSQ
_-^-_-^-_-^-_-^-_-^-_-^-_-^-_-^-_-^-_-^-_-^-_-^-_-^-_-^-_
Pepito Sbazzeguti
"gratta il Pepito e troverai il Pepone"
Pepito Sbazzeguti
"gratta il Pepito e troverai il Pepone"
-

PietroBaima
90,7k 7 12 13 - G.Master EY

- Messaggi: 12206
- Iscritto il: 12 ago 2012, 1:20
- Località: Londra
0
voti
[17] Re: Logica dei diodi
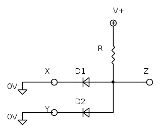
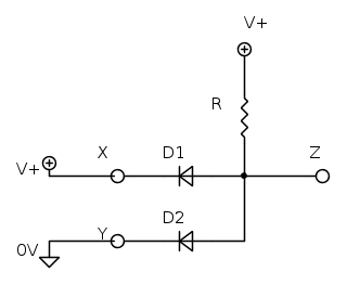
xPecax ha scritto:Ad esempio prendiamo il caso in cui X=5 V e Y=0V con V+=10V non capisco perché in uscita avrò soltanto la tensione di soglia.
Il mio ragionamento è: X=5 V all'anodo e V+=10V al catodo, quindi dovrei avere il diodo polarizzato inversamente, allora il contributo di quel diodo è solo la tensione di soglia. Lo stesso vale per Y=0 quinti in uscita avrò solo la tensione di soglia e viceversa invertendo X con Y.
Temo che tu non abbia così chiaro come pensi il funzionamento del diodo.
Nel caso che tu hai descritto hai 5 V al catodo e 10 V all'anodo. Quindi il diodo è polarizzato direttamente. Anche perché se il diodo fosse polarizzato inversamente non darebbe nessun contributo, sarebbe solo un circuito aperto.
Detto questo il consiglio che ti posso dare è innanzitutto di chiarirti i dubbi (profondi) che hai riguardo al diodo.
ciao
PSQ
_-^-_-^-_-^-_-^-_-^-_-^-_-^-_-^-_-^-_-^-_-^-_-^-_-^-_-^-_
Pepito Sbazzeguti
"gratta il Pepito e troverai il Pepone"
Pepito Sbazzeguti
"gratta il Pepito e troverai il Pepone"
0
voti
[18] Re: Logica dei diodi
Può anche darsi che io non abbia capito. Ma lo dici tu. Io non ci credo. Da tutto quello che ho letto ho maturato parecchie certezze, ma, in fin dei conti, non potrebbe che essere così.
Il fatto è che hai una visione del diodo limitata, o, forse, scolastica. Che detto in altri termini significa che non sai fare ragionamenti diversi dai pochi fatti e mal capiti sugli esercizi svolti.
Resta nel caso del diodo ideale, (il passaggio al diodo reale sarà poi semplicissimo).
1) Quando è polarizzato direttamente e quando inversamente?
2) Nel caso di diodo polarizzato direttamente quanto vale il potenziale di anodo, noto quello al catodo?
3) Tutto questo ragionamento cosa significa sul terminale Z?
Il fatto è che hai una visione del diodo limitata, o, forse, scolastica. Che detto in altri termini significa che non sai fare ragionamenti diversi dai pochi fatti e mal capiti sugli esercizi svolti.
Resta nel caso del diodo ideale, (il passaggio al diodo reale sarà poi semplicissimo).
1) Quando è polarizzato direttamente e quando inversamente?
2) Nel caso di diodo polarizzato direttamente quanto vale il potenziale di anodo, noto quello al catodo?
3) Tutto questo ragionamento cosa significa sul terminale Z?
-

Candy
32,5k 7 10 13 - CRU - Account cancellato su Richiesta utente
- Messaggi: 10123
- Iscritto il: 14 giu 2010, 22:54
0
voti
[19] Re: Logica dei diodi
Sono andato a riguardare la teoria colmando alcuni "buchi" che non mi permettevano di capire bene il funzionamento del diodo. Ora è tutto un po' più chiaro 

19 messaggi
• Pagina 2 di 2 • 1, 2
Chi c’è in linea
Visitano il forum: Nessuno e 59 ospiti

Elettrotecnica e non solo (admin)
Un gatto tra gli elettroni (IsidoroKZ)
Esperienza e simulazioni (g.schgor)
Moleskine di un idraulico (RenzoDF)
Il Blog di ElectroYou (webmaster)
Idee microcontrollate (TardoFreak)
PICcoli grandi PICMicro (Paolino)
Il blog elettrico di carloc (carloc)
DirtEYblooog (dirtydeeds)
Di tutto... un po' (jordan20)
AK47 (lillo)
Esperienze elettroniche (marco438)
Telecomunicazioni musicali (clavicordo)
Automazione ed Elettronica (gustavo)
Direttive per la sicurezza (ErnestoCappelletti)
EYnfo dall'Alaska (mir)
Apriamo il quadro! (attilio)
H7-25 (asdf)
Passione Elettrica (massimob)
Elettroni a spasso (guidob)
Bloguerra (guerra)






pigreco]=π