Cos'è ElectroYou | Login Iscriviti

ElectroYou - la comunità dei professionisti del mondo elettrico

Giri al secondo di un motore con uso di un display

Elettronica lineare e digitale: didattica ed applicazioni

Moderatori: Foto Utentecarloc, Foto Utenteg.schgor, Foto UtenteBrunoValente, Foto UtenteIsidoroKZ

0
voti

[51] Re: Giri al secondo di un motore con uso di un display

Messaggioda Foto Utenteg.schgor » 29 gen 2014, 12:25

Linrush ha scritto:non ho capito se va bene o no.

Perché non dovrebbe andar bene?
I contatori devono essere BCD e, se non ci sono indicazioni contrarie,
consiglierei di considerare la serie CMOS4000
Avatar utente
Foto Utenteg.schgor
57,8k 9 12 13
G.Master EY
G.Master EY
 
Messaggi: 16971
Iscritto il: 25 ott 2005, 9:58
Località: MILANO

0
voti

[52] Re: Giri al secondo di un motore con uso di un display

Messaggioda Foto UtenteLinrush » 29 gen 2014, 12:41

il 4160 o il 4162 vanno bene? nn trovo il datasheet però.
Avatar utente
Foto UtenteLinrush
119 1 6
Frequentatore
Frequentatore
 
Messaggi: 165
Iscritto il: 22 gen 2014, 13:49

0
voti

[53] Re: Giri al secondo di un motore con uso di un display

Messaggioda Foto UtenteLinrush » 29 gen 2014, 13:07

oppure il 4510



Prendiamo in esame il primo bcd quello che conteggia fino a 10 che sono gli impulsi che riceve per indicare che è stato realizzato un giro.

CP sarebbe il clock dove collego l'uscita dell'encoder motore
MR non comprendo l'utilizzo
Up/DN indica il conteggio avanti indietro?
Q0/Q3 sono le uscite in parallelo
TC ???
D0/D3 input in parallelo che qui non usiamo
PL ???
Avatar utente
Foto UtenteLinrush
119 1 6
Frequentatore
Frequentatore
 
Messaggi: 165
Iscritto il: 22 gen 2014, 13:49

0
voti

[54] Re: Giri al secondo di un motore con uso di un display

Messaggioda Foto Utenteg.schgor » 29 gen 2014, 13:14

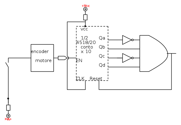
Puoi usare contatori duali come il 4518
(vedi qui o il datasheet)
Avatar utente
Foto Utenteg.schgor
57,8k 9 12 13
G.Master EY
G.Master EY
 
Messaggi: 16971
Iscritto il: 25 ott 2005, 9:58
Località: MILANO

0
voti

[55] Re: Giri al secondo di un motore con uso di un display

Messaggioda Foto UtenteLinrush » 29 gen 2014, 13:26

Avatar utente
Foto UtenteLinrush
119 1 6
Frequentatore
Frequentatore
 
Messaggi: 165
Iscritto il: 22 gen 2014, 13:49

0
voti

[56] Re: Giri al secondo di un motore con uso di un display

Messaggioda Foto UtenteLinrush » 29 gen 2014, 13:39



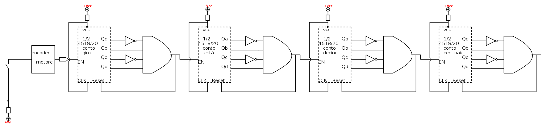
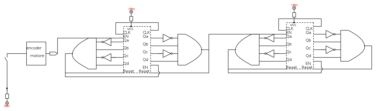
ho messo i 3 bcd a seguire per poterli collegare successivamente rispettivamente al proprio decodificatore driver per visualizzare nel display la cifra.
Avatar utente
Foto UtenteLinrush
119 1 6
Frequentatore
Frequentatore
 
Messaggi: 165
Iscritto il: 22 gen 2014, 13:49

0
voti

[57] Re: Giri al secondo di un motore con uso di un display

Messaggioda Foto Utenteg.schgor » 29 gen 2014, 16:17

No. ti ho segnalato un link (primo del post[54]) in cui è descritto come connettere
direttamente più decadi senza bisogno di elementi logici intermedi.
Poi non puoi collegare direttamente i driver dei display alle decadi
(come già detto, questo richiede un trasferimento con memorizzazione
alla fine di ogni secondo, cioè prima di azzerare i contatori),
Avatar utente
Foto Utenteg.schgor
57,8k 9 12 13
G.Master EY
G.Master EY
 
Messaggi: 16971
Iscritto il: 25 ott 2005, 9:58
Località: MILANO

0
voti

[58] Re: Giri al secondo di un motore con uso di un display

Messaggioda Foto UtenteLinrush » 29 gen 2014, 16:22

avevo visto proprio la parte:
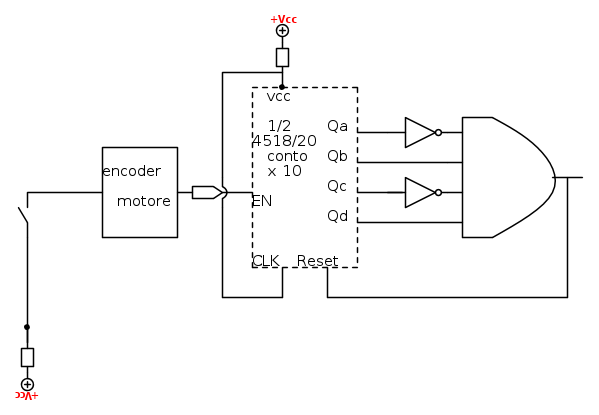
4518 dual decade (0-9) counter
4520 dual 4-bit (0-15) counter

dici di mettere nello stesso integrato due decadi?
Avatar utente
Foto UtenteLinrush
119 1 6
Frequentatore
Frequentatore
 
Messaggi: 165
Iscritto il: 22 gen 2014, 13:49

0
voti

[59] Re: Giri al secondo di un motore con uso di un display

Messaggioda Foto Utenteg.schgor » 29 gen 2014, 16:29

Si (così bastano 2 integrati e anzi ti avanza una decade)
Avatar utente
Foto Utenteg.schgor
57,8k 9 12 13
G.Master EY
G.Master EY
 
Messaggi: 16971
Iscritto il: 25 ott 2005, 9:58
Località: MILANO

0
voti

[60] Re: Giri al secondo di un motore con uso di un display

Messaggioda Foto UtenteLinrush » 29 gen 2014, 16:47

Avatar utente
Foto UtenteLinrush
119 1 6
Frequentatore
Frequentatore
 
Messaggi: 165
Iscritto il: 22 gen 2014, 13:49

PrecedenteProssimo

Torna a Elettronica generale

Chi c’è in linea

Visitano il forum: Nessuno e 261 ospiti