Ancora NO. Ho appena detto che non ci sono elementi logici fra le decadi
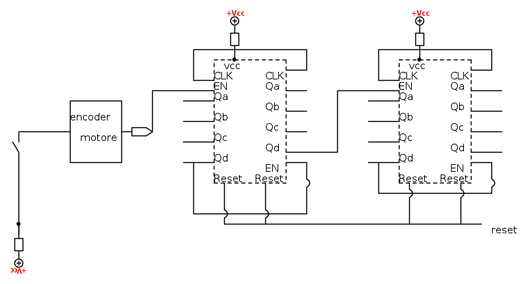
(hai visto la figura del link?)
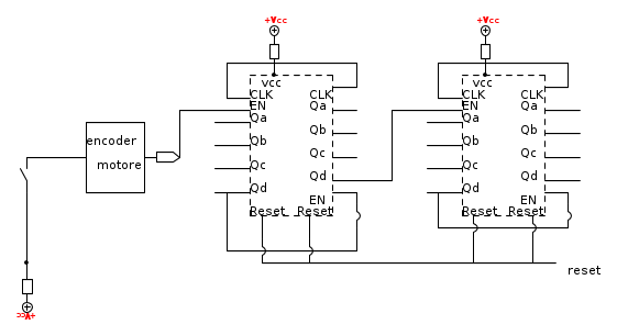
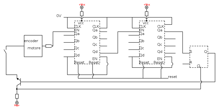
Giri al secondo di un motore con uso di un display
Moderatori:
carloc,
g.schgor,
BrunoValente,
IsidoroKZ
0
voti
0
voti
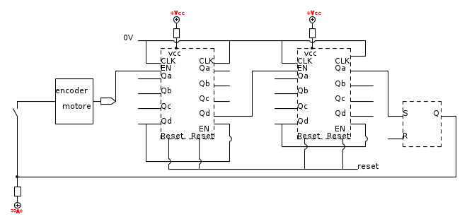
Ora ci siamo (quasi, il CLK deve essere a 0V (GND)
Ora possiamo sfruttare la quarta decade per far arrestare il motore:
l'uscita QA di questo,se attivata, indica il raggiungimento di 100g/s,
quindi possiamo usarla per attivare un SR-FF che comandi l'arresto.
E' chiaro?
Ora possiamo sfruttare la quarta decade per far arrestare il motore:
l'uscita QA di questo,se attivata, indica il raggiungimento di 100g/s,
quindi possiamo usarla per attivare un SR-FF che comandi l'arresto.
E' chiaro?
0
voti
0
voti

"La follia sta nel fare sempre la stessa cosa aspettandosi risultati diversi".
"Parla soltanto quando sei sicuro che quello che dirai è più bello del silenzio".
Rispondere è cortesia, ma lasciare l'ultima parola ai cretini è arte.
"Parla soltanto quando sei sicuro che quello che dirai è più bello del silenzio".
Rispondere è cortesia, ma lasciare l'ultima parola ai cretini è arte.
-

TardoFreak
73,9k 8 12 13 - -EY Legend-

- Messaggi: 15754
- Iscritto il: 16 dic 2009, 11:10
- Località: Torino - 3° pianeta del Sistema Solare
0
voti
Dunque, chi ha detto di memorizzare GND
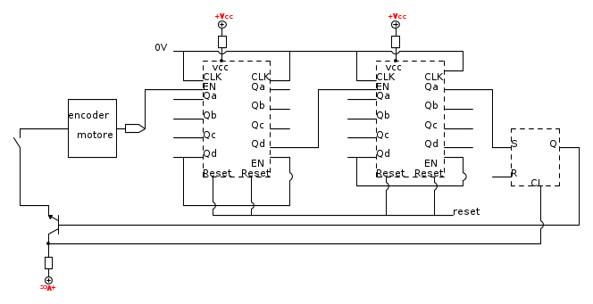
Giustamente hai messo un FlipFlop per il segnale di raggiungimento
dei 100g/s, ma che senso ha che l'uscita di questo vada direttamente al motore?
Dovrebbe essere chiaro che bisogna interporre un apparato elettromeccanico
(teleruttore) per agire sul motore e che questo richiede per la sua attivazione
una potenza che l'integrato non può dare.
Quindi andrebbe previsto un amplificatore di potenza (transistor o Mosfet)
fra FF e teleruttore. E' chiaro?
Giustamente hai messo un FlipFlop per il segnale di raggiungimento
dei 100g/s, ma che senso ha che l'uscita di questo vada direttamente al motore?
Dovrebbe essere chiaro che bisogna interporre un apparato elettromeccanico
(teleruttore) per agire sul motore e che questo richiede per la sua attivazione
una potenza che l'integrato non può dare.
Quindi andrebbe previsto un amplificatore di potenza (transistor o Mosfet)
fra FF e teleruttore. E' chiaro?
1
voti
Il FF dovrebbe anche avere un reset all'accensione, altrimenti il motore potrebbe non partire mai.
-

PietroBaima
90,7k 7 12 13 - G.Master EY

- Messaggi: 12206
- Iscritto il: 12 ago 2012, 1:20
- Località: Londra
0
voti
Scusate se ieri sera sono sparito, ma avrei scritto solo più cavolate del normale.
Chi c’è in linea
Visitano il forum: Nessuno e 261 ospiti

Elettrotecnica e non solo (admin)
Un gatto tra gli elettroni (IsidoroKZ)
Esperienza e simulazioni (g.schgor)
Moleskine di un idraulico (RenzoDF)
Il Blog di ElectroYou (webmaster)
Idee microcontrollate (TardoFreak)
PICcoli grandi PICMicro (Paolino)
Il blog elettrico di carloc (carloc)
DirtEYblooog (dirtydeeds)
Di tutto... un po' (jordan20)
AK47 (lillo)
Esperienze elettroniche (marco438)
Telecomunicazioni musicali (clavicordo)
Automazione ed Elettronica (gustavo)
Direttive per la sicurezza (ErnestoCappelletti)
EYnfo dall'Alaska (mir)
Apriamo il quadro! (attilio)
H7-25 (asdf)
Passione Elettrica (massimob)
Elettroni a spasso (guidob)
Bloguerra (guerra)




pigreco]=π