ciao a tutti, avrei bisogno di una soluzione a questo problema:
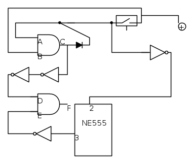
l'interruttore è un OFF-(ON)
la porta AND dovrebbe mandare un uscita alta al termine del timer gestito dal ne555, in effetti lo fa, ma penso potrebe mandarla anche nell'istante della pressione del tasto, in effetti il circuito a riposo manda ALTO all'ingresso E, una volta premuto l'interruttore contemporaneamente si invia ALTO all'ingresso A e BASSO all'ingresso E per x secondi che poi torna ALTO, è possibile ritardare l'impulso cha esce da C ed entra in D?
Ritardo di un impulso
Moderatori:
carloc,
g.schgor,
BrunoValente,
IsidoroKZ
19 messaggi
• Pagina 1 di 2 • 1, 2
0
voti
L'invertitore al pin 3 dell'NE555 è disegnato al contrario immagino.
Per ritardare quell'impulso allora ti chiedo: di quanto vuoi ritardarlo?
Una soluzione molto semplice potrebbe essere inserire un buffer di invertitori
Per ritardare quell'impulso allora ti chiedo: di quanto vuoi ritardarlo?
Una soluzione molto semplice potrebbe essere inserire un buffer di invertitori
"The past is not really the past until it has been registered. Or put another way, the past has no meaning or existence unless it exists as a record in the present."
John Archibald Wheeler
John Archibald Wheeler
0
voti
sì, con FidoCadJ non riesco a ruotare
comunque a me basta solo che CD arrivi dopo che si è abbassato E, può bastare anche meno di mezzo secondo, ho provato a giocarci con condensatori e resistenze, ma non sono arrivato a una soluzione.. cosa intendi per buffer di invertitori?
1
voti
rudj ha scritto:cosa intendi per buffer di invertitori?
Una cosa di questo tipo:
Dove gli invertitori possono essere dimensionati opportunamente per introdurre un certo ritardo.
"The past is not really the past until it has been registered. Or put another way, the past has no meaning or existence unless it exists as a record in the present."
John Archibald Wheeler
John Archibald Wheeler
0
voti
ok, per dimensionati intendi aggiungere più invertitori, giusto? secondo voi possono bastare 2 il mio scopo?
0
voti
rudj ha scritto:per dimensionati intendi aggiungere più invertitori, giusto? secondo voi possono bastare 2 il mio scopo?
Per dimensionati intendo progettare le caratteristiche opportune di tali invertitori.
Se utilizzi un integrato già pronto chiaramente non puoi dimensionarlo. Se ti metti a connettere nMOS e pMOS per realizzarlo tu, hai la scelta su quali MOSFET utilizzare, in quanto in base alle loro caratteristiche (larghezza, per dirne una) cambiano le prestazioni dinamiche.
Non va trascurata inoltre la capacità di carico dell'invertitore, che potrebbe essere artificiosamente alterata mettendo un condensatore a valle dello stesso.
Se sei familiare con questi ragionamenti, potrebbe essere una buona idea di fare un due conti, equazioni alla mano.
Se così non è, allora metti un po' di invertitori a caso e vedi se ne bastano o se devi metterne di più XD
P.S. non pensare che un invertitore ti dia un ritardo di mezzo secondo; si tratta di "circuiti" molto veloci.
"The past is not really the past until it has been registered. Or put another way, the past has no meaning or existence unless it exists as a record in the present."
John Archibald Wheeler
John Archibald Wheeler
0
voti
mmm no, non sono proprio esperto con i MOS, penso che farò passare il segnale tra i 4 inverter rimasti liberi di un 74LS04 presente nel circuito, a caso in poche parole
spero che bastino quei pochi microsecondi...
1
voti
Se invece di inventare schemi strani descrivessi chiaramente
(con grafico temporale) ciò che vuoi ottenere, forse si troverebbe
una soluzione meno pasticciata (prima dici di volere ritardo
di mezzo secondo e poi ci metti una catena di invertitori?)
(con grafico temporale) ciò che vuoi ottenere, forse si troverebbe
una soluzione meno pasticciata (prima dici di volere ritardo
di mezzo secondo e poi ci metti una catena di invertitori?)
0
voti
sto provando a creare un antifurto, il pulsante triggera un ne555 che fa da timer a un beep che dura 10 secondi, e sarebbe il tempo necessario per attivare/disattivare i sensori dell'allarme, l'unico modo che mi è venuto in mente per attivare i sensori dopo i 10 sec di beep è di usare l'out (pin 3) del ne555..
ora, conoscendo il comportamento del ne555 devo sfruttare non il passaggio da BASSO ad ALTO del pin 3, ma da ALTO a BASSO, e ciò accade dopo i 10 sec, ricapitolando a me serve questa situazione:
1- BASSO del pin 3
2-ALTO proveniente dall'interruttore
3- ALTO del pin 3
e devo evitare questa situazione:
1-ALTO proveniente dall'interruttore(i sensori si attivano immediatamente alla pressione del pulsante perché trova l'uscita del ne555 già alta)
2- BASSO del pin 3
3- ALTO del pin 3
se ancora non è chiaro chiedete pure ;)
ora, conoscendo il comportamento del ne555 devo sfruttare non il passaggio da BASSO ad ALTO del pin 3, ma da ALTO a BASSO, e ciò accade dopo i 10 sec, ricapitolando a me serve questa situazione:
1- BASSO del pin 3
2-ALTO proveniente dall'interruttore
3- ALTO del pin 3
e devo evitare questa situazione:
1-ALTO proveniente dall'interruttore(i sensori si attivano immediatamente alla pressione del pulsante perché trova l'uscita del ne555 già alta)
2- BASSO del pin 3
3- ALTO del pin 3
se ancora non è chiaro chiedete pure ;)
0
voti
Cominciamo col dire che il 555 non è configurato da monostabile
(quindi l'uscita non dà alcuna temporizzazione).
Supponendo anche di sottintendere la configurazione da monostabile
per 10s, dopo questo tempo l'uscita 3 va a 0 (ma solo se l'ingresso 2
è tornato ad 1)
Questa condizione rende impraticabili le condizioni 1,2 e 3.
Se si vuole comandare con lo stesso pulsante dopo scaduti i 10s
basta monostabilizzare (con RC) il trigger 2 del 555 e prevedere
un AND fra i segnali del pulsante e quello invertito dell'uscita 3 del 555.
mantenendo però sempre premuto il pulsante (se lo si rilascia e si ripreme,
riparte la temporizzazione).
(quindi l'uscita non dà alcuna temporizzazione).
Supponendo anche di sottintendere la configurazione da monostabile
per 10s, dopo questo tempo l'uscita 3 va a 0 (ma solo se l'ingresso 2
è tornato ad 1)
Questa condizione rende impraticabili le condizioni 1,2 e 3.
Se si vuole comandare con lo stesso pulsante dopo scaduti i 10s
basta monostabilizzare (con RC) il trigger 2 del 555 e prevedere
un AND fra i segnali del pulsante e quello invertito dell'uscita 3 del 555.
mantenendo però sempre premuto il pulsante (se lo si rilascia e si ripreme,
riparte la temporizzazione).
19 messaggi
• Pagina 1 di 2 • 1, 2
Chi c’è in linea
Visitano il forum: Nessuno e 182 ospiti

Elettrotecnica e non solo (admin)
Un gatto tra gli elettroni (IsidoroKZ)
Esperienza e simulazioni (g.schgor)
Moleskine di un idraulico (RenzoDF)
Il Blog di ElectroYou (webmaster)
Idee microcontrollate (TardoFreak)
PICcoli grandi PICMicro (Paolino)
Il blog elettrico di carloc (carloc)
DirtEYblooog (dirtydeeds)
Di tutto... un po' (jordan20)
AK47 (lillo)
Esperienze elettroniche (marco438)
Telecomunicazioni musicali (clavicordo)
Automazione ed Elettronica (gustavo)
Direttive per la sicurezza (ErnestoCappelletti)
EYnfo dall'Alaska (mir)
Apriamo il quadro! (attilio)
H7-25 (asdf)
Passione Elettrica (massimob)
Elettroni a spasso (guidob)
Bloguerra (guerra)






