E' il primo caso, mi aiutate per favore?
Ho un circuito con un generatore di corrente ed uno di tensione, mi si chiede di determinare quale generatore indipendente eroga la potenza apparente maggiore.
Applico la sovrapposizione per trovarmi le correnti generali. E poi calcolo per E acceso la potenza apparente e poi con J acceso l'altra potenza apparente. La maggiore tra le due è la soluzione?
Dubbi su potenza apparente
Moderatori:
g.schgor,
IsidoroKZ
10 messaggi
• Pagina 1 di 1
1
voti
Nu, devi calcolare il fasore della corrente che scorre sul generatore di tensione e il fasore della tensione ai capi del generatore di corrente. In questo modo ti calcoli la potenza apparente erogata dai due.
Per calcolare queste correnti e tensioni puoi applicare la sovrapposizione degli effetti, però per il calcolo delle potenze devono essere accesi tutti e due.
Se ci fai uno schema e scrivi i dati possiamo vedere insieme.
Per calcolare queste correnti e tensioni puoi applicare la sovrapposizione degli effetti, però per il calcolo delle potenze devono essere accesi tutti e due.
Se ci fai uno schema e scrivi i dati possiamo vedere insieme.
Atlant.
Behind every great man is a woman rolling her eyes.
Behind every great man is a woman rolling her eyes.
0
voti
Grazie
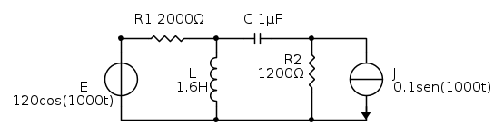
spud questo è il circuito in questione.. Le correnti per E e J alternativamente accesi le ho calcolate. Ora per il quesito richiesto come devo muovermi?
Ognuno è un genio. Ma se si giudica un pesce dalla sua abilità di arrampicarsi sugli alberi lui passerà tutta la sua vita a credersi stupido.
1
voti
Unisci i risultati per avere la soluzione della rete con entrambi i generatori accesi, come si fa normalmente con la sovrapposizione degli effetti.
Poi hai tutto per calcolare le potenze erogate
Poi hai tutto per calcolare le potenze erogate
Atlant.
Behind every great man is a woman rolling her eyes.
Behind every great man is a woman rolling her eyes.
0
voti
allora con e acceso ho:
![\[i_C=i_2= 0,02333+0,0298j\] \[i_C=i_2= 0,02333+0,0298j\]](/forum/latexrender/pictures/98dd5797f0fbaccc7b314d1a9f357c0e.png)
![\[i_1=I=0,0311-0,0063j\] \[i_1=I=0,0311-0,0063j\]](/forum/latexrender/pictures/c702d4c54c93d4aa934fb0f9403c3174.png)
con j acceso ho:
![\[i_2=0,00075-0,03942j\] \[i_2=0,00075-0,03942j\]](/forum/latexrender/pictures/0a8f47e80f25ee1633ff875404e39463.png)
![\[i_1=0,0298-0,0233j\] \[i_1=0,0298-0,0233j\]](/forum/latexrender/pictures/dc37f952d8b20190c5e599cd90e0a85a.png)
Sommo queste conservando i versi e ricavo le due correnti.
Applico questa formula un'unica volta?![\[A=\sqrt{P^2+Q^2}\] \[A=\sqrt{P^2+Q^2}\]](/forum/latexrender/pictures/021cfc846e219436dbc1a4df3b8f3d05.png)
![\[i_C=i_2= 0,02333+0,0298j\] \[i_C=i_2= 0,02333+0,0298j\]](/forum/latexrender/pictures/98dd5797f0fbaccc7b314d1a9f357c0e.png)
![\[i_1=I=0,0311-0,0063j\] \[i_1=I=0,0311-0,0063j\]](/forum/latexrender/pictures/c702d4c54c93d4aa934fb0f9403c3174.png)
con j acceso ho:
![\[i_2=0,00075-0,03942j\] \[i_2=0,00075-0,03942j\]](/forum/latexrender/pictures/0a8f47e80f25ee1633ff875404e39463.png)
![\[i_1=0,0298-0,0233j\] \[i_1=0,0298-0,0233j\]](/forum/latexrender/pictures/dc37f952d8b20190c5e599cd90e0a85a.png)
Sommo queste conservando i versi e ricavo le due correnti.
Applico questa formula un'unica volta?
![\[A=\sqrt{P^2+Q^2}\] \[A=\sqrt{P^2+Q^2}\]](/forum/latexrender/pictures/021cfc846e219436dbc1a4df3b8f3d05.png)
Ognuno è un genio. Ma se si giudica un pesce dalla sua abilità di arrampicarsi sugli alberi lui passerà tutta la sua vita a credersi stupido.
0
voti
Sommando le
trovi la corrente che scorre nel generatore
, ora devi fare la stessa cosa ma per la tensione ai capi del generatore
.
La formula la applichi una volta per ogni generatore, basta che fai
se hai usato una trasformazione al valore efficace oppure
per la trasformazione al valore massimo.
trovi la corrente che scorre nel generatore
, ora devi fare la stessa cosa ma per la tensione ai capi del generatore
.La formula la applichi una volta per ogni generatore, basta che fai
se hai usato una trasformazione al valore efficace oppure
per la trasformazione al valore massimo.Atlant.
Behind every great man is a woman rolling her eyes.
Behind every great man is a woman rolling her eyes.
0
voti
Vediamo se ho ben capito:
con la somma di
vado in formula e trovo la potenza erogata dal solo generatore di tensione E.
con la somma di
vado in formula e trovo la potenza erogata dal solo generatore di tensione J.
Da qui stabilisco la maggiore (come da traccia)...giusto?
con la somma di
vado in formula e trovo la potenza erogata dal solo generatore di tensione E.con la somma di
vado in formula e trovo la potenza erogata dal solo generatore di tensione J.Da qui stabilisco la maggiore (come da traccia)...giusto?
Ognuno è un genio. Ma se si giudica un pesce dalla sua abilità di arrampicarsi sugli alberi lui passerà tutta la sua vita a credersi stupido.
0
voti
Si ma per calcolare la potenza erogata dal generatore di corrente devi conoscere la tensione ai suoi capi, quindi la
, che suppongo sia la corrente che passa per
, la usi per calcolare la tensione su quest'ultima, che sarà anche la tensione ai capi del generatore di corrente (essendo in parallelo).
Poi fai
per J e ti trovi la potenza che eroga lui (moltiplicando per un fattore 1/2 se hai usato i fasori al valore massimo).
I conti però non li ho controllati.
, che suppongo sia la corrente che passa per
, la usi per calcolare la tensione su quest'ultima, che sarà anche la tensione ai capi del generatore di corrente (essendo in parallelo). Poi fai
per J e ti trovi la potenza che eroga lui (moltiplicando per un fattore 1/2 se hai usato i fasori al valore massimo).I conti però non li ho controllati.
Atlant.
Behind every great man is a woman rolling her eyes.
Behind every great man is a woman rolling her eyes.
0
voti

Non credo ce ne siano,visto che sei stato molto chiaro...grazie ancora
Ognuno è un genio. Ma se si giudica un pesce dalla sua abilità di arrampicarsi sugli alberi lui passerà tutta la sua vita a credersi stupido.
10 messaggi
• Pagina 1 di 1
Torna a Elettrotecnica generale
Chi c’è in linea
Visitano il forum: Nessuno e 78 ospiti

Elettrotecnica e non solo (admin)
Un gatto tra gli elettroni (IsidoroKZ)
Esperienza e simulazioni (g.schgor)
Moleskine di un idraulico (RenzoDF)
Il Blog di ElectroYou (webmaster)
Idee microcontrollate (TardoFreak)
PICcoli grandi PICMicro (Paolino)
Il blog elettrico di carloc (carloc)
DirtEYblooog (dirtydeeds)
Di tutto... un po' (jordan20)
AK47 (lillo)
Esperienze elettroniche (marco438)
Telecomunicazioni musicali (clavicordo)
Automazione ed Elettronica (gustavo)
Direttive per la sicurezza (ErnestoCappelletti)
EYnfo dall'Alaska (mir)
Apriamo il quadro! (attilio)
H7-25 (asdf)
Passione Elettrica (massimob)
Elettroni a spasso (guidob)
Bloguerra (guerra)



