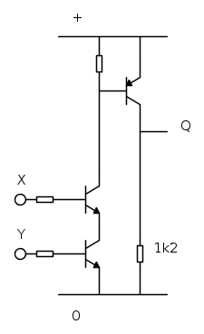
Stavo ragionando su una AND a BJT fatta nel seguente modo:
Dove i transistor NPN controllati in base da X ed Y devono essere entrambi in conduzione per mandare a loro volta in conduzione il PNP.
Premesso che non mi interessa l'analisi delle commutazioni ed i livelli logici X ed Y sarebbero 0V oppure +V, è questa per il vero una configurazione che non ho mai visto.
Non mi sembra ci siano controindicazioni, lavorando tra l'altro a basse frequenze, dell'ordine di 30 kHz.
Sono note controindicazioni?
Funzione AND economica con transistor BJT
Moderatori:
carloc,
g.schgor,
BrunoValente,
IsidoroKZ
8 messaggi
• Pagina 1 di 1
0
voti
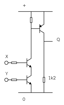
Candy ha scritto:X può vedere circolazione di corrente tramite la base di Y
Mah...
Scusami, e a limitare la corrente di base del PNP cosa c'è? Giusto per dirne una... e i livelli all'ingresso? Mah...
-

Heavy
565 1 5 - Utente disattivato per decisione dell'amministrazione proprietaria del sito
- Messaggi: 260
- Iscritto il: 28 dic 2013, 0:39
- Località: Conegliano Veneto
0
voti
Candy ha scritto:...X può vedere circolazione di corrente tramite la base di Y!...
...non mi sembra, se X è a 0 il transistor sopra non s'accende manco con le cannonate..secondo me se aggiungi una R sul collettore dell'NPN con base X o in serie alla base del PNP per limitare la corrente di base del PNP (come dice giustamente
_______________________________________________________
Gli oscillatori non oscillano mai, gli amplificatori invece sempre
Io HO i poteri della supermucca, e ne vado fiero!
Gli oscillatori non oscillano mai, gli amplificatori invece sempre
Io HO i poteri della supermucca, e ne vado fiero!
0
voti
No, è X che vede circolazione di corrente, come dicevo. Se X = 1 ed Y = 0, il BJT NPN di Y conduce da C verso B. La resistenza di base per X sarà pure doppia, ma conduce, eccome.
Quindi, con X = 1, tramite la base di Y, la tensione di collettore di X può praticamente e certamente mandare in conduzione il BJT PNP.
Quindi, con X = 1, tramite la base di Y, la tensione di collettore di X può praticamente e certamente mandare in conduzione il BJT PNP.
-

Candy
32,5k 7 10 13 - CRU - Account cancellato su Richiesta utente
- Messaggi: 10123
- Iscritto il: 14 giu 2010, 22:54
0
voti
Candy ha scritto:Se X = 1 ed Y = 0, il BJT NPN di Y conduce da C verso B. La resistenza di base per X sarà pure doppia, ma conduce, eccome.
Perché?
0
voti
Candy ha scritto:...Se X = 1 ed Y = 0, il BJT NPN di Y conduce da C verso B. La resistenza di base per X sarà pure doppia, ma conduce, eccome....
...se X è a 1 e Y a 0, il BJT NPN sotto si trova il collettore a Vcc-0,6, base a massa...è interdetto, non c'è nessuna circolazione di corrente se non l'inversa del diodo C-B, che è polarizzato inversamente. Per tutto il Beta che può avere quel transistor, basta fare un minimo di attenzione e il PNP sopra non si accende...forse non sto capendo cosa intendi, ma secondo me stai prendendo un abbaglio :)
_______________________________________________________
Gli oscillatori non oscillano mai, gli amplificatori invece sempre
Io HO i poteri della supermucca, e ne vado fiero!
Gli oscillatori non oscillano mai, gli amplificatori invece sempre
Io HO i poteri della supermucca, e ne vado fiero!
8 messaggi
• Pagina 1 di 1
Chi c’è in linea
Visitano il forum: Nessuno e 295 ospiti

Elettrotecnica e non solo (admin)
Un gatto tra gli elettroni (IsidoroKZ)
Esperienza e simulazioni (g.schgor)
Moleskine di un idraulico (RenzoDF)
Il Blog di ElectroYou (webmaster)
Idee microcontrollate (TardoFreak)
PICcoli grandi PICMicro (Paolino)
Il blog elettrico di carloc (carloc)
DirtEYblooog (dirtydeeds)
Di tutto... un po' (jordan20)
AK47 (lillo)
Esperienze elettroniche (marco438)
Telecomunicazioni musicali (clavicordo)
Automazione ed Elettronica (gustavo)
Direttive per la sicurezza (ErnestoCappelletti)
EYnfo dall'Alaska (mir)
Apriamo il quadro! (attilio)
H7-25 (asdf)
Passione Elettrica (massimob)
Elettroni a spasso (guidob)
Bloguerra (guerra)


