Giri al secondo di un motore con uso di un display
Moderatori:
carloc,
g.schgor,
BrunoValente,
IsidoroKZ
1
voti
Con uno strumento digitale non è possibile misurare la velocità "istantanea"
Occorre infatti accumulare un numero di impulsi pari all'indicazione numerica (display)
Ovviamente questo tempo può essere ridotto aumentando la frequenza (cioè
il numero degli impulsi /giro) ma il valore misurato sarà sempre la media
della velocità in quel periodo.
Per misure praticamente istantanee si ricorre alla rilevazione della durata
degli impulsi prodotti (il che però richiede di calcolare l'inverso ).
Per questo osservavo all'inizio che il clock a 0.5Hz è inappropriato
(invece che moltiplicare questo per 2 si sarebbe potuto dividere
per 2 la frequenza degli impulsi (allungando il tempo di misura a 2s)
e magari contare poi con solo 2 decadi (tempo 0.2s, ma con minore
precisione).
Osservo inoltre che l'esercizio è utile per capire i problemi della
misura digitale della velocità di rotazione e dell'applicazione
della tecnica digitale con integrati, ma che tale soluzione è
oggi obsoleta, essendo più economico utilizzare microprocessori
Per terminare l'esercizio dobbiamo ancora vedere il comando
di trasferimento della misura dai contatori ai display.
Occorre infatti accumulare un numero di impulsi pari all'indicazione numerica (display)
Ovviamente questo tempo può essere ridotto aumentando la frequenza (cioè
il numero degli impulsi /giro) ma il valore misurato sarà sempre la media
della velocità in quel periodo.
Per misure praticamente istantanee si ricorre alla rilevazione della durata
degli impulsi prodotti (il che però richiede di calcolare l'inverso ).
Per questo osservavo all'inizio che il clock a 0.5Hz è inappropriato
(invece che moltiplicare questo per 2 si sarebbe potuto dividere
per 2 la frequenza degli impulsi (allungando il tempo di misura a 2s)
e magari contare poi con solo 2 decadi (tempo 0.2s, ma con minore
precisione).
Osservo inoltre che l'esercizio è utile per capire i problemi della
misura digitale della velocità di rotazione e dell'applicazione
della tecnica digitale con integrati, ma che tale soluzione è
oggi obsoleta, essendo più economico utilizzare microprocessori
Per terminare l'esercizio dobbiamo ancora vedere il comando
di trasferimento della misura dai contatori ai display.
0
voti
1
voti
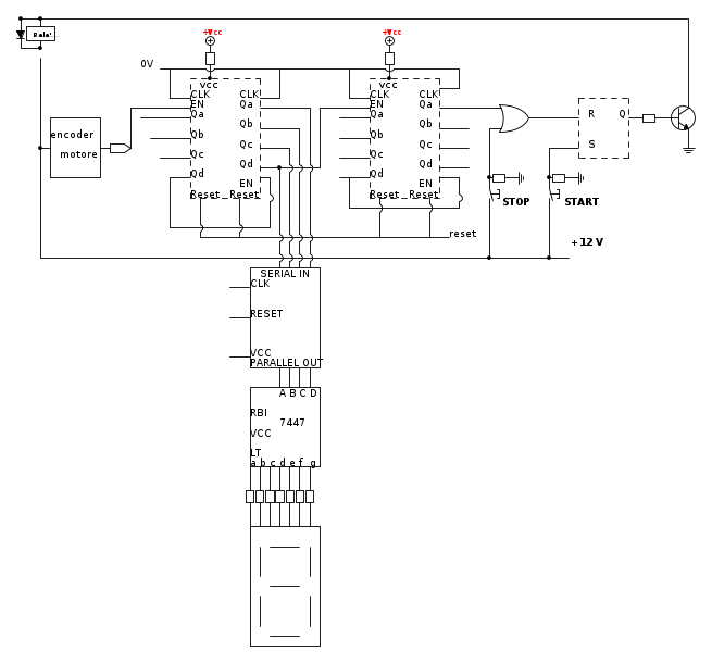
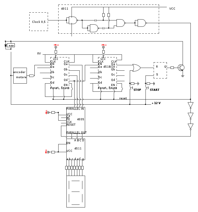
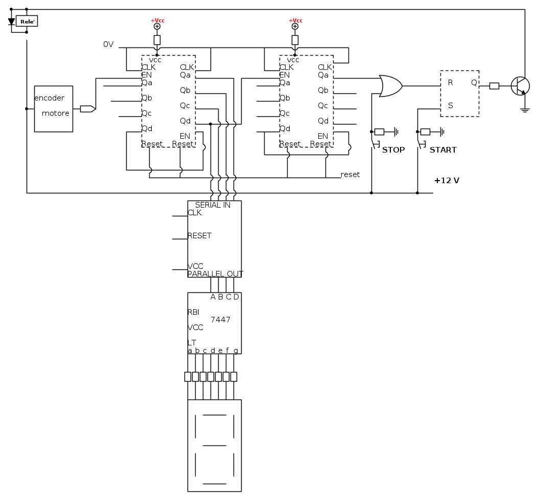
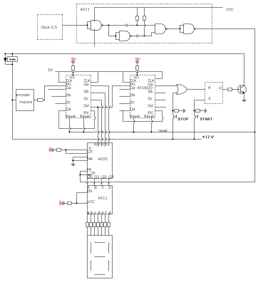
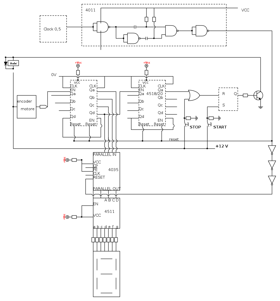
Il 4035 può svolgere anche la funzione "Serial In-Parallel Out".ma in questo caso
dobbiamo usarli come Parallel In-Parallel Out (è un controsenso mettere
4 ingressi e scrivere "serial in"!)
Per questa funzione occorre dare un segnale congiunto ai pin PE (parallel entry)
e CP (clock pulse) che memorizza gli stati degli ingressi in quell'istante.
Il valore della misura di velocità viene così mantenuto nel display
per tutta la durata del conteggio successivo (cioè 1s).
A proposito di display, se usi la serie CMOS4000, bisogna che
anche il driver sia compatibile: vedi il 4511.
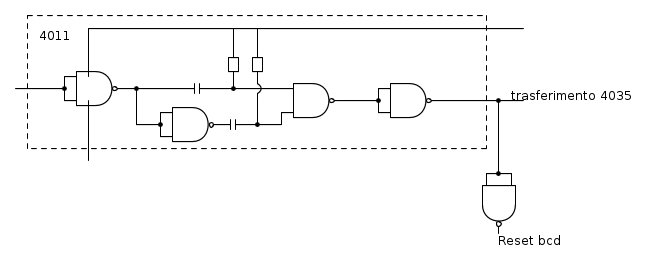
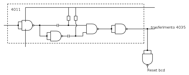
Quello che resta da fare è dunque creare il segnale che,
alla fine del conteggio ogni secondo, memorizzi il conteggio.
Possiamo pertanto usare il nostro clock di 1Hz (ricavato
dal raddoppiamento del clock disponibile di 0,5Hz) che
abbiamo provvisoriamente utilizzato per il Reset del contatore.
Poiché non possiamo fare le due cose contemporaneamente
(il Reset deve avvenire dopo il trasferimento)
dobbiamo generare l'impulso di Reset con il fronte di discesa
dell'impulso di temporizzazione.
Se hai capito lo schema per il raddoppio della frequenza,
è facile ricavare il circuito che ricava un impulso dal fronte
d'onda di un altro.
Ovviamente la durata di questi impulsi è dell'ordine dei us
(quindi trascurabili per il tempo effettivo di conteggio)
dobbiamo usarli come Parallel In-Parallel Out (è un controsenso mettere
4 ingressi e scrivere "serial in"!)
Per questa funzione occorre dare un segnale congiunto ai pin PE (parallel entry)
e CP (clock pulse) che memorizza gli stati degli ingressi in quell'istante.
Il valore della misura di velocità viene così mantenuto nel display
per tutta la durata del conteggio successivo (cioè 1s).
A proposito di display, se usi la serie CMOS4000, bisogna che
anche il driver sia compatibile: vedi il 4511.
Quello che resta da fare è dunque creare il segnale che,
alla fine del conteggio ogni secondo, memorizzi il conteggio.
Possiamo pertanto usare il nostro clock di 1Hz (ricavato
dal raddoppiamento del clock disponibile di 0,5Hz) che
abbiamo provvisoriamente utilizzato per il Reset del contatore.
Poiché non possiamo fare le due cose contemporaneamente
(il Reset deve avvenire dopo il trasferimento)
dobbiamo generare l'impulso di Reset con il fronte di discesa
dell'impulso di temporizzazione.
Se hai capito lo schema per il raddoppio della frequenza,
è facile ricavare il circuito che ricava un impulso dal fronte
d'onda di un altro.
Ovviamente la durata di questi impulsi è dell'ordine dei us
(quindi trascurabili per il tempo effettivo di conteggio)
0
voti
Ho introdotto un po' di ritardo per resettarlo. Non va bene?
0
voti
Se resetti il buffer cosa ottieni?
Se rileggi quello che ho scritto, con l'impulso di clock
(ad ogni secondo) devi trasferire
(con l'impulso sui pin PE e CP) il dato
del contatore nel buffer (non resettarlo!) e sul
fronte d'onda negativo di questo generare un
impulso di Reset dei contatori (non ritardare il clock)
Se rileggi quello che ho scritto, con l'impulso di clock
(ad ogni secondo) devi trasferire
(con l'impulso sui pin PE e CP) il dato
del contatore nel buffer (non resettarlo!) e sul
fronte d'onda negativo di questo generare un
impulso di Reset dei contatori (non ritardare il clock)
0
voti
si ho letto, ma ho paura che non capisco. Sono una brutta testa me sa Sto rischiando il linciaggio....
Quando dici reset dei contatori ti riferisci al bcd, quindi il reser con il clock a 1 s fatto è sbagliato?
0
voti
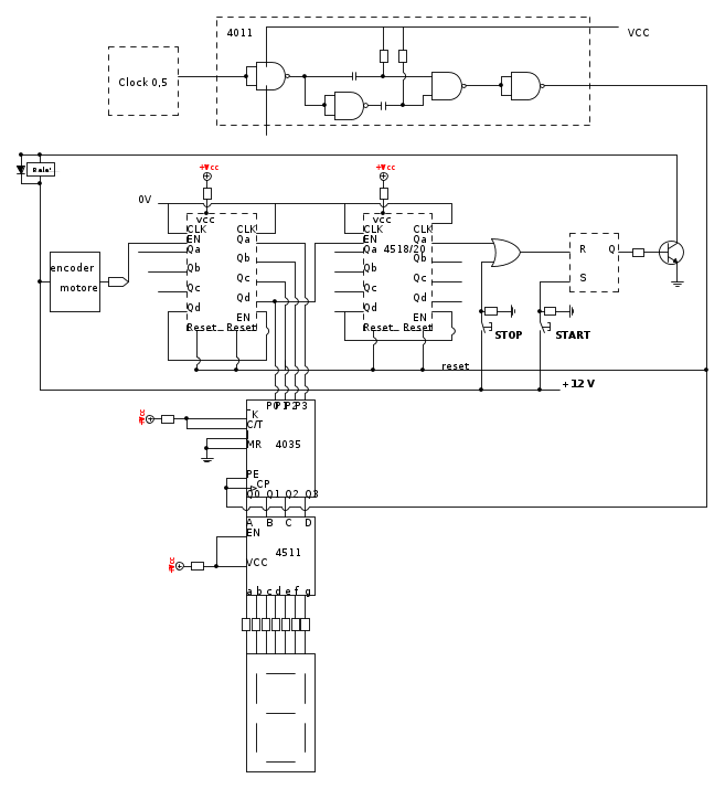
sul pin CP il fronte d'onda negativo non dovremmo indicarlo con il pallino all'ingresso e la freccia dentro?
K e C/T a cosa servono?
J? e perché insieme al reset in massa?
sempre grazie per la disponibilità
0
voti
Bene il 4035.
e
servono per l'ingresso seriale
e
per l'inversione del dato (qui non sono utilizzati).
Non ci siamo invece con gli impulsi di trasferimento
e di Rest del contatore.
Rileggi attentamente il post[93].
e
servono per l'ingresso seriale e
per l'inversione del dato (qui non sono utilizzati).Non ci siamo invece con gli impulsi di trasferimento
e di Rest del contatore.
Rileggi attentamente il post[93].
0
voti
Dunque:
- Bisogna resettare il contatore bcd solo dopo aver trasferito i dati dal 4518/20 al 4035
- Il trasferimento avviene quando il 4035 ottiene un impulso su Cp e Pe
- Scegliere di usare il clock a 1s per abilitare il trasferimento e ritardarlo per resettare il bcd non va bene, se usiamo il clock a 0,5Hz per il trasferimento e quello da 1Hz per il reset non va bene. Quindi stesso impulso di 1Hz valido solo per il reset nella fase di tempo decrescente da H a L.
In questo modo l'onda quadra è invertita se non sono troppo somaro.
Ho un dubbio.... smentiscimi perché mi sa che sono andato troppo in là cn la fantasia. Se collego il clock a un Jk di tipo NET e uso l'uscita per resettare i bcd è pura follia?
- Bisogna resettare il contatore bcd solo dopo aver trasferito i dati dal 4518/20 al 4035
- Il trasferimento avviene quando il 4035 ottiene un impulso su Cp e Pe
- Scegliere di usare il clock a 1s per abilitare il trasferimento e ritardarlo per resettare il bcd non va bene, se usiamo il clock a 0,5Hz per il trasferimento e quello da 1Hz per il reset non va bene. Quindi stesso impulso di 1Hz valido solo per il reset nella fase di tempo decrescente da H a L.
In questo modo l'onda quadra è invertita se non sono troppo somaro.
Ho un dubbio.... smentiscimi perché mi sa che sono andato troppo in là cn la fantasia. Se collego il clock a un Jk di tipo NET e uso l'uscita per resettare i bcd è pura follia?
Chi c’è in linea
Visitano il forum: Nessuno e 306 ospiti

Elettrotecnica e non solo (admin)
Un gatto tra gli elettroni (IsidoroKZ)
Esperienza e simulazioni (g.schgor)
Moleskine di un idraulico (RenzoDF)
Il Blog di ElectroYou (webmaster)
Idee microcontrollate (TardoFreak)
PICcoli grandi PICMicro (Paolino)
Il blog elettrico di carloc (carloc)
DirtEYblooog (dirtydeeds)
Di tutto... un po' (jordan20)
AK47 (lillo)
Esperienze elettroniche (marco438)
Telecomunicazioni musicali (clavicordo)
Automazione ed Elettronica (gustavo)
Direttive per la sicurezza (ErnestoCappelletti)
EYnfo dall'Alaska (mir)
Apriamo il quadro! (attilio)
H7-25 (asdf)
Passione Elettrica (massimob)
Elettroni a spasso (guidob)
Bloguerra (guerra)








