Ciao a tutti,
dovrei realizzare un segnalatore d'abboccata con le seguenti caratteristiche:
-il trigger è un interruttore reed (normalmente aperto) che si apre e chiude alternativamente quando il pesce sta abboccando e finita l'abboccata, può rimanere in posizione "randomicamente" aperta o chiusa.
-l'abboccata deve essere segnalata da:
--- un buzzer che suona per un secondo dopo l'ultima chiusura del reed.
---un led che deve rimanere acceso per 30 secondi.
-il circuito viene alimentato da una batteria da 9 V.
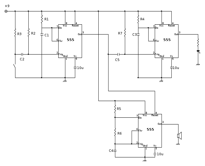
Ho provato a creare un circuito che soddisfa tali requisiti utilizzando 3 NE555:
-il primo in configurazione monostabile che manda l'uscita alta per 1 secondo. Rispetto allo schema classico ho aggiunto R2 e C2 che realizzano un filtro passa alto in modo da bloccare la componente continua e lasciar passare soltanto l'impulso iniziale. La resistenza R3 limita la corrente quando il reed è chiuso.
-il secondo NE555 è usato nella stessa configurazione del primo ed è pilotato dall'uscita di quest'ultimo. Lo scopo di tale blocco è alimentare il LED.
-il terzo in configurazione astabile viene alimentato dall'uscita del primo. Viene utilizzato come oscillatore per pilotare il buzzer.
Innanzitutto è corretto alimentare il terzo NE555 con l'uscita del primo?
Ho fatto in questo modo per conservare il più possibile la batteria. Altrimenti potrei comandarlo dal pin di reset.
Un possibile problema secondo me è anche che il circuito, se il reed rimanesse chiuso, consumerebbe sempre corrente, che con R3=56k ho limitato a 0,15 mA.
Secondo voi potrebbe funzionare? C'è un modo per realizzare il tutto con meno NE555? Esiste un integrato più adatto(è la prima volta che mi avvicino al mondo "reale" dell'elettronica)?
Avvisatore da pesca con NE555
Moderatori:
carloc,
g.schgor,
BrunoValente,
IsidoroKZ
8 messaggi
• Pagina 1 di 1
2
voti
classicman ha scritto:Innanzitutto è corretto alimentare il terzo NE555 con l'uscita del primo?
No. il 555 ha il pin4 per questo scopo: con "0" l'uscita viene disabilitata.
Quindi per l'astabile basta controllare questo pin con l'uscita del primo monostabile.
Il secondo monostabile richiede invese un disaccopiamento capacitivo
con il primo (come è stato fatto per quest'ultimo)
Il pin2 deve infatti essere sempre ad "1" , salvo
un breve impulso a "0" che fa da trigger per l'avvio della temporizzazione.
1
voti
Credo che nel circuito che hai disegnato (anche modificato per pilotare il piedino di reset) il buzzer cominci a suonare quando comincia l'abboccata, non quando finisce.
Per sapere quando finisce l'abboccata, come spieghi, bisogna riconoscere l'ultima chiusura o apertura del reed.
Come facciamo a sapere che è l'ultima e che non ce ne saranno altre?
Non vedo altro modo che riconoscere una pausa lunga dopo la sequenza di aperture/chiusure.
Quanto dev'essere lunga questa pausa? Ovvero, qual è il tempo massimo che può trascorrere tra un'apertura/chiusura del reed e la successiva quando l'abboccata è in corso?
Quando questo tempo massimo è superato, si può considerare conclusa l'abboccata.
Nel circuito questo tempo potrebbe anche essere reso regolabile per una messa a punto "sul campo". Però è meglio averne almeno una stima.
Per curiosità, dove vengono montati il reed e il magnete che lo aziona?
Per sapere quando finisce l'abboccata, come spieghi, bisogna riconoscere l'ultima chiusura o apertura del reed.
Come facciamo a sapere che è l'ultima e che non ce ne saranno altre?
Non vedo altro modo che riconoscere una pausa lunga dopo la sequenza di aperture/chiusure.
Quanto dev'essere lunga questa pausa? Ovvero, qual è il tempo massimo che può trascorrere tra un'apertura/chiusura del reed e la successiva quando l'abboccata è in corso?
Quando questo tempo massimo è superato, si può considerare conclusa l'abboccata.
Nel circuito questo tempo potrebbe anche essere reso regolabile per una messa a punto "sul campo". Però è meglio averne almeno una stima.
Per curiosità, dove vengono montati il reed e il magnete che lo aziona?
Big fan of ⋮ƎlectroYou! Ausili per disabili e anziani su ⋮ƎlectroYou
Caratteri utili: À È É Ì Ò Ó Ù α β γ δ ε η θ λ μ π ρ σ τ φ ω Ω º ª ² ³ √ ∛ ∜ ₀ ₁ ₂ ₃ ₄ ₅ ₆ ∃ ∄ ∆ ∈ ∉ ± ∓ ∾ ≃ ≈ ≠ ≤ ≥
Caratteri utili: À È É Ì Ò Ó Ù α β γ δ ε η θ λ μ π ρ σ τ φ ω Ω º ª ² ³ √ ∛ ∜ ₀ ₁ ₂ ₃ ₄ ₅ ₆ ∃ ∄ ∆ ∈ ∉ ± ∓ ∾ ≃ ≈ ≠ ≤ ≥
0
voti
Innanzitutto grazie per le repliche.
Comincio con lo scusarmi con GuidoB, effettivamente da quello che ho scritto si capiva che il buzzer non dovesse suonare prima dell'ultima abboccata; quello che invece volevo dire è semplicemente che deve suonare per 1 s ad ogni chiusura del reed.
Per quanto riguarda la tua curiosità, la struttura dell'avvisatore ce l'ho già, ne userò uno vecchio che non funziona più; il reed viene azionato da una calamita montata su una rotella (dove scorre il filo) che gira quando il pesce abbocca.
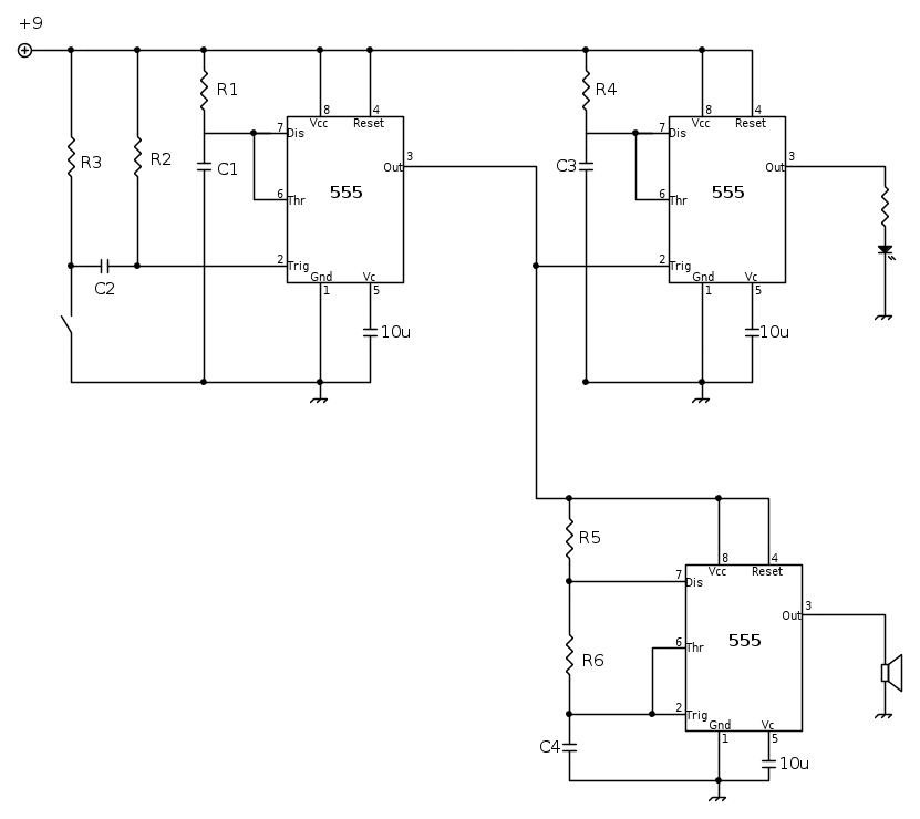
Per quanto riguarda la parte elettronica, avevo dimenticato per distrazione di inserire il condensatore di disaccoppiamento tra il primo e secondo stadio. Inserisco lo schema aggiornato.
Riguardo l'alimentazione dell'astabile invece, per curiosità c'è un qualche motivo tecnico/teorico per cui non può essere fornita dall'uscita di un altro? (tralasciamo per un attimo il fatto che il pin 4 rende totalmente inutile fare quello che ho detto sopra)
Un'ultima domanda: pur avendo a disposizione una tensione Vcc e 200 mA massimi in uscita, utilizzando una comune batteria da 9 V, non sono riuscito ad ottenere un livello sonoro che avrei desiderato.
Non conoscendo l'esatta frequenza di risonanza del buzzer (non ho il modello preciso), ho impostato un' onda quadra di 2 kHz.
E' possibile che le scarse prestazioni siano dovute al fatto che non ho "azzeccato" la giusta frequenza di risonanza?
Per ora è tutto, grazie ancora per la disponibilità.
Comincio con lo scusarmi con GuidoB, effettivamente da quello che ho scritto si capiva che il buzzer non dovesse suonare prima dell'ultima abboccata; quello che invece volevo dire è semplicemente che deve suonare per 1 s ad ogni chiusura del reed.
Per quanto riguarda la tua curiosità, la struttura dell'avvisatore ce l'ho già, ne userò uno vecchio che non funziona più; il reed viene azionato da una calamita montata su una rotella (dove scorre il filo) che gira quando il pesce abbocca.
Per quanto riguarda la parte elettronica, avevo dimenticato per distrazione di inserire il condensatore di disaccoppiamento tra il primo e secondo stadio. Inserisco lo schema aggiornato.
Riguardo l'alimentazione dell'astabile invece, per curiosità c'è un qualche motivo tecnico/teorico per cui non può essere fornita dall'uscita di un altro? (tralasciamo per un attimo il fatto che il pin 4 rende totalmente inutile fare quello che ho detto sopra)
Un'ultima domanda: pur avendo a disposizione una tensione Vcc e 200 mA massimi in uscita, utilizzando una comune batteria da 9 V, non sono riuscito ad ottenere un livello sonoro che avrei desiderato.
Non conoscendo l'esatta frequenza di risonanza del buzzer (non ho il modello preciso), ho impostato un' onda quadra di 2 kHz.
E' possibile che le scarse prestazioni siano dovute al fatto che non ho "azzeccato" la giusta frequenza di risonanza?
Per ora è tutto, grazie ancora per la disponibilità.
-

classicman
40 2 - Messaggi: 16
- Iscritto il: 2 feb 2014, 18:29
2
voti
classicman ha scritto:il reed viene azionato da una calamita montata su una rotella (dove scorre il filo) che gira quando il pesce abbocca.
Adesso mi è più chiaro come funziona, grazie.
classicman ha scritto:Riguardo l'alimentazione dell'astabile invece, per curiosità c'è un qualche motivo tecnico/teorico per cui non può essere fornita dall'uscita di un altro? (tralasciamo per un attimo il fatto che il pin 4 rende totalmente inutile fare quello che ho detto sopra)
In questo caso specifico probabilmente si può fare.
Tieni comunque conto che:
1) spesso l'uscita di un integrato non è rail-to-rail, cioè non riesce a fornire la stessa tensione di alimentazione, ma qualcosa in meno;
2) viene caricata con tutta la corrente assorbita dallo stadio alimentato (occhio all'altoparlante, potrebbe assorbire qualche centinaio di milliamper) compresi eventuali condensatori da caricare "istantaneamente" all'atto dell'alimentazione (non è il tuo caso);
3) se togli alimentazione ma ci sono ingressi collegati ad altre parti del circuito, ricevono alimentazione da lì e potrebbero succedere cose poco simpatiche (non è il tuo caso);
4) sicuramente altre cose che non mi vengono in mente.
classicman ha scritto:Un'ultima domanda: pur avendo a disposizione una tensione Vcc e 200 mA massimi in uscita, utilizzando una comune batteria da 9 V, non sono riuscito ad ottenere un livello sonoro che avrei desiderato.
Controlla di non aver usato una capsula piezoelettrica al posto di un altoparlante elettromagnetico in miniatura. La capsula piezo ha resistenza infinita (comunque ha una capacità), un altoparlante in miniatura ("souducer") ha una resistenza di qualche decina di ohm.
Per pilotare una capsula piezo hai bisogno di tensioni più alte, e ancor meglio farlo alla frequenza di risonanza.
Esistono in alternativa buzzer piezoelettrici con oscillatore incorporato che assorbono pochi milliamper e danno un suono ben udibile.
classicman ha scritto:E' possibile che le scarse prestazioni siano dovute al fatto che non ho "azzeccato" la giusta frequenza di risonanza?
Solo se hai usato una capsula piezo. Se fosse un altoparlante elettromagnetico in miniatura dovrebbe sentirsi molto bene. Questi altoparlanti si recuperano facilmente da molti giocattoli.
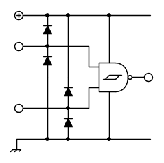
Ho provato a disegnare uno schema alternativo che fa uso di un integrato CMOS contenente quattro porte NAND con ingressi a trigger di Schmitt.
Il vantaggio è che a reed aperto non consuma praticamente nulla, e quando è chiuso consuma staticamente meno di 100 microamper, che è comunque pochissimo anche per una pila da 9 V.
Aggiungendo un interruttore per spegnerlo quando non lo usi, o togliendo la pila, questa ti durerà per anni.
In più suona sia alla chiusura che all'apertura del reed.
Comunque consiglio vivamente di sostituire l'altoparlante in miniatura con un buzzer piezoelettrico (con oscillatore incorporato), perché consuma molto meno. In tal caso dovrai eliminare R9 e C5, e collegare insieme gli ingressi di IC1-D. Oppure usare R9 = 1 MΩ e C5 = 100 nF per avere un suono intermittente.
Se hai bisogno di delucidazioni sul funzionamento chiedimi pure... adesso vado a nanna.

Big fan of ⋮ƎlectroYou! Ausili per disabili e anziani su ⋮ƎlectroYou
Caratteri utili: À È É Ì Ò Ó Ù α β γ δ ε η θ λ μ π ρ σ τ φ ω Ω º ª ² ³ √ ∛ ∜ ₀ ₁ ₂ ₃ ₄ ₅ ₆ ∃ ∄ ∆ ∈ ∉ ± ∓ ∾ ≃ ≈ ≠ ≤ ≥
Caratteri utili: À È É Ì Ò Ó Ù α β γ δ ε η θ λ μ π ρ σ τ φ ω Ω º ª ² ³ √ ∛ ∜ ₀ ₁ ₂ ₃ ₄ ₅ ₆ ∃ ∄ ∆ ∈ ∉ ± ∓ ∾ ≃ ≈ ≠ ≤ ≥
2
voti
Ciao, innanzitutto grazie infinite per il tempo che mi stai dedicando.
Effettivamente il consumo del circuito che avevo proposto è di diversi ordini maggiore del tuo, per questo senza dubbio andrò a scegliere la tua versione, che sembra molto più performante.
Ho provato a comprendere il funzionamento del circuito.
Penso di aver capito come funziona il secondo stadio (quello che pilota il led e il buzzer) e, grosso modo, come operano le NAND IC1-A e IC1-B quando l'interruttore reed è aperto.
Supponendo l'interruttore aperto, le due porte di IC1-A presentano una tensione verso massa nulla, per cui in uscita allo stesso avremo il livello alto H. Alla destra di C3 perciò è presente lo stessa tensione Vcc (sto supponendo nulla la caduta di potenziale su R4 ed R5, perché mi sembra appropriato dire che sono attraversate da una corrente piccolissima) e il livello H è portato in ingresso a IC1-B.
L'altra porta di IC1-B al contrario è al livello basso L perché C2 non ha ancora completato la sua carica. In uscita da IC1-B perciò abbiamo 1 nand 0 = 1. Questo livello portato in ingresso a IC1-D con le porte cortocircuitate (supponiamo di usare il piezolettrico) restituisce 0 alla sua uscita, portando in conduzione il transistor e facendo suonare il piezoelettrico, e lo stesso accade con il diodo LED in quanto la carica di C4 attraverso R6 è quasi immediata (mentre la sua scarica attraverso R7 dura una trentina di secondi come richiesto).
Tuttavia, dopo un tempo di R5*C2 = 1 s come richiesto, C2 si sarà caricato portando al livello H anche il secondo ingresso di IC1-B per cui avremo L alla sua uscita e i transistor seguenti risulteranno interdetti.
Spero di non aver detto stupidaggini troppo gravi fino a questo punto.
Quello che mi risulta meno chiaro è cosa succede quando l'interruttore viene chiuso.
Spero di non essere sfacciato approfittando della tua disponibilità a fornire ulteriori spiegazioni.
Grazie mille!
Marco.
Effettivamente il consumo del circuito che avevo proposto è di diversi ordini maggiore del tuo, per questo senza dubbio andrò a scegliere la tua versione, che sembra molto più performante.
Ho provato a comprendere il funzionamento del circuito.
Penso di aver capito come funziona il secondo stadio (quello che pilota il led e il buzzer) e, grosso modo, come operano le NAND IC1-A e IC1-B quando l'interruttore reed è aperto.
Supponendo l'interruttore aperto, le due porte di IC1-A presentano una tensione verso massa nulla, per cui in uscita allo stesso avremo il livello alto H. Alla destra di C3 perciò è presente lo stessa tensione Vcc (sto supponendo nulla la caduta di potenziale su R4 ed R5, perché mi sembra appropriato dire che sono attraversate da una corrente piccolissima) e il livello H è portato in ingresso a IC1-B.
L'altra porta di IC1-B al contrario è al livello basso L perché C2 non ha ancora completato la sua carica. In uscita da IC1-B perciò abbiamo 1 nand 0 = 1. Questo livello portato in ingresso a IC1-D con le porte cortocircuitate (supponiamo di usare il piezolettrico) restituisce 0 alla sua uscita, portando in conduzione il transistor e facendo suonare il piezoelettrico, e lo stesso accade con il diodo LED in quanto la carica di C4 attraverso R6 è quasi immediata (mentre la sua scarica attraverso R7 dura una trentina di secondi come richiesto).
Tuttavia, dopo un tempo di R5*C2 = 1 s come richiesto, C2 si sarà caricato portando al livello H anche il secondo ingresso di IC1-B per cui avremo L alla sua uscita e i transistor seguenti risulteranno interdetti.
Spero di non aver detto stupidaggini troppo gravi fino a questo punto.
Quello che mi risulta meno chiaro è cosa succede quando l'interruttore viene chiuso.
Spero di non essere sfacciato approfittando della tua disponibilità a fornire ulteriori spiegazioni.
Grazie mille!
Marco.
-

classicman
40 2 - Messaggi: 16
- Iscritto il: 2 feb 2014, 18:29
2
voti
Devi solo dire "ingresso" quando dici "porta" (la porta è tutto il NAND). Per il resto la spiegazione è perfetta!
Che cosa succede quando l'interruttore viene chiuso?
Prima di tutto bisogna sapere che gli ingressi delle porte CMOS della serie 4000 sono protetti da un circuito chiamato "standard CMOS protection", il cui scopo è evitare che eventuali tensioni derivanti da elettricità statica arrivino accidentalmente su un ingresso mentre si maneggia l'integrato.
Queste tensioni elettrostatiche possono essere di varie migliaia di volt, più che sufficienti per "bucare" l'isolamento di gate dei MOSFET contenuti e rendere la porta inservibile.
Nella pratica possiamo considerare questo circuito come composto da due diodi per ingresso, qui raffigurati esternamente alla porta ideale:
I diodi limitano l'escursione della tensione sugli ingressi alla tensione di alimentazione più (o meno) la caduta di polarizzazione diretta dei diodi (circa 0,7 V per piccole correnti), quindi li proteggono da picchi di tensione.
Quando l'interruttore viene chiuso, se non ci fossero questi diodi, un livello alto verrebbe immediatamente applicato attraverso R2 agli ingressi di IC1-A. La sua uscita quindi commuterebbe a livello basso e verrebbe riportata attraveso R3 e C3 (ancora scarico) all'ingresso di IC1-B. Questo livello basso farebbe commutare l'uscita di IC1-B a livello alto, caricando rapidamente C4 e facendo suonare il buzzer finché C3 non si sarà caricato attraverso R4-R3 (circa un secondo). Il LED resterebbe poi acceso per una trentina di secondi, finché C4 non si sarà scaricato sotto la tensione di soglia "bassa" degli ingressi di IC1-C.
Lo stesso livello alto (di 9 V) che troviamo agli ingressi di IC1-A verrebbe applicato al negativo di C2. C2 però a questo punto era già carico a 9 V. Quindi "alzando" il morsetto negativo del condensatore a 9 V rispetto a massa, il morsetto positivo passerebbe a 18 V (rispetto a massa), e C2 resterebbe carico.
Se non ci fossero i diodi di protezione l'isolamento dei gate potrebbe anche rompersi.
Invece ci sono, e il loro effetto (in particolare l'effetto del diodo che va al positivo) è quello chiudere il circuito diodo di protezione - interruttore - R2 - C2 - e di nuovo diodo di protezione.
Questa corrente che circola, rapidamente (parliamo di centesimi di secondo) scarica C2.
R2 limita questa corrente a circa 2 mA, quindi il diodo di protezione viene trattato molto gentilmente.
Tornando all'analisi della tensione agli ingressi di IC1-A, la scarica di C2 provoca una momentanea caduta di tensione su R2, rapidamente decrescente, quindi nel giro di 5 ms (non immediatamente) gli ingressi di IC1-A vedranno un livello alto.
Comunque questo ritardo è impercettibile agli effetti del funzionamento esterno, quindi non mi sono sforzato di toglierlo (magari spostando R2). Anzi, ho preferito lasciare R2 dov'è, perché fornisce una certa protezione limitando eventuali correnti/scariche che potrebbero arrivare dall'esterno a questo ingresso del circuito.
All'accensione, come hai già notato, il buzzer suona per un secondo e il LED resta acceso una trentina di secondi. Puoi considerarli una specie di "autotest" per vedere che il buzzer e il LED sono efficienti e la pila è carica.
Volendo eliminarlo, si potrebbero inibire LED e buzzer per una trentina di secondi collegado un ingresso di IC1-C e uno di IC1-D a un condensatore che si carichi lentamente attraverso una resistenza. Ma secondo me è meglio lasciarlo così.
Se spegni e riaccendi il circuito, visto il minimo consumo questo potrebbe restare alimentato e non dare il segnale di autotest. Per avere l'autotest sempre, potresti usare un deviatore anziché un interruttore per l'accensione. Con il deviatore puoi collegare una resistenza da 1 kΩ in parallelo a tutto il circuito unicamente quando è spento, in modo da scaricare i condensatori e avere il segnale di autotest a ogni accensione.
E questo è tutto... buona costruzione e buona pesca!
Che cosa succede quando l'interruttore viene chiuso?
Prima di tutto bisogna sapere che gli ingressi delle porte CMOS della serie 4000 sono protetti da un circuito chiamato "standard CMOS protection", il cui scopo è evitare che eventuali tensioni derivanti da elettricità statica arrivino accidentalmente su un ingresso mentre si maneggia l'integrato.
Queste tensioni elettrostatiche possono essere di varie migliaia di volt, più che sufficienti per "bucare" l'isolamento di gate dei MOSFET contenuti e rendere la porta inservibile.
Nella pratica possiamo considerare questo circuito come composto da due diodi per ingresso, qui raffigurati esternamente alla porta ideale:
I diodi limitano l'escursione della tensione sugli ingressi alla tensione di alimentazione più (o meno) la caduta di polarizzazione diretta dei diodi (circa 0,7 V per piccole correnti), quindi li proteggono da picchi di tensione.
Quando l'interruttore viene chiuso, se non ci fossero questi diodi, un livello alto verrebbe immediatamente applicato attraverso R2 agli ingressi di IC1-A. La sua uscita quindi commuterebbe a livello basso e verrebbe riportata attraveso R3 e C3 (ancora scarico) all'ingresso di IC1-B. Questo livello basso farebbe commutare l'uscita di IC1-B a livello alto, caricando rapidamente C4 e facendo suonare il buzzer finché C3 non si sarà caricato attraverso R4-R3 (circa un secondo). Il LED resterebbe poi acceso per una trentina di secondi, finché C4 non si sarà scaricato sotto la tensione di soglia "bassa" degli ingressi di IC1-C.
Lo stesso livello alto (di 9 V) che troviamo agli ingressi di IC1-A verrebbe applicato al negativo di C2. C2 però a questo punto era già carico a 9 V. Quindi "alzando" il morsetto negativo del condensatore a 9 V rispetto a massa, il morsetto positivo passerebbe a 18 V (rispetto a massa), e C2 resterebbe carico.
Se non ci fossero i diodi di protezione l'isolamento dei gate potrebbe anche rompersi.
Invece ci sono, e il loro effetto (in particolare l'effetto del diodo che va al positivo) è quello chiudere il circuito diodo di protezione - interruttore - R2 - C2 - e di nuovo diodo di protezione.
Questa corrente che circola, rapidamente (parliamo di centesimi di secondo) scarica C2.
R2 limita questa corrente a circa 2 mA, quindi il diodo di protezione viene trattato molto gentilmente.
Tornando all'analisi della tensione agli ingressi di IC1-A, la scarica di C2 provoca una momentanea caduta di tensione su R2, rapidamente decrescente, quindi nel giro di 5 ms (non immediatamente) gli ingressi di IC1-A vedranno un livello alto.
Comunque questo ritardo è impercettibile agli effetti del funzionamento esterno, quindi non mi sono sforzato di toglierlo (magari spostando R2). Anzi, ho preferito lasciare R2 dov'è, perché fornisce una certa protezione limitando eventuali correnti/scariche che potrebbero arrivare dall'esterno a questo ingresso del circuito.
All'accensione, come hai già notato, il buzzer suona per un secondo e il LED resta acceso una trentina di secondi. Puoi considerarli una specie di "autotest" per vedere che il buzzer e il LED sono efficienti e la pila è carica.
Volendo eliminarlo, si potrebbero inibire LED e buzzer per una trentina di secondi collegado un ingresso di IC1-C e uno di IC1-D a un condensatore che si carichi lentamente attraverso una resistenza. Ma secondo me è meglio lasciarlo così.
Se spegni e riaccendi il circuito, visto il minimo consumo questo potrebbe restare alimentato e non dare il segnale di autotest. Per avere l'autotest sempre, potresti usare un deviatore anziché un interruttore per l'accensione. Con il deviatore puoi collegare una resistenza da 1 kΩ in parallelo a tutto il circuito unicamente quando è spento, in modo da scaricare i condensatori e avere il segnale di autotest a ogni accensione.
E questo è tutto... buona costruzione e buona pesca!
Big fan of ⋮ƎlectroYou! Ausili per disabili e anziani su ⋮ƎlectroYou
Caratteri utili: À È É Ì Ò Ó Ù α β γ δ ε η θ λ μ π ρ σ τ φ ω Ω º ª ² ³ √ ∛ ∜ ₀ ₁ ₂ ₃ ₄ ₅ ₆ ∃ ∄ ∆ ∈ ∉ ± ∓ ∾ ≃ ≈ ≠ ≤ ≥
Caratteri utili: À È É Ì Ò Ó Ù α β γ δ ε η θ λ μ π ρ σ τ φ ω Ω º ª ² ³ √ ∛ ∜ ₀ ₁ ₂ ₃ ₄ ₅ ₆ ∃ ∄ ∆ ∈ ∉ ± ∓ ∾ ≃ ≈ ≠ ≤ ≥
1
voti
Wow!
Di certo ora ho dell' ottimo materiale di studio; mentirei se dicessi di aver capito alla perfezione tutta la tua dettagliata spiegazione, ma sono fiducioso di riuscire insistendo un po', con lo schema alla mano.
D'altronde mi sento già un po' più "colto" di quando ho aperto il topic: sto cominciando a prenderci gusto.
Effettivamente, pur avendo letto il datasheet, i diodi di protezione mi erano sfuggiti.
Il fatto che l'avvisatore suoni all'accensione anche secondo me è molto utile come test, cosa che prima facevo comunque manualmente, mentre non ritengo affatto un problema che spegnendo e riaccendendo l'avvisatore, a causa della carica residua dei condensatori, questo autotest non si verifichi: non capita mai di spegnere l'avvisatore durante le sessioni di pesca ed ora men che meno se ne sente il bisogno visto che il consumo del circuito in ogni condizione dell'interruttore è in pratica trascurabile.
Si, è vero, pur conoscendo la corretta terminologia nella pratica tendo a confondere. Se non mi sbaglio almeno una volta devo averci azzeccato
Ancora una volta grazie, e come tu stesso hai detto ora non rimane che mettere mano al saldatore!
Pur non essendo la costruzione stessa quanto la progettazione il fulcro del topic, cercherò per curiosità di postare qualche foto della realizzazione, e magari un video.
Nel caso non avessi ulteriori dubbi, ci risentiremo allora!
Grazie!
Di certo ora ho dell' ottimo materiale di studio; mentirei se dicessi di aver capito alla perfezione tutta la tua dettagliata spiegazione, ma sono fiducioso di riuscire insistendo un po', con lo schema alla mano.
D'altronde mi sento già un po' più "colto" di quando ho aperto il topic: sto cominciando a prenderci gusto.
GuidoB ha scritto:Prima di tutto bisogna sapere che gli ingressi delle porte CMOS della serie 4000 sono protetti da un circuito chiamato "standard CMOS protection", il cui scopo è evitare che eventuali tensioni derivanti da elettricità statica arrivino accidentalmente su un ingresso mentre si maneggia l'integrato.
Effettivamente, pur avendo letto il datasheet, i diodi di protezione mi erano sfuggiti.
Il fatto che l'avvisatore suoni all'accensione anche secondo me è molto utile come test, cosa che prima facevo comunque manualmente, mentre non ritengo affatto un problema che spegnendo e riaccendendo l'avvisatore, a causa della carica residua dei condensatori, questo autotest non si verifichi: non capita mai di spegnere l'avvisatore durante le sessioni di pesca ed ora men che meno se ne sente il bisogno visto che il consumo del circuito in ogni condizione dell'interruttore è in pratica trascurabile.
GuidoB ha scritto:Devi solo dire "ingresso" quando dici "porta" (la porta è tutto il NAND). Per il resto la spiegazione è perfetta!![]()
Si, è vero, pur conoscendo la corretta terminologia nella pratica tendo a confondere. Se non mi sbaglio almeno una volta devo averci azzeccato
Ancora una volta grazie, e come tu stesso hai detto ora non rimane che mettere mano al saldatore!
Pur non essendo la costruzione stessa quanto la progettazione il fulcro del topic, cercherò per curiosità di postare qualche foto della realizzazione, e magari un video.
Nel caso non avessi ulteriori dubbi, ci risentiremo allora!
Grazie!
-

classicman
40 2 - Messaggi: 16
- Iscritto il: 2 feb 2014, 18:29
8 messaggi
• Pagina 1 di 1
Chi c’è in linea
Visitano il forum: Nessuno e 214 ospiti

Elettrotecnica e non solo (admin)
Un gatto tra gli elettroni (IsidoroKZ)
Esperienza e simulazioni (g.schgor)
Moleskine di un idraulico (RenzoDF)
Il Blog di ElectroYou (webmaster)
Idee microcontrollate (TardoFreak)
PICcoli grandi PICMicro (Paolino)
Il blog elettrico di carloc (carloc)
DirtEYblooog (dirtydeeds)
Di tutto... un po' (jordan20)
AK47 (lillo)
Esperienze elettroniche (marco438)
Telecomunicazioni musicali (clavicordo)
Automazione ed Elettronica (gustavo)
Direttive per la sicurezza (ErnestoCappelletti)
EYnfo dall'Alaska (mir)
Apriamo il quadro! (attilio)
H7-25 (asdf)
Passione Elettrica (massimob)
Elettroni a spasso (guidob)
Bloguerra (guerra)





